CamperOnLine
  • Camper
    • Camper usati
    • Camper nuovi
    • Produttori
    • Listino
    • Cataloghi
    • Concessionari e rete vendita
    • Noleggio
    • Van
    • Caravan
    • Fiere
    • Rimessaggi
    • Le prove di CamperOnLine
    • Provati da voi
    • Primo acquisto
    • Area professionisti
  • Accessori
    • Accessori e Prodotti
    • Camping Sport Magenta accessori
    • Produttori
    • Antenne TV
    • Ammortizzatori
    • GPS
    • Pneumatici
    • Rimorchi
    • Provati da Voi
    • Fai da te
  • Viaggi
    • Diari di viaggi in camper
    • Eventi
    • Foto
    • Check list
    • Traghetti
    • Trasporti
  • Sosta
    • Cerca Strutture
    • Sosta
    • Aree sosta camper
    • Campeggi
    • Agriturismi con sosta camper
    • App Camperonline App
    • 10 Consigli utili per la sosta
    • Area strutture
  • Forum
    • Tutti i Forum
    • Sosta
    • Gruppi
    • Compagni
    • Italia
    • Estero
    • Marchi
    • Meccanica
    • Cellula
    • Accessori
    • Eventi
    • Leggi
    • Comportamenti
    • Disabili
    • In camper per
    • Altro Camper
    • Altro
    • Extra
    • FAQ
    • Regolamento
    • Attivi
    • Preferiti
    • Cerca
  • Community
    • COL
    • CamperOnFest
    • Convenzioni Convenzioni
    • Amici
    • Furti
    • Informativa Privacy
    • Lavoro
  • COL
    • News
    • Newsletter
    • Pubblicità
    • Contatto
    • Ora
    • RSS RSS
    • Video
    • Facebook
    • Instagram
  • Magazine
  • Italiano
    • Bienvenue
    • Welcome
    • Willkommen
  • Accedi
CamperOnLine
Camping Sport Magenta
  1. Forum
  2. Tecnica
  3. Accessori
Galleria

Batteria LiFePO4 - Info generali

Rispondi
Cerca
Berger Camping
SostaGruppiCompagniItaliaEsteroMarchiMeccanicaCellulaAccessoriEventiLeggiComportamentiDisabiliIn camper perAltro CamperAltroExtra
17 20 480
10
il tornitore
il tornitore
rating

25/08/2015 6037
Rispondi Abuso
Inserito il 23/09/2020 alle: 16:55:34
In risposta al messaggio di gippo1950 del 23/09/2020 alle 14:15:50

  Rispondo  punto per punto ( almeno fin dove posso essere utile ) davvero interessante! sfrutto la tua conoscenza e la tua esperienza per alcune domande, se posso.il caricatore della Lipo funziona solo a 220? oppure al
parallelatore hai connesso i positivi di entrami i caricabatteria? solo con la 220 , col  solare carico alternativamente le batterie mai in parallelo  il solare è connesso al parallelatore immagino, quindi carica entrambe direttamente da li (vedi domanda 1) oppure va alle batterie direttamente? vedi sopra domanda profana: la Batteria motore come viene caricata? con l'impianto originale,  che mi pare tu non abbia modificato, corretto? o hai un dispositivo di carica tipo c.s.b.2.? c’è un dispositivo di carica  attivo solo con la 220 , almeno mi risulta psso avere un indicazione del modello di regolatore che hai montato..anche co i ountini per non scrivere il nome -)Tracer- A Serie modello da 20A che correnti porti ? quelle orginali, suppongo, non hai modificato i cavi, corretto?—non ho modificato cavi, per la  nuova batterie e nuovi collegamenti cavi da 4 mmq domanda finale...credi che sia possibile inserire anche un efoy 1600 come input al parallelatore? – penso proprio di si , non lo ho mai avuto, ma sa fatto funzionare p.es. di notte quando il solare non da… non vedo controindicazioni anche se mi risulta, ma potrei sbagliarmi, che l suo funzionamento ed erogazione è legato alla tensione della batteria .. se questa è già carica di suo lui dovrebbe andare in off..grazie mille,   GP  
...
Non confondiamo LiPo con le LiFePO4, sono 2 tecnologie del litio totalmente differenti.

Cavi da 4mmq personalmente li ritengo di sezione insufficiente, specie quando si parla di batterie LiFePO4.

La tensione di carica di una AGM (solitamente 14,8-14,9V poi dipende dal CB) è alta per una LiFePO4 la quale richiede 14,6V..Piuttosto meglio il ciclo delle piombo acido libero la cui tensione di carica è solitamente 14,4V (conservativa). In più come è sempre stato detto non richiedono la fase di mantenimento e men che meno la desolfatazione.

Per un corretto utilizzo, le LiFePO4 non dovrebbero essere messe in parallelo con altre tecnologie (al massimo con le LiFeYPO4 o LiFeMnPO4) e durante il viaggio serve un DC-DC.
Il Fai Da Te a Opera d'Arte - Marco
16
gippo1950
gippo1950
21/03/2010 179
Rispondi Abuso
Inserito il 23/09/2020 alle: 17:34:40
Che LiPo e LiFePO4 siano 2 tecnologie  diverse , lo dice la sigla stessa ; le prime litiopolimeri  venivano usate per aeromodellismo  le altre sono quelle che ci interessano come prodotto interessante per  i nostri mezzi e mi risulta ad oggi la più interessante fonte di accumulo e utilizzo energia elettrica.
Preciso e ribadisco che non voglio insegnare niente a nessuno, la mia è solo una esposizione di come utilizzo la LiFePO4 da oltre un anno senza crearmi problemi vari o complicarmi la vita con aggiunte varie.
Partendo dal concetto che il plein-air dura 3-4 gg. in inverno, 2 gg. prima carico la AGM col mezzo, la LiFePO4 col suo carica dedicato.
In plenair il BDS anche se selezionato in automatico seleziona 1 batteria alla volta ; se la LiFePO4 non viene caricata al 100% per pochi giorni non si rovina avrà solamente meno riserva di energia.
Non ho necessità di caricare durante il viaggio perché parto carico.
Ripeto questa è la mia metodologia, mi trovo bene ma non è detto , anzi, che sia perfetta solo che è immediata e non mi ha dato problemi.
GP
 
21
ezio55
ezio55
30/12/2004 3412
Rispondi Abuso
Inserito il 23/09/2020 alle: 17:42:46
In risposta al messaggio di greenpeace del 23/09/2020 alle 08:59:10

per ezio55 rettifico il valore della BM risulta 12.9V con impianto 230 e Internes lademodul (su EBL 101) scollegati
Il valore è normale, anch'io ho 13 Volt come BM.
Saluti.
Ezio55
6
Lollipibus
Lollipibus
27/12/2019 713
Rispondi Abuso
Inserito il 23/09/2020 alle: 18:31:18
In risposta al messaggio di gippo1950 del 23/09/2020 alle 17:34:40

Che LiPo e LiFePO4 siano 2 tecnologie  diverse , lo dice la sigla stessa ; le prime litiopolimeri  venivano usate per aeromodellismo  le altre sono quelle che ci interessano come prodotto interessante per  i nostri mezzi
e mi risulta ad oggi la più interessante fonte di accumulo e utilizzo energia elettrica. Preciso e ribadisco che non voglio insegnare niente a nessuno, la mia è solo una esposizione di come utilizzo la LiFePO4 da oltre un anno senza crearmi problemi vari o complicarmi la vita con aggiunte varie. Partendo dal concetto che il plein-air dura 3-4 gg. in inverno, 2 gg. prima carico la AGM col mezzo, la LiFePO4 col suo carica dedicato. In plenair il BDS anche se selezionato in automatico seleziona 1 batteria alla volta ; se la LiFePO4 non viene caricata al 100% per pochi giorni non si rovina avrà solamente meno riserva di energia. Non ho necessità di caricare durante il viaggio perché parto carico. Ripeto questa è la mia metodologia, mi trovo bene ma non è detto , anzi, che sia perfetta solo che è immediata e non mi ha dato problemi. GP  
...
credo di aver generato confusione io scrivendo lipo e vvolevo scrivere liFo...sorry

Grazie per le indicazioni precise. solo la parte di BM non mi convince, ma per l'uso che faccio io, mentre hai spiegato bene quale sia il tuo.
Lollipibus
Asturia, Cantabria e Paesi Baschi in cam
Asturia, Cantabria e Paesi Baschi in cam
Sala Silvergruva, la miniera d'argento
Sala Silvergruva, la miniera d'argento
Folgaria d’inverno in camper
Folgaria d’inverno in camper
Francia 2025
Francia 2025
Eksjo, la città di legno
Eksjo, la città di legno
Previous Next
orlegno
orlegno
-
Rispondi Abuso
Inserito il 23/09/2020 alle: 19:25:30
In risposta al messaggio di Ikigai del 23/09/2020 alle 13:09:30

Ciao, se hai collegato tutti i moduli e tutti i cavi del BMS, i ticchettii potrebbero essere i relé che attaccano le resistenze di bilanciamento. Però non dovrebbero fare un ticchettio continuo... Quando attacchi la 220,
che carica le batterie, il bilanciamento cessa, probabilmente interrompendo il ticchettio. Proverei a verificare che i collegamenti, specie quelli dei fili rigidi da inserire nei contattini a molla, siano saldi e non facciano falsi contatti. La mia batteria è normalmente silenziosa...
...

infatti sono i relè, si accende il led Charge e poi Load, non è di sicuro normale.
Domani verifico se qualche filo si è staccato, eventualmente contatterò l'assistenza a Praga.
Grazie per la risposta.
7
Alexanto05
Alexanto05
24/05/2018 666
Rispondi Abuso
Inserito il 23/09/2020 alle: 20:47:18
Chi utilizza il booster DC-DC limitato a 20/30A immagino non possa accendere un eventuale condizionatore in cellula durante la marcia, o sbaglio? Il Fj1700 assorbe 60A attraverso l'inverter.
19
camperos
camperos
29/12/2006 4709
Rispondi Abuso
Inserito il 23/09/2020 alle: 20:52:46
se il DC-DC pompa 20 A e il CDZ ciuccia 60A,  40A a ora circa vengono a mancare in batteria
fai da te? ahi ahi ahi ahi, ora in ogni tuo viaggio ad ogni strano odore penserai al camper... che si sta incendiando :)
orlegno
orlegno
-
Rispondi Abuso
Inserito il 24/09/2020 alle: 19:25:43
In risposta al messaggio di Ikigai del 23/09/2020 alle 13:09:30

Ciao, se hai collegato tutti i moduli e tutti i cavi del BMS, i ticchettii potrebbero essere i relé che attaccano le resistenze di bilanciamento. Però non dovrebbero fare un ticchettio continuo... Quando attacchi la 220,
che carica le batterie, il bilanciamento cessa, probabilmente interrompendo il ticchettio. Proverei a verificare che i collegamenti, specie quelli dei fili rigidi da inserire nei contattini a molla, siano saldi e non facciano falsi contatti. La mia batteria è normalmente silenziosa...
...
 Trovato l'inghippo ma non risolto.
il contatto del filo rigido sull'ultima scheda polo positivo non è stagnato bene
e si è staccato, impossibile la riparazione.
Purtroppo adesso si trovano solo ricambi per il nuovo modello, quello nero.
Mi hanno offerto un kit completo modello vecchio a prezzo scontato.
vediamo domani....
enzov1100
enzov1100
-
Rispondi Abuso
Inserito il 25/09/2020 alle: 22:08:16
Riprendo il thread che da un po' di tutto si scrive salvo che riguardo il titolo; LiFePo4.
La prima batteria da 120 AH da 330 euro continua a mantenere le sue caratteristiche, confermando la capacità reale.
La seconda è saltata quasi subito, scritto e mandato video del blink rosso/verde dell'alimentatore al venditore (non si carica più), mi ha inviato un nuovo BMS da sostituire (leggermente diverso), aperto il pacco e trovato due dei fili che partono dalla BMS saldati tra di loro causa surriscaldamento, mandato foto, provo lo stesso a sostituire cavetti e BMS, carico e scarico la batteria sempre con il phon da 900 W; niente da fare, una delle celle si scarica mooolto più velocemente delle altre ed il BMS apre il grosso relè dell'uscita, interrompendo la scarica.
Ora mi mandano (spero) un nuovo pacco batterie da sostituire.
I say what I think that is what I do. La pratica spesso supera la matematica.
15
MarcoBo
MarcoBo
01/06/2010 3096
Rispondi Abuso
Inserito il 26/09/2020 alle: 20:42:10
In risposta al messaggio di gduca del 28/08/2020 alle 00:05:42

E' davvero lungo a spiegare, ma il circuito della centralina Nordelettronica è sofisticato.  La  modifica del jumper è una cosa un po' più elaborata. non hanno semplicemente escluso il relè parallelatore (che tra l'altro
è saldato nel circuito)  ma lo hanno fatto in presenza di alcune regole,    Sulla tua centralina che ha il relè parallelatore esterno, per capire se tutto funziona, puoi fare una prova: stacca il relè o il morsetto della batteria servizi e metti in moto il motore.  Prova se il frigo e le utenze funzionano.  Non conosco la tua centralina (non ho lo schema) e non so come si comporterà. Secondo me succederà che se stacchi il relè potrebbe non funzionare più il frigorifero che invece funzionerebbe se stacchi il morsetto sulla batteria dei servizi. Per questo motivo, credo che nel tuo caso sarà comunque necessario il relè aggiuntivo di cui ti ho parlato a valle dell'impianto, ossia poco prima che entri nella batteria dei servizi.   Escludendo la batteria dei servizi, avresti inoltre il vantaggio che il flusso di corrente che passa su quel filo, non dovendo ricaricare la batteria dei servizi, renderà il frigo più efficiente.    Tu mi chiederai: e chi la carica la batteria dei servizi?   Il DC-DC o booster, come avevamo già detto, con una linea separata. Nei DC-DC la corrente scorre solo verso una direzione (da batteria motore a batteria servizi) e non torna indietro.   La centralina non lavorerà fuori specifica perché, di fatto, anche prima era in collegamento diretto con batteria motore attraverso il relè parallelatore. Eventuali sbalzi o picchi dell'alternatore sono già assorbiti dalla batteria motore. La tua ultima osservazione è se al momento in cui spengo il motore, per qualche istante l'impianto rimanga non alimentato. Al riguardo ti posso dire che nel miei mezzi ho sempre installato un separatore manuale di batterie.  E' una manopola che ruota e che ti fa diverse combinazioni (batt 1 -  batt 2 - batt 1  + batt 2  e  ZERO).  Essendo manuale, c'è un certo intervallo nel passaggio da una situazione all'altra in cui l'impianto rimane scollegato.  Si tratta di frazioni di secondo. Con le luci accese non mi sono mai accorto di uno sfarfallamento o nessuna apparecchiatura elettronica si è mai resettata. Evidentemente la corrente continua a girare nel circuito e nei condensatori che impiegano un tempo più lungo a scaricarsi.  Nel caso del relè, esso commuta in millisecondi, quindi il problema davvero non esiste. Tengo a precisarti che il mio impianto Litio non è ancora stato realizzato nei fatti.  Ho preparato tutto e lo farò dopo metà settembre.  Non posso quindi darti una testimonianza sulla bontà dei miei ragionamenti o su eventuali problematiche che si dovessero manifestare in corso d'opera.  Diciamo che sono due mesi che ci sto pensando su ed anzi….  se qualcuno ha rilevato degli errori nei miei ragionamenti mi farebbe una grade cortesia a segnalarmeli.  Credo però che il mio ragionamento sia molto semplice e lineare.
...
Mi rifeccio a questo post ormai di quasi un mese fa, quando con gduca si parlava dell'ipotesti un relè spearatore che, con motore in moto, stacchi la BS dalla centralina in modo da ottenere il risultato che:

- la BS si carica con un DC-DC diretto dalla BM senza toccare la centralina
- i servizi cellula vengono alimentati dalla BM per via del relè parallelatore di serie

in più ci sarebbe il vantaggio che sul relè della centralina transita molta meno corrente non dovendo sopportare la carica e quindi con un miglioramento delle prestazioni del frigo.

Oggi mi è arrivato il relè, mi sono armato di tutti gli attrezzi e l'ho montato per raggiungere il risultato della separazione della BS in viaggio.
Purtroppo, come avevo paventato sul post iniziale, la soluzione non è attuabile: come mi ero immaginato allo spegnimento del motore la centralina rimane per un istante scollegata dalla BS e si spegne,

Peccato, la soluzione non mi dispiaceva e avevo trovato un modo per attuarla con un impatto minimo. A questo punto dovrò passare al piano di riserva che prevede l'installazione del Votronic vicino alla centralina ponendone l'uscita sull'ingresso BM della centralina (di conseguenza con cavi molto più lughi)
Avrei preferito una soluzione che mi permettesse di alleviare il lavoro del relè sulla centralina che temo possa essere troppo sotto stress con la Lifepo4 e col booster ancora di più.

Marco
14
gduca
gduca
29/11/2011 2093
Rispondi Abuso
Inserito il 27/09/2020 alle: 19:05:41
Non disperare.  La soluzione c'è perché anche a me è successa la stessa cosa.   Purtroppo se non si prova sul campo non si può capire.  Con meno di 15 euro acquisti un relè temporizzato.  Questo per essere precisi

https://www.amazon.it/gp/produc...


ma
ce ne sono di più economici senza lo scatolino che lo contiene. 
Ti arriva senza istruzioni ma se guardi un paio di filmati internet capisci subito come funziona.   Ci sono tre scale di misura del tempo (lo capisci da un piccolo puntino del display che fa da decimale). 
Spero di farmi capire.  
Il relè arriva fino a 999 minuti (circa 16 ore) ma se cambi il decimale sono 996 secondi.  Questo significa che non puoi impostare che scatti dopo 5 secondi dalla messa in moto e rimanga innescato per 999 minuti. . O si fa tutto in secondi o tutto in minuti.

Anche se togli corrente, mantiene ogni programmazione che avevi fatto all'inizio.   Questo significa che il relè rimane sempre spento e non alimentato finchè non metti in moto il motore. Dopo un minuto  il relè si innesca e, a cascata, fa partire il vero relè deviatore che hai predisposto per staccare la batteria dei servizi.

Avrei voluto, nelle mie intenzioni, che il relè temporizzatore lavorasse al contrario, ossia in condizione di riposo durante il viaggio, ma questo non è possibile.  Di contro ho visto che il piccolo relè di colore azzurro, quando si eccita, non scalda assolutamente e non consuma praticamente nulla.   Le 16 ore in cui rimane eccitato sono più che sufficienti perché difficilmente fai una viaggio più lungo di 16 ore senza mai fermarti almeno una volta per riposare o rifornire.

Ho testato sul campo e funziona tutto a perfezione ed anzi…. a pensarci bene, far passare un minuto prima della commutazione è una cosa che proprio non mi dispiace.  Rispetto ai canonici 5/10 secondi (che avrei scelto inizialmente) un minuto permette a tutte le utenze di stabiizzarsi e poi…. ZAC……   via la batteria dei servizi e campo libero al relè parallelatore della centralina..   Purtroppo il mio lavoro non è stato ancora ultimato perché nel frattempo è defunto il mio DC-DC arrivato difettoso dalla Votronic, riparato e guastatosi di nuovo allo stesso modo. Non me l'hanno voluto sostituire.    Per quel che mi riguarda questo marchio verrà depennato dalla mia lista di accessori.  Peccato perché era l'unico modello con display in cabina guida nel qualche potevo leggere in diretta ciò che succedeva.   Penserò a quale prodotto alternativo da acquistare.   

 
Fabrizio
Argomenti recenti dal forum
Accessori
Porta bici per Rimor Europeo 72
Salve mi sapete consigliare un porta bici per il Rimor Europeo 72 de...
alex01
3 minuti fa
Meccanica
Manuale riparazione sofim 35.8
buon giorno a tutti.. sn in procinto di rifare motore sofim 8140.07 ...
luciohd
Oggi alle 12:50
Aree di sosta e campeggi
Lago di Resia
Buongiorno sapete indicarmi dove sostare per visitare lago Di Resia ...
Arcasuper640
Oggi alle 10:34
Cellula abitativa
Camper nuovi con serbatoio nere nautico
Un saluto a tutti, sul mio attuale arca è installato un sistema spee...
riccardo23
Ieri alle: 17:42
Accessori
Trasferire molti ah da BS a BM
Una volta sono rimasto senza alternatore a circa due ore da casa era...
gianninotopo
Ieri alle: 13:22
Cellula abitativa
pulizia oblo bagno impossibile
Buongiorno a tutti, ho un Hymer Camp GT544 mansardato del 2005. Il b...
Ceschi1984
Ieri alle: 11:53
Cellula abitativa
Comando Cp plus su Combi 6002
Buongiorno a tutti,volevo sapere se si può montare il comando cp plu...
Rickyge
19/03/26 - 16:00
Viaggi all'estero
Vignette/telepass oltre 35q in Cechia e Polonia
Buongiorno a tutti, stavo programmando un viaggio per vedere la Polo...
biomax
19/03/26 - 14:09
Cellula abitativa
Sportello presa cee
Lo sportello della presa del mio veicolo è mal ridotta, un paio di c...
gianninotopo
19/03/26 - 11:10
Altro sui camper
camper puro, furgonato x usarlo anche per lavori
buongiorno, mi frulla in testa la voglia anche se non per quest'anno...
vespucci
19/03/26 - 09:04
Altro sui camper
Cerco rimessaggio Arenzano,Genova,Savona,masone ec
Aiutoooo cerco rimessaggio nel raggio di 50km da Arenzano… grazie an...
Lelle007
19/03/26 - 01:19
Accessori
domanda secca su lifepo4
buonaser a tutti, prossimamente vorrei acquistare un box batteria d...
AlbertoPD
18/03/26 - 23:08
Cellula abitativa
Caricabatterie e colonnina 220v
Buonasera, non mi era mai capitato oppure non ci avevo fatto caso. S...
323232
18/03/26 - 20:17
Compagni di viaggio
Compagni viaggio Lombardia
Ciao, siamo una coppia di Milano, Matteo (34) e Angelica (40), con u...
Mario Dalgalla
18/03/26 - 17:16
Accessori
Striscia a led "d'atmosfera"
Salve vorrei mettere questa striscia (5mt. COB 45w) alla base dei ...
gianninotopo
18/03/26 - 16:43
19
camperos
camperos
29/12/2006 4709
Rispondi Abuso
Inserito il 27/09/2020 alle: 21:18:30
comunque in caso di booster intelligente per lipefo4 il relè parallelatore centralina va in qualche modo eliminato,
non ha senso prevedere la giusta ricarica per la batteria se poi si lascia il parallelatore centralina a vanificare
fai da te? ahi ahi ahi ahi, ora in ogni tuo viaggio ad ogni strano odore penserai al camper... che si sta incendiando :)
enzov1100
enzov1100
-
Rispondi Abuso
Inserito il 27/09/2020 alle: 21:27:38
Votronic è tedesca e non ripara in garanzia un prodotto difettoso...da Aliexpress mi sta arrivando gratuitamente il pacco batterie della LiFePo4 da 120 Ah, che era difettosa, la prima funziona bene da circa un anno, la seconda non ha mai funzionato, probabilmente a volte saltano i collaudi.
La capacità l'ho verificata ed è reale, mancava la sicurezza dell'affidabilità e dell'assistenza, quando l'avrò riassemblata  e testata ve lo farò sapere
I say what I think that is what I do. La pratica spesso supera la matematica.
15
MarcoBo
MarcoBo
01/06/2010 3096
Rispondi Abuso
Inserito il 27/09/2020 alle: 22:20:54
In risposta al messaggio di gduca del 27/09/2020 alle 19:05:41

Non disperare.  La soluzione c'è perché anche a me è successa la stessa cosa.   Purtroppo se non si prova sul campo non si può capire.  Con meno di 15 euro acquisti un relè temporizzato.  Questo per essere precisi
ppx_yo_dt_b_asin_title_o00_s00?ie=UTF8&psc=1 ma ce ne sono di più economici senza lo scatolino che lo contiene.  Ti arriva senza istruzioni ma se guardi un paio di filmati internet capisci subito come funziona.   Ci sono tre scale di misura del tempo (lo capisci da un piccolo puntino del display che fa da decimale).  Spero di farmi capire.   Il relè arriva fino a 999 minuti (circa 16 ore) ma se cambi il decimale sono 996 secondi.  Questo significa che non puoi impostare che scatti dopo 5 secondi dalla messa in moto e rimanga innescato per 999 minuti. . O si fa tutto in secondi o tutto in minuti. Anche se togli corrente, mantiene ogni programmazione che avevi fatto all'inizio.   Questo significa che il relè rimane sempre spento e non alimentato finchè non metti in moto il motore. Dopo un minuto  il relè si innesca e, a cascata, fa partire il vero relè deviatore che hai predisposto per staccare la batteria dei servizi. Avrei voluto, nelle mie intenzioni, che il relè temporizzatore lavorasse al contrario, ossia in condizione di riposo durante il viaggio, ma questo non è possibile.  Di contro ho visto che il piccolo relè di colore azzurro, quando si eccita, non scalda assolutamente e non consuma praticamente nulla.   Le 16 ore in cui rimane eccitato sono più che sufficienti perché difficilmente fai una viaggio più lungo di 16 ore senza mai fermarti almeno una volta per riposare o rifornire. Ho testato sul campo e funziona tutto a perfezione ed anzi…. a pensarci bene, far passare un minuto prima della commutazione è una cosa che proprio non mi dispiace.  Rispetto ai canonici 5/10 secondi (che avrei scelto inizialmente) un minuto permette a tutte le utenze di stabiizzarsi e poi…. ZAC……   via la batteria dei servizi e campo libero al relè parallelatore della centralina..   Purtroppo il mio lavoro non è stato ancora ultimato perché nel frattempo è defunto il mio DC-DC arrivato difettoso dalla Votronic, riparato e guastatosi di nuovo allo stesso modo. Non me l'hanno voluto sostituire.    Per quel che mi riguarda questo marchio verrà depennato dalla mia lista di accessori.  Peccato perché era l'unico modello con display in cabina guida nel qualche potevo leggere in diretta ciò che succedeva.   Penserò a quale prodotto alternativo da acquistare.     
...
Grazie per il link, il relè mi interessa a prescindere ma la tua soluzione non l'ho capita.
All'avvio del motore problemi non ne ho, il segnale per il relè me lo da la centralina e tutto resta acceso disinserendo la BS. Al contrario allo spegnimento del motore la centralina si spegne. 
Paradossalmente servirebbe qualcosa che stacca il relè un istante prima che io spenga il motore, anche se fosse possibile - ed evidentemente non lo è - la soluzione non sarebbe elettricamente accettabile a causa dell'elevato numero di ampere che potrebbero scorrere dalla Lifepo a 14.6V verso la BM.

Se mi posso permettere, devo dirti che l'idea dell'attivazione dopo un minuto non mi piace molto, se ho ben capito in quel momento ti trovi con l'output del booster di fatto ricollegato all'input arttraverso il relè parallelatore. Sei sicuro di aver considerato tutti gli effetti collaterali di questo loop?

Marco
15
MarcoBo
MarcoBo
01/06/2010 3096
Rispondi Abuso
Inserito il 28/09/2020 alle: 09:54:30
In risposta al messaggio di camperos del 27/09/2020 alle 21:18:30

comunque in caso di booster intelligente per lipefo4 il relè parallelatore centralina va in qualche modo eliminato, non ha senso prevedere la giusta ricarica per la batteria se poi si lascia il parallelatore centralina a vanificare
Ciao, 

mi pare che su questo punto ti sia già stato risposto. I casi sono due, o non hai capito le risposte o noi continuiamo a non capire la tua obiezione.
Questo è uno degli schemi di installazione del Votronic (ne ho preso uno a caso perché lo avevo comodo)
Schermata%202020-09-28%20alle%2009_41_52.png

Come vedi semplicemente viene posto in ingresso alla centralina lato BM, il relè parallelatore continua a fare il suo lavoro senza alcun problema. 
In questo caso, come abbiamo detto in questo topic molte volte, si ha l'effetto spiacevole di avere tutte le utenze cellula che usano corrente a valle del booster riducendone leggermente l'effetto di ricarica.

Il power service di NDS invece è ancora più semplice avendo internamente un relè che separa le utenze dalla BS durante la carica.
Lo schema qui sotto è della versione BASIC che non ha il supporto per le Litio, ma almeno si legge più facilmente.
image(1994).png

Infine c'è la soluzione di gduca che tramite un relè disconnette la BS quando sei in marcia, in questo modo il relè parallelatore della centralina scatta alimentando i servizi ma non caricando più la BS essendo disconnessa.
Quest'ultima soluzione non funziona sulla mia centralina CBE per i motivi che ho descritto ieri in un post qui.

Se hai altre perplessità faccele sapere, non vorrei avessimo dimenticato qualcosa.

Marco
14
gduca
gduca
29/11/2011 2093
Rispondi Abuso
Inserito il 28/09/2020 alle: 12:16:11
Scusa Marco ma non avevo ben capito il tuo problema.  Francamente non capisco proprio perchè. Sulla carta è impossibile che accada ciò che dici, ma ovviamente non ti stai inventando nulla.  Per quanto riguarda la mia situazione, ho capito (dopo) che il mio relè parallelatore è stato progettato per attivarsi a qualche secondo di ritardo dalla messa in moto.  Ecco perchè i tempi del d+ e del relè parallelatore non combaciavano.  Ho quindi risolto con il relè temporizzato.  Le prime prove che ho fatto, per capire se il mio impianto funzionava, erano quelle di avviare il motore, aspettare una decina di secondi e divertirmi a far toccare o meno il filo del d+ sulla bobina del relè.  Non c'erano "buchi" di alimentazione sull'intero impianto e quindi sono andato avanti nel progetto.  Ti consiglio quindi di fare lo stesso: prima di spegnere il motore, attiva e disattiva manualmente il relè che hai acquistato per questa modifica e cerca di capire se nella centralina viene a mancare corrente per una frazione di secondo.  Se non avessi problemi con questo esperimento, il problema sarebbe solo su dove peschi la corrente per pilotare il relè commutatore.

Tu mi dici che hai il problema contrario, ossia allo spegnimento.   Bisognerebbe vedere lo schema del tuo impianto ma, francamente, cosiì su due piedi, mi verrebbe da dire che hai sbagliato qualcosa.    Quando spegni il motore, togli anche il segnale d+. Il relè dovrebbe ritornare, in una frazione di secondo, allo stato di riposo e, quindi, ripristinare il collegamento con la batteria SERVIZI.   Prova un pò a verificare, visivamente, cosa succede nel tuo impianto utilizzando una  lampadina come tester.

Mi facevi un'obiezione su cosa succede nel mio impianto nel primo minuto in cui aspetto che il relè deviatore scolleghi la batteria dei servizi.   Semplice: il booster, nel primo minuto carica batteria dei servizi ma la corrente finisce anche nelle utenze ed il quella del motore. In pratica lavora senza profitto nel primo minuto, nulla di più.   Avevo già visto prima che il Votronic si riguastasse (ma non per colpa del mio impianto) che tutto funzionava a dovere.  Non voglio più avere  nulla a che fare con la tedesca Votronic e se anzi, qualcuno ne ha bisogno, mi vendo il display di controllo LCD, ancora in garanzia.
Fabrizio

Modificato da gduca il 28/09/2020 alle 13:42:19
19
camperos
camperos
29/12/2006 4709
Rispondi Abuso
Inserito il 28/09/2020 alle: 13:38:13
In risposta al messaggio di MarcoBo del 28/09/2020 alle 09:54:30

Ciao,  mi pare che su questo punto ti sia già stato risposto. I casi sono due, o non hai capito le risposte o noi continuiamo a non capire la tua obiezione. Questo è uno degli schemi di installazione del Votronic (ne
ho preso uno a caso perché lo avevo comodo) Come vedi semplicemente viene posto in ingresso alla centralina lato BM, il relè parallelatore continua a fare il suo lavoro senza alcun problema.  In questo caso, come abbiamo detto in questo topic molte volte, si ha l'effetto spiacevole di avere tutte le utenze cellula che usano corrente a valle del booster riducendone leggermente l'effetto di ricarica. Il power service di NDS invece è ancora più semplice avendo internamente un relè che separa le utenze dalla BS durante la carica. Lo schema qui sotto è della versione BASIC che non ha il supporto per le Litio, ma almeno si legge più facilmente. Infine c'è la soluzione di gduca che tramite un relè disconnette la BS quando sei in marcia, in questo modo il relè parallelatore della centralina scatta alimentando i servizi ma non caricando più la BS essendo disconnessa. Quest'ultima soluzione non funziona sulla mia centralina CBE per i motivi che ho descritto ieri in un post qui. Se hai altre perplessità faccele sapere, non vorrei avessimo dimenticato qualcosa. Marco
...
si esatto non capivo, ora visto il tuo schema posso dire  che nel caso del mio camper non lo farei mai.
la centralina (la mia) è lontana 7 metri di cavo e quindi diventano tra andata e ritorno 14 metri... manco il 50 mmq basterebbe.
davo per scontato che le centraline camper fossero installate per comodità e non per distanze...quindi nel mio caso(non votronic) è un booster con impianto "corto..vicino alle batterie e il parallelatore risultando (nel mio caso)  in "parallelo al booster" quindi eliminato, avendo anche il frigo a compressore ho meno problemi di commutazione.

ritornando al messaggio, trovo strano che per 5-6 ampere che useresti durante il viaggio (quindi ti mancano in carica,giusto?) stai a complicare tutto,
se esiste un votronic da 40A risolveresti... ma forse psicologicamente ti mancherebbero ancora quei 5- 6A.
fai da te? ahi ahi ahi ahi, ora in ogni tuo viaggio ad ogni strano odore penserai al camper... che si sta incendiando :)
15
MarcoBo
MarcoBo
01/06/2010 3096
Rispondi Abuso
Inserito il 28/09/2020 alle: 14:00:46
In risposta al messaggio di gduca del 28/09/2020 alle 12:16:11

Scusa Marco ma non avevo ben capito il tuo problema.  Francamente non capisco proprio perchè. Sulla carta è impossibile che accada ciò che dici, ma ovviamente non ti stai inventando nulla.  Per quanto riguarda la mia
situazione, ho capito (dopo) che il mio relè parallelatore è stato progettato per attivarsi a qualche secondo di ritardo dalla messa in moto.  Ecco perchè i tempi del d+ e del relè parallelatore non combaciavano.  Ho quindi risolto con il relè temporizzato.  Le prime prove che ho fatto, per capire se il mio impianto funzionava, erano quelle di avviare il motore, aspettare una decina di secondi e divertirmi a far toccare o meno il filo del d+ sulla bobina del relè.  Non c'erano buchi di alimentazione sull'intero impianto e quindi sono andato avanti nel progetto.  Ti consiglio quindi di fare lo stesso: prima di spegnere il motore, attiva e disattiva manualmente il relè che hai acquistato per questa modifica e cerca di capire se nella centralina viene a mancare corrente per una frazione di secondo.  Se non avessi problemi con questo esperimento, il problema sarebbe solo su dove peschi la corrente per pilotare il relè commutatore. Tu mi dici che hai il problema contrario, ossia allo spegnimento.   Bisognerebbe vedere lo schema del tuo impianto ma, francamente, cosiì su due piedi, mi verrebbe da dire che hai sbagliato qualcosa.    Quando spegni il motore, togli anche il segnale d+. Il relè dovrebbe ritornare, in una frazione di secondo, allo stato di riposo e, quindi, ripristinare il collegamento con la batteria SERVIZI.   Prova un pò a verificare, visivamente, cosa succede nel tuo impianto utilizzando una  lampadina come tester. Mi facevi un'obiezione su cosa succede nel mio impianto nel primo minuto in cui aspetto che il relè deviatore scolleghi la batteria dei servizi.   Semplice: il booster, nel primo minuto carica batteria dei servizi ma la corrente finisce anche nelle utenze ed il quella del motore. In pratica lavora senza profitto nel primo minuto, nulla di più.   Avevo già visto prima che il Votronic si riguastasse (ma non per colpa del mio impianto) che tutto funzionava a dovere.  Non voglio più avere  nulla a che fare con la tedesca Votronic e se anzi, qualcuno ne ha bisogno, mi vendo il display di controllo LCD, ancora in garanzia.
...
Tu mi dici che hai il problema contrario, ossia allo spegnimento.   Bisognerebbe vedere lo schema del tuo impianto ma, francamente, cosiì su due piedi, mi verrebbe da dire che hai sbagliato qualcosa.    Quando spegni il motore, togli anche il segnale d+. Il relè dovrebbe ritornare, in una frazione di secondo, allo stato di riposo e, quindi, ripristinare il collegamento con la batteria motore.   Prova un pò a verificare, visivamente, cosa succede nel tuo impianto utilizzando una  lampadina come tester.

Guarda, francamente fatico a trovare un errore. Il relè scatta tramite il segnale D+ in uscita dalla centralina e dunque si attiva nello stesso momento in cui si attiva il parallelo delle batterie (ho verificato col tester che il relè funziona correttamente, anche se bastava osservarlo essendo trasparente).
Quando spengo il motore il relè torna a mettere correttamente la BS in collegamento con la centralina, ma lei si spegne. Si spegne perché quella frazione di secondo necessaria al relè per tornare in posizione è troppo elevata e, di conseguenza, si spegne.
Non vedo altri motivi per cui accada questo, la centralina appena spenta si può riaccandere senza problemi.
La mia opinione è che il relè del parallelo sia più veloce, quando si apre tutto si spegne perché la BS è ancora scollegata. L'unico dubbio che mi rimane è che la centralina, accorgendosi che la BS è scollegata passi ad uno stato diverso.

Ti chiedo però perché parli di batteria motore (parte in bold), essa non è mai stata toccata dal relè.

Mi facevi un'obiezione su cosa succede nel mio impianto nel primo minuto in cui aspetto che il relè deviatore scolleghi la batteria dei servizi.   Semplice: il booster, nel primo minuto carica batteria dei servizi ma la corrente finisce anche nelle utenze ed il quella del motore. In pratica lavora senza profitto nel primo minuto, nulla di più.   Avevo già visto prima che il Votronic si riguastasse (ma non per colpa del mio impianto) che tutto funzionava a dovere.  Non voglio più avere  nulla a che fare con la tedesca Votronic e se anzi, qualcuno ne ha bisogno, mi vendo il display di controllo LCD, ancora in garanzia.

Il booster è di fatto su un loop chiuso fra il suo ingresso e la sua uscita. Ovviamente dissipa energia inutilmente, ma quello che mi pareva anomalo è che tu ributti l'output verso la BM da cui poi lui stesso pesca corrente.

Mi puoi segnalare, magari su messaggio privato, quale display hai e a quanto lo vuoi vendere. Non era mia intenzione comprarlo... ma non si sa mai :-P

Marco
14
gduca
gduca
29/11/2011 2093
Rispondi Abuso
Inserito il 28/09/2020 alle: 14:23:49
In risposta al messaggio di camperos del 28/09/2020 alle 13:38:13

si esatto non capivo, ora visto il tuo schema posso dire  che nel caso del mio camper non lo farei mai. la centralina (la mia) è lontana 7 metri di cavo e quindi diventano tra andata e ritorno 14 metri... manco il 50 mmq
basterebbe. davo per scontato che le centraline camper fossero installate per comodità e non per distanze...quindi nel mio caso(non votronic) è un booster con impianto corto..vicino alle batterie e il parallelatore risultando (nel mio caso)  in parallelo al booster quindi eliminato, avendo anche il frigo a compressore ho meno problemi di commutazione. ritornando al messaggio, trovo strano che per 5-6 ampere che useresti durante il viaggio (quindi ti mancano in carica,giusto?) stai a complicare tutto, se esiste un votronic da 40A risolveresti... ma forse psicologicamente ti mancherebbero ancora quei 5- 6A.
...
Ti chiamo Camperos perchè non conosco il tuo nome di battesimo.  Rispondo io per Marco.  La premessa che ti faccio è che non sono un lauerato in elettronica.  Tutte le nozioni che ho acquisito sull'argomento Litio le ho apprese documentomi, mosso da pura passione, quindi non ho il Vangelo in mano.
Come dissi già in un altro intervento, ci sono dei punti fermi sull'argomento.   Al di là di quanto o meno velocemente verrà ricaricata una batteria Litio (se ci vuole troppo tempo non avrebbe senso passare a questa tecnologia ma, di contro, per salvaguardare batteria ed alternatore, il tempo di ricarica non  deve neanche essere troppo veloce)  ... dicevo... il problema non è tanto velocizzare i tempi di ricarica quanto salvaguardare impianto elettrico originale ed alternatore del mezzo, oltre che la stessa batteria al LiFePo4.

Per questo motivo ci vuole qualcosa che si interponga tra alternatore e batteria per:
1) evitare un sovraffaticamento dell'alternatore;
2) salvaguardare le sezioni di cavo originali del mezzo
3) fornire una corretta curva di ricarica alla batteria (che l'alternatore proprio non è in grado di fare)

La verità è che l'argomento viene trattato in maniera diversa da chi offre batterie LiFePo4 sul mercato perchè, secondo me, non esiste ancora un adeguato background di utilizzatori e quindi una casistica di problemi.

E' stata citata la NDS che, probabilmente, è quella che ha fatto uscire sul mercato un prodotto "finito" adeguato alle specifiche esigenze del camperista.   Sarà mia premura ricontattarli una seconda volta per chiedere spiegazioni ma, sostanzialmente, ho capito che il loro sistema 3Link si preoccupa principalmente si salvaguardare la centralina del mezzo, tenendola fuori dal discorso ricarica in viaggio. piuttosto che preoccuparsi delle problematiche relative all'alternatore..   Se però  leggete bene il manuale di istruzioni/installazione in lingua inglese della stessa NDS, che ho reperito su internet, c'è un passaggio che consiglia di fatto di interporre un loro DC-DC tra alternatore e batteria servizi.   Tralascio al momento le problematiche relative al C.B. 220V sennò mettiamo troppa carne al fuoco.

Per il discorso Litio,, avere un impianto come il tuo, parallelo all'originale e che quindi, di fatto resta in collegamento con la batteria motore, perde parte del suo senso di esistere.   Ti ripeto, non ho studiato ed il mio pensiero lascia il tempo che trova però, secondo me, così facendo vai solo ad innalzare la tensione a valle che, se fa bene al frigorifero, (compensando le perdite dovute alla lunghezza e sezione dei cavi) di fatto vanno a stressare la batteria motore e le utenze.   Per fare un esmpio banale di idraulica (l'idraulica è la cosa che più somiglia all'elettronica), per il principio dei vasi comunicanti, se vuoi riempire un recipiente, devi fare un tubo diretto tra fontana e cisterna.  Se dalla cisterna lasci uscire l'acqua essa si disperde ovunque trova una via di sfogo, anche verso la batteria motore.

Questa è la teoria, poi si scopre che qualcuno se n'è sbattuto altamente e vive sereno senza aver registrato malfunzionamenti nel suo camper.  Ecco quindi che le prove pratiche, come sovente succede, vanno a cozzare con la teoria.   Io però mi sento più sicuro ad installare un booster, diversamente preferisco andare anvanti con le mie due AGM.     (P.S...la presenza di un booster sarebbe comunque molto utile anche alla ricarica delle AGM, con o senza l'alternatore SMART degli Euro6)
 
Fabrizio
15
MarcoBo
MarcoBo
01/06/2010 3096
Rispondi Abuso
Inserito il 28/09/2020 alle: 14:32:26
In risposta al messaggio di camperos del 28/09/2020 alle 13:38:13

si esatto non capivo, ora visto il tuo schema posso dire  che nel caso del mio camper non lo farei mai. la centralina (la mia) è lontana 7 metri di cavo e quindi diventano tra andata e ritorno 14 metri... manco il 50 mmq
basterebbe. davo per scontato che le centraline camper fossero installate per comodità e non per distanze...quindi nel mio caso(non votronic) è un booster con impianto corto..vicino alle batterie e il parallelatore risultando (nel mio caso)  in parallelo al booster quindi eliminato, avendo anche il frigo a compressore ho meno problemi di commutazione. ritornando al messaggio, trovo strano che per 5-6 ampere che useresti durante il viaggio (quindi ti mancano in carica,giusto?) stai a complicare tutto, se esiste un votronic da 40A risolveresti... ma forse psicologicamente ti mancherebbero ancora quei 5- 6A.
...
Non ho problemi sulla rapidità di carica, sono stato tentato di prendere il Votronic da 20A :-)

Il punto è questo, io metto in moto e il booster inizia a caricare portando la BS a 14.6v (14.4v per la verità sul votronic), una volta raggiunta la fine carica passa all'unica altra fase impostandosi a 13.8V.
Secondo lo schema che ti ho incollato quando inizia la seconda fase per alcuni minuti la BS cede corrente verso le utenze (tra cui il frigo) fino a quando non arriverà a livellarsi a 13.8V. 
Se vogliamo tagliare il capello in quattro allo spegnimento del motore la batteria non sarà al 100% di carica.

Se poi dovesse accadere che metto in moto il camper quando è molto freddo mi troverei con la BS che si trova vicino a zero gradi e il booster passa ad una fase di carica moderata per non danneggiare la BS. Durante questa fase se il frigo è acceso da dove prenderà corrente se non in parte dalla BS? Ovviamente poi l'abitacolo si riscalda e il problema sparisce

Il relè separatore di cui si parlava fa sì che:
- all'arrivo la batteria sia sempre al 100%
- le utenze peschino dalla BM e il frigo probabilmente si troverebbe ad avere una tensione più alta frutto del fatto che la BS non si carica da lì
- in caso di partenza con batteria molto fredda le utenze funzionerebbero ugualmente anche se il booster è in modalità a carica ridotta

Tutto questo è una complicazione? Assolutamente sì. Ne vale la pena? Probabilmente no. Specialmente di fronte al problema riscontrato nel weekend direi che abbandono. Ho già speso troppo per questa "complicazione".

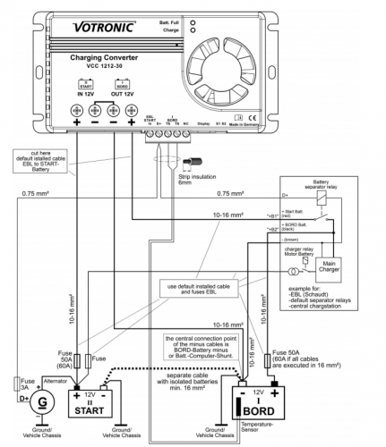
A titolo solo informativo la documentazione del votronic dice questo riguardo alla sezione dei cavi:

image(1995).png
Giusta o sbagliata che sia devo dire che sul forum forse si tende sempre ad esagerare sulla dimensione del cablaggio :-)

Marco
SostaGruppiCompagniItaliaEsteroMarchiMeccanicaCellulaAccessoriEventiLeggiComportamentiDisabiliIn camper perAltro CamperAltroExtra
167k Facebook
343k Instagram
42,6k TikTok
73,3k Youtube
CamperOnLine - Copyright © 1998-2026 - P.Iva 06953990014
Informativa privacy
Loading...

Accedi

Recupera Password
Nuovo utente

Vuoi eliminare il messaggio?

Sottoscrizione

Anteprima

PREFERENZA

Il messaggio è in fase di inserimento.

loading

CamperOnLine

Buongiorno gentile utente,

da oltre 20 anni Camperonline offre gratuitamente tutti i suoi servizi
grazie agli inserzionisti che ci hanno dato la loro fiducia, permettici di continuare il nostro lavoro disattivando il blocco delle pubblicità.

Grazie della collaborazione.

Azione eseguita con successo

Azione Fallita

Condividi

Condividi questa pagina con:

O copia il link