CamperOnLine
  • Camper
    • Camper usati
    • Camper nuovi
    • Produttori
    • Listino
    • Cataloghi
    • Concessionari e rete vendita
    • Noleggio
    • Van
    • Caravan
    • Fiere
    • Rimessaggi
    • Le prove di CamperOnLine
    • Provati da voi
    • Primo acquisto
    • Area professionisti
  • Accessori
    • Accessori e Prodotti
    • Camping Sport Magenta accessori
    • Produttori
    • Antenne TV
    • Ammortizzatori
    • GPS
    • Pneumatici
    • Rimorchi
    • Provati da Voi
    • Fai da te
  • Viaggi
    • Diari di viaggi in camper
    • Eventi
    • Foto
    • Check list
    • Traghetti
    • Trasporti
  • Sosta
    • Cerca Strutture
    • Sosta
    • Aree sosta camper
    • Campeggi
    • Agriturismi con sosta camper
    • App Camperonline App
    • 10 Consigli utili per la sosta
    • Area strutture
  • Forum
    • Tutti i Forum
    • Sosta
    • Gruppi
    • Compagni
    • Italia
    • Estero
    • Marchi
    • Meccanica
    • Cellula
    • Accessori
    • Eventi
    • Leggi
    • Comportamenti
    • Disabili
    • In camper per
    • Altro Camper
    • Altro
    • Extra
    • FAQ
    • Regolamento
    • Attivi
    • Preferiti
    • Cerca
  • Community
    • COL
    • CamperOnFest
    • Convenzioni Convenzioni
    • Amici
    • Furti
    • Informativa Privacy
    • Lavoro
  • COL
    • News
    • Newsletter
    • Pubblicità
    • Contatto
    • Ora
    • RSS RSS
    • Video
    • Facebook
    • Instagram
  • Magazine
  • Italiano
    • Bienvenue
    • Welcome
    • Willkommen
  • Accedi
CamperOnLine
Camping Sport Magenta
  1. Forum
  2. Tecnica
  3. Accessori
Galleria

Batterie al litio

Rispondi
Cerca
Berger Camping
SostaGruppiCompagniItaliaEsteroMarchiMeccanicaCellulaAccessoriEventiLeggiComportamentiDisabiliIn camper perAltro CamperAltroExtra Attivi
21 20 428
12
rap78
rap78
09/01/2014 50
Rispondi Abuso
Inserito il 09/05/2018 alle: 11:25:50
In risposta al messaggio di Blessyou del 09/05/2018 alle 08:59:49

Tornando in tema procedono le fasi di installazione della LiFo:    Non è ancora la configurazione finale
oooo come godo...questo ci interessa...foto lista materiali completi complicazioni pareri please please!
il massimo è se posti uno schema grafico tipo questo : schema_electrique_installation_lithium.jpg
le celle sono le winston da 100...quali bms hai messo?
Roberto
c.i. carioca 40
10
Blessyou
Blessyou
28/10/2015 5016
Rispondi Abuso
Inserito il 09/05/2018 alle: 11:36:31
In risposta al messaggio di rap78 del 09/05/2018 alle 11:25:50

oooo come godo...questo ci interessa...foto lista materiali completi complicazioni pareri please please! il massimo è se posti uno schema grafico tipo questo : le celle sono le winston da 100...quali bms hai messo? Roberto
Per ora non installo nessun pannello – farò delle prove sul campo e poi deciderò se installare il Pana da 245W enlightened
 
Diciamo che la preoccupazione più grande era la dimensione della LiFo …
 
Componenti principali:
  • Winston da 200Ah
  • Smart BMS123
  • Philippi TSA-265
  • interruttore e fusibile
  • materiale vario
Ciao a tücc

___________________________________

vâr pussée la tòlla de l'òr

12
rap78
rap78
09/01/2014 50
Rispondi Abuso
Inserito il 09/05/2018 alle: 12:55:49
In risposta al messaggio di Blessyou del 09/05/2018 alle 11:36:31

Per ora non installo nessun pannello – farò delle prove sul campo e poi deciderò se installare il Pana da 245W   Diciamo che la preoccupazione più grande era la dimensione della LiFo …   Componenti principali:Winston da 200Ah Smart BMS123 Philippi TSA-265 interruttore e fusibile materiale vario
200A?? ammazza....100 non bastavano??
come carica batteria cosa adoperi?
come bms primario cosa hai messo?
Grazie

 
c.i. carioca 40
10
Blessyou
Blessyou
28/10/2015 5016
Rispondi Abuso
Inserito il 09/05/2018 alle: 13:04:03
In risposta al messaggio di rap78 del 09/05/2018 alle 12:55:49

200A?? ammazza....100 non bastavano?? come carica batteria cosa adoperi? come bms primario cosa hai messo? Grazie  
Mmh,
 
avendo la Combi Diesel “assetata” di corrente, ho preferito 200Ah – sarà più per una questione pSSSicologica coolma ...
 
Userò il caricabatteria originale (Dometic MCA 1225) e l’alternatore maggiorato, poi si vedrà ...
 
Ho (solo)

questo

come BMS wink
Ciao a tücc

___________________________________

vâr pussée la tòlla de l'òr

Alla conquista del Baltico, in camper
Alla conquista del Baltico, in camper
Luglio 2022: Alsazia, Lorena e Normandia
Luglio 2022: Alsazia, Lorena e Normandia
Finlandia in camper
Finlandia in camper
Viitasaari, il comune dei 630 laghi
Viitasaari, il comune dei 630 laghi
Viaggio in camper 2025 nel Perigord
Viaggio in camper 2025 nel Perigord
Previous Next
mario nicosia
mario nicosia
-
Rispondi Abuso
Inserito il 09/05/2018 alle: 13:41:37
In risposta al messaggio di Blessyou del 09/05/2018 alle 13:04:03

Mmh,   avendo la Combi Diesel “assetata” di corrente, ho preferito 200Ah – sarà più per una questione pSSSicologica ma ...   Userò il caricabatteria originale (Dometic MCA 1225) e l’alternatore maggiorato, poi si vedrà ...   Ho (solo) questo come BMS
hai collegato anche i relè di over ed under al philippi? se non lo hai fatto ti consiglio di farlo perché basta poco tempo collegata alla rete che la batteria si ricarica al massimo.
10
Blessyou
Blessyou
28/10/2015 5016
Rispondi Abuso
Inserito il 09/05/2018 alle: 14:32:32
In risposta al messaggio di mario nicosia del 09/05/2018 alle 13:41:37

hai collegato anche i relè di over ed under al philippi? se non lo hai fatto ti consiglio di farlo perché basta poco tempo collegata alla rete che la batteria si ricarica al massimo.
Porca loca, lo chiederò al teNNico enlightened
Ciao a tücc

___________________________________

vâr pussée la tòlla de l'òr

12
rap78
rap78
09/01/2014 50
Rispondi Abuso
Inserito il 09/05/2018 alle: 14:38:15
In risposta al messaggio di Blessyou del 09/05/2018 alle 13:04:03

Mmh,   avendo la Combi Diesel “assetata” di corrente, ho preferito 200Ah – sarà più per una questione pSSSicologica ma ...   Userò il caricabatteria originale (Dometic MCA 1225) e l’alternatore maggiorato, poi si vedrà ...   Ho (solo) questo come BMS
Ciao, scusa ma forse sto per sparare una ****ata....quel bms che hai messo te lo colleghi alle singole celle ma quello ti regola il voltaggio max e il voltaggio minimo (sicurezza) di ogni singola cella....secondo me ci vuole un'altro bms che equilizza tutte e 4 le celle alla stessa maniera (voltaggio e amperaggio).
poi...quel cb che hai postato , non ha la curva lifepo4...ti fidi??
Grazie
c.i. carioca 40
10
Blessyou
Blessyou
28/10/2015 5016
Rispondi Abuso
Inserito il 09/05/2018 alle: 14:43:43
In risposta al messaggio di rap78 del 09/05/2018 alle 14:38:15

Ciao, scusa ma forse sto per sparare una ****ata....quel bms che hai messo te lo colleghi alle singole celle ma quello ti regola il voltaggio max e il voltaggio minimo (sicurezza) di ogni singola cella....secondo me ci vuole
un'altro bms che equilizza tutte e 4 le celle alla stessa maniera (voltaggio e amperaggio). poi...quel cb che hai postato , non ha la curva lifepo4...ti fidi?? Grazie
...
Tutta la gestione la fai con l’applicazione ad hoc per smartphone yes

Ad esempio, per

Android

wink
Ciao a tücc

___________________________________

vâr pussée la tòlla de l'òr

12
rap78
rap78
09/01/2014 50
Rispondi Abuso
Inserito il 09/05/2018 alle: 17:01:02
In risposta al messaggio di Blessyou del 09/05/2018 alle 14:43:43

Tutta la gestione la fai con l’applicazione ad hoc per smartphone Ad esempio, per Android
Probabilmente è così ma rimango col dubbio...continuo a pensare che quel sistema bilancia le singole celle e monitora il voltaggoio di tutto il pacco ma non bilancia il pacco.
Ciao
 
c.i. carioca 40
12
Bob Plissken
Bob Plissken
20/11/2013 797
Rispondi Abuso
Inserito il 09/05/2018 alle: 22:21:34
In risposta al messaggio di rap78 del 09/05/2018 alle 17:01:02

Probabilmente è così ma rimango col dubbio...continuo a pensare che quel sistema bilancia le singole celle e monitora il voltaggoio di tutto il pacco ma non bilancia il pacco. Ciao  
Non riesco a capire cosa intendi in merito al bilanciamento... oppure, senza offesa, mi sa che c'è un pochino di confusione.

Hai 4 celle in serie che lavorano in sicurezza da 3,6 a 2,8V. Moltiplicando per 4 questi valori hai un pacco che lavora da 14,4 (piena carica) a 11,2V (potresti ancora scendere ma sei in fascia rischio).

Problema: dopo un tot di carica/scarica, **forse** una delle celle **potrebbe** avere una tensione leggermente diversa dalle altre, diciamo +0,2V nel caso A e -0,3V nel caso B.

Nel caso A, quando andremo a caricare il pacco batteria scarico, monitoreremo con attenzione i valori di tensione, quindi leggeremo (esempio!) 14,0V e insisteremo a caricare (anche qua, c'è un mondo... con poca modestia, rimando a cosa ho scritto all'inizio del thread). Ma questi 14.0V NON corrisponderanno a 3,5V per cella, ma a (esempio!) 3,45*3 celle+3,65 ultima cella CHE SI STA DANNEGGIANDO! Soluzione: un BMS che sorvegli la tensione dei singoli elementi (celle) e scarichi quella più carica (maggior tensione) in modo controllato su apposite resistenze.

Nel caso B, mentre stiamo sfruttando l'energia all'ultima goccia, leggiamo (esempio) 11,5V. Anche qua, i valori non sono 11,5/4=2,88V ma ci saranno (esempio) 3 celle a 2,95V e una pericolosamente a 2.65V. L'optimum, per evitare spreco di preziosa energia a bordo, sarebbe un BMS che trasporti / trasferisca energia dalla cella più carica a quella meno carica.

Il caso A è definito BILANCIAMENTO ALTO e serve a chi lavora quasi sempre con batterie cariche e le ricarica spesso, il caso B è il BILANCIAMENTO BASSO e serve a chi sfrutta molto le batterie. Con un minimo di riflessione, capirete da soli che A=CAMPER/BARCA/UPS B=VEICOLO ELETTRICO, mentre il BILANCIAMENTO riguarda sempre e comunque i singoli elementi di un pacco batteria per evitare di trovarsi nei casi dell'esempio sopra.

Anche se ho rallentato per millemila impegni, seguo con la massima attenzione...
 
Roberto
Laika Kreos 3002 (35C17-2005)
10
Blessyou
Blessyou
28/10/2015 5016
Rispondi Abuso
Inserito il 10/05/2018 alle: 08:06:09
In risposta al messaggio di Bob Plissken del 09/05/2018 alle 22:21:34

Non riesco a capire cosa intendi in merito al bilanciamento... oppure, senza offesa, mi sa che c'è un pochino di confusione. Hai 4 celle in serie che lavorano in sicurezza da 3,6 a 2,8V. Moltiplicando per 4 questi valori
hai un pacco che lavora da 14,4 (piena carica) a 11,2V (potresti ancora scendere ma sei in fascia rischio). Problema: dopo un tot di carica/scarica, **forse** una delle celle **potrebbe** avere una tensione leggermente diversa dalle altre, diciamo +0,2V nel caso A e -0,3V nel caso B. Nel caso A, quando andremo a caricare il pacco batteria scarico, monitoreremo con attenzione i valori di tensione, quindi leggeremo (esempio!) 14,0V e insisteremo a caricare (anche qua, c'è un mondo... con poca modestia, rimando a cosa ho scritto all'inizio del thread). Ma questi 14.0V NON corrisponderanno a 3,5V per cella, ma a (esempio!) 3,45*3 celle+3,65 ultima cella CHE SI STA DANNEGGIANDO! Soluzione: un BMS che sorvegli la tensione dei singoli elementi (celle) e scarichi quella più carica (maggior tensione) in modo controllato su apposite resistenze. Nel caso B, mentre stiamo sfruttando l'energia all'ultima goccia, leggiamo (esempio) 11,5V. Anche qua, i valori non sono 11,5/4=2,88V ma ci saranno (esempio) 3 celle a 2,95V e una pericolosamente a 2.65V. L'optimum, per evitare spreco di preziosa energia a bordo, sarebbe un BMS che trasporti / trasferisca energia dalla cella più carica a quella meno carica. Il caso A è definito BILANCIAMENTO ALTO e serve a chi lavora quasi sempre con batterie cariche e le ricarica spesso, il caso B è il BILANCIAMENTO BASSO e serve a chi sfrutta molto le batterie. Con un minimo di riflessione, capirete da soli che A=CAMPER/BARCA/UPS B=VEICOLO ELETTRICO, mentre il BILANCIAMENTO riguarda sempre e comunque i singoli elementi di un pacco batteria per evitare di trovarsi nei casi dell'esempio sopra. Anche se ho rallentato per millemila impegni, seguo con la massima attenzione...  
...
Grazie Roberto della delucidazione yes 
 
Essendo “vergine” nel mondo LiFo, ho creato un Word con tutte le spiegazioni/consigli/trucchi/and so on wink
Ciao a tücc

___________________________________

vâr pussée la tòlla de l'òr

10
Blessyou
Blessyou
28/10/2015 5016
Rispondi Abuso
Inserito il 10/05/2018 alle: 08:28:18
In risposta al messaggio di mario nicosia del 09/05/2018 alle 13:41:37

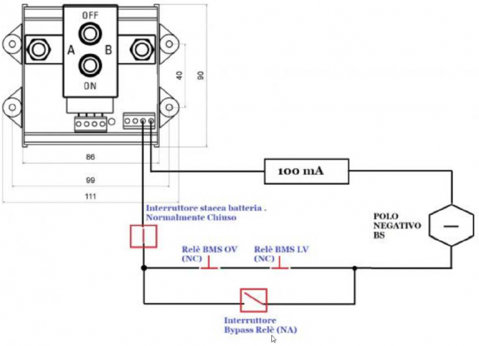
hai collegato anche i relè di over ed under al philippi? se non lo hai fatto ti consiglio di farlo perché basta poco tempo collegata alla rete che la batteria si ricarica al massimo.
Scusa Mario,
 
rivendendo i miei appunti … intendi questo schema di collegamento:
immagine(390).png
 
Se SI, l’ho già inviato al tecnico wink
Ciao a tücc

___________________________________

vâr pussée la tòlla de l'òr

12
rap78
rap78
09/01/2014 50
Rispondi Abuso
Inserito il 10/05/2018 alle: 16:42:54
In risposta al messaggio di Bob Plissken del 09/05/2018 alle 22:21:34

Non riesco a capire cosa intendi in merito al bilanciamento... oppure, senza offesa, mi sa che c'è un pochino di confusione. Hai 4 celle in serie che lavorano in sicurezza da 3,6 a 2,8V. Moltiplicando per 4 questi valori
hai un pacco che lavora da 14,4 (piena carica) a 11,2V (potresti ancora scendere ma sei in fascia rischio). Problema: dopo un tot di carica/scarica, **forse** una delle celle **potrebbe** avere una tensione leggermente diversa dalle altre, diciamo +0,2V nel caso A e -0,3V nel caso B. Nel caso A, quando andremo a caricare il pacco batteria scarico, monitoreremo con attenzione i valori di tensione, quindi leggeremo (esempio!) 14,0V e insisteremo a caricare (anche qua, c'è un mondo... con poca modestia, rimando a cosa ho scritto all'inizio del thread). Ma questi 14.0V NON corrisponderanno a 3,5V per cella, ma a (esempio!) 3,45*3 celle+3,65 ultima cella CHE SI STA DANNEGGIANDO! Soluzione: un BMS che sorvegli la tensione dei singoli elementi (celle) e scarichi quella più carica (maggior tensione) in modo controllato su apposite resistenze. Nel caso B, mentre stiamo sfruttando l'energia all'ultima goccia, leggiamo (esempio) 11,5V. Anche qua, i valori non sono 11,5/4=2,88V ma ci saranno (esempio) 3 celle a 2,95V e una pericolosamente a 2.65V. L'optimum, per evitare spreco di preziosa energia a bordo, sarebbe un BMS che trasporti / trasferisca energia dalla cella più carica a quella meno carica. Il caso A è definito BILANCIAMENTO ALTO e serve a chi lavora quasi sempre con batterie cariche e le ricarica spesso, il caso B è il BILANCIAMENTO BASSO e serve a chi sfrutta molto le batterie. Con un minimo di riflessione, capirete da soli che A=CAMPER/BARCA/UPS B=VEICOLO ELETTRICO, mentre il BILANCIAMENTO riguarda sempre e comunque i singoli elementi di un pacco batteria per evitare di trovarsi nei casi dell'esempio sopra. Anche se ho rallentato per millemila impegni, seguo con la massima attenzione...  
...
Ciao, è vero che ci sono 4 celle collegate in serie, ad ognuna di queste celle cè un BMS che regola la corrente di immissione il voltaggio max e min da non raggiungere...e fino li ci siamo.
il problema e che sotto carico le celle non si scaricano o caricano tutte e 4 alla stessa maniera, e quindi avranno tutte e 4 valori diversi....in teoria. per evitare ciò, secondo me ci vuole un altro bms o meglio SBM (simple battery managment) che regola e bilancia tutte e 4 le celle contemporaneamente allo stesso momento per averle tutte allo stesso livello di voltaggio e amperaggio.
per favore anche se sto dicendo delle *******te fatemi sapere e proseguiamo col post che secondo me è molto interessante visto che il futuro sta andando in quella direzione.
Grazie
 
c.i. carioca 40
mario nicosia
mario nicosia
-
Rispondi Abuso
Inserito il 10/05/2018 alle: 20:50:46
In risposta al messaggio di Blessyou del 10/05/2018 alle 08:28:18

Scusa Mario,   rivendendo i miei appunti … intendi questo schema di collegamento:   Se SI, l’ho già inviato al tecnico
esatto; ora, siccome ho spostato i due interruttori in una posizione più facilmente accessibile visto che la batteria è dentro la cassapanca, sto seguendo il consiglio del mio mentore (sai a chi mi riferisco) di portare in un punto visibile il led del philippi. inoltre, se trovo il coraggio di farlo, vorrei provare a sfruttare il pin 3 del relè OV (pin 1 nella tua versione di bsm) per pilotare un altro led che mi possa avvertire se il relè è tornato a richiudere il circuito
10
Blessyou
Blessyou
28/10/2015 5016
Rispondi Abuso
Inserito il 10/05/2018 alle: 21:11:44
In risposta al messaggio di mario nicosia del 10/05/2018 alle 20:50:46

esatto; ora, siccome ho spostato i due interruttori in una posizione più facilmente accessibile visto che la batteria è dentro la cassapanca, sto seguendo il consiglio del mio mentore (sai a chi mi riferisco) di portare
in un punto visibile il led del philippi. inoltre, se trovo il coraggio di farlo, vorrei provare a sfruttare il pin 3 del relè OV (pin 1 nella tua versione di bsm) per pilotare un altro led che mi possa avvertire se il relè è tornato a richiudere il circuito
...
Perfetto yes
 
Pensa che il tuo mentore è amico del mio tecnico – come è piccolo il mondo ...
 
Per ora lascio il tutto installato nel service-box, poi quando avrò fatto “palestra” farò le dovute modifiche wink
Ciao a tücc

___________________________________

vâr pussée la tòlla de l'òr

10
Blessyou
Blessyou
28/10/2015 5016
Rispondi Abuso
Inserito il 14/05/2018 alle: 08:36:41
In risposta al messaggio di Blessyou del 10/05/2018 alle 21:11:44

Perfetto   Pensa che il tuo mentore è amico del mio tecnico – come è piccolo il mondo ...   Per ora lascio il tutto installato nel service-box, poi quando avrò fatto “palestra” farò le dovute modifiche
Avendo il sistema (ritirato sabato scorso), comprendo meglio la tua idea anche se devo fare un cicinin di “palestra” ...
 
La LiFo è nel service-box mentre il Philippi e i due interruttori (stacca batteria & bypass relè) sono nella cassapanca. Abbiamo fatto una prova di sovratensione: il Philippi ha staccato e si è riarmato dopo 5 minuti
 
Adesso non mi resta che fare delle prove e decidere prossimamente se c’è la reale necessità di spostare l’interruttore bypass relè in un punto più “gestibile” ma in sicurezza enlightened
 
Mentre è molto interessante l’idea di avere sempre sotto controllo il led del Philippi yes seguiranno sviluppi wink
Ciao a tücc

___________________________________

vâr pussée la tòlla de l'òr

13
ilviaggiatore63
ilviaggiatore63
08/08/2012 367
Rispondi Abuso
Inserito il 14/05/2018 alle: 09:32:54
In risposta al messaggio di Blessyou del 14/05/2018 alle 08:36:41

Avendo il sistema (ritirato sabato scorso), comprendo meglio la tua idea anche se devo fare un cicinin di “palestra” ...   La LiFo è nel service-box mentre il Philippi e i due interruttori (stacca batteria & bypass
relè) sono nella cassapanca. Abbiamo fatto una prova di sovratensione: il Philippi ha staccato e si è riarmato dopo 5 minuti   Adesso non mi resta che fare delle prove e decidere prossimamente se c’è la reale necessità di spostare l’interruttore bypass relè in un punto più “gestibile” ma in sicurezza   Mentre è molto interessante l’idea di avere sempre sotto controllo il led del Philippi  seguiranno sviluppi
...
ti seguo con passione....altro che  anche i ricchi piangono ....ejehehhehe

Salvatore
il viaggiatore63
10
Blessyou
Blessyou
28/10/2015 5016
Rispondi Abuso
Inserito il 14/05/2018 alle: 13:00:52
In risposta al messaggio di ilviaggiatore63 del 14/05/2018 alle 09:32:54

ti seguo con passione....altro che  anche i ricchi piangono ....ejehehhehe
yeswink
Ciao a tücc

___________________________________

vâr pussée la tòlla de l'òr

16
Fran50
Fran50
21/05/2010 181
Rispondi Abuso
Inserito il 31/05/2018 alle: 18:13:13
Buongiorno e scusate il lungo post.
Premesso che ho letto tutto il thread e mi sono fatto l' opinione che,  per le caratteristiche intrinseche delle lifepo4, è abbastanza complesso gestirle in un camper dove gli impianti di carica e scarica  sono di diversa natura..
Il mio camper, equipaggiato con pannello da 120W ed efoy 140 con una batteria agm da 100A è  autonomo da un punto di vista energetico, ad eccezione dell' assorbimento di un eventuale phon (diciamo da 700w pe 10 minuti) che la gentile consorte reclama.
Ad una fiera, non mi ricordo se Parma; Ferrara o carrara,  mi sono imbattuto in una nota ditta che proponeva l' installazione di una lifepo4 con uno scatolotto esterno che Loro spacciano come secondo bms (esterno) che a mio avviso serve solo per gestire una corrente elevata proveniente dall' alternatore e a collegare le alimentazioni o i carichi in modo da poterli monitorare su un display remoto.
In compenso questa installazione è davvero semplice.
Lo schema seguente mostra quello che a mio avviso dovrebbe essere fatto.
20180531154636728.jpg
Quello che mi preoccupa sono le seguenti frasi contenute nel libretti di itruzioni, che gentilmente mi hanno inviato.

"5. FUNZIONAMENTO
Il sistema 3Lion+3Link permette la gestione automatica e la visualizzazione dello stato
della batteria. Attraverso il display, è possibile interagire con esso e raffigurare tutte le
informazioni quali tensione, corrente (in carica con segno positivo "+", in scarica con
segno negativo "-"), e stato di carica. Il SOC (stato di carica) è indicato con delle linee
colorate che vanno dal colore rosso, che segnala che la batteria è scarica, fino al verde, che
segnala che la batteria è carica.
Il BMS avanzato 3Link, quando si accorge che l' alternatore è in funzione, attiva la carica
della batteria in maniera intelligente, ottenendo da esso il massimo della corrente, fino a
75A (in base alle caratteristiche dell' alternatore), con conseguente riduzione dei tempi di
carica, e quindi, con una maggiore autonomia durante le soste. Il tutto, senza sovraccaricare
l' impianto della cellula, che di fatto viene escluso quando si è in fase di carica, dal
passaggio di corrente verso la 3Lion.
La quantità di corrente che si riesce a caricare nella batteria, è strettamente correlata al tipo
di alternatore installato sul mezzo. Maggiore è la sua potenza, maggiore sarà la quantità di
corrente che il 3Link riesce a prelevare da esso. Potenze dell' alternatore inferiori ai 120A,
sono sconsigliate, in quanto non si sfrutterebbe a pieno la capacità di carica rapida della
batteria.
Subito dopo avere effettuato tutte e connessioni, il sistema si avvia e sul display vengono
visualizzate diverse schermate per il settaggio dei parametri di sistema come di seguito
mostrate.
L' indicazione dello stato di carica (ovvero il SOC) appena il sistema viene
installato, è puramente indicativo, esso diventa operativo non appena viene effettuata
una carica completa della 3Lion. Per carica completa, si intende la visualizzazione
del 100% sul display dello stato di carica della batteria (SOC).
Nella parte in basso a sinistra della schermata, vengono riportate le informazioni relative
alla batteria 3Lion. 
Il sistema permette in automatico, la carica della batteria motore quando la batteria 3Lion
è completamente carica, e quando la tensione della batteria motore è compresa fra i 10,5V
ed i 12.5V. In tal caso l' icona si colora di rosso.
E' possibile comunque attivare questa funzione manualmente, cliccando e tenendo premuto
per qualche secondo sulla sulla batteria motore quando il sistema ha entrambe le frecce non
attive (ovvero colorate in grigio), quando la tensione della batteria motore è compresa fra i
10,5V ed i 12.5V, quando la tensione della batteria 3Lion ha una tensione superiore a
12.5V ed un SOC superiore al 25%. In tal caso, la freccia si colora in un primo momento
di giallo in attesa di attivare la funzione. Dopo qualche secondo, il sistema abilita la
funzione e la freccia si colora di rosso.
Di seguito un riepilogo delle icone visualizzate sul display:"
Ancora:
"I l sistema è protetto da scarica eccessiva o sovratenzioni, si raccomanda comunque di fare
in modo che la tensione della batteria non scenda al di sotto dei 10,5V e non superi i 15V.

Se la tensione della 3Lion è inferiore a 11,5V, ricaricare immediatamente la batteria.
Prima di lasciare la 3Lion in rimessaggio, si raccomanda di spegnere il display. Si
raccomanda inoltre di lasciare la batteria completamente carica. In caso di non utilizzo
prolungato della 3Lion, seppure l' autoscarica sia molto bassa (inferiore al 3%/mese), si
consiglia di verificare almeno una volta ogni 2 mesi, che la quantità di carica residua sia
superiore al 90% e comunque che la tensione, sia superiore a 12,8V. In caso contrario,
caricare completamente la batteria."
(le figure purtroppo non mi riesce copiarle).
A voi esperti sembra un sistema valido?
Io nutro molti dubbi.( i circuiti di controllo tensione minima e massima dove sono, sono i classici bms interni della batteria)?
Grazie a chi vorrà chiarirmi.
Francesco
 
Fran50
10
Blessyou
Blessyou
28/10/2015 5016
Rispondi Abuso
Inserito il 25/07/2018 alle: 14:22:31
È scritto nel manuale … ma il

video

è molto più esplicativo
wink
Ciao a tücc

___________________________________

vâr pussée la tòlla de l'òr

SostaGruppiCompagniItaliaEsteroMarchiMeccanicaCellulaAccessoriEventiLeggiComportamentiDisabiliIn camper perAltro CamperAltroExtra Attivi
Argomenti recenti dal forum
Aree di sosta e campeggi
Parcheggio a Terracina
E' sempre possibile parcheggiare nel grande parcheggio vicino al porto di Terracina? Grazi...
Volante 21
Ieri alle: 23:34
Meccanica
Aiuto! Spia motore Ducato 2014.
Ciao a tutti, scrivo disperato per chiedere un consiglio o se qualcuno ha vissuto un'esper...
giodema
Ieri alle: 22:06
Meccanica
Rottura pomello cambio ducato 2800 jtd del 2002
questa mattina, portando a casa dal rimessaggio il camper per prepararlo, a 300 metri da c...
brig607
Ieri alle: 21:02
Cellula abitativa
Guarnizione frigo Dometic 7401L
Ciao, devo sostituire la guarnizione del frigo, non viene data come ricambio qualcuno ha t...
Enzo40
Ieri alle: 17:07
Cellula abitativa
Caldo in van
Uno dei più grossi dubbi quando ho iniziato a guardare i VAN è il caldo... Ho poi guarda...
al404
Ieri alle: 16:56
Normative
Maniglione camper
buonasera, ho rotto il maniglione del camper per la discesa. il camper è un elnagh t-loft ...
tloft450@
Ieri alle: 15:55
Marchi
Che si è inventato Buerstner!
Ma l'avete visto questo? Secondo me, Tra i furgonati commerciali, è il mezzo definitivo! A...
gianninotopo
Ieri alle: 10:33
Altro sui camper
Rimessaggio in zona Lecco
Buona sera a tutti mi chiamo Cesare e sono nuovo nel.forum Vi ringrazio per avermi accetta...
Esatto
26/05/26 - 21:51
Altro non sui camper
Problema alzacristalli Ducato X250
Buongiorno a tutti, a qualcuno è mai capitato che il pulsante dell'alzavetro lato passegge...
Semoi
26/05/26 - 17:05
Meccanica
Cercasi cambio per Ducato 1.9 del 1998
Cerco un cambio nuovo o revisionato, magari con garanzia per un Fiat Ducato 19TD DEL 1998 ...
Makkarone
26/05/26 - 16:05
Marchi
Transit 2026 rinnovato
Nuovo muso e moderno , vedremo quando arriva ! ......
franco49tn
26/05/26 - 09:49
Accessori
Forte vibrazione Tendalino a 80km/h
Ciao, nel weekend abbiamo inaugurato il camper nuovo (MH itineo SBD700 di 699cm) che ha mo...
sicce
26/05/26 - 09:19
168k Facebook
343k Instagram
42,6k TikTok
73,6K Youtube
CamperOnLine - Copyright © 1998-2026 - P.Iva 06953990014
Informativa privacy
Loading...

Accedi

Recupera Password
Nuovo utente

Vuoi eliminare il messaggio?

Sottoscrizione

Anteprima

PREFERENZA

Il messaggio è in fase di inserimento.

loading

CamperOnLine

Buongiorno gentile utente,

da oltre 20 anni Camperonline offre gratuitamente tutti i suoi servizi
grazie agli inserzionisti che ci hanno dato la loro fiducia, permettici di continuare il nostro lavoro disattivando il blocco delle pubblicità.

Grazie della collaborazione.

Azione eseguita con successo

Azione Fallita

Condividi

Condividi questa pagina con:

O copia il link