CamperOnLine
  • Camper
    • Camper usati
    • Camper nuovi
    • Produttori
    • Listino
    • Cataloghi
    • Concessionari e rete vendita
    • Noleggio
    • Van
    • Caravan
    • Fiere
    • Rimessaggi
    • Le prove di CamperOnLine
    • Provati da voi
    • Primo acquisto
    • Area professionisti
  • Accessori
    • Accessori e Prodotti
    • Camping Sport Magenta accessori
    • Produttori
    • Antenne TV
    • Ammortizzatori
    • GPS
    • Pneumatici
    • Rimorchi
    • Provati da Voi
    • Fai da te
  • Viaggi
    • Diari di viaggi in camper
    • Eventi
    • Foto
    • Check list
    • Traghetti
    • Trasporti
  • Sosta
    • Cerca Strutture
    • Sosta
    • Aree sosta camper
    • Campeggi
    • Agriturismi con sosta camper
    • App Camperonline App
    • 10 Consigli utili per la sosta
    • Area strutture
  • Forum
    • Tutti i Forum
    • Sosta
    • Gruppi
    • Compagni
    • Italia
    • Estero
    • Marchi
    • Meccanica
    • Cellula
    • Accessori
    • Eventi
    • Leggi
    • Comportamenti
    • Disabili
    • In camper per
    • Altro Camper
    • Altro
    • Extra
    • FAQ
    • Regolamento
    • Attivi
    • Preferiti
    • Cerca
  • Community
    • COL
    • CamperOnFest
    • Convenzioni Convenzioni
    • Amici
    • Furti
    • Informativa Privacy
    • Lavoro
  • COL
    • News
    • Newsletter
    • Pubblicità
    • Contatto
    • Ora
    • RSS RSS
    • Video
    • Facebook
    • Instagram
  • Magazine
  • Italiano
    • Bienvenue
    • Welcome
    • Willkommen
  • Accedi
CamperOnLine
Camping Sport Magenta
  1. Forum
  2. Tecnica
  3. Accessori
Galleria

Batterie LifePo4

Rispondi
Cerca
Berger Camping
SostaGruppiCompagniItaliaEsteroMarchiMeccanicaCellulaAccessoriEventiLeggiComportamentiDisabiliIn camper perAltro CamperAltroExtra Attivi
6 20 187
19
camperos
camperos
29/12/2006 4709
Rispondi Abuso
Inserito il 13/09/2019 alle: 19:27:51
In risposta al messaggio di camperos del 13/09/2019 alle 19:16:40

nel 2012 nel loro sito c'erano schemi delle lifepo4 no bms collegate in parallelo o in serie, nel parallelo  facevano esempi, collegamento diretto senza elettronica,  e comunque, a naso... ora rendono come nuove
ricordo che consigliavano nel caso del parallelo (che è secco) di fare una carica iniziale  a 16V, cosa che ho fatto
fai da te? ahi ahi ahi ahi, ora in ogni tuo viaggio ad ogni strano odore penserai al camper... che si sta incendiando :)
10
il tornitore
il tornitore
rating

25/08/2015 6057
Rispondi Abuso
Inserito il 13/09/2019 alle: 19:55:41
In risposta al messaggio di MarcoBo del 13/09/2019 alle 15:39:16

Grazie per la risposta. Ho dato un'occhiata alla documentazione del BMS che citi.  Non ho trovato menzione del fatto che la V-Bypass si comporti come dici tu, mi pare piuttosto che sia la tensione di bilanciamento verso
l'alto delle celle, sopra a quella tensione il BMS inizia a dissipare corrente per cella per non sovraccaricare la cella già carica e consentire alle altre, più scariche di raggiungerla.  Mi puoi dire dove spiega invece quello che dici tu? Non riesco bene a capire come potrebbe, per altro, staccare la batteria se non avendo una qualche forma di backup, il mio regolatore ad esempio se non sente la batteria si spegne. Tu scrivi: Quindi finchè si preleva energia e la tensione scende sotto a quanto impostato, il fotovoltaico caricherà la batteria e molto probabilmente la batteria anche alla sera sarà al 100% (condizioni e fattori permettendo). Il bello di questo BMS esterno è la possibilità di impostare i vari parametri e quindi di avere una gestione della batteria LiFePO4 ottimale. Nella mia personale esperienza questo non accade, l'energia apportata dal regolatore è di molto superiore a quella che prelevi e quindi ben presto la tensione raggiunge la fine carica e il regolatore smette di caricare (il regolatore ha un suo programma per le LiFePo4). A questo punto che il BMS lasci o meno entrare corrente è irrilevante perché il regolatore di carica solare si sarà posizionato ad una tensione troppo bassa perché la batteria si carichi o per compensare l'uso giornaliero. Solo quando la tensione della batteria scende sotto la soglia del regolatore questo interverrà compensando i consumi o se la tensione è sufficientemente bassa anche riavviando il ciclo di carica. Infatti i caricabatteria per le litio hanno solo 2 fasi di carica... a corrente costante e poi a tensione costante; quando la tensione della batteria è prossima a quella fornita dal caricabatteria e di conseguenza la corrente assorbita è quasi irrilevante, la carica si interrompe... Ciclo di carica terminato. Esatto, ma parlavo dell'alternatore, su quello non ho controllo a meno che non interponga un caricabatterie (o come lo chiamano i camperisti booster) Secondo me, questo succede a causa del cablaggio di sezione insufficiente e dalla centralina poichè il relè è onboard e il PCB della centralina non sopporta correnti così elevate (quel PCB non segue normative di classe militare). L'hai rifatto il cablaggio con cavi almeno da 25/35 mmq? Hai messo un relè da 100/200A in cascata a quello della centralina che parallelizza la BM e BS? Hai rifatto anche il cablaggio del frigo con una cavo da almeno 6-10 mmq? Ne abbiamo già parlato in luglio, probabilmente è così ma quello che in questo caso non hai probabilmente colto è che lo considero un vantaggio e non uno svantaggio: a conti fatti preferisco che in viaggio la tensione non sia così alta alla BS. Al momento non ho aggiunto relè, la corrente è limitata a circa 20/25A spero che quello di serie sopporti queste correnti. Ciao. Marco  
...
Ho confuso, in parte, il fatto del V-bypass perchè se poi vai a leggere le tabelle di pagina 18 capisci il perchè ho detto "in parte".
In qualunque caso, se hai visto ci sono dei moduli... Modulo IN, modulo OUT e modulo cella. Nel modulo OUT ci sono i "charge relay contact" e "load relay contact", vai a pagina 16 del

pdf

 per leggere in merito e a pagina 18 ci sono 2 tabelle dove indicano quando il sistema permette la carica e scarica nelle due situazioni (normal mode e critical mode). Il "charge relay" serve per gestire le fonti che caricano (corrente massima di pilotaggio 1A). Però l'utenza o il caricatore (MPPT o altro) deve avere il pin per essere gestito (esempio alcuni prodotti Victron ce l'hanno. Vedi esempio a fine

pagina

.
 
"a conti fatti preferisco che in viaggio la tensione non sia così alta alla BS."
Con ciò significa che la batteria non verrà caricata totalmente... 
Quando la tensione della batteria eguaglierà quella dell'alternatore non si avrà più passaggio di corrente, sinceramente non capisco la tua preoccupazione. E poi con una tensione più bassa significa avere una corrente più alta, quindi maggior dissipazione di energia per effetto joule.

Enrico
Il Fai Da Te a Opera d'Arte - Marco
21
bigfish
bigfish
04/12/2004 1198
Rispondi Abuso
Inserito il 10/10/2019 alle: 23:57:54
ho quasi capito tutto ma sono un po duro d'orecchi.
- quindi secondo voi i cavi e il parallelatore originali possono essere mantenuti senza sostituzioni? non si sciolgono i fili provenienti dall'alternatore se la batteria è scarica? ho letto che, nell'esempio precedente, la batteria tramite il relativo BMS limita a 50A la ricarica (due batterie in parallelo quindi non sarebbero anche 100A ??) come è possibile lasciare inalterato l'impianto? per quello che conta usando le AGM lo si potrebbe anche scollegare dal parallelatore e usare solo pannelli e alimentatore dedicato.

 
15
MarcoBo
MarcoBo
01/06/2010 3096
Rispondi Abuso
Inserito il 11/10/2019 alle: 09:52:28
In risposta al messaggio di bigfish del 10/10/2019 alle 23:57:54

ho quasi capito tutto ma sono un po duro d'orecchi. - quindi secondo voi i cavi e il parallelatore originali possono essere mantenuti senza sostituzioni? non si sciolgono i fili provenienti dall'alternatore se la batteria
è scarica? ho letto che, nell'esempio precedente, la batteria tramite il relativo BMS limita a 50A la ricarica (due batterie in parallelo quindi non sarebbero anche 100A ??) come è possibile lasciare inalterato l'impianto? per quello che conta usando le AGM lo si potrebbe anche scollegare dal parallelatore e usare solo pannelli e alimentatore dedicato.  
...
Nessuno può risponderti in assoluto alla tua domanda, molto dipende anche dal tuo impianto.

Nel mio camper NON ho sostituito alcunché se non la batteria, la tensione con frigo acceso però non arriva oltre i 13.8v, i cavi non si fondono e la corrente che passa verso la BS che ho visto negli ultimi due mesi non ha superato mai i 20A (complici i cavi e l'alternatore da 150A) e forse anche il fatto che la carica della BS non è mai scesa così tanto.

Se ti devo dire la verità sono molto poco preoccupato per i cavi, lo sono di più per il relè di parallelo.
Non sono affatto preoccupato per i cavi dell'alternatore perché comunque devono essere dimensionati per non fondersi con la corrente che può erogare l'alternatore stesso.

Per il momento io ho preferito non spendere ulteriori soldi e non arrivare al 100% di carica con l'alternatore, a 13.8 sono molto prossimo al 100% da quello che vedo dai grafici della tensione della mia batteria ed è ormai assodato che tenere a 14.6 volt una batteria al litio una volta raggiunta la carica ne accorcia la vita e quindi occorrerebbe qualcosa per sganciarla. 
Spero, tenendola intorno a 13.8 di risparmiargli un po' di morte.

Marco
Natale 2025 in centro Italia
Natale 2025 in centro Italia
Asturia, Cantabria e Paesi Baschi in cam
Asturia, Cantabria e Paesi Baschi in cam
Sala Silvergruva, la miniera d'argento
Sala Silvergruva, la miniera d'argento
Folgaria d’inverno in camper
Folgaria d’inverno in camper
Francia 2025
Francia 2025
Previous Next
21
bigfish
bigfish
04/12/2004 1198
Rispondi Abuso
Inserito il 11/10/2019 alle: 10:44:46
Grazie per la risposta concreta
la corrente di ricarica forse rimane contenuta perché la tua batteria è piccola? Quanti A?
ho una gran voglia di installare una terza batteria al litio collegata ad un commutatore di potenza dove poter scegliere quale pacco usare mantenendo sempre inverter collegato al litio per caffè o phoon.
il dubbio è se scegliere quale batteria collegandola quindi a tutto l’impianto originale o se la batteria al litio lasciarla collegata solo al suo CB 220v e collegarla al camper solo all’occorrenza ma pur lasciandola sempre utilizzabile dall’inverer.
Naturalmente questa ultima si ricaricherà solo
da 220v
10
il tornitore
il tornitore
rating

25/08/2015 6057
Rispondi Abuso
Inserito il 11/10/2019 alle: 13:27:13
In risposta al messaggio di bigfish del 10/10/2019 alle 23:57:54

ho quasi capito tutto ma sono un po duro d'orecchi. - quindi secondo voi i cavi e il parallelatore originali possono essere mantenuti senza sostituzioni? non si sciolgono i fili provenienti dall'alternatore se la batteria
è scarica? ho letto che, nell'esempio precedente, la batteria tramite il relativo BMS limita a 50A la ricarica (due batterie in parallelo quindi non sarebbero anche 100A ??) come è possibile lasciare inalterato l'impianto? per quello che conta usando le AGM lo si potrebbe anche scollegare dal parallelatore e usare solo pannelli e alimentatore dedicato.  
...
Se non lo hai visto c'è un altro topic in merito,

questo

.

Condivido quanto detto all'inizio da MarcoBo "Nessuno può risponderti in assoluto alla tua domanda, molto dipende anche dal tuo impianto". E aggiungerei... Dipende da cosa ti aspetti, esempio tensione dell'impianto non sotto ai 14-14,2V (anche a pieno carico), tempi di ricarica della LiFePO4 ridotti, quanto efficiente voi l'impianto, autonomia, etc.
C'è chi si accontenta e gli va bene com'è l'impianto in origine (e forse in futuro prossimo fa le dovute modifiche per utilizzare la LiFePO4 al meglio così da apprezzare al meglio tutti i benefici di questa tecnologia) e c'è chi non si accontenta e cerca di ricavare il massimo da ciò che possiede e fare tutto subito (uno di questi sono io.. preciso, pignolo e anche rompi scatolelaugh).
Il Fai Da Te a Opera d'Arte - Marco
15
MarcoBo
MarcoBo
01/06/2010 3096
Rispondi Abuso
Inserito il 11/10/2019 alle: 16:31:40
In risposta al messaggio di bigfish del 11/10/2019 alle 10:44:46

Grazie per la risposta concreta la corrente di ricarica forse rimane contenuta perché la tua batteria è piccola? Quanti A? ho una gran voglia di installare una terza batteria al litio collegata ad un commutatore di potenza
dove poter scegliere quale pacco usare mantenendo sempre inverter collegato al litio per caffè o phoon. il dubbio è se scegliere quale batteria collegandola quindi a tutto l’impianto originale o se la batteria al litio lasciarla collegata solo al suo CB 220v e collegarla al camper solo all’occorrenza ma pur lasciandola sempre utilizzabile dall’inverer. Naturalmente questa ultima si ricaricherà solo da 220v
...
La corrente di ricarica è rimasta contenuta per molti fattori:

- il pannello che la carica
- il mio bassissimo dispendio energetico
- il cablaggio lungo dalla BM alla BS
- la caduta di tensione del frigo che essendo collegato alla BS si bene un po' degli ampere che altrimenti vorrebbe lei

La mia è piccola: una 90Ah.

Marco
8
lucanico 75
lucanico 75
22/03/2018 118
Rispondi Abuso
Inserito il 11/10/2019 alle: 23:22:18
Leggo sempre molto volentieri le  Vostre discussioni....
 Spero di dare un contributo...nel mio caso io ho messo un nuovo cavo da 50mm alternatore/ batteria ma prima passa da BP victron gestito con relè D+ motore, dopo di che passa dal Filippi se il contatto è chiuso carica altrimenti no...sempre nel Filippi messo carica batteria  dedicato e il positivo del regolatore mppt così facendo se non c'è richiesta di ricarica della batteria il regolatore non si accende nemmeno...
ovviamente ho fatto in modo che dal Centralino (quando collegato alla rete elettrica) non carichi la batteria con un diodo raddrizzatore ( si è vero perdo un po' di tensione) non mi cambia la vita costa poco funziona bene...:-) ovviamente funziona tutto senza problemi, ho riscontrato anomalia solo con la macchina da caffè 12v visto l'assorbimento di 19A attaccata prima del diodo raddrizzatore così facendo prelevo direttamente dalla batteria...
Poi in merito alla carica ottimale ci sono pareri discordanti
Solo il tempo ci dirà.... Cmq date un occhiata anche a questo links 

https://jumpjack.wordpress.com/...

Lucanico75
21
bigfish
bigfish
04/12/2004 1198
Rispondi Abuso
Inserito il 14/10/2019 alle: 11:23:34
Buongiorno a tutti,
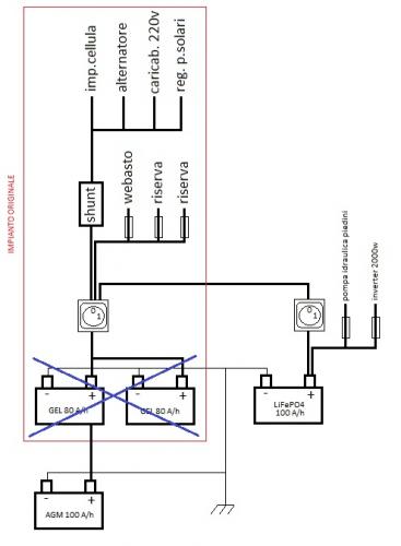
letto i Vs. commenti e info credo di essermi deciso ad acquistare una nuova batteria Lifepo4 da 100 A/h e rimpiazzare le ormai vecchie batterie al GEL in parallelo con una sola AGM.
l'idea è di non cambiare nulla ne in termine di cablaggi ne in termine di apparecchiature, fermo restando di dover ri-settare il CB e il regolatore di carica dei pannelli (volgarissimo) per le batterie AGM piuttosto delle precedenti GEL.
sono consapevole che le tensioni di ricarica più basse non garantiranno una completa ricarica della  Lifepo4 e nemmeno i tempi di ricarica si accorceranno, ma comunque spero di aumentare l'autonomia in maniera significativa.
per evitare fenomeni legati al "travaso" di ampere dalla batteria  Lifepo4 a quella AGM le stesse saranno connesse solo una alla volta, privilegiando la  Lifepo4 (sperando che basti all'intero fine settimna) per poi in caso di necessità alternarla con quella agm di riserva.
in rimessaggio, ogni tanto, a batteria  Lifepo4 scollegata provvederò alla carica con alimentatore dedicato per il riallineamento delle celle.
spero funzioni, dite la vostra!

modifica%20batterie%20litio.jpg
21
ezio55
ezio55
30/12/2004 3414
Rispondi Abuso
Inserito il 14/10/2019 alle: 13:03:37
In risposta al messaggio di bigfish del 14/10/2019 alle 11:23:34

Buongiorno a tutti, letto i Vs. commenti e info credo di essermi deciso ad acquistare una nuova batteria Lifepo4 da 100 A/h e rimpiazzare le ormai vecchie batterie al GEL in parallelo con una sola AGM. l'idea è di non cambiare
nulla ne in termine di cablaggi ne in termine di apparecchiature, fermo restando di dover ri-settare il CB e il regolatore di carica dei pannelli (volgarissimo) per le batterie AGM piuttosto delle precedenti GEL. sono consapevole che le tensioni di ricarica più basse non garantiranno una completa ricarica della  Lifepo4 e nemmeno i tempi di ricarica si accorceranno, ma comunque spero di aumentare l'autonomia in maniera significativa. per evitare fenomeni legati al travaso di ampere dalla batteria  Lifepo4 a quella AGM le stesse saranno connesse solo una alla volta, privilegiando la  Lifepo4 (sperando che basti all'intero fine settimna) per poi in caso di necessità alternarla con quella agm di riserva. in rimessaggio, ogni tanto, a batteria  Lifepo4 scollegata provvederò alla carica con alimentatore dedicato per il riallineamento delle celle. spero funzioni, dite la vostra!
...
Buon giorno, ri-settare il CB ed il regolatore solare per le AGM, usando una LiFePo4,  non va bene…
La LiFePo4 ha le sue caratteristiche, diverse dalle AGM.
Se fai questo upgrade cambia anche il regolatore solare e se puoi il CB.
Il mio consiglio è di tenere una sola batteria LiFePo4 con relativi settaggi.
Saluti.
 
Ezio55
9
Sergione66
Sergione66
13/01/2017 4197
Rispondi Abuso
Inserito il 14/10/2019 alle: 13:47:39
Anche perchè i CB attuali prevedono il ciclo di desolfatazione che per le LiFePO4 è ASSOLUTAMENTE da evitare.
Sergio - Genova - Carthago Liner 65LE (Jeegolino)
15
MarcoBo
MarcoBo
01/06/2010 3096
Rispondi Abuso
Inserito il 14/10/2019 alle: 15:17:56
In risposta al messaggio di bigfish del 14/10/2019 alle 11:23:34

Buongiorno a tutti, letto i Vs. commenti e info credo di essermi deciso ad acquistare una nuova batteria Lifepo4 da 100 A/h e rimpiazzare le ormai vecchie batterie al GEL in parallelo con una sola AGM. l'idea è di non cambiare
nulla ne in termine di cablaggi ne in termine di apparecchiature, fermo restando di dover ri-settare il CB e il regolatore di carica dei pannelli (volgarissimo) per le batterie AGM piuttosto delle precedenti GEL. sono consapevole che le tensioni di ricarica più basse non garantiranno una completa ricarica della  Lifepo4 e nemmeno i tempi di ricarica si accorceranno, ma comunque spero di aumentare l'autonomia in maniera significativa. per evitare fenomeni legati al travaso di ampere dalla batteria  Lifepo4 a quella AGM le stesse saranno connesse solo una alla volta, privilegiando la  Lifepo4 (sperando che basti all'intero fine settimna) per poi in caso di necessità alternarla con quella agm di riserva. in rimessaggio, ogni tanto, a batteria  Lifepo4 scollegata provvederò alla carica con alimentatore dedicato per il riallineamento delle celle. spero funzioni, dite la vostra!
...
Come ho scritto in passato le caratteristiche delle Lifepo4 cambiano proprio il paradigma con cui vengono usate oltre che ricaricate.
Puoi leggere che tipo di ricarica fanno il tuo cb e il tuo regolatore (sia in termini di tensioni che in termini di durata di applicazione) in modo che qualcuno ti possa dare idee più precise.

Ciao. Marco
 
15
MarcoBo
MarcoBo
01/06/2010 3096
Rispondi Abuso
Inserito il 14/10/2019 alle: 15:26:28
In risposta al messaggio di Sergione66 del 14/10/2019 alle 13:47:39

Anche perchè i CB attuali prevedono il ciclo di desolfatazione che per le LiFePO4 è ASSOLUTAMENTE da evitare.
Ne sei convinto in assoluto? Io no. Io ho un CBE, il manuale della CBE riguardo alla desolfatazione dice:

Phase 1: Desulphation – when switching on the battery charger, only if needed, the battery is
charged at 15.2V until the current exceeds 2A or for a maximum of 2 hours.

In sostanza su una litio non interviene mai, appena si accende la ricarica supera immediatamente i 2A e passa alla afse bulk.

Inoltre, il mio CBE - montato nel 2016 - ha solo il selettore Pb/Gel e non Acido Libero/Gel/AGM come quella del manuale da cui ho estratto la frase sopra e dunque, sospetto non abbia la fase di desolfatazione.

A questo si aggiunge che il BMS staccherebbe ad una tensione di 15.2v.

Marco
21
bigfish
bigfish
04/12/2004 1198
Rispondi Abuso
Inserito il 14/10/2019 alle: 15:47:56
ma non saprei, ho un CBE installato su un charthago e-line del 2014
ieri ci ho dato una occhiata veloce e anche il mio ha solo due set... agm o gel.
non ho analizzato le tensioni di lavoro delle curve ma per assurdo ho dato per scontato che impostandolo su AGM la tensione salisse in caricaì fino a 14.7V 
16
IvanG
IvanG
07/01/2010 3193
Rispondi Abuso
Inserito il 14/10/2019 alle: 16:07:45
In risposta al messaggio di bigfish del 14/10/2019 alle 15:47:56

ma non saprei, ho un CBE installato su un charthago e-line del 2014 ieri ci ho dato una occhiata veloce e anche il mio ha solo due set... agm o gel. non ho analizzato le tensioni di lavoro delle curve ma per assurdo ho dato per scontato che impostandolo su AGM la tensione salisse in caricaì fino a 14.7V 
Se è del 2014 dovrebbe avere solo due settaggi:
piombo e gel

e non ha la desolfatazione

Che modello è? CB 516?
Viaggio su: Helix Izoard 555 S
10
Blessyou
Blessyou
28/10/2015 5016
Rispondi Abuso
Inserito il 14/10/2019 alle: 16:09:22
Nel mio caso, ho lasciato come caricabatteria il Dometic Charger MCA 1225, configurato con tensione di commutazione (fase 1 Bulk) 14,4V, mantenimento (fase 5 Float) 13,8V e fasi 2,3,4 assorbimento
 
Sul BMS ho settato la V-Max a 14,8 e se parte la fase 6:
6: condizionamento ogni 12 giorni
Ogni 12 giorni il caricabatterie torna alla fase 1 per 85 min per riattivare la batteria. In
questo modo vengono evitati eventuali fenomeni di solfatazione.
rimane attiva sino a quando il BMS stacca il caricamento sulla V-Max enlightened
Ciao a tücc

___________________________________

vâr pussée la tòlla de l'òr

9
Sergione66
Sergione66
13/01/2017 4197
Rispondi Abuso
Inserito il 14/10/2019 alle: 16:19:19
In risposta al messaggio di MarcoBo del 14/10/2019 alle 15:26:28

Ne sei convinto in assoluto? Io no. Io ho un CBE, il manuale della CBE riguardo alla desolfatazione dice: Phase 1: Desulphation – when switching on the battery charger, only if needed, the battery is charged at 15.2V until
the current exceeds 2A or for a maximum of 2 hours. In sostanza su una litio non interviene mai, appena si accende la ricarica supera immediatamente i 2A e passa alla afse bulk. Inoltre, il mio CBE - montato nel 2016 - ha solo il selettore Pb/Gel e non Acido Libero/Gel/AGM come quella del manuale da cui ho estratto la frase sopra e dunque, sospetto non abbia la fase di desolfatazione. A questo si aggiunge che il BMS staccherebbe ad una tensione di 15.2v. Marco
...
Io ho il 520 della CBE e le selezioni possibili sono 3 Pb/agm/gel.
Anche io ho letto quella nota nel manuale, ma non mi convince più di tanto , in linea teorica ti dò ragione, ma se per un qualsiasi motivo se dovesse capitare ...
 
Sergio - Genova - Carthago Liner 65LE (Jeegolino)
15
MarcoBo
MarcoBo
01/06/2010 3096
Rispondi Abuso
Inserito il 14/10/2019 alle: 17:33:13
In risposta al messaggio di bigfish del 14/10/2019 alle 15:47:56

ma non saprei, ho un CBE installato su un charthago e-line del 2014 ieri ci ho dato una occhiata veloce e anche il mio ha solo due set... agm o gel. non ho analizzato le tensioni di lavoro delle curve ma per assurdo ho dato per scontato che impostandolo su AGM la tensione salisse in caricaì fino a 14.7V 
Meglio controllare anche il modello, ad ogni modo io ho fatto la scelta inversa ed ho impostato il CBE 516 in modalità Pb (in quello a due selettori non c'è un selettore per le AGM). Non userei, su quel caricabatterie, altre impostazioni. La tensione di fine carica sarà un po' bassa (14.1V) ma ormai direi che mi sono convinto che a tale tensione la batteria è già molto molto vicina al 100%.
In compenso la fase "Absorbtion" che per le Litio è fortemente sconsigliata o comunque da ridurre al minimo possibile in fase Pb è dichiarata di 90minuti mentre in fase GEL di 8ore, certamente quindi non userei la fase GEL o AGM su quello a tre selettori
Inoltre, la fase di mantenimento in modalità Pb è impostata a 13.5v (io la ritengo un po' alta per le litio ma è la stessa tensione usata per il CBE con programma litio) e GEL a 13.8v.

Ciao. Marco.
15
MarcoBo
MarcoBo
01/06/2010 3096
Rispondi Abuso
Inserito il 14/10/2019 alle: 17:34:51
In risposta al messaggio di Sergione66 del 14/10/2019 alle 16:19:19

Io ho il 520 della CBE e le selezioni possibili sono 3 Pb/agm/gel. Anche io ho letto quella nota nel manuale, ma non mi convince più di tanto , in linea teorica ti dò ragione, ma se per un qualsiasi motivo se dovesse capitare ...  
Ci dovrebbe pensare il BMS :-) Ad ogni modo a questo punto mi considero fortunato ad avere il modello senza desolfatazione ed in assoluto non sono dell'idea che tutti i CB siano da buttare poi, ovviamente, mano a mano che si vogliono spendere soldi si può sempre fare di meglio.

Marco
 
Al Ula
Al Ula
-
Rispondi Abuso
Inserito il 14/10/2019 alle: 19:27:55
Sto seguendo il topic molto interessante perche' anche io ho in mente di passare ad una LiFePo4 non appena la mia BS verdona attuale da 100 iniziera' a dare segni di cedimento. Non so che caricabatteria adotti il mio camper (devo verificare) ma come regolatore del pannello ho un CBE PRS300. Leggendo il manuale dello stesso trovo che: 

"Il regolatore di carica PRS300 è in grado di caricare batterie a 12Vd.c. al piombo-gel, al
piombo-liquido, AGM e litio (con elettronica integrata) utilizzando la linea di carica adeguata
(selezionabile tramite il commutatore situato all’interno del regolatore)."

Il selettore ha 3 posizioni e quindi, equiparando le AGM alle Litio, sembrerebbe che dovro' lasciare il selettore nella stessa posizione attuale per la verdona AGM. Da cosa leggo pero' nei diversi topics che ultimamente ci sono su COL riguardo le LiFePo4 (li seguo tutti) mi pare che gli stessi produttori di componentistica "facciano un po' di confusione" perche' ognuno fa un po' a modo suo..
Continuo a seguirvi con interesse
Stefano
SostaGruppiCompagniItaliaEsteroMarchiMeccanicaCellulaAccessoriEventiLeggiComportamentiDisabiliIn camper perAltro CamperAltroExtra Attivi
Argomenti recenti dal forum
Accessori
Garmin BaseCamp: meglio traccia o percorso?
Buongiorno ai Colleghi Camperisti. Sto iniziando a usare Garmin BaseCamp per pianificare i...
robysun1
38 minuti fa
Compagni di viaggio
Francia, Spagna e Portogallo. Compagnia cercasi.
Salve a tutti, sono Enzo, dopo le festività Pasquali vorrei organizzare un viaggio tra Fra...
Estro4
Ieri alle: 23:18
Accessori
Sostituire miscelatore lavandino bagno.
Buonasera a tutti, devo sostituire il miscelatore monocomando del lavandino del mio Burstn...
leo466
Ieri alle: 21:46
Cellula abitativa
Alimentatore RIMOR NG 4 dove sei ?
Buongiorno a tutti, scrivo per conto di un amico camperista. Pochi giorni fa ho controllat...
Franco666
Ieri alle: 19:34
Viaggi in Italia
Consigli Cantina Friuli + Trieste?
Ciao, vorrei affrontare coi miei amici un weekend dove fare un giro cantine in Veneto/friu...
Mandrake90
Ieri alle: 18:32
Accessori
Possessori antenna mobilsat !
Chiedo se qualcuno che utilizza ancora la mobilsat possa inviarmi foto dei dati del satell...
pierct
Ieri alle: 17:26
Marchi
Adria Twin supr 640 SGX - problema di un neofita
Buongiorno a tutti, scusate per l'argomento, forse di facilissima soluzione per chi conos...
GR23
Ieri alle: 16:28
Cellula abitativa
Come misurare SOH su Zenith ZL12085
Ciao a tutti, per verificare lo stato delle mie batterie , normalmente utilizzo un apparec...
Santopietro62
Ieri alle: 16:13
Viaggi all'estero
viaggio in francia vicino a parigi
ciao! stiamo pianificando un viaggio in francia e sul rientro vorremmo fare una breve tapp...
spqrspqr
Ieri alle: 12:37
Cellula abitativa
Comparazione offerte mezzi da camperizzare
Buongiorno camper lovers, perdonatemi se non è la sezione del forum corretta, in tal caso ...
davidehippie...
Ieri alle: 10:12
Accessori
Fissaggio tubo
Buongiorno a tutti, dovrei fissare un tubo di diametro 20mm al fondo del Ducato nella part...
Karbon17
Ieri alle: 08:14
Altro sui camper
Camperisti d'assalto
Ci siamo...vacanze Pasquali all' orizzonte. Ed eccoci qui pronti a scaldare i nostri bolid...
davide67
Ieri alle: 06:33
167k Facebook
343k Instagram
42,6k TikTok
73,3k Youtube
CamperOnLine - Copyright © 1998-2026 - P.Iva 06953990014
Informativa privacy
Loading...

Accedi

Recupera Password
Nuovo utente

Vuoi eliminare il messaggio?

Sottoscrizione

Anteprima

PREFERENZA

Il messaggio è in fase di inserimento.

loading

CamperOnLine

Buongiorno gentile utente,

da oltre 20 anni Camperonline offre gratuitamente tutti i suoi servizi
grazie agli inserzionisti che ci hanno dato la loro fiducia, permettici di continuare il nostro lavoro disattivando il blocco delle pubblicità.

Grazie della collaborazione.

Azione eseguita con successo

Azione Fallita

Condividi

Condividi questa pagina con:

O copia il link