CamperOnLine
  • Camper
    • Camper usati
    • Camper nuovi
    • Produttori
    • Listino
    • Cataloghi
    • Concessionari e rete vendita
    • Noleggio
    • Van
    • Caravan
    • Fiere
    • Rimessaggi
    • Le prove di CamperOnLine
    • Provati da voi
    • Primo acquisto
    • Area professionisti
  • Accessori
    • Accessori e Prodotti
    • Camping Sport Magenta accessori
    • Produttori
    • Antenne TV
    • Ammortizzatori
    • GPS
    • Pneumatici
    • Rimorchi
    • Provati da Voi
    • Fai da te
  • Viaggi
    • Diari di viaggi in camper
    • Eventi
    • Foto
    • Check list
    • Traghetti
    • Trasporti
  • Sosta
    • Cerca Strutture
    • Sosta
    • Aree sosta camper
    • Campeggi
    • Agriturismi con sosta camper
    • App Camperonline App
    • 10 Consigli utili per la sosta
    • Area strutture
  • Forum
    • Tutti i Forum
    • Sosta
    • Gruppi
    • Compagni
    • Italia
    • Estero
    • Marchi
    • Meccanica
    • Cellula
    • Accessori
    • Eventi
    • Leggi
    • Comportamenti
    • Disabili
    • In camper per
    • Altro Camper
    • Altro
    • Extra
    • FAQ
    • Regolamento
    • Attivi
    • Preferiti
    • Cerca
  • Community
    • COL
    • CamperOnFest
    • Convenzioni Convenzioni
    • Amici
    • Furti
    • Informativa Privacy
    • Lavoro
  • COL
    • News
    • Newsletter
    • Pubblicità
    • Contatto
    • Ora
    • RSS RSS
    • Video
    • Facebook
    • Instagram
  • Magazine
  • Italiano
    • Bienvenue
    • Welcome
    • Willkommen
  • Accedi
CamperOnLine
Camping Sport Magenta
  1. Forum
  2. Tecnica
  3. Accessori
Galleria

Batterie LifePo4

Rispondi
Cerca
Berger Camping
SostaGruppiCompagniItaliaEsteroMarchiMeccanicaCellulaAccessoriEventiLeggiComportamentiDisabiliIn camper perAltro CamperAltroExtra Attivi
8 20 187
10
il tornitore
il tornitore
rating

25/08/2015 6112
Rispondi Abuso
Inserito il 15/10/2019 alle: 18:54:44
In risposta al messaggio di Grinza del 15/10/2019 alle 09:59:40

Non mi convincono ma solo perché costano troppo e la durata è molto simile a quelle classiche (AGM) Ormai tutte le aree hanno la corrente e comunque non andrei mai a fare la settima bianca dove non c’è corrente, d’estate
vanno benissimo sue buone AGM. Una batteria da 100 AH costa ancora tra 900 e 1000 euro e quelle che pesano meno di 12-13 kg bisogna vedere cosa sono
...
Durata simile alle AGM dove?
Le migliori LiFePO4 fanno più di 2000 cicli a 1C (carica e scarica) al 100% della scarica... Le AGM fanno sui 350 cicli a 0,3C al 100% della scarica.

Una batteria da 100Ah con BMS la si trova già a 580€... poi se uno vuole le Winston il prezzo sale a 930€ circa.
Se la batteria pesa meno significa che ha una densità energetica più alta... Le Winston sono sui 90-91Wh/kg (peso netto di 13,3kg), mentre le migliori sotto questo punto di vista sono sui 140-150Wh/kg (peso netto di 8,27kg).
Il Fai Da Te a Opera d'Arte - Marco
20
Grinza
Grinza
rating

16/02/2006 64324
Rispondi Abuso
Inserito il 15/10/2019 alle: 19:12:19
In risposta al messaggio di il tornitore del 15/10/2019 alle 18:54:44

Durata simile alle AGM dove? Le migliori LiFePO4 fanno più di 2000 cicli a 1C (carica e scarica) al 100% della scarica... Le AGM fanno sui 350 cicli a 0,3C al 100% della scarica. Una batteria da 100Ah con BMS la si trova
già a 580€... poi se uno vuole le Winston il prezzo sale a 930€ circa. Se la batteria pesa meno significa che ha una densità energetica più alta... Le Winston sono sui 90-91Wh/kg (peso netto di 13,3kg), mentre le migliori sotto questo punto di vista sono sui 140-150Wh/kg (peso netto di 8,27kg).
...
Tutto vero quanto affermi, sono dati di targa ma ad oggi, quelle poche persone che hanno queste batterie non hanno trovato benefici nel tempo, certo è che sarebbe interessante avere una conferma, anche da altri che la usano.
Se non mi ricordo male Franco49tn aveva denunciato questa cosa.
Io batterie LiFePo4 a 500 euro con 100 Ah non sono riuscito a trovarle perché, se è vero che durano almeno il doppio, sono equivalenti alle AGM. Ci manca il dato certo della durata.
Da notare che le mie AGM (monolite) stanno funzionando dal 2013.

p.s pensavo che fossero peggio se pesavano meno
Il problema non è la gente che non comprende ma la gente che giudica quello che nemmeno comprende

Modificato da Grinza il 15/10/2019 alle 19:13:10
10
il tornitore
il tornitore
rating

25/08/2015 6112
Rispondi Abuso
Inserito il 15/10/2019 alle: 19:30:33
In risposta al messaggio di Grinza del 15/10/2019 alle 19:12:19

Tutto vero quanto affermi, sono dati di targa ma ad oggi, quelle poche persone che hanno queste batterie non hanno trovato benefici nel tempo, certo è che sarebbe interessante avere una conferma, anche da altri che la usano.
Se non mi ricordo male Franco49tn aveva denunciato questa cosa. Io batterie LiFePo4 a 500 euro con 100 Ah non sono riuscito a trovarle perché, se è vero che durano almeno il doppio, sono equivalenti alle AGM. Ci manca il dato certo della durata. Da notare che le mie AGM (monolite) stanno funzionando dal 2013. p.s pensavo che fossero peggio se pesavano meno
...
Le LiFePO4 Winston sono in commercio dal 1998... Basta navigare sul web e con un po' di pazienza si trovano dei dati. Se non ricordo male, le Winston, hanno un'aspettativa che supera abbondantemente i 10 anni (

qua

dicono qualcosa)... ovviamente seguendo il ciclo di carica e relativi parametri anche in fase di scarica.
Le batterie LiFePO4 da 100Ah 12V con BMS a 580€ si trovano su

litiostore

.

Non bisogna vedere solo il dato riferito in anni, ma anche quello che fa riferimento ai cicli di vita e in che modo vengono fatti questi cicli.
Il Fai Da Te a Opera d'Arte - Marco
8
Doktor55
Doktor55
18/10/2017 187
Rispondi Abuso
Inserito il 15/10/2019 alle: 19:45:23
chiedo ai più esperti: sul van che mi arriverà il prossimo anno, con alternatore smart, sarà presumibilmente montato il booster Schaudt wa 121525, che prevede un programma litio a 14.4 V costanti. secondo voi per una lifepo4 da 100 Ah andrebbe bene o sarebbe troppo "castrante"?
Pirenei Verdon in camper - settembre 202
Pirenei Verdon in camper - settembre 202
Normandia in camper: là dove la Natura
Normandia in camper: là dove la Natura
Pasqua in Costa Azzurra
Pasqua in Costa Azzurra
A spasso per la Germania del Nord in cam
A spasso per la Germania del Nord in cam
In camper nel centro Italia: tra sacro e
In camper nel centro Italia: tra sacro e
Previous Next
19
IZ4DJI
IZ4DJI
rating

12/11/2006 58428
Rispondi Abuso
Inserito il 15/10/2019 alle: 21:05:37
In risposta al messaggio di MarcoBo del 15/10/2019 alle 11:44:06

Sì, ottimizzarla va benissimo. Ovviamente il mio riferimento era se non lo fai.  Di quello che segnali mi piace in particolar modo il fatto che abbassi la corrente quando la temperatura è vicina a zero (ti dice a quanto
la abbassa?). Però mi sto facendo l'idea che la batteria in viaggio andrebbe solo protetta da una tensione float e dalla ricarica con il freddo, per il resto la ricarica dell'alternatore nell'uso comune può andare. ciao,  Marco
...
Il mio booster lo ho pagato 175 euro , che nell investimento che si fa per una batteria Lifepo, ci puo stare assolutamente, e se migliora la resa ela durata, è un buon investimento. La installazione è semplice.
Non so altro oltre a cio che è scritto sul manuale, e ho letto poi solo la parte riguardante AGM che è quella che mi interessava.
____________________________________

Tommaso IZ4DJI

www.iz4dji.it




19
IZ4DJI
IZ4DJI
rating

12/11/2006 58428
Rispondi Abuso
Inserito il 15/10/2019 alle: 21:11:50
In risposta al messaggio di ezio55 del 15/10/2019 alle 18:53:26

Sono d'accordo, ti avevo anche scritto per avere un parere, tramite la mail di COL ma ho visto che non ti arrivano… Il Votronic 1212-30 l'ho installato anch'io per non rischiare che nella carica da alternatore non ci siano, con il tempo, problemi e quindi la LiFePo4 si consumi prematuramente. Saluti
Mi devi scusare, in effetti non sei il primo che mi dice che non ho ricevuto una mail del COL che mi ha inviato, ma per esempio oggi ne ho ricevute 4 da tre persone diverse, e sono arrivate.
Non capisco il motivo.
Per prova, scrivimi direttamente a tommaso.mengoli[at]tiscali.it  (sostituisci [at] con la chiocciolina) e tanto per prova se direttamente arriva, perchè èpoi lo stesso indirizzo che ho nel COL.
____________________________________

Tommaso IZ4DJI

www.iz4dji.it




20
Grinza
Grinza
rating

16/02/2006 64324
Rispondi Abuso
Inserito il 15/10/2019 alle: 21:16:36
In risposta al messaggio di il tornitore del 15/10/2019 alle 19:30:33

Le LiFePO4 Winston sono in commercio dal 1998... Basta navigare sul web e con un po' di pazienza si trovano dei dati. Se non ricordo male, le Winston, hanno un'aspettativa che supera abbondantemente i 10 anni (qua dicono
qualcosa)... ovviamente seguendo il ciclo di carica e relativi parametri anche in fase di scarica. Le batterie LiFePO4 da 100Ah 12V con BMS a 580€ si trovano su litiostore. Non bisogna vedere solo il dato riferito in anni, ma anche quello che fa riferimento ai cicli di vita e in che modo vengono fatti questi cicli.
...
ovviamente seguendo il ciclo di carica e relativi parametri anche in fase di scarica.


la parolina magica, chissà se i nostri carica batterie fanno ciò che serve a quella batteria.
Mi ricorda un po’ il Grisù, quell’aggeggio che permetteva un risparmio del 50% di carburante che quando qualcuno faceva notare che non era vero il problema era sempre nei parametri da rispettare...

A parte questo il costo deve scendere ancora 
Il problema non è la gente che non comprende ma la gente che giudica quello che nemmeno comprende
15
MarcoBo
MarcoBo
01/06/2010 3096
Rispondi Abuso
Inserito il 15/10/2019 alle: 21:18:13
In risposta al messaggio di Blessyou del 15/10/2019 alle 14:08:02

Penso che occorra scindere il concetto di mantenimento del CB (nel mio caso 13.8V) ed il controllo che effettua il BMS in fase di carica … Riprendendo (ancora) il grafico delle gialle:   Per mantenere le batterie nelle
migliori condizioni, è necessario monitorare costantemente la tensione e la temperatura delle singole celle. La tensione deve rimanere entro i limiti specificati per evitare danni alle celle. Mantenere le batterie a una temperatura di esercizio sicura previene anche possibili danni. La larghezza dell'area verde (sicura) può essere impostata modificando le tensioni di soglia V-min, V-bypass (tensione soglia di bilanciamento) e V-max. Conclusione: il limite superiore viene protetto con sicurezza inserendo V-max / V-bypass e il limite inferiore di V-min.   Quindi, oltre a gestire dinamicamente le tensioni di soglia hai la possibilità di configurare il BMS in “Normal/Critical Mode” per customizzare al meglio la vita della LiFePO4   Poi per assurdo si smin-chia prima il motore della BS
...
Io do per assodato che tenere una tensione di mantenimento sulle Lifepo4 ne accorci la vita, il motivo per cui avviene non lo conosco (ancora), ma l'ho letto in molti articoli. Faccio anche fatica a capirlo perché in teoria l'elettrotecnica mi suggerisce e una volta che le tensioni si sono livellate non c'è passaggio di corrente, ma evidentemente anche essere statiche sulla tensione non è saggio.

Prendiamo questo assunto come valido per un momento. Ho già scritto alcuni messaggi fa che l'interpretazione di V-Bypass che state dando a mio parere è errata. La tensione di V-Bypass è la tensione in cui inizia il livellamento verso l'alto delle celle: sulle celle che raggiungono prima quel valore si inizia a dissipare corrente (di carica) in modo che le altre vengano ricaricate di più e raggiungano quella tensione anche loro. 
Non vengono "sconnesse" ma la tensione viene ugualmente applicata alle celle lasciandole livelli molto prossimi al 90/100% di SOC.
Forse questo fa male, io me ne sto convincendo, ma io non ho la verità in tasca, sto solo cercando di conoscere meglio questo mondo.

Non c'è niente di male ad accettare un compromesso nella carica, mi rendo sempre più conto che nella vita camperistica media le Lifepo4 sono un compromesso molto maggiore delle Pb ma gli altri vantaggi continuano a renderle interessanti.

ciao. Marco
15
MarcoBo
MarcoBo
01/06/2010 3096
Rispondi Abuso
Inserito il 15/10/2019 alle: 21:20:28
In risposta al messaggio di IZ4DJI del 15/10/2019 alle 21:05:37

Il mio booster lo ho pagato 175 euro, che nell investimento che si fa per una batteria Lifepo, ci puo stare assolutamente, e se migliora la resa ela durata, è un buon investimento. La installazione è semplice. Non so altro oltre a cio che è scritto sul manuale, e ho letto poi solo la parte riguardante AGM che è quella che mi interessava.
Quanto pesa? :-) Adesso mi cerco il manuale online così me lo leggo.

Un oggetto del genere dovrei capire come collegarlo, dalle istruzioni lo capirò.  

Marco
19
IZ4DJI
IZ4DJI
rating

12/11/2006 58428
Rispondi Abuso
Inserito il 15/10/2019 alle: 21:29:11
Riguardo all avviamento di emergenza, in ogni caso usare la BS qualunque essa sia, non lo trovo pratico, bisogna portarsi i cavi e dei cavi adeguati pesano e ingombrano parecchio (li avevo) sempre che addirittura non vada smontata perchè in posizione non raggiungibile.
Quando uno è li a piedi, casomai a fianco di una strada, non ha certo voglia di perdere mezz'ora tra smonta e rimonta una batteria.

Io ho lasciato a casa i cavi che pesavano una esagerazione e comperato un avviatore MIDLAND Enerjump Truck da 24.000 mAh al Litio con 500A di corrente di avviamento e 1000A di picco, pesa poco (1,6kg) , ingombra poco, per tranquillità lo carico prima di ogni viaggio lungo (ma anche dolo 6 mesi risulta sempre quasi al massimo).
Esiste identico anche marcato Alca Power.

In un minuto apro il cofano, lo collego e avvio e in un minuto lo ripongo e sono pronto a partire. Specialmente se si è fermi in una brutta posizione, la rapidità è indispensabile.

Tantopiu se avessi una batteria al Litio, con quello che costa, non ci penserei proprio a metterla a rischio nella minima maniera  quando con poca spesa ci si dota di un attrezzo comodo e pratico.


2019_10_15_19_27_431.png



 
____________________________________

Tommaso IZ4DJI

www.iz4dji.it




15
MarcoBo
MarcoBo
01/06/2010 3096
Rispondi Abuso
Inserito il 15/10/2019 alle: 21:31:13
In risposta al messaggio di Doktor55 del 15/10/2019 alle 19:45:23

chiedo ai più esperti: sul van che mi arriverà il prossimo anno, con alternatore smart, sarà presumibilmente montato il booster Schaudt wa 121525, che prevede un programma litio a 14.4 V costanti. secondo voi per una lifepo4 da 100 Ah andrebbe bene o sarebbe troppo castrante?
Perché "castrante"? Non direi proprio.

Marco
19
IZ4DJI
IZ4DJI
rating

12/11/2006 58428
Rispondi Abuso
Inserito il 15/10/2019 alle: 21:35:24
In risposta al messaggio di MarcoBo del 15/10/2019 alle 21:20:28

Quanto pesa? :-) Adesso mi cerco il manuale online così me lo leggo. Un oggetto del genere dovrei capire come collegarlo, dalle istruzioni lo capirò.   Marco
Il

MANUALE

lo avevo linkato, ma eccolo

QUA

di nuovo.

ci sono schemi chiari su come va installato a seconda di come è la centralina, se vuoi vedere come ho fatto io, guarda qua:

http://www.iz4dji.it/Lavori/Boo...



l'unica cosa brigosa e da fare con cura è stato prolungare di 30cm il cavo che dalla BM va alla centralina, e per prolungare un cavo da 16mm2 ho dovuto capire quale era il modo migliore e piu sicuro, (

aprii un topic qua sul col

dove sono stato aiutato da esperti), per il resto tutto molto semplice.
Ovviamente va studiato un po bene come fare a seconda di come è fatto il proprio impianto.

La dimensione è quella di un paio di pacchetti di sigarette, e quindi non richiede spazi ampi. Ci sono anche i modelli da 40A e piu, ma sono dei bei scatoloni molto grossi (come un grosso inverter) e quindi non avevo spazio in posizione comoda per i cablaggi.


 
____________________________________

Tommaso IZ4DJI

www.iz4dji.it





Modificato da IZ4DJI il 15/10/2019 alle 21:39:15
15
MarcoBo
MarcoBo
01/06/2010 3096
Rispondi Abuso
Inserito il 15/10/2019 alle: 21:46:23
In risposta al messaggio di il tornitore del 15/10/2019 alle 18:43:15

Quei cavi quanto erano lunghi? Poi bisogna dire che è per un tempo limitato quell'assorbimento... In qualunque caso 90A su un 16mmq mai, peggio ancora se sono lunghi o da 10mmq come si vedono su molti camper.. Forse quelli
che ci sono tra BM e alternatore e tra BM e BS sono da 16mmq o 25mmq. La caduta di tensione può dar dei problemi... E quando c'è una caduta di tensione sensibile vuol dire che l'effetto joule è sensibile, quindi dispersione di energia in calore... Ne consegue che l'impianto è poco efficiente. A parer mio, perdi il dettaglio che la BM e BS durante il viaggio sono in parallelo... parallelo di due batterie con tecnologie totalmente diverse. E anche il particolare del relè onboard della centralina che parallelizza la BS e BM... Il PCB e il relp stesso non sono progettati per correnti elevate. Vero queste sono di sezione limitata così da ridurre la corrente, ma ciò vuol dire effetto joule e surriscaldamento. PS: a 1149€ c'è quella da 200Ah con BMS su litiostore
...
> E anche il particolare del relè onboard della centralina che parallelizza la BS e BM... Il PCB e il relp stesso non sono progettati per correnti elevate. Vero queste sono di sezione limitata così da ridurre la corrente, ma ciò vuol dire effetto joule e surriscaldamento.

Ho recentemente controllato lo stato della centralina, per sicurezza. Il relè è marchiato 70A (se li reggesse davvero per il mio impianto siamo ampiamente sotto i valori in gioco) ed è montato in posizione immediatamente adiacente alle viti su cui sono collegati i cavi provenienti da BM e BS. Sulla scheda, in quel punto le aree in gioco sono piuttosto ampie e per fortuna non ho osservato alcun tipo di alterazione da surriscaldamento.
Mi sono però posto come evitarlo, non voglio scollegare la BM dalla centralina perché questo mi permette di poterne leggere i valori di tensione dal display originale e il D+ serve a fare diverse azioni automaticamente alla messa in moto.
Potrei ottimizzare la carica alla BS utilizzando un booster, ma qualcosa che disaccoppi il carico dalla BS in modo da poterne scollegare la ricarica al SOC desiderato e continuare ad alimentare frigo e tutto con l'alternatore (ma comunque la corrente passerebbe attraverso la centralina originale).

Marco
19
IZ4DJI
IZ4DJI
rating

12/11/2006 58428
Rispondi Abuso
Inserito il 15/10/2019 alle: 22:13:05
In risposta al messaggio di MarcoBo del 15/10/2019 alle 21:46:23

> E anche il particolare del relè onboard della centralina che parallelizza la BS e BM... Il PCB e il relp stesso non sono progettati per correnti elevate. Vero queste sono di sezione limitata così da ridurre la corrente,
ma ciò vuol dire effetto joule e surriscaldamento. Ho recentemente controllato lo stato della centralina, per sicurezza. Il relè è marchiato 70A (se li reggesse davvero per il mio impianto siamo ampiamente sotto i valori in gioco) ed è montato in posizione immediatamente adiacente alle viti su cui sono collegati i cavi provenienti da BM e BS. Sulla scheda, in quel punto le aree in gioco sono piuttosto ampie e per fortuna non ho osservato alcun tipo di alterazione da surriscaldamento. Mi sono però posto come evitarlo, non voglio scollegare la BM dalla centralina perché questo mi permette di poterne leggere i valori di tensione dal display originale e il D+ serve a fare diverse azioni automaticamente alla messa in moto. Potrei ottimizzare la carica alla BS utilizzando un booster, ma qualcosa che disaccoppi il carico dalla BS in modo da poterne scollegare la ricarica al SOC desiderato e continuare ad alimentare frigo e tutto con l'alternatore (ma comunque la corrente passerebbe attraverso la centralina originale). Marco
...
Con il booster, come ho installato io (su centralina SCHAUDT EBL) , si leggono bene i valor sul pannelo della centralina come sempre, ma se leggi nel manuale, in caso contrario, per esempio con centraline differenti, va fatto un cavallotto su morsetto apposito, per continuare a leggere i valori come prima.
Il D+ lo usi per fare partire il Booster all avviamento, ma per il resto fa tutte le sue funzioni come prima.

 
____________________________________

Tommaso IZ4DJI

www.iz4dji.it




8
Doktor55
Doktor55
18/10/2017 187
Rispondi Abuso
Inserito il 15/10/2019 alle: 22:38:29
In risposta al messaggio di MarcoBo del 15/10/2019 alle 21:31:13

Perché castrante? Non direi proprio. Marco
perchè  eroga al massimo 25 o 28 Ah e quindi lontano da quanto letto qui riguardo la ricarica da alternatore (o non ho capito nulla?)
RobertoBcn
RobertoBcn
-
Rispondi Abuso
Inserito il 15/10/2019 alle: 23:45:20
In risposta al messaggio di il tornitore del 15/10/2019 alle 18:43:15

Quei cavi quanto erano lunghi? Poi bisogna dire che è per un tempo limitato quell'assorbimento... In qualunque caso 90A su un 16mmq mai, peggio ancora se sono lunghi o da 10mmq come si vedono su molti camper.. Forse quelli
che ci sono tra BM e alternatore e tra BM e BS sono da 16mmq o 25mmq. La caduta di tensione può dar dei problemi... E quando c'è una caduta di tensione sensibile vuol dire che l'effetto joule è sensibile, quindi dispersione di energia in calore... Ne consegue che l'impianto è poco efficiente. A parer mio, perdi il dettaglio che la BM e BS durante il viaggio sono in parallelo... parallelo di due batterie con tecnologie totalmente diverse. E anche il particolare del relè onboard della centralina che parallelizza la BS e BM... Il PCB e il relp stesso non sono progettati per correnti elevate. Vero queste sono di sezione limitata così da ridurre la corrente, ma ciò vuol dire effetto joule e surriscaldamento. PS: a 1149€ c'è quella da 200Ah con BMS su litiostore
...
Un metro scarso di cavi, l'inverter stava di fianco alla batteria. Se ricordo bene con 1200w di assorbimento con un cavo da 9  e un metro di distanza dovrebbe andar bene.
il parallelo tra bm e bs lo si fa ogni volta che apri il quadro, ma quanti saranno effettivamente gli ampere in direzione bs-bm? Pochi o nulli, visto che la bm ha sempre consumi scarsi. La batteria motore di solito é carica e se fosse morta o in corto beh, hai sempre un fusibile in mezzo. Non credo che nel mio camper abbiano messo piú di 50 a. Anzi, a pensarci bene devo togliermi il dubbio e andare a vederlo.

Batteria da 200 addocchiata, ma vado giustissimo con le misure. Devo prendere corqggio e smontare di nuovo il sedile.


 
Life is too short to drink bad wine!!
10
Blessyou
Blessyou
28/10/2015 5016
Rispondi Abuso
Inserito il 16/10/2019 alle: 08:53:03
In risposta al messaggio di MarcoBo del 15/10/2019 alle 21:18:13

Io do per assodato che tenere una tensione di mantenimento sulle Lifepo4 ne accorci la vita, il motivo per cui avviene non lo conosco (ancora), ma l'ho letto in molti articoli. Faccio anche fatica a capirlo perché in teoria
l'elettrotecnica mi suggerisce e una volta che le tensioni si sono livellate non c'è passaggio di corrente, ma evidentemente anche essere statiche sulla tensione non è saggio. Prendiamo questo assunto come valido per un momento. Ho già scritto alcuni messaggi fa che l'interpretazione di V-Bypass che state dando a mio parere è errata. La tensione di V-Bypass è la tensione in cui inizia il livellamento verso l'alto delle celle: sulle celle che raggiungono prima quel valore si inizia a dissipare corrente (di carica) in modo che le altre vengano ricaricate di più e raggiungano quella tensione anche loro.  Non vengono sconnesse ma la tensione viene ugualmente applicata alle celle lasciandole livelli molto prossimi al 90/100% di SOC. Forse questo fa male, io me ne sto convincendo, ma io non ho la verità in tasca, sto solo cercando di conoscere meglio questo mondo. Non c'è niente di male ad accettare un compromesso nella carica, mi rendo sempre più conto che nella vita camperistica media le Lifepo4 sono un compromesso molto maggiore delle Pb ma gli altri vantaggi continuano a renderle interessanti. ciao. Marco
...
Marco,
 
per sfatare ogni dubbio/incomprensione/and so on … la tensione V-Bypass è la tensione di bilanciamento del SOC:
Il SOC viene calcolato misurando costantemente le correnti in entrata e in uscita e integrando tali correnti. Questo si chiama conteggio di Coulomb. Il SOC viene ricalibrato ogni volta che il pacchetto è pieno. Questo viene fatto per ridurre le deviazioni del calcolo SOC. Configurando il BMS in:
  • " Normal Mode", il SOC è impostato al 100% quando tutte le tensioni delle celle sono >= V-Bypass
  • "Crirical Mode", il SOC è impostato al 100% quando la tensione totale del pacco è >= V-Bypass x numero totale di celle. In altre parole, quando la tensione media della cella è> = V-bypass
 
Se il BMS è configurato in “ Normal Mode” con tensione V-Bypass a 3,40V quando tutte le celle sono >= V-Bypass non solo riparte il calcolo del SOC ma il Philippi sgancia il carico alla BS ed il mezzo viene gestito dalla centralina collegata al 230V enlightened  
 
Cosa succede se stacco il mezzo dalla 230V con il Philippi sganciato (tutte le celle >= 3.40V) ??  Si spegne tutto (come se attivassi lo staccabatteria) … non appena una delle celle ritorna sotto la soglia del V-Bypass (< 3.40V) il Philippi si riarma e la BS fornisce corrente alla cellula, scaricandosi lentamente wink
Ciao a tücc

___________________________________

vâr pussée la tòlla de l'òr

21
ezio55
ezio55
30/12/2004 3441
Rispondi Abuso
Inserito il 16/10/2019 alle: 09:10:31
In risposta al messaggio di IZ4DJI del 15/10/2019 alle 21:11:50

Mi devi scusare, in effetti non sei il primo che mi dice che non ho ricevuto una mail del COL che mi ha inviato, ma per esempio oggi ne ho ricevute 4 da tre persone diverse, e sono arrivate. Non capisco il motivo. Per prova,
scrivimi direttamente a tommaso.mengoli[at]tiscali.it  (sostituisci [at] con la chiocciolina) e tanto per prova se direttamente arriva, perchè èpoi lo stesso indirizzo che ho nel COL.
...
Non devi scusarti, ci mancherebbe, sono gli scherzi della "tecnica"...
Pur non avendo ottenuto risposta ma vista la tua esperienza, non ho esitato a seguire il tuo consiglio, anche se, credo..., di non avere un alternatore intelligente.
Questo però non vuol dire che l'alternatore non crei problemi, con il tempo, mettendo in parallelo due batterie notevolmente diverse.
Grazie del consiglio.
Saluti.
Ezio55
15
MarcoBo
MarcoBo
01/06/2010 3096
Rispondi Abuso
Inserito il 16/10/2019 alle: 09:40:42
In risposta al messaggio di Blessyou del 16/10/2019 alle 08:53:03

Marco,   per sfatare ogni dubbio/incomprensione/and so on … la tensione V-Bypass è la tensione di bilanciamento del SOC: Il SOC viene calcolato misurando costantemente le correnti in entrata e in uscita e integrando tali
correnti. Questo si chiama conteggio di Coulomb. Il SOC viene ricalibrato ogni volta che il pacchetto è pieno. Questo viene fatto per ridurre le deviazioni del calcolo SOC. Configurando il BMS in:Normal Mode, il SOC è impostato al 100% quando tutte le tensioni delle celle sono >= V-Bypass Crirical Mode, il SOC è impostato al 100% quando la tensione totale del pacco è >= V-Bypass x numero totale di celle. In altre parole, quando la tensione media della cella è> = V-bypass  Se il BMS è configurato in “Normal Mode” con tensione V-Bypass a 3,40V quando tutte le celle sono >= V-Bypass non solo riparte il calcolo del SOC ma il Philippi sgancia il carico alla BS ed il mezzo viene gestito dalla centralina collegata al 230V      Cosa succede se stacco il mezzo dalla 230V con il Philippi sganciato (tutte le celle >= 3.40V) ??  Si spegne tutto (come se attivassi lo staccabatteria) … non appena una delle celle ritorna sotto la soglia del V-Bypass (< 3.40V) il Philippi si riarma e la BS fornisce corrente alla cellula, scaricandosi lentamente
...

Se il BMS è configurato in “  Normal Mode” con tensione V-Bypass a 3,40V quando tutte le celle sono >= V-Bypass non solo riparte il calcolo del SOC ma il  Philippi sgancia il carico alla BS ed il mezzo viene gestito dalla centralina collegata al 230V enlightened  
 
Cosa succede se stacco il mezzo dalla 230V con il Philippi sganciato (tutte le celle >= 3.40V) ?  Si spegne tutto (come se attivassi lo staccabatteria) … non appena una delle celle ritorna sotto la soglia del V-Bypass (< 3.40V) il Philippi si riarma e la BS fornisce corrente alla cellula, scaricandosi lentamente wink


Grazie per la risposta, quando il BMS da il segnale di sgancio la batteria è sicuramente separata e mi sembra ottimo. Hai però fatto l'esempio con la 230V, che per me è un caso piuttosto raro.
In questo caso ovviamente tutto il tuo carico sulla 12v deve essere gestito dal CB, ma di solito è dimensionato in modo che possa farcela.
Come gestisci il pannello e il caso comunque senza 230v? Che è per me il caso più frequente.

Grazie. Marco
10
Blessyou
Blessyou
28/10/2015 5016
Rispondi Abuso
Inserito il 16/10/2019 alle: 10:05:08
In risposta al messaggio di MarcoBo del 16/10/2019 alle 09:40:42

Se il BMS è configurato in “ Normal Mode” con tensione V-Bypass a 3,40V quando tutte le celle sono >= V-Bypass non solo riparte il calcolo del SOC ma il Philippi sgancia il carico alla BS ed il mezzo viene gestito
dalla centralina collegata al 230V      Cosa succede se stacco il mezzo dalla 230V con il Philippi sganciato (tutte le celle >= 3.40V) ?  Si spegne tutto (come se attivassi lo staccabatteria) … non appena una delle celle ritorna sotto la soglia del V-Bypass (< 3.40V) il Philippi si riarma e la BS fornisce corrente alla cellula, scaricandosi lentamente  Grazie per la risposta, quando il BMS da il segnale di sgancio la batteria è sicuramente separata e mi sembra ottimo. Hai però fatto l'esempio con la 230V, che per me è un caso piuttosto raro. In questo caso ovviamente tutto il tuo carico sulla 12v deve essere gestito dal CB, ma di solito è dimensionato in modo che possa farcela. Come gestisci il pannello e il caso comunque senza 230v? Che è per me il caso più frequente. Grazie. Marco
...
Marco,
 
ho l’alternatore da 200Ah e non ho il pannello solare … in marcia la carica NON ha mai raggiunto la V-Max (ho configurato il Critical Mode)
 
Penso che con il pannello solare, oltre a gestire le tensioni di carica del MPPT ad hoc, sia indicato configurare il BMS in Critical Mode:
immagine(1959).png 
 
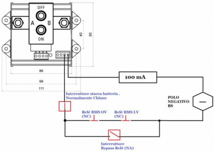
La versione precedente del BMS (sino al 2016) NON aveva il Critical Mode – l’ideatore dell’impianto aveva inserito l’interruttore di Bypass Relè:
immagine(1958).png 
per evitare l’intervento del pannello solare sulla tensione V-Bypassenlightened
Ciao a tücc

___________________________________

vâr pussée la tòlla de l'òr

SostaGruppiCompagniItaliaEsteroMarchiMeccanicaCellulaAccessoriEventiLeggiComportamentiDisabiliIn camper perAltro CamperAltroExtra Attivi
Argomenti recenti dal forum
Accessori
Montaggio sensore di movimento esterno
Mi piacerebbe far funzionare la luce esterna con un sensore di movimento.La lampadina è di...
paco99
Oggi alle 10:34
Altro non sui camper
ho creato un app per archiviare i propri viaggi
Ciao a tutti, Premetto subito che non sono uno sviluppatore di mestiere, ho iniziato quest...
gibe
Ieri alle: 20:34
Fiere ed eventi
Furto camper Challenger Prium XG
Salve purtroppo alcuni giorni fa, mi è stato rubato il camper. È un Challenger Prium XG ca...
micheleventrell
Ieri alle: 18:49
Cellula abitativa
Bordo di plastica
Suggerimenti per questa situazione? ......
Yanosh
Ieri alle: 17:34
Cellula abitativa
Passaggio cavi antenna
Devo passare i cavi dell' antenna e della parabola in modo da farli arrivare all' esterno ...
Yanosh
Ieri alle: 17:26
Altro non sui camper
Ciao Alex Zanardi
Pochi sono gli sportivi che meritano la mia stima, lui era uno di questi, vero campione di...
Grinza
Ieri alle: 10:20
Cellula abitativa
Batteria motore 3 bip Laika
Buongiorno a tutti chiedo aiuto per un problema. Camper Laika ecovip 309s dela 2020. 2 bat...
Conterocco
Ieri alle: 10:12
Accessori
Posizione relais per disabilitare parallelatore
Buongiorno, ho un dubbio su un argomento nuovo: bloccare la ricarica delle BS dalla centr...
isauri
Ieri alle: 09:53
Accessori
Problema con fotovoltaico
Ciao a tutti, Questa mattina mi sono accorto che il fotovoltaico da 100W non carica più. ...
Apollo 13
Ieri alle: 09:47
Accessori
Pannello di controllo Generatore Dometic TEC29 LPG
Buongiorno a tutti, come sempre prima di aprire un nuovo thread ho provato a cercare info ...
KawaSimo
Ieri alle: 08:53
Cellula abitativa
Furgonato con grande vano di carico
Salve a tutti! Spesso leggo con interesse il forum, ma non ho trovato da nessuna parte le ...
Nebbia94
01/05/26 - 22:25
Compagni di viaggio
Compagnia viaggio Milano
Ciao Sono Sergio ho 36 anni, vivo a milano e sono camperista alle prime armi e lavoro spes...
Sgull
01/05/26 - 20:41
168k Facebook
343k Instagram
42,6k TikTok
73,6K Youtube
CamperOnLine - Copyright © 1998-2026 - P.Iva 06953990014
Informativa privacy
Loading...

Accedi

Recupera Password
Nuovo utente

Vuoi eliminare il messaggio?

Sottoscrizione

Anteprima

PREFERENZA

Il messaggio è in fase di inserimento.

loading

CamperOnLine

Buongiorno gentile utente,

da oltre 20 anni Camperonline offre gratuitamente tutti i suoi servizi
grazie agli inserzionisti che ci hanno dato la loro fiducia, permettici di continuare il nostro lavoro disattivando il blocco delle pubblicità.

Grazie della collaborazione.

Azione eseguita con successo

Azione Fallita

Condividi

Condividi questa pagina con:

O copia il link