

Buon giorno. Dopo molti tentativi di ripristinare il corretto funzionamento della mia combi 6000, sono arrivato alla conclusione che all’80% il mio problema risieda nella scheda. Il problema è che non essendone sicuro non posso far ordinare la scheda nuova e poi magari scoprire sia qualcos’altro. Sto cercando una scheda da anici per poterne provare il funzionamento. Solo non riesco a trovarne uguali. Qualcuno sa con quali sche può funzionare la mia combi? In risposta al messaggio di snakebiker del 13/02/2018 alle 15:31:02Almeno prova a vedere se il fusibile è buono o no. (è quello tondo rosso a montaggio verticale con le scritte bianche)
Buon giorno. Dopo molti tentativi di ripristinare il corretto funzionamento della mia combi 6000, sono arrivato alla conclusione che all’80% il mio problema risieda nella scheda. Il problema è che non essendone sicuronon posso far ordinare la scheda nuova e poi magari scoprire sia qualcos’altro. Sto cercando una scheda da anici per poterne provare il funzionamento. Solo non riesco a trovarne uguali. Qualcuno sa con quali sche può funzionare la mia combi?
In risposta al messaggio di snakebiker del 14/02/2018 alle 18:23:03e quello è un segnale da non trascurare
In questo week end sentiró in funzione la stufa di un amico. L’impressione della ventilazione meno potente l’ho avuta.
In risposta al messaggio di ecostar del 14/02/2018 alle 18:27:11Mario
e quello è un segnale da non trascurare mario
In risposta al messaggio di ecostar del 15/02/2018 alle 20:26:33La mia fa cosi
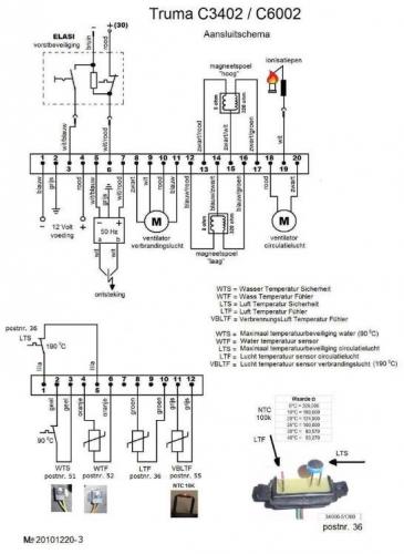
ciao scubi , la ventilazione modula proporzionalmente alla temperatura selezionata e proporzionale allo stadio di potenza in uso del momento , il tutto è gestito dal potenziometro (sonda ambiente) , non esiste nessun altrasonda che gestisce la temperatura aria in uscita ma esiste un sensore di sovra temperatura dell'involucro stufa Fabio , selezionando la manopola temperatura su 30 gradi dovresti sentire i classici 3 clach dei 3 stadi di potenza poi sentire la ventola di ricircolo aria che proporzionalmente aumenta di giri ma credo che fin quì ci siamo , il problema se ho ben capito è che a un certo punto la stufa incomincia a lavorare con potenza ridotta e giocoforza con numero di giri ventola inferiore pur avendo una temperatura in cellula decisamente inferiore a quella selezionata , i casi sono quelli sotto elencati : - 1 - sonda ambiente che nel tuo caso si trova all'interno del comando in posizione che sente troppo calore ma visto che hai provato anche con una sonda supplementare collegata al mini Jack mono in scheda e il problema è rimasto per il momento direi di accantonare questa ipotesi ma non escludiamola a priori , anzi ti consiglierei di rifare quella prova utilizzando un mini jack maschio mono e una sonda ambiente10K di certo funzionamento che posizionerai in una zona neutra in cellula - 2 - possibile ventola di ricircolo aria che sulla sua max potenza non muove sufficiente aria con conseguente diminuzione della potenza stufa - 3 - possibile ventola scarico/aspirazione con qualche problema - 4 - possibile tensione di alimentazione stufa inferiore di 11,7V purtroppo nel tuo caso da come me lo hai spiegato per controllare le due ventole dovrai sfilare la stufa perchè non sono ne visibili ne raggiungibili e questa è una gran rottura di coliotes , prima di impazzire prova a dissaldare da un solo lato il sensore temperatura all'interno del comando e se la stufa e ventola viaggiano sulla loro max potenza senza alcuna possibilità di regolazione siamo quasi a cavallo nel senso che il guaio non è in scheda mario
In risposta al messaggio di scubidu del 15/02/2018 alle 23:30:55c'è un termostato di minima e di massima sul corpo stufa , tieni presente che la combi di snakebiker è la seconda versione datata 2002 con sonda temperatura all'interno del comando graduato , cambia poco dalla successiva versione ma qualcosa cambia
La mia fa cosi Appena accendo il combi metto a 9 parte alla massima Potenza gas si sente da quanto butta fuori dal camino però la ventilazione aumenta quando il combi e caldo. finché e freddo anche se il termostato e al Max la ventilazione gira al minimo deve esserci qualcosa per forza