http://it.farnell.com/Marketing...
http://123smartbms.com/
In risposta al messaggio di Grinza del 18/04/2016 alle 20:58:19
Porte logiche? Esempio Non arrenderti. Rischieresti di farlo un’ora prima del miracolo.
Ciao Antonio,
In risposta al messaggio di Topolone del 18/04/2016 alle 19:15:53
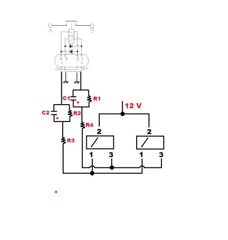
Da una parte ho due relè con ognuno tre morsetti. Quando tutto è nei valori stabiliti ho il morsetto 1 e 2 che hanno il circuito chiuso mentre il 2 e 3 aperto. Quando si verifica un'anomalia si apre il collegamentotra 1 e 2 e si chiude quello tra 2 e 3 . Devo utilizzare questi due relè a 3 contatti per gestire un relè bistabile TYCO 2505 ... Se non ho capito male questo relè bistabile ha due bobine che spostano il contatto quando ricevono un' impulso di corrente con tensione da 12 V. Chiude quando l'impulso arriva sul 4 e apre quando arriva sul 1. Impulso che deve essere compreso tra 100 ms e 500 ms . Collegando una +12 ai morsetti 2 dei relè a tre connettori posso mandare la tensione al relè bistabile sul morsetto 4 o 1 in base al suo stato ma dovrei interrompere il circuito dopo 0,5 secondi . Devo interporre un circuito se possibile molto semplice ( evidenziato dal punto verde ) che mi apra il circuito dopo circa mezzo secondo. Qualche suggerimento ? Grazie
Ciao dutur,
) che ha internamente una elettronica di sorveglianza tensione che diventa ridondante se vengono controllate costantemente le tensioni di ogni cella. http://www.manual.philippi-onli...
In risposta al messaggio di DavideVR del 19/04/2016 alle 08:36:59
In serie o in parallelo? Davide
La resistenza deve essere in parallelo al condensatore.
In risposta al messaggio di Topolone del 19/04/2016 alle 10:22:29
Prima di tutto grazie delle risposte che devo ancora cercare di capire . Visto che non sono stato chiarissimo provo a spiegare esattamente cosa vorrei fare. Questa scheda che si vede sotto è quella che viene montata sull'ultimacella delle batterie al litio. Riceve le informazioni ( tensione e temperatura ) di ogni cella precedente. I parametri di tensione minima e massima vengono invece settati tramite dip switch sulla scheda della prima cella. La scheda out ha due relè a tre contatti . Uno cambia stato se una qualsiasi delle celle scende sotto la tensione minima impostata mentre l'altro relè cambia stato se una qualsiasi delle celle sale sopra una tensione massima. I due relè tornano nella posizione precedente quando le tensioni rientrano nella norma. Questi due relè potrebbero pilotare due linee indipendenti, ossia quella degli utilizzatori , da staccare in caso di sotto voltaggio e quella dei generatori da staccare in caso si sovra voltaggio. Visto il costo esagerato dei relè di potenza ho pensato di metterne 1 solo e staccare tutto sia in caso di sovra o sotto tensione. Quel relè bistabile della TYCO è relativamente economico rispetto alle soluzioni classiche che usano il Philippi TSA 265 ( + di 175 € ) che ha internamente una elettronica di sorveglianza tensione che diventa ridondante se vengono controllate costantemente le tensioni di ogni cella. Il TSA è comodo perché viene controllato semplicemente collegando un filo tra due morsetti che se interrotto sgancia il relè di potenza . Qui sotto un Philippi con due relè allo stato solido ( a sinistra sotto ) per consumare meno corrente. Senza relè alla stato solido il consumo sarebbe comunque non alto dell'ordine dei 25 mA . Sotto il dettaglio di questa scheda super economica venduta al prezzo di 359 € ( manco fosse d'oro e cablata da un chirurgo di fama mondiale ) La bobina del relè bistabile Tyco ha invece una resistenza da 4,5 ohm e una potenza max di 7 watt e non può stare in tensione permanente . Spero di essere stato il più chiaro possibile. Per Renzo07 ..... il Tyco non credo sia apribile per togliere i diodi o interrompere il circuito. Adesso mi studio per bene quello che avete suggerito PS: il tempo raccomandato di eccitazione bobina non è da 100 a 500 ms ma da 50 a 100 ms.... Coil excitation pulse length recommended/maximum 50 ms/100 ms
Per Renzo07 .... il Tyco non credo sia apribile per togliere i diodi o interrompere il circuito.

In risposta al messaggio di Emme48 del 18/04/2016 alle 19:48:09
Io ti ho perso... Non puoi venire con una soluzione parziale di un problema sconosciuto.... Su, raccontaci cosa diav... vuoi realizzare che poi capiamo insieme quali oggetti servono. Marco.
Quoto
In risposta al messaggio di renzo07 del 19/04/2016 alle 11:10:03
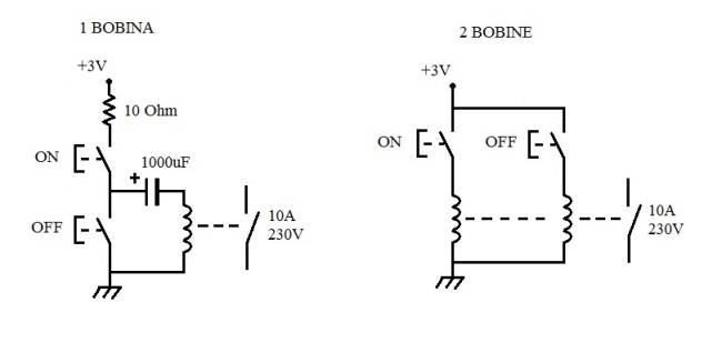
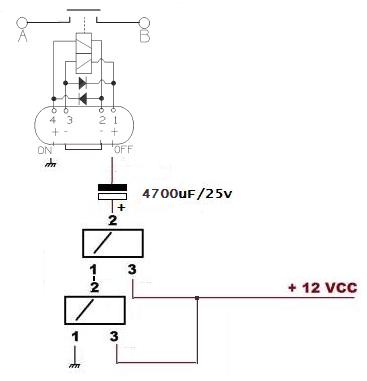
Per Renzo07 .... il Tyco non credo sia apribile per togliere i diodi o interrompere il circuito. Peccato, si possono lasciare ma occorre raddoppiare la capacita' del condensatore, e sempre che sia sufficiente, per cui vaprovato. Volendo i diodi si possono bruciare, basta mettere il 12V al posto giusto Io sul datasheet leggo che il tempo di eccitazione e' da15 a 100mS. Visto che ci sono due rele' di allarme ne ho messo due sullo schema.
Confermo il transitorio dee essere da 15 a 100ms.
In risposta al messaggio di Topolone del 19/04/2016 alle 12:57:05
Confermo il transitorio dee essere da 15 a 100ms. Vediamo se ho capito il principio. Al posto di attivare una bobina sola mandi corrente nel verso giusto sulla prima e inversa sulla seconda . Una tira e l'altra spinge....Le resistenze delle bobine sono da 4,5 ohm cad per cui senza i diodi avremmo una resistenza totale da 9 ohm e un passaggio di corrente max di 1,33 ampere. I piccoli relè sopportano max 2 ampere. Con i diodi funzionanti diminuisce la resistenza totale e devi mandare più corrente in quanto lavora solo una bobina. Il diodo da eliminare sarebbe comunque solo 1 . L'altro è inattivo Giusto ? Il condensatore confermi da 4700 micro Farad/ 25 V Adesso vado a studiarmi la soluzione di Marco. Siete veramente di grande aiuto e l'importante è che si possa fare. Senza ricorrere a soluzioni con costi proibitivi è meglio ancora
Quasi...
In risposta al messaggio di Emme48 del 19/04/2016 alle 10:49:05
La resistenza deve essere in parallelo al condensatore. Questi due componenti vanno in serie alla bobina del relè in modo da alimentarlo solo con quella energia lì e non permanentemente. Marco.
Cosi potrebbe andare bene
In risposta al messaggio di renzo07 del 19/04/2016 alle 14:07:51
Quasi... Un rele' bistabile puo' funzionare con due avvolgimenti o anche con uno solo invertendo il senso della corrente nell'avvolgimento. Questo ovviamente in linea generale ma ci si puo' aspettare altro... Il sistema cheho disegnato io funziona con l'inversione della corrente, essendoci i diodi, in senso una bobina e' bypassata dal un diodo, nell'altro senso e' l'altra bobina che e' bypassata. E' ovvio che con le due bobine in serie senza diodi, il campo magnetico generato e' lo stesso di una sola bobina a 12V ma la resistenza e' doppia, per cui mezza corrente, mezza capacita' ecc.. Ti metto un'altenativa transistorizzata per interrompere un positivo a 50mS circa rigorosamente teorica. Renzo.
Grazie Renzo,
In risposta al messaggio di Topolone del 19/04/2016 alle 15:02:57
Grazie Renzo, Salvato subito il tuo circuito.... Forse questo con il transistor è meno soggetto alle variabili esterne e non necessità di intervento sui diodi. Non dormirò più di notte cercando di capire quale è il più adatto
Devi provarli, tanto non costano molto i componenti.
In risposta al messaggio di Grinza del 19/04/2016 alle 20:06:45
Rieccomi cos'é successo? accidenti quante soluzioni e tutte semplici. Mi rimane però un dubbio, ma a cosa serve? Non arrenderti. Rischieresti di farlo un’ora prima del miracolo.
Ciao Antonio,
In risposta al messaggio di Grinza del 19/04/2016 alle 20:06:45
Rieccomi cos'é successo? accidenti quante soluzioni e tutte semplici. Mi rimane però un dubbio, ma a cosa serve? Non arrenderti. Rischieresti di farlo un’ora prima del miracolo.
Anto...fa caldo
cosi posso venire anch'io ai vostri raduni di scooteristi e finalmente potere esibire il mio accappatoio rosa