CamperOnLine
  • Camper
    • Camper usati
    • Camper nuovi
    • Produttori
    • Listino
    • Cataloghi
    • Concessionari e rete vendita
    • Noleggio
    • Van
    • Caravan
    • Fiere
    • Rimessaggi
    • Le prove di CamperOnLine
    • Provati da voi
    • Primo acquisto
    • Area professionisti
  • Accessori
    • Accessori e Prodotti
    • Camping Sport Magenta accessori
    • Produttori
    • Antenne TV
    • Ammortizzatori
    • GPS
    • Pneumatici
    • Rimorchi
    • Provati da Voi
    • Fai da te
  • Viaggi
    • Diari di viaggi in camper
    • Eventi
    • Foto
    • Check list
    • Traghetti
    • Trasporti
  • Sosta
    • Cerca Strutture
    • Sosta
    • Aree sosta camper
    • Campeggi
    • Agriturismi con sosta camper
    • App Camperonline App
    • 10 Consigli utili per la sosta
    • Area strutture
  • Forum
    • Tutti i Forum
    • Sosta
    • Gruppi
    • Compagni
    • Italia
    • Estero
    • Marchi
    • Meccanica
    • Cellula
    • Accessori
    • Eventi
    • Leggi
    • Comportamenti
    • Disabili
    • In camper per
    • Altro Camper
    • Altro
    • Extra
    • FAQ
    • Regolamento
    • Attivi
    • Preferiti
    • Cerca
  • Community
    • COL
    • CamperOnFest
    • Convenzioni Convenzioni
    • Amici
    • Furti
    • Informativa Privacy
    • Lavoro
  • COL
    • News
    • Newsletter
    • Pubblicità
    • Contatto
    • Ora
    • RSS RSS
    • Video
    • Facebook
    • Instagram
  • Magazine
  • Italiano
    • Bienvenue
    • Welcome
    • Willkommen
  • Accedi
CamperOnLine
Camping Sport Magenta
  1. Forum
  2. Tecnica
  3. Accessori
Galleria

iManager NDS... serve davvero?

Rispondi
Cerca
Berger Camping
SostaGruppiCompagniItaliaEsteroMarchiMeccanicaCellulaAccessoriEventiLeggiComportamentiDisabiliIn camper perAltro CamperAltroExtra Attivi
2 20 41
20
Emme48
Emme48
rating

13/01/2006 24640
Rispondi Abuso
Inserito il 30/11/2019 alle: 12:14:00
Tempo fa provai a teorizzare un circuito capace di monitorare due batterie in parallelo e capire se una delle due ha un elemento in corto... 
Prima o poi ci riprovo.

Marco
Marco

http://www.m48.it

20
raimondo56
raimondo56
rating

15/02/2006 3366
Rispondi Abuso
Inserito il 30/11/2019 alle: 13:05:10
In risposta al messaggio di Emme48 del 30/11/2019 alle 12:14:00

Tempo fa provai a teorizzare un circuito capace di monitorare due batterie in parallelo e capire se una delle due ha un elemento in corto...  Prima o poi ci riprovo. Marco
Spero che tu ci riesca, sarebbe un altro meccanismo che mi piacerebbe provare!
Raimondo & Giovanna
20
raimondo56
raimondo56
rating

15/02/2006 3366
Rispondi Abuso
Inserito il 30/11/2019 alle: 13:11:49
Ciao marco

tu hai capito cosa intendo io, vero?
ne faccio un discorso di tranquillità, ho due batterie che se una si guasta ho l’altra e non mi rovino le vacanze.
potrei mettere in parallelo le due AGM da 120a e a volt3 lo faccio, ma mi sento più sicuro se ho una riserva, poi magari non ho la ruota di scorta, ma anche quello è perché tanto non sarei in grado di cambiarla. Per un periodo ho avuto 3 bs di cui una proprio per avere la scorta.
Costruisci quel “coso” che ti avverte se hai un elemento in corto, io lo comprerò di sicuro e allora potrei anche mettere le due bs in parallelo, magari facc anche un meccanismo che le stacca se vi è il problema.

Noi quando viaggiamo abbiamo bisogno di stare tranquilli.
 
Raimondo & Giovanna
20
Panzer
Panzer
rating

31/05/2005 14933
Rispondi Abuso
Inserito il 30/11/2019 alle: 13:37:03
In risposta al messaggio di Emme48 del 30/11/2019 alle 12:14:00

Tempo fa provai a teorizzare un circuito capace di monitorare due batterie in parallelo e capire se una delle due ha un elemento in corto...  Prima o poi ci riprovo. Marco
Marco tu che se vuoi riesci, puoi trovare il modo di monitorare mio figlio,mia nuora, miei nipoti,  mia moglie, mia suocera, ultimamente hanno preso completamente il comando, sembrano un’orchestra ultra stereo,
perché vuoi cambiare la moto? perché vuoi cambiare il camper, miiiii ma saranno caxxi miei?
Vorrei un pulsante che mi dia la possibilità di ZITTIRE sto gruppo d’assalto,
Per la batteria pensaci tu, basta che duri e non mi pianti in asso proprio mentre ne avrei bisogno.

anticipatamente ringrazio .

mich




 
Mick KoKorde World President
Normandia in camper: là dove la Natura
Normandia in camper: là dove la Natura
Pasqua in Costa Azzurra
Pasqua in Costa Azzurra
A spasso per la Germania del Nord in cam
A spasso per la Germania del Nord in cam
In camper nel centro Italia: tra sacro e
In camper nel centro Italia: tra sacro e
Le statue di legno di Kivijärvi
Le statue di legno di Kivijärvi
Previous Next
22
Giovanni
Giovanni
rating

28/08/2003 13389
Rispondi Abuso
Inserito il 30/11/2019 alle: 14:07:06
In risposta al messaggio di Emme48 del 30/11/2019 alle 12:14:00

Tempo fa provai a teorizzare un circuito capace di monitorare due batterie in parallelo e capire se una delle due ha un elemento in corto...  Prima o poi ci riprovo. Marco

Hai scritto:
Tempo fa provai a teorizzare un circuito capace di monitorare due batterie in parallelo e capire se una delle due ha un elemento in corto... 

Se ricordi bene, se ne parlò ormai qualche anno fa ed avevo buttato giù qualcosa che funzionava ma aveva un problema che qui sul forum nessuno si prese la briga di collaborare con idee per la soluzione: come scollegare la batteria farlocca? Un relè non andrebbe bene perché sarebbe sempre chiuso (o aperto) se tutto va bene ed aperto (o chiuso) se succede qualcosa. Poiché uno non sta sempre lì a controllare, la frittata potrebbe accadere anche in rimessaggio con camper fermo per settimane ed alimentare un relè di potenza per giorni e settimane andrebbe a spompare anche la batteria sana.

Giovanni
20
Emme48
Emme48
rating

13/01/2006 24640
Rispondi Abuso
Inserito il 30/11/2019 alle: 14:36:00
In risposta al messaggio di Giovanni del 30/11/2019 alle 14:07:06

Hai scritto: Tempo fa provai a teorizzare un circuito capace di monitorare due batterie in parallelo e capire se una delle due ha un elemento in corto...  Se ricordi bene, se ne parlò ormai qualche anno fa ed avevo buttato
giù qualcosa che funzionava ma aveva un problema che qui sul forum nessuno si prese la briga di collaborare con idee per la soluzione: come scollegare la batteria farlocca? Un relè non andrebbe bene perché sarebbe sempre chiuso (o aperto) se tutto va bene ed aperto (o chiuso) se succede qualcosa. Poiché uno non sta sempre lì a controllare, la frittata potrebbe accadere anche in rimessaggio con camper fermo per settimane ed alimentare un relè di potenza per giorni e settimane andrebbe a spompare anche la batteria sana. Giovanni
...
Giovanni...devi usare un relè bistabile a impulsi...riproponi quello schema.

Un elemento aperto non è un problema.
Ma con un elemento in corto dovrei rilevare una tensione bassa e una corrente tra le due batterie... quella buona da corrente a quella fasulla...
Ci devo pensare ma forse ho un'idea.


Mich, digli che hanno ragione ma che devi fare diversamente perchè ce lo chide l'Europa. Funziona.

Marco.
Marco

http://www.m48.it


Modificato da Emme48 il 30/11/2019 alle 14:40:28
20
Emme48
Emme48
rating

13/01/2006 24640
Rispondi Abuso
Inserito il 30/11/2019 alle: 15:02:55
In risposta al messaggio di raimondo56 del 30/11/2019 alle 13:11:49

Ciao marco tu hai capito cosa intendo io, vero? ne faccio un discorso di tranquillità, ho due batterie che se una si guasta ho l’altra e non mi rovino le vacanze. potrei mettere in parallelo le due AGM da 120a e a volt3
lo faccio, ma mi sento più sicuro se ho una riserva, poi magari non ho la ruota di scorta, ma anche quello è perché tanto non sarei in grado di cambiarla. Per un periodo ho avuto 3 bs di cui una proprio per avere la scorta. Costruisci quel “coso” che ti avverte se hai un elemento in corto, io lo comprerò di sicuro e allora potrei anche mettere le due bs in parallelo, magari facc anche un meccanismo che le stacca se vi è il problema. Noi quando viaggiamo abbiamo bisogno di stare tranquilli.  
...
Certo che ho capito.
Io ho sul mio camper un impianto che conosco molto bene ma capisco che per tante persone la corrente non è intuitiva e quindi qualcosa che tranquillizza è gradito.

Io ho uno staccabatteria per ciascuna delle mie due batterie e ognuna può essere:
- Scollegata
- Collegata come Batteria dei Servizi
- Collegata come Batteria Motore
Posso anche collegare 3 BM in parallelo per un totale di 2500 ampere di spunto.

Di solito tengo una BM e due BS in parallelo.

Marco
Marco

http://www.m48.it

22
Giovanni
Giovanni
rating

28/08/2003 13389
Rispondi Abuso
Inserito il 30/11/2019 alle: 16:28:26
In risposta al messaggio di Emme48 del 30/11/2019 alle 14:36:00

Giovanni...devi usare un relè bistabile a impulsi...riproponi quello schema. Un elemento aperto non è un problema. Ma con un elemento in corto dovrei rilevare una tensione bassa e una corrente tra le due batterie... quella
buona da corrente a quella fasulla... Ci devo pensare ma forse ho un'idea. Mich, digli che hanno ragione ma che devi fare diversamente perchè ce lo chide l'Europa. Funziona. Marco.
...

Marco, capire qual è quella buona e quella cattiva non m'era un problema; il mio problema era come scollegare la batteria cattiva appena essa creava problemi. Non sono esperto di relè bistabili, vedrò appena possibile di capire come funzionano, come farli intervenire.

Giovanni
20
Emme48
Emme48
rating

13/01/2006 24640
Rispondi Abuso
Inserito il 30/11/2019 alle: 16:38:42
In risposta al messaggio di Giovanni del 30/11/2019 alle 16:28:26

Marco, capire qual è quella buona e quella cattiva non m'era un problema; il mio problema era come scollegare la batteria cattiva appena essa creava problemi. Non sono esperto di relè bistabili, vedrò appena possibile di capire come funzionano, come farli intervenire. Giovanni
Ne ho 16 sul mio camper per gestire tuttoda quattro tastierini sparsi nella cellula.
Premo un pulsante e accendo qualcosa, lo premo di nuovo e lo spengo.
In entrambi gli stati il consumo è nullo.

Marco
Marco

http://www.m48.it

19
Topolone
Topolone
rating

19/12/2006 12096
Rispondi Abuso
Inserito il 05/12/2019 alle: 11:14:16
In risposta al messaggio di Giovanni del 30/11/2019 alle 14:07:06

Hai scritto: Tempo fa provai a teorizzare un circuito capace di monitorare due batterie in parallelo e capire se una delle due ha un elemento in corto...  Se ricordi bene, se ne parlò ormai qualche anno fa ed avevo buttato
giù qualcosa che funzionava ma aveva un problema che qui sul forum nessuno si prese la briga di collaborare con idee per la soluzione: come scollegare la batteria farlocca? Un relè non andrebbe bene perché sarebbe sempre chiuso (o aperto) se tutto va bene ed aperto (o chiuso) se succede qualcosa. Poiché uno non sta sempre lì a controllare, la frittata potrebbe accadere anche in rimessaggio con camper fermo per settimane ed alimentare un relè di potenza per giorni e settimane andrebbe a spompare anche la batteria sana. Giovanni
...
Era nel 2014 quando eravamo assetati di "rubare conoscenza" da chi ne sapeva di più. 
Oggi è meglio dare ragione.
Un saluto a tutti e torno in letargo wink

B1%20B2%20con%20doppio%20shunt%202.jpg
20
Emme48
Emme48
rating

13/01/2006 24640
Rispondi Abuso
Inserito il 05/12/2019 alle: 11:37:23
In risposta al messaggio di Topolone del 05/12/2019 alle 11:14:16

Era nel 2014 quando eravamo assetati di rubare conoscenza da chi ne sapeva di più.  Oggi è meglio dare ragione. Un saluto a tutti e torno in letargo
In quello schema le due batterie devono essere batterie uguali.

Dovrei riuscire a capire se una BS assorbe e contemporaneamente l'altra viene ricaricata che sarebbe un segno inequivocabile di anomalia.
E dovre anchei farlo consumando meno energia possibile...

Marco.
Marco

http://www.m48.it

15
renzo07
renzo07
rating

16/11/2010 4080
Rispondi Abuso
Inserito il 05/12/2019 alle: 13:16:54
In risposta al messaggio di Emme48 del 05/12/2019 alle 11:37:23

In quello schema le due batterie devono essere batterie uguali. Dovrei riuscire a capire se una BS assorbe e contemporaneamente l'altra viene ricaricata che sarebbe un segno inequivocabile di anomalia. E dovre anchei farlo consumando meno energia possibile... Marco.
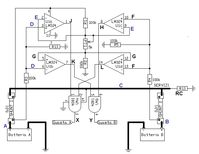
Il topic di allora era

questo

, correva l'anno 2014 e trattava sempre su iManager.
Allora avevo fatto uno schemino di principio che allego, il problema era poi come staccare la batteria difettosa.
Renzo.

Salvabatterie.GIF
 
𝓡𝓮𝓷𝔃𝓸
20
Emme48
Emme48
rating

13/01/2006 24640
Rispondi Abuso
Inserito il 05/12/2019 alle: 14:49:42
In risposta al messaggio di renzo07 del 05/12/2019 alle 13:16:54

Il topic di allora era questo, correva l'anno 2014 e trattava sempre su iManager. Allora avevo fatto uno schemino di principio che allego, il problema era poi come staccare la batteria difettosa. Renzo.  
Sei sicuro che l'LM324 lavori correttamente con una tensione sull'ingresso "+" prossima a Vcc ?

Marco.
Marco

http://www.m48.it

15
renzo07
renzo07
rating

16/11/2010 4080
Rispondi Abuso
Inserito il 05/12/2019 alle: 15:14:58
In risposta al messaggio di Emme48 del 05/12/2019 alle 14:49:42

Sei sicuro che l'LM324 lavori correttamente con una tensione sull'ingresso + prossima a Vcc ? Marco.
Tutti gli ingressi lavorano a circa meta' tensione di alimentazione. 
La R13 con punto interrogativo e' una dimenticanza, e' sempre da100k, mentre la RC si chiama R13 per errore ma rappresenta il carico dei servizi, comunque ininfluente sui conti.
Avevo fatto tutta una tabella excel con le varie tensioni in gioco in base ad una corrente mi sembra di 5A, ma non ricordo piu' il meccanismo.

salbabatt.JPG
𝓡𝓮𝓷𝔃𝓸

Modificato da renzo07 il 05/12/2019 alle 15:20:15
15
renzo07
renzo07
rating

16/11/2010 4080
Rispondi Abuso
Inserito il 05/12/2019 alle: 17:38:20
Un'altra cosa pensata al volo e' quella di prendere un tondino di ferro ed avvolgere i due cavi delle batterie.
Poi con un'ampolla reed si fa praticamente un rele' differenziale.
E' tutto ovviamente da sperimentare, questo costerebbe molto poco, ma non individua la batteria guasta.
Per i numeri in gioco, diciamo che un reed potrebbe chiudere creando un campo magnetico  da 10--100 Amperspire.
facendo due avvolgimenti affiancati da 5 spire, con una corrente di 5 ampere si arriva a 50 Amperspire.
Si lo so, sono un po' matto laugh
Renzo.

.reed.PNG
𝓡𝓮𝓷𝔃𝓸
20
Emme48
Emme48
rating

13/01/2006 24640
Rispondi Abuso
Inserito il 06/12/2019 alle: 13:51:19
In risposta al messaggio di renzo07 del 05/12/2019 alle 17:38:20

Un'altra cosa pensata al volo e' quella di prendere un tondino di ferro ed avvolgere i due cavi delle batterie. Poi con un'ampolla reed si fa praticamente un rele' differenziale. E' tutto ovviamente da sperimentare, questo
costerebbe molto poco, ma non individua la batteria guasta. Per i numeri in gioco, diciamo che un reed potrebbe chiudere creando un campo magnetico  da 10100 Amperspire. facendo due avvolgimenti affiancati da 5 spire, con una corrente di 5 ampere si arriva a 50 Amperspire. Si lo so, sono un po' matto  Renzo. .
...
Si, l'avevo pensata anch'io ma servono due batterie gemelle ed inoltre se una da o riceve mezza corrente rispetto all'altra perché è vecchia non significa che sia una condizione anomala.
Questo metodo genera un segnale di errore non dovuto.

Nel 1976 ho costruito un alimentatore stabilizzato, il classico 0-30 Volt 0-20 Ampere usando dei reed come protezione della seziona alternata in bassa tensione.
Ma forse trovare dei sensori HALL che danno il senso positivo o negativo del flusso e dare segnalazione di errore se una batteria da e una riceve è la strada giusta.

Ma ci vorrebbe un trigger con una soglia di flusso ( = corrente ) sotto la quale non si abbiano segnalazioni di sorta.

Marco.

Marco.
Marco

http://www.m48.it


Modificato da Emme48 il 06/12/2019 alle 14:02:16
15
renzo07
renzo07
rating

16/11/2010 4080
Rispondi Abuso
Inserito il 06/12/2019 alle: 15:03:24
In risposta al messaggio di Emme48 del 06/12/2019 alle 13:51:19

Si, l'avevo pensata anch'io ma servono due batterie gemelle ed inoltre se una da o riceve mezza corrente rispetto all'altra perché è vecchia non significa che sia una condizione anomala. Questo metodo genera un segnale
di errore non dovuto. Nel 1976 ho costruito un alimentatore stabilizzato, il classico 0-30 Volt 0-20 Ampere usando dei reed come protezione della seziona alternata in bassa tensione. Ma forse trovare dei sensori HALL che danno il senso positivo o negativo del flusso e dare segnalazione di errore se una batteria da e una riceve è la strada giusta. Ma ci vorrebbe un trigger con una soglia di flusso ( = corrente ) sotto la quale non si abbiano segnalazioni di sorta. Marco. Marco.
...
Allora un'altra alternativa se si parla di Hall sono questi:

ACS758

: ormai acquistati su ebay in Cina costano pochissimo (forse perché non li fanno più), 50 o 100A, un po' difficoltosi da collegare (io ai tempi avevo fatto uno stampato che vedi in foto per collegarlo in serie alla BS) Si alimentano a 5V, 10mA circa di consumo.
Forniscono un'uscita analogica  a 2.5V con nessuna corrente, poi questa tensione varia in piu od in meno in base al verso ed intensita' della corrente.
Esistono sensori anche in

versione piu' pratica

,ma il prezzo cresce notevolmente.
Poi occorrono come dici un paio di trigger per le soglie ed il gioco (si fa per dire) e' fatto.
Tieni conto che basterebbe usare dopo i sensori di Hall, un microcontrollorino da 8 pin e si risolve i problemi di taratura/decisioni sulle soglie, ma magari porterebbero altri problemi.
Renzo.

acs758.JPG
 
𝓡𝓮𝓷𝔃𝓸
7
emilio 70
emilio 70
06/01/2019 4
Rispondi Abuso
Inserito il 13/09/2020 alle: 06:11:59
In risposta al messaggio di Paolo62 del 29/11/2019 alle 15:55:25

Solo una nota. Io ho girato 8 anni con 2 AGM in parallelo ed i soliti 2 fusibili vicino ai positivi perchè le 2 batterie erano lontane. Il mio camper, un Rimor del 2008, aveva una centralina della Arsilicii molto completa
e mi faceva visualizzare gli assorbimenti e le tensioni della BS (ovviamente come fosse 1 anche se erano 2 visto il parallelo). Non ho mai avuto problemi salvo quando è progressivamente andata una delle 2 BS che mi tirava giù anche l'altra. Io sto attento e quindi me ne sono accorto rapidamente. Sul nuovo camper ho inizialmente riprodotto la stessa situazione, ma la centralina non mi fornisce né i dati di consumo né le tensioni delle BS. Così cercavo un apparecchio che me le potesse dare e, considerando che io con i fili elettrici preferisco non avere troppo a che fare, alla fine per montare uno strumento così superavo i 140-150 euro (voltmetro/amperometro) con problemi di assorbimento in stand by ecc. Sentito il concessionario (che mi aveva montato le 2 BS in parallelo diretto su mia richiesta e senza obiettare nulla) mi ha proposto l'i-manager spiegandomene le funzionalità. La differenza di prezzo tra un voltmetro + amperometro era però di 60-70 Euro e quindi ho deciso di montarlo. Quindi a me quell'apparecchio non è costato 400 Euro come ti hanno chiesto, ma poco più di 200 installato. Ad oggi non posso dire molto se non che questo mi permette di vedere la tensione delle 2 BS e della BM. Gestisce il mantenimento della BM quando questa scende sotto i 12,5V, ( a centralina staccata) gestisce la carica da pannello solare anche in contemporanea con l'alternatore, mi permette di staccare le BS nelle soste prolungate in rimessaggio. Ho montato il connettore ad occhielli del caricabatterie CTEK 5,0 e quindi posso usare questo accessorio che considero fondamentale, per le curve di carica che effettua in maniera sovrapponibile a quanto indicato dalle schede tecniche delle batterie. Posso quindi caricarle in parallelo oppure, singolarmente prima una e poi l'altra. Si può lasciarlo in automatico ( e così lo lascio durante l'utilizzo) o si può gestire manualmente per le funzioni parallelo, BS 1 o BS2 e per la funzione di staccabatteria. Secondo le spiegazioni a corredo, l'apparecchio tiene sempre costante la scarica delle 2 batterie in fase di lavoro per poterle mettere in parallelo in caso di assorbimenti elevati. Cioè non dovrebbe capitare che una BS è carica a metà e l'altra carica completamente. Agli effetti, in utilizzo, si sente che le scambia abbastanza spesso, prelevando un po' dalla BS1 e poi dalla BS2 scaricandole con progressione in maniera simmetrica. In fase di caricamento le carica in parallelo fino all'80% della capacità e poi le finisce singolarmente. A questa cosa credo in modo un po' distaccato Cioè lo fa effettivamente, ma non credo sia così preciso. Quindi pur essendo favorevole al principio del parallelo sulle BS per tutte le argomentazioni fornite in momenti diversi dai sostenitori di questo sistema, non posso non ammettere che questo piccolo aggeggio ha una certa quale utilità.  Vedrò, con gli anni, come si comporteranno le batterie, come le gestirà l'i-manager e quanto dureranno.  
...
Ciao anch'io ero intenzionato a montare l'i.manager   NDS , hai notizie in merito  al suo reale funzionamento  ? Ti trovi bene e lo consiglieresti?
Grazie mille 
emilio 70
22
Laikone
Laikone
rating

31/03/2004 19808
Rispondi Abuso
Inserito il 14/09/2020 alle: 09:01:46
In risposta al messaggio di naha1979 del 28/11/2019 alle 18:45:29

Salve a tutti, sono reduce da una conversazione con un concessionario. Gli ho chiesto di installare una seconda batteria AGM da 100Ah in aggiunta a quella già presente nel camper, da mettere in parallelo. Lui si è dimostrato
abbastanza contrario, consigliandomi caldamente di installare questo aggeggio, sostenendo che in tal modo la carica delle batterie avviene in modo migliore etc... Io però non mi fido molto. A parte il costo proibitivo (ben 400 euri), mi viene da pensare che sia il classico accessorio da camper, che nella migliore delle ipotesi ti fa ottenere un vantaggio da poco rispetto al non averlo, e nella peggiore ti mette in mezzo a una strada perché si rompe o non funziona come dovrebbe. Qualcuno più esperto di me può darmi un feedback? Ho sbagliato a non metterlo?
...
naha1979,
il concessionario ha fatto il giusto ragionamento, ovvero quello di non mettere MAI due batterie in parallelo senza le dovute accortezze che potrai leggere qui al seguito. Le cose scritte in questa etichetta sono scritte dal più grande costrutture mondiale di batterie. Non credo che qui sul forum vi sia qualcuno in grado di insegnare loro come e cosa è meglio fare a riguardo. NB: che io sappia non producono oggetti tipo Imanager, che comunque vada è un ottimo prodotto, ma questo esula dal pensiero a favore o contrario di alcuni.

image(1966).png

Avendo tu una batteria già montata e con qualche anno sulle spalle, il montaggio di un oggetto di questo tipo sarebbe una cosa giusta da fare, così le due batterie rimarrebbero separate tra loro senza creare nessun fenomeno interno che porterebbe certamente a morte prematura una delle due. E' altrettanto vero che quando il motore è acceso la BM e la BS sono collegate in parallelo, ma un conto è rimanerci qualche ora, altro è per tutta la loro vita.

Detto questo, sono per una soluzione che sta al centro delle varie tifoserie da stadio...
Attendi a montare la seconda batteria fino a quando l'attuale non sarà morta; questo ti permetterà di risparmiare 400€ ma allo stesso tempo montare 2 batterie uguali, come consigliato dai costruttori; di che marca saranno le batterie è affar tuo, in base a ciò che preferisci spendere.

Altra possibilità, se hai necessità impellente di avere la seconda batteria, cerca sul web la batteria che costa meno in assoluto, possibilmente della stessa tecnologia che hai già sulla prima, la monti e vai avanti fino alla loro morte con il classico parallelo.

Nel complesso generale della cosa, nemmeno io sono per montare questi accessori, MA bisogna vederli anche come fonte di aiuto per la gestione della corrente di bordo, per intenderci... non sono solo il classico "interruttore" eh...

il resto sono favole
L'iperlessia e l'analfabetismo funzionale sono una piaga sociale
11
dielle6971
dielle6971
20/04/2015 1097
Rispondi Abuso
Inserito il 14/09/2020 alle: 11:28:21
Il dispositivo iManager è un accessorio specifico per il camper e come tutti gli accessori specifici per il camper, secondo me, non serve assolutamente a nulla. Uno staccabatteria per sezionare in caso di guasto e via.
Naturalmente mia opinione personale.
Buona giornata !
Dielle family
SostaGruppiCompagniItaliaEsteroMarchiMeccanicaCellulaAccessoriEventiLeggiComportamentiDisabiliIn camper perAltro CamperAltroExtra Attivi
Argomenti recenti dal forum
Meccanica
Rimappatura Iveco Daily 3gen e fischio turbina
Buongiorno, dopo aver rimappato il mio 35c15 ho notato che in fase di accelerazione ma sol...
323232
Oggi alle 10:38
Aree di sosta e campeggi
Roma LGP - Zona Verde
Vorrei sapere da qualche camperista romano se e come è possibile accedere all'area camper ...
memmio
Oggi alle 09:10
Accessori
Installatore antifurto camper
Buongiorno sto cercando un installatore di antifurto per camper zona Senago Paderno Dugna...
penguin46
Oggi alle 08:12
Meccanica
Serraggio bulloni braccio oscillante
Buonasera. Avrei bisogno di conoscere i valori di serraggio dei 4 bulloni presenti nel bra...
celeserpi
Ieri alle: 23:38
Aree di sosta e campeggi
Area sosta/parcheggio ospedale Rizzoli Bologna
Salve a tutti. Cerco info su area sosta/parcheggio ospedale Rizzoli a Bologna. Ho notato s...
Dingo84
Ieri alle: 22:24
Viaggi in Italia
Pompei e Caserta
Ciao a tutti, Abbiamo le ferie dal 1 al 7 maggio e volevamo andare a Pompei e reggia di Ca...
beneamma
Ieri alle: 22:22
Viaggi all'estero
Il Tirolo vieta di saltare la coda in autostrada
.. Regione Trentino AA/S Naviga Il Tirolo vieta di saltare la coda in autostrada lungo str...
salito
Ieri alle: 20:14
Normative
Revisione 42,5 q bloccata
Salve a tutti, incredibile, tutte le prove superate,nonostante gli anni ed una precisa m...
paologu
Ieri alle: 17:54
Cellula abitativa
Aiuto gradino elettrico Laika ecovip 3l
Buonasera a tutti, sono da poco un possessore di un Laika ecovip 3l e ho un problema con i...
Alex86rm
23/04/26 - 22:19
Accessori
Taglio tenda
Buonasera, per riabilitare la tenda del tendalino ho fatto un taglio di circa venti centim...
Ilmoro73
23/04/26 - 19:45
Altro non sui camper
Link non cliccabile nella mail di nuova risposta
Da ieri, 22 aprile 2026, alle 23:19, il link al nuovo messaggio nel mail di avviso di nuov...
Lebowski
23/04/26 - 15:16
Accessori
Installazione Thule Veloslide per garage camper
Buongiorno, per vari motivi, che non sto ad elencare, ho deciso di non scegliere il porta...
pierigno
23/04/26 - 14:07
168k Facebook
343k Instagram
42,6k TikTok
73,6K Youtube
CamperOnLine - Copyright © 1998-2026 - P.Iva 06953990014
Informativa privacy
Loading...

Accedi

Recupera Password
Nuovo utente

Vuoi eliminare il messaggio?

Sottoscrizione

Anteprima

PREFERENZA

Il messaggio è in fase di inserimento.

loading

CamperOnLine

Buongiorno gentile utente,

da oltre 20 anni Camperonline offre gratuitamente tutti i suoi servizi
grazie agli inserzionisti che ci hanno dato la loro fiducia, permettici di continuare il nostro lavoro disattivando il blocco delle pubblicità.

Grazie della collaborazione.

Azione eseguita con successo

Azione Fallita

Condividi

Condividi questa pagina con:

O copia il link