In risposta al messaggio di cinquantuno del 23/05/2020 alle 19:05:49I pannelli,sono 2,2kg l'uno x 4= 8,8kg
Si. 17.7 kg. la batteria, 4.4kg. i 4 pannelli solari, 2 kg. il regolatore solare, 3 kg. l'inverter, almeno 3 kg. di cavi dai pannelli al regolatore, 0.3 kg. il votronic = 30.4 kg.
In risposta al messaggio di giornifelici del 23/05/2020 alle 19:32:48No. Sono 1.1 kg. l'uno.
I pannelli,sono 2,2kg l'uno x 4= 8,8kg
In risposta al messaggio di cinquantuno del 23/05/2020 alle 19:08:03Con una 200Ah anche se di qualità non eccelsa penso che riesci a fare quello che vuoi, tranne avviare il motore
Grazie di tutte le spiegazioni, ma secondo te le mie esigenze le evado?
In risposta al messaggio di il tornitore del 24/05/2020 alle 17:38:22
Con una 200Ah anche se di qualità non eccelsa penso che riesci a fare quello che vuoi, tranne avviare il motore
In risposta al messaggio di cinquantuno del 24/05/2020 alle 18:07:51È più di un anno che ho istallato la lifepo4, sicuramente aiuta molto!
E' quanto a me basta! Ed è quanto speravo!
In risposta al messaggio di cinquantuno del 23/05/2020 alle 21:31:07Ho montato lo stesso pannello al figlio, è leggerissimo, infatti ho messo più profili in alluminio ad U..., e confermo quanto scrivi rispetto al peso.
No. Sono 1.1 kg. l'uno. Questo è il foglietto applicato dietro ad ogni pannello. Sul sito di Amazon hanno scritto cose diverse, in un posto c'è scritto che pesano 4.4 kg. e la spedizione 5.1 Kg., in un'altro c'è scrittoche pesano 2.2 kg. l'uno. Però mi sono accorto che ho dimenticato di mettere il peso del carica batterie dedicato alla LIFEP04 che è di 1 Kg. Quindi il conto finale dei kg. dedicati alla corrente dei servizi è di 31.4 Nell'attuale camper ho 60 kg. di 2 batterie in parallelo + 18 kg del panasonic da 245 watt + 1.5 kg. dell'inverter ( con cavi etc siamo a 80 kg. )
In risposta al messaggio di franco49tn del 20/05/2020 alle 18:20:50È veramente interessante questa batteria. Chissà se è di qualità perché 200Ah a quel prezzo e di quelle dimensioni sono uno spettacolo.
Nemmeno io avevo visto tale novità
In risposta al messaggio di Davnet75 del 24/05/2020 alle 21:21:35Io non te lo so dire, per ora non l'ho ancora ricevuta, ma ti invito a leggere il parere esperto di " il tornitore ".
È veramente interessante questa batteria. Chissà se è di qualità perché 200Ah a quel prezzo e di quelle dimensioni sono uno spettacolo.
In risposta al messaggio di ezio55 del 24/05/2020 alle 20:40:47OK.
Ho montato lo stesso pannello al figlio, è leggerissimo, infatti ho messo più profili in alluminio ad U..., e confermo quanto scrivi rispetto al peso. Saluti.
In risposta al messaggio di giornifelici del 24/05/2020 alle 18:57:19Io ho colto l'occasione dell'acquisto del nuovo camper, che mi deve arrivare, per fare un impianto che mi dia più possibilità e libertà rispetto all'allacciamento alla corrente. In libera vorrei avere la possibilità di usare macchina del caffè e magari fon ( non più di 10 min. ) ogni tanto.
È più di un anno che ho istallato la lifepo4, sicuramente aiuta molto!
In risposta al messaggio di cinquantuno del 25/05/2020 alle 08:38:19L'ho montato con dei profili ad U in alluminio leggero incollati e imbullonati agli occhielli del pannello.
OK. Ma dimmi, come lo hai montato? Mi dai qualche spiegazione o se hai fotografie... Io volevo incollarlo semplicemente al tetto o al limite interporre questa lastra Incollare il pannello alla lastra ( spessa 6 o 10 mm. ) e poi incollare la lastra al tetto.
In risposta al messaggio di cinquantuno del 25/05/2020 alle 08:44:25Se non hai ancora ritirato il camper,chiedi al concessionario di scontarti la batteria servizi,tanto se poi metti la Lifepo4 a cosa ti serve!
Io ho colto l'occasione dell'acquisto del nuovo camper, che mi deve arrivare, per fare un impianto che mi dia più possibilità e libertà rispetto all'allacciamento alla corrente. In libera vorrei avere la possibilità di usare macchina del caffè e magari fon ( non più di 10 min. ) ogni tanto.
In risposta al messaggio di ezio55 del 25/05/2020 alle 09:19:55Soluzione interessante la tua!
L'ho montato con dei profili ad U in alluminio leggero incollati e imbullonati agli occhielli del pannello. Montati orizzontalmente,essendo leggero e molto flessibile, per evitare infossamenti delle celle li ho messi praticamenteogni 20 cm.. circa. Potrebbe essere più semplice la tua soluzione con la lastra di policarbonato, però dovresti sigillare i fori se no si riempie in poco tempo di sporcizia, inoltre non so come reagisca con il calore continuo e l'esposizione agli agenti atmosferici. Saluti.

In risposta al messaggio di giornifelici del 25/05/2020 alle 09:25:55Avevamo pattuito con il venditore di togliere le batterie ed il pannello solare dal camper che gli do indietro, poi con il blocco che c'è stato, ho avuto la possibilità di cercare con calma tutte le cose per l'impianto con la LIFEP04, gli ho telefonato le mie intenzioni e visto che era d'accordo abbiamo riparametrato tutti i costi. Lui non dovrà più smontare il pannello solare ( Panasonic da 245W ) non dovrà più smontare il regolatore solare ( MPPT WRM15 Western Co. 15A ), non dovrà più smontare batterie ( 2 X 100 Ah l'una ) e neanche l'inverter ( da 600 W ) dal mio camper, ma montare le cose nuove acquistate da me sul nuovo camper, con notevole risparmio di mano d'opera.
Se non hai ancora ritirato il camper,chiedi al concessionario di scontarti la batteria servizi,tanto se poi metti la Lifepo4 a cosa ti serve!
In risposta al messaggio di ezio55 del 20/05/2020 alle 21:03:49Ciao Ezio,
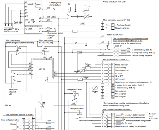
Nel tuo primo intervento hai messo lo schema della centralina, è una EBL 630, diversa dalla mia, ma anche questa ha la presa per un caricabatteria supplementare, blocco 2, 12. Io ho acquistato un caricabatteria specificoper le LiFePo4, non ho la tua centralina, ho una EBL 30, ma il principio è lo stesso..., ho staccato il fusibile del carica batterie servizi e collegato il caricabatterie specifico alla presa caricabatterie supplementare, semplice. In questa maniera, cosi mi è stato detto dal tecnico Schaudt, viene esclusa la carica della batteria servizi, che caricherà con il CB apposito..., ma non esclusa la batteria motore che verrà sempre ricaricata dalla centralina originale. Saluti.
In risposta al messaggio di Ikigai del 25/05/2020 alle 13:28:47Mi torna in parte...
Ciao Ezio, Ho scritto ancora al gentile sig. Udo della Schaudt, chiedendo se togliendo il fusibile da 30A alla voce Internes Lademodul avrei escluso la carica della sola batterie servizi o anche della batteria di avviamento,e se lasciando il fusibile, l'EBL 630 avrebbe continuato ad alimentare con la carica di mantenimento la batteria servizi una volta che il caricabatterie esterno fosse andato a zero per batteria carica. La risposta è la seguente: as I know there is no trouble with the fload charging of the EBL when your battery has a battery management system. But anyway, when the battery producer tells this, you must trust!? So you can remove the 30A fuse and the EBL will not charge the leisure battery anymore. A fload charging to the starter battery is not there as well, so the charger is out of funktion for the batteries. Quindi mi dice che la EBL, avendo un MBS sulla litio, non crea problemi con la carica di mantenimento, e che il fusibile rimosso interrompe la ricarica di entrambe le batterie. Ho scaricato il manuale della tua EBL 30, anche tu hai un fusibile solo alla voce Internes Lademodul, e guardando lo schema elettrico della tua centralina, se lo togli escludi interamente il caricabatterie interno. Sembra quindi che la carica alla batteria motore arrivi dal caricabatterie esterno, quindi con la curva delle LiFePo4. Ti torna?
In risposta al messaggio di il tornitore del 23/05/2020 alle 17:35:22Il materiale funziona ma se non hai problemi di spazio non vale la pena, tutti gli altri materiali hanno il lamba a temperatura ambiente pressoché identico.
Ti ringrazio dell'ammirazione Chiaramente ognuno in base alle proprie esigenze/ pretese prende il prodotto più adatto al caso suo. Io per natura sono pignolo, quindi passo in rassegna le varie schede tecniche e relatividati. E proprio sui dati che bisogna saperli valutare e ponderare poichè vengono dichiarati a determinate condizioni operative.. Esempio: - La capacità reale viene dichiarata con una certa corrente di scarica.. Solitamente per le LiFePO4 pari a 0,5C o anche superiore; ma tra i 15 preventivi, di sole celle, che ho chiesto con relative schede tecniche ho notato che alcuni dichiarano la capacità con corrente di scarica pari a 0,2C. In più dovrebbero anche dichiarare la temperatura di test che solitamente è 25+/-3°C. - Poi sulla corrente di scarica e carica ognuno impone un limite.. Le migliori arrivano a 2C in carica continuativamente e idem in scarica, mentre la corrente di scarica istantanea (prelevabile per massimo 10s e poi lasciar riposare la batteria per 1 minuto) le migliori arrivano a 10C quando in media si è sui 3C; - Il peso della singola cella da 100Ah 3.2V varia in modo sensibile.. Dal minimo di 2kg fino ad arrivare a 3,95kg; - mediamente fanno 2000-2500 cicli con correnti standard (scritte sulla scheda tecnica) con profondità di scarica pari all'80% e temperatura di 25+/-3°C.. Dopo questi cicli dichiarano che la batteria ha comunque l'80% della capacità nominale. Mentre le migliori dichiarano anche che fanno 5000-7000 cicli. - Per la tensione limite di scarica.. Quasi tutti impongono il limite inferiore massimo di scarica pari a 2,5V per cella dunque 10V per la batteria da 12.8V; ma nelle stesse schede tecniche consigliano di limitare la scarica a 2,8V. Lo stesso dicasi per la carica.. consigliano di caricarle massimo a 3,65V (14,6V per la batteria da 12,8V) mentre accettano una tensione di carica anche di 16V. - L'autoscarica dipende molto dalla temperatura di stoccaggio e poi anche dallo stato di carica; quindi dichiarare che dopo X mesi la batteria ha ancora X% di carica non significa niente se uno non dichiara a che temperatura viene stoccata la batteria; - Infine il prezzo... Io ho trovato delle celle da 100-105Ah di sufficiente qualità a 30-35€ l'una (compreso di tasse e spedizione), dunque con 120-140€ si hanno 4 celle per fare una batteria da 100-105Ah a 12,8V... Chiaramente uno se le deve fare e acquistare il BMS a parte.. e anche qua si possono trovare i BMS non modulabili e che non monitorano a meno di 50€ mentre quelli top modulabili e che monitorano da 300-400€. Per dire su quella batteria ci sarà un BMS da 50€ forse e da veder dalle foto le stesse celle però da 100Ah le ho trovate a circa 50€.. Dunque circa 400€ per le sole celle per fare una 200Ah. Riporto un'esperienza che mi è capitata l'altro giorno... Ho fatto richieste di preventivi per fare il cappotto esterno (in concomitanza anche quelli per pompa di calore e fotovoltaico) alla mia abitazione ed è venuto uno che mi ha presentato un materiale apparentemente innovativo e veramente efficace, da scheda tecnica prometteva in 1cm di spessore di materiale stessa la capacità di isolamento dell'XPS da 22cm di spessore. Peccato che questo, anche se certificato con tanto di valore di conduttività termica estremamente basso, si è rivelato non veritiero poichè il test della conduttività termica è stato fatto a pressione di 10mbar o inferiore e non a pressione atmosferica (condizioni operative reali del cappotto).. Dunque con la pressione atmosferica la conduttività termica aumenta notevolmente e questo mi ha permesso di non farmi fregare e abbindolare dal venditore. In conclusione le schede tecniche riportano i valori, ma bisogna fare attenzione a che condizioni fanno riferimento i valori dichiarati... Scusate della prolissità
In risposta al messaggio di MisterX1 del 25/05/2020 alle 18:58:42Il lambda varia al variare della temperatura e della pressione... Per i materiali tradizionali quali XPS, lana di roccia,i grafitati etc le condizioni di test per il dato lambda sono 10°C e pressione atmosferica (circa 1000mbar), mentre per i pannelli VIP (Vacuum Insulation Panel) spesso i dati lambda dichiarati fanno riferimento a pressioni inferiori a 10mbar.. Vedi
Il materiale funziona ma se non hai problemi di spazio non vale la pena, tutti gli altri materiali hanno il lamba a temperatura ambiente pressoché identico.
questa
scheda tecnica (fino a 10mbar e 10°C la lambda è 0,0045, mentre a pressione atmosferica e 10°C passa a 0,02). C'è un altro VIP dove dichiarano da scheda tecnica solo la temperatura di 10°C e non la pressione di test.. lambda pari a 0,00159 W/mK.In risposta al messaggio di cinquantuno del 25/05/2020 alle 08:38:19Io ho usato il policarbonato spesso 4mm. Per la dissipazione del calore non ci sono problemi.
OK. Ma dimmi, come lo hai montato? Mi dai qualche spiegazione o se hai fotografie... Io volevo incollarlo semplicemente al tetto o al limite interporre questa lastra Incollare il pannello alla lastra ( spessa 6 o 10 mm. ) e poi incollare la lastra al tetto.