In risposta al messaggio di essaouira del 03/03/2020 alle 08:11:45No, non c'è bisogno di provvedere diversamente, come ho già scritto sopra…, il caricabatterie originale della centralina Schaudt NON viene escluso completamente, funziona solo in parte per caricare la batteria motore.
Così facendo credo che non avrai però la ricarica della batteria motore da 220, hai provveduto in altro modo?
In risposta al messaggio di ezio55 del 03/03/2020 alle 11:42:02Ciao Ezio, ti mando copia incolla di una mail del Sig. Angelo Decaro da me interpellato proprio sulla questione:
No, non c'è bisogno di provvedere diversamente, come ho già scritto sopra…, il caricabatterie originale della centralina Schaudt NON viene escluso completamente, funziona solo in parte per caricare la batteria motore. Non è un affermazione mia…, prima di fare la modifica ho scritto ai tecnici Schaudt che cosi mi hanno risposto. Saluti.
In risposta al messaggio di essaouira del 03/03/2020 alle 13:26:52Probabilmente cambia per il tipo di centralina.
Ciao Ezio, ti mando copia incolla di una mail del Sig. Angelo Decaro da me interpellato proprio sulla questione: Buongiorno Sig..., togliendo il fusibile Internes Lademodul si esclude anche la carica per la batteria delmotore. Io le consiglio di rimettere il fusibile Internes Lademodul, e togliere il fusibile da 50° +Batteria di servizio. Questo fusibile (con porta fusibile) non è sulla centralina, ma dovrà trovarsi sulle vicinanze della batteria di servizio, accanto ad un fusibile da 2 A. In questo modo si esclude, la carica della batteria di servizio, quando si è collegati alla 230V, mentre la batteria motore continuerà ad essere caricata, con una corrente massima di ca. 2A (la carica di mantenimento). PS: Si ricordi, ogni qualvolta toglie o rimette i fusibili, di staccare la 230V. Io ho la EBL 119, non so se cambia qualcosa....
In risposta al messaggio di essaouira del 03/03/2020 alle 13:26:52Ho trovato la risposta specifica nelle mail, faccio copia incolla in lingua originale.
Ciao Ezio, ti mando copia incolla di una mail del Sig. Angelo Decaro da me interpellato proprio sulla questione: Buongiorno Sig..., togliendo il fusibile Internes Lademodul si esclude anche la carica per la batteria delmotore. Io le consiglio di rimettere il fusibile Internes Lademodul, e togliere il fusibile da 50° +Batteria di servizio. Questo fusibile (con porta fusibile) non è sulla centralina, ma dovrà trovarsi sulle vicinanze della batteria di servizio, accanto ad un fusibile da 2 A. In questo modo si esclude, la carica della batteria di servizio, quando si è collegati alla 230V, mentre la batteria motore continuerà ad essere caricata, con una corrente massima di ca. 2A (la carica di mantenimento). PS: Si ricordi, ogni qualvolta toglie o rimette i fusibili, di staccare la 230V. Io ho la EBL 119, non so se cambia qualcosa....
In risposta al messaggio di HymerMac del 11/11/2021 alle 20:24:50Fammi capire..., hai staccato semplicemente il fusibile del CB interno senza mettere un altro CB?
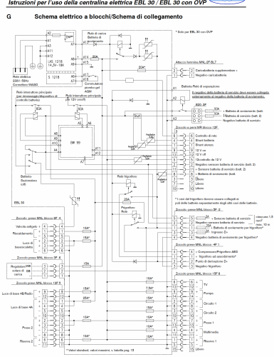
Scusate se torno sull'argomento. Leggendo quanto comunicato da Schaudt ho fatto la seguente prova. Alcuni giorni fa ho staccato il fusibile da 20A per la carica della batteria servizi. Oggi sono tornato in camper ed comeera da immaginarsi la batteria dei servizi aveva un voltaggio basso. E sorpresa anche la batteria motore aveva lo stesso voltaggio. Per cui delle due l'una: o il mio EBL30 non funziona bene oppure la carica della batteria motore non funziona quando il fusibile è staccato. Ho scaricato lo schema elettrico dell'EBL30, non è il mio mestiere, ma da quello che vedo la carica della batteria motore è alimentata dal caricabatterie di quella dei servizi. Fatemi sapere i vostri commenti.

In risposta al messaggio di Lotus76 del 12/11/2021 alle 07:33:27Ciao, ho una centralina Schaudt EBL31 e per quel poco che so togliendo il fusibile da 20A il caricabatteria interno funziona solo per la BM e per ricaricare la BS necessita collegare un CB esterno al Block 8 anche perchè questo permette di utilizzare due CB con diverse curve di ricarica, come spesso succede la BM al PB e la BS al LiFePo4
con le centraline aschaudt normalmente montate sui mezzi tipo hymer, togliendo il fusibile del caricabatterie, il caricabtterie non funziona più. Quindi non caricherà nessuna batteria. se vuoi puoi però inserire un caricabatterieesterno collegandolo agli appositi connettori della centralina. Quello caricherà la batteria servizi. La centralina però ruberà un po' di corrente e la devierà alla batteria motore per tenerla viva. Per esempio se fai un impianto con caricabatterie victron, dc/dc converter vicrtron e shunt victron, tutti collegabili con il bluetooth al telefonino, potrai monitorare quanti ampere manda il caricabatterie 220V, e potrai leggere quanti ne arrivano alla batteria servizi. La differenza sono, se si escludono le perdite di carico, gli ampere che vengono dirottati verso la batteria motore.
In risposta al messaggio di Karbon17 del 12/11/2021 alle 08:22:32Se cosi fosse HymerMac dovrebbe avere che la batteria motore si ricarica anche senza il fusibile.
Ciao, ho una centralina Schaudt EBL31 e per quel poco che so togliendo il fusibile da 20A il caricabatteria interno funziona solo per la BM e per ricaricare la BS necessita collegare un CB esterno al Block 8 anche perchè questo permette di utilizzare due CB con diverse curve di ricarica, come spesso succede la BM al PB e la BS al LiFePo4
In risposta al messaggio di Lotus76 del 12/11/2021 alle 07:33:27Si ma quale CB usa per la BM interno o esterno?
con le centraline aschaudt normalmente montate sui mezzi tipo hymer, togliendo il fusibile del caricabatterie, il caricabtterie non funziona più. Quindi non caricherà nessuna batteria. se vuoi puoi però inserire un caricabatterieesterno collegandolo agli appositi connettori della centralina. Quello caricherà la batteria servizi. La centralina però ruberà un po' di corrente e la devierà alla batteria motore per tenerla viva. Per esempio se fai un impianto con caricabatterie victron, dc/dc converter vicrtron e shunt victron, tutti collegabili con il bluetooth al telefonino, potrai monitorare quanti ampere manda il caricabatterie 220V, e potrai leggere quanti ne arrivano alla batteria servizi. La differenza sono, se si escludono le perdite di carico, gli ampere che vengono dirottati verso la batteria motore.
In risposta al messaggio di HymerMac del 11/11/2021 alle 20:24:50Cari amici grazie per le risposte.
Scusate se torno sull'argomento. Leggendo quanto comunicato da Schaudt ho fatto la seguente prova. Alcuni giorni fa ho staccato il fusibile da 20A per la carica della batteria servizi. Oggi sono tornato in camper ed comeera da immaginarsi la batteria dei servizi aveva un voltaggio basso. E sorpresa anche la batteria motore aveva lo stesso voltaggio. Per cui delle due l'una: o il mio EBL30 non funziona bene oppure la carica della batteria motore non funziona quando il fusibile è staccato. Ho scaricato lo schema elettrico dell'EBL30, non è il mio mestiere, ma da quello che vedo la carica della batteria motore è alimentata dal caricabatterie di quella dei servizi. Fatemi sapere i vostri commenti.

In risposta al messaggio di HymerMac del 13/11/2021 alle 10:01:30" sembra che, quando la 230V è connessa, un relè mette in parallelo la BS con la BM ed in questo modo entrambe vengono caricate dallo stesso CB (quello interno), limitando la corrente di carica della BM tramite un componente elettronico."
Cari amici grazie per le risposte. Leggendo le pagine del forum mi sono ingolosito sul tema della sostituzione della BS AGM con una LiFePO4. Ho letto con grande interesse il contributo di Ezio55, che riportava una rispostadella Schaudt, nella quale si diceva che, di fatto, la carica della batteria motore veniva mantenuta anche nel caso in cui il fusibile da 20A, denominato Internes Lademodul, fosse stato tolto dal pannello frontale. Guardando lo schema elettrico del mio EBL30, dove il fusibile interviene prima della presa del positivo per la carica della BM, ho voluto effettuare un test. Il test è consistito nel: - lasciare connessa la presa esterna 230V; - togliere il connettore del Block 6 regolatore solare per non avere interferenze de alcun genere; - estrarre il fusibile da 20A Internes Lademodul; - aspettare alcuni giorni e verificare la tensione delle batterie. Risultato al termine del test la tensione delle due batterie è uguale. Approfondendo lo schema dell'EBL30 (ed in questo sono d'accordo con MisterX1) sembra che, quando la 230V è connessa, un relè mette in parallelo la BS con la BM ed in questo modo entrambe vengono caricate dallo stesso CB (quello interno), limitando la corrente di carica della BM tramite un componente elettronico. Ai fini dell'utilizzo della batteria LiFePO4 (con il fusibile da 20A staccato e la 230V connessa) il risultato è che aggiungendo un regolatore di carica esterno connesso alla presa frontale dell'EBL30 (Block 7) la BM viene caricata con il voltaggio della LiFePO4; cosa non del tutto desiderabile. Quando invece la 230V non è presente le due batterie sono separate. Parallelo, che poi viene ripristinato, quando il motore è acceso da un altro relè, ma in quel caso la carica della BS LiFePO4 viene gestita dal DC DC converter. Ora, se tutto quanto ho dedotto fosse corretto, volendo garantire ad ogni tipologia di batteria la giusta carica, ci sono una serie di problemi da risolvere.
In risposta al messaggio di MisterX1 del 13/11/2021 alle 14:10:12Secondo me il parallelo è comandato dal relè in alto nello schema attivato dal LAS 1218 uscita A7. Il Pin 6 dello zoccolo 3 dovrebbe essere il led che si illumina in cabina quando la 230V è collegata.
Secondo me da neofita però dico che non parallela con la 230V la BM si carica attraverso uscita 8 dello zoccolo 3 il controllo di rete (numero 6) apre il relè. Diverso il caso alternatore, il D+ attiva un altro relè (oltresi due del frigo) che apre il collegamento BM con il fusibile da 50A per intenderci. Il fusibile da 20A del CB interno toglie corrente sia a BS che a BM. La BM viene caricata da CB esterno, quando collegato, il principio è lo stesso per me poca roba, la tensione è bassa solo 2A come il famoso diodo resistenza.
In risposta al messaggio di ezio55 del 13/11/2021 alle 13:53:47Caro Ezio55 chiedo scusa se ho portato il mio contributo esperienziale nel Forum.
sembra che, quando la 230V è connessa, un relè mette in parallelo la BS con la BM ed in questo modo entrambe vengono caricate dallo stesso CB (quello interno), limitando la corrente di carica della BM tramite un componenteelettronico. Ai fini dell'utilizzo della batteria LiFePO4 (con il fusibile da 20A staccato e la 230V connessa) il risultato è che aggiungendo un regolatore di carica esterno connesso alla presa frontale dell'EBL30 (Block 7) la BM viene caricata con il voltaggio della LiFePO4; cosa non del tutto desiderabile. No, non è cosi, se no non mi spiego la risposta del tecnico che conosce e costruisce le centraline Schaudt, penso conosca bene il funzionamento di quello che produce..., o è un idiota? Il tecnico ha specificato che la BM viene caricata comunque dal CB originale della centralina, cosa centra quello messo esternamente per la LiFePo4? Se non diamo delle notizie certe le persone poi vanno in confusione e non sanno cosa fare..., quindi smettiamola di vedere problemi dove non ce ne sono, ricordo inoltre che sono due anni e mezzo che uso questo sistema. Saluti.
In risposta al messaggio di HymerMac del 13/11/2021 alle 14:31:27Si hai ragione:
Secondo me il parallelo è comandato dal relè in alto nello schema attivato dal LAS 1218 uscita A7. Il Pin 6 dello zoccolo 3 dovrebbe essere il led che si illumina in cabina quando la 230V è collegata.
In risposta al messaggio di HymerMac del 13/11/2021 alle 14:36:27Non devi scusarti di niente..., per cosa?
Caro Ezio55 chiedo scusa se ho portato il mio contributo esperienziale nel Forum. Ti chiedo solo se puoi darmi il contatto con il quale hai comunicato con la Schaudt in modo tale che possa chiedere a lui spiegazioni sul comportamento della mia centralina.
In risposta al messaggio di HymerMac del 13/11/2021 alle 10:01:30Salve a tutti, è tutto molto interessante anch’io sto cercando di capirci qualcosa ma non essendo ferrato in materia vi seguo e cerco di estrapolare più info possibili, porto la mia situazione che è la seguente, ho un impianto con due batt da 100A LFP della NDS con il 3 link per baipassare l’impianto originale e display per gestire il tutto, anche nel mio hymer c’è la centralina schaubt EBL30 che di serie aveva collegato un altro caricabatterie sempre schaudt al blok 7 (e con un positivo anche alla BM credo), nel mio caso quando tolgo il fusibile da 20A, il display mi da la BM che passa da 12,7 a 13,00 (quindi presumo stia leggermente caricando) mentre le LFP stanno a 13,3/2 ma con un assorbimento che passa da 0,00A a -0,4A circa ( devo verificare se dopo un gg si stabilizza su zero).
Cari amici grazie per le risposte. Leggendo le pagine del forum mi sono ingolosito sul tema della sostituzione della BS AGM con una LiFePO4. Ho letto con grande interesse il contributo di Ezio55, che riportava una rispostadella Schaudt, nella quale si diceva che, di fatto, la carica della batteria motore veniva mantenuta anche nel caso in cui il fusibile da 20A, denominato Internes Lademodul, fosse stato tolto dal pannello frontale. Guardando lo schema elettrico del mio EBL30, dove il fusibile interviene prima della presa del positivo per la carica della BM, ho voluto effettuare un test. Il test è consistito nel: - lasciare connessa la presa esterna 230V; - togliere il connettore del Block 6 regolatore solare per non avere interferenze de alcun genere; - estrarre il fusibile da 20A Internes Lademodul; - aspettare alcuni giorni e verificare la tensione delle batterie. Risultato al termine del test la tensione delle due batterie è uguale. Approfondendo lo schema dell'EBL30 (ed in questo sono d'accordo con MisterX1) sembra che, quando la 230V è connessa, un relè mette in parallelo la BS con la BM ed in questo modo entrambe vengono caricate dallo stesso CB (quello interno), limitando la corrente di carica della BM tramite un componente elettronico. Ai fini dell'utilizzo della batteria LiFePO4 (con il fusibile da 20A staccato e la 230V connessa) il risultato è che aggiungendo un regolatore di carica esterno connesso alla presa frontale dell'EBL30 (Block 7) la BM viene caricata con il voltaggio della LiFePO4; cosa non del tutto desiderabile. Quando invece la 230V non è presente le due batterie sono separate. Parallelo, che poi viene ripristinato, quando il motore è acceso da un altro relè, ma in quel caso la carica della BS LiFePO4 viene gestita dal DC DC converter. Ora, se tutto quanto ho dedotto fosse corretto, volendo garantire ad ogni tipologia di batteria la giusta carica, ci sono una serie di problemi da risolvere.
In risposta al messaggio di MisterX1 del 13/11/2021 alle 15:11:22Ho scritto alla Schaudt. Appena mi rispondono ti faccio sapere.
Si hai ragione: Nel mio caso il 24. Si vede che il CB esterno se attivo e tolto il fusibile del CB interno la rete attiva il relè allo stesso modo ma la corrente che arriva alla BM è del CB esterno. Ora non so se le centralinesiano differenti o altro ma la mia non è assolutamente una contestazione ma solo un discutere. Hymermac se contatti la Schaudt se mi / ci aggiorni. grazie