CamperOnLine
  • Camper
    • Camper usati
    • Camper nuovi
    • Produttori
    • Listino
    • Cataloghi
    • Concessionari e rete vendita
    • Noleggio
    • Van
    • Caravan
    • Fiere
    • Rimessaggi
    • Le prove di CamperOnLine
    • Provati da voi
    • Primo acquisto
    • Area professionisti
  • Accessori
    • Accessori e Prodotti
    • Camping Sport Magenta accessori
    • Produttori
    • Antenne TV
    • Ammortizzatori
    • GPS
    • Pneumatici
    • Rimorchi
    • Provati da Voi
    • Fai da te
  • Viaggi
    • Diari di viaggi in camper
    • Eventi
    • Foto
    • Check list
    • Traghetti
    • Trasporti
  • Sosta
    • Cerca Strutture
    • Sosta
    • Aree sosta camper
    • Campeggi
    • Agriturismi con sosta camper
    • App Camperonline App
    • 10 Consigli utili per la sosta
    • Area strutture
  • Forum
    • Tutti i Forum
    • Sosta
    • Gruppi
    • Compagni
    • Italia
    • Estero
    • Marchi
    • Meccanica
    • Cellula
    • Accessori
    • Eventi
    • Leggi
    • Comportamenti
    • Disabili
    • In camper per
    • Altro Camper
    • Altro
    • Extra
    • FAQ
    • Regolamento
    • Attivi
    • Preferiti
    • Cerca
  • Community
    • COL
    • CamperOnFest
    • Convenzioni Convenzioni
    • Amici
    • Furti
    • Informativa Privacy
    • Lavoro
  • COL
    • News
    • Newsletter
    • Pubblicità
    • Contatto
    • Ora
    • RSS RSS
    • Video
    • Facebook
    • Instagram
  • Magazine
  • Italiano
    • Bienvenue
    • Welcome
    • Willkommen
  • Accedi
CamperOnLine
Camping Sport Magenta
  1. Forum
  2. Tecnica
  3. Accessori
Galleria

Inverter - carico nullo/standby

Rispondi
Cerca
Berger Camping
SostaGruppiCompagniItaliaEsteroMarchiMeccanicaCellulaAccessoriEventiLeggiComportamentiDisabiliIn camper perAltro CamperAltroExtra Attivi
2 20 81
10
rubylove
rubylove
rating

09/06/2015 5676
Rispondi Abuso
Inserito il 18/02/2022 alle: 21:27:04
In risposta al messaggio di Emme48 del 18/02/2022 alle 18:30:23

La tua ultima teoria non funziona in caso di doppio guasto. Se l'inverter non alimenta esclusivamente utenze a doppio isolamento (senza il terzo conduttore di terra) la normativa obbliga a mettere il differenziale, ma predisponendo l'inverter come da istruzioni allegate. Se le istruzioni non dicono nulla (inverter cinesissimo) si deve fare così:   Marco.
Non é una mia teoria, non funziona se non si fa cosi

Si é vero, le normative prevedono diversamente

Rimane che per far intervenire il differenziale devi collegare una delle due uscite dell'inverter sulla carrozzeria insieme alla terra del camper (le terre delle prese)
un'azione del tutto inutile ai fini della sicurezza sul camper a mio parere
tu lo hai fatto?
cioé hai usato una delle due uscite dell'inverter come neutro che hai collegato al telaio insieme alle terre dello stesso?
io no e non lo farò anche perche ho solo un asciugacapelli a doppio isolamento e qualche caricabatterie tutto privo di terra 
Se dovessi usare un elettrodomestico con presa di terra e sto sul camper lo uso senza timori perché non ci sono rischi maggiori che avere la terra virtuale sul camper 
 
l'analogico non è il vecchio e il digitale il nuovo, no, non è così! Il digitale è solo un modo per rappresentare l'analogico, la natura, è analogica
10
rubylove
rubylove
rating

09/06/2015 5676
Rispondi Abuso
Inserito il 18/02/2022 alle: 21:43:27
In risposta al messaggio di Szopen del 18/02/2022 alle 19:45:32

Un inverter serio, installato come si deve, con un differenziale puro e il neutro portato al telaio del camper, interviene e non solo, interviene anche in caso di guasto del relè salvaguardando l'inverter se acceso nel momento
in cui ci si collega  alla rete esterna.  Il relè subito a valle del differenziale e del magnetotermico non escluderebbe la possibilità di utilizzare all'occorrenza anche un frigo trivalente a 230V, dato che sono sempre più quelli che stanno passando a batterie al litio, potrebbe tornare loro utile in certi momenti ma, per fare questo andrebbe assicurata la sola esclusione del CB. E lascia stare YouTube e la perpetua del parrocchiano.  Ciro.
...
Scusa ma non ho capito molto
ll differenziale puro protegge dalle correnti di guasto  verso terra, la protezione dell'inverter in uscita per il corto circuito la puoi ottenere con un interruttore automatico con curva adatta alle correnti impulsive, credo A o AC 
ma credo che piu che i'inverter che normalmente é protetto elettronicamente, occorra proteggere la linea 
l'analogico non è il vecchio e il digitale il nuovo, no, non è così! Il digitale è solo un modo per rappresentare l'analogico, la natura, è analogica
6
Szopen
Szopen
rating

06/09/2019 6019
Rispondi Abuso
Inserito il 18/02/2022 alle: 23:17:27
In risposta al messaggio di rubylove del 18/02/2022 alle 21:43:27

Scusa ma non ho capito molto ll differenziale puro protegge dalle correnti di guasto  verso terra, la protezione dell'inverter in uscita per il corto circuito la puoi ottenere con un interruttore automatico con curva adatta
alle correnti impulsive, credo A o AC  ma credo che piu che i'inverter che normalmente é protetto elettronicamente, occorra proteggere la linea 
...
Scusami tu, mi spiego meglio:
L'inverter è acceso, collego il camper alla rete esterna, avendo montato un relè diciamo difettoso, che non funziona a dovere, le correnti s'incrociano, cosa accade all'inverter in questo caso?

Ciro.
nomade analogico e fanciulla all'imbrunire. Non ho nulla da vendere nè consigli da dare, solo qualche piccolo suggerimento da prendere con le pinze, possibilmente, amperometriche. Buoni Km a tutti e......... rammentate sempre che....... TESTAR NON NUOCE!

Modificato da Szopen il 18/02/2022 alle 23:20:29
10
rubylove
rubylove
rating

09/06/2015 5676
Rispondi Abuso
Inserito il 19/02/2022 alle: 00:29:33
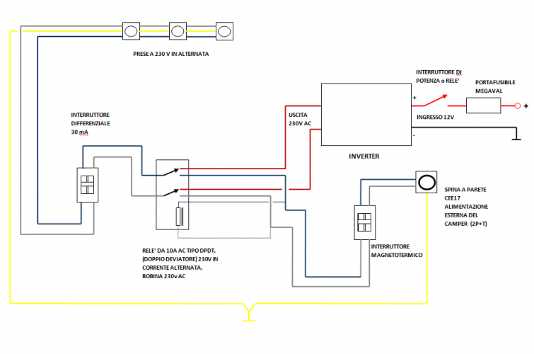
Se il rele è difettoso non succede nulla perchè non potrà mai arrivare corrente all'uscita dell'inverter

Con il rele a riposo l'inverter è collegato, con il rele attivato (alimentazione esterna inserita) l'inverter è scollegato, la peggiore delle ipotesi è che il rele non commuti, se non commuta rimane collegata l'uscita dell'inverter alle prese, se invece rimane incollato, non può rimanere incollato da ambo le parti

questo è il collegamento di principio



2(6).PNG


 
l'analogico non è il vecchio e il digitale il nuovo, no, non è così! Il digitale è solo un modo per rappresentare l'analogico, la natura, è analogica

Modificato da rubylove il 19/02/2022 alle 00:31:01
Natale 2025 in centro Italia
Natale 2025 in centro Italia
Asturia, Cantabria e Paesi Baschi in cam
Asturia, Cantabria e Paesi Baschi in cam
Sala Silvergruva, la miniera d'argento
Sala Silvergruva, la miniera d'argento
Folgaria d’inverno in camper
Folgaria d’inverno in camper
Francia 2025
Francia 2025
Previous Next
6
Szopen
Szopen
rating

06/09/2019 6019
Rispondi Abuso
Inserito il 19/02/2022 alle: 01:35:36
In risposta al messaggio di rubylove del 19/02/2022 alle 00:29:33

Se il rele è difettoso non succede nulla perchè non potrà mai arrivare corrente all'uscita dell'inverter Con il rele a riposo l'inverter è collegato, con il rele attivato (alimentazione esterna inserita) l'inverter è
scollegato, la peggiore delle ipotesi è che il rele non commuti, se non commuta rimane collegata l'uscita dell'inverter alle prese, se invece rimane incollato, non può rimanere incollato da ambo le parti questo è il collegamento di principio  
...
Ok, io ho fatto più o meno cosi, con deviatore bipolare al posto del relè ma ho aggiunto un interruttore bipolare a monte del Trasformatore/Caricabatterie Campoli in modo da poter utilizzare anche il frigo.

2(6)(2).PNG

Ciro.
nomade analogico e fanciulla all'imbrunire. Non ho nulla da vendere nè consigli da dare, solo qualche piccolo suggerimento da prendere con le pinze, possibilmente, amperometriche. Buoni Km a tutti e......... rammentate sempre che....... TESTAR NON NUOCE!

Modificato da Szopen il 19/02/2022 alle 01:54:52
10
rubylove
rubylove
rating

09/06/2015 5676
Rispondi Abuso
Inserito il 19/02/2022 alle: 08:40:01
in quel modo hai messo il differenziale solo sull'inverter'?  o hai un'altro differenziale anche sulla linea esterna a 230V da rete elettrica?


 
l'analogico non è il vecchio e il digitale il nuovo, no, non è così! Il digitale è solo un modo per rappresentare l'analogico, la natura, è analogica
20
Emme48
Emme48
rating

13/01/2006 24545
Rispondi Abuso
Inserito il 19/02/2022 alle: 09:04:23
In risposta al messaggio di rubylove del 18/02/2022 alle 21:27:04

Non é una mia teoria, non funziona se non si fa cosi Si é vero, le normative prevedono diversamente Rimane che per far intervenire il differenziale devi collegare una delle due uscite dell'inverter sulla carrozzeria insieme
alla terra del camper (le terre delle prese) un'azione del tutto inutile ai fini della sicurezza sul camper a mio parere tu lo hai fatto? cioé hai usato una delle due uscite dell'inverter come neutro che hai collegato al telaio insieme alle terre dello stesso? io no e non lo farò anche perche ho solo un asciugacapelli a doppio isolamento e qualche caricabatterie tutto privo di terra  Se dovessi usare un elettrodomestico con presa di terra e sto sul camper lo uso senza timori perché non ci sono rischi maggiori che avere la terra virtuale sul camper   
...
Io ho solo utenze e prese in doppio isolamento, incapaci di ospitare spine con terra di qualsiasi tipo.

Che fare il collegamento elettrico corretto, obbligatorio da normativa, sia inutile è una teoria che non condivido.

Marco.
Marco

http://www.m48.it

10
rubylove
rubylove
rating

09/06/2015 5676
Rispondi Abuso
Inserito il 19/02/2022 alle: 10:45:25
In risposta al messaggio di Emme48 del 19/02/2022 alle 09:04:23

Io ho solo utenze e prese in doppio isolamento, incapaci di ospitare spine con terra di qualsiasi tipo. Che fare il collegamento elettrico corretto, obbligatorio da normativa, sia inutile è una teoria che non condivido. Marco.
Non si può essere sempre d'accordo su tutto,
l'analogico non è il vecchio e il digitale il nuovo, no, non è così! Il digitale è solo un modo per rappresentare l'analogico, la natura, è analogica
5
SalvyOnL
SalvyOnL
10/01/2021 40
Rispondi Abuso
Inserito il 19/02/2022 alle: 10:59:48
Buongiorno a tutti, scusate approfitto della densità di esperti di elettricita' per una domanda : la 220v in entrata dalla colonnina, ha una polarità obbligata ? Propenderei per il NO, ma le guide sugli attacchi dei cavi che impongono un verso obbligato mi fanno venire il dubbio.
Dovendo collegare la 220 in uscita dall'inverter all'impianto del camper (a monte del differenziale già presente sulla linea 220 esistente) mi chiedevo se dovessi individuare la polarità corretta in uscita dall'inverter o fosse indifferente.
Spero di essermi spiegato.
Grazie in anticipo. 
Salvo
6
Szopen
Szopen
rating

06/09/2019 6019
Rispondi Abuso
Inserito il 19/02/2022 alle: 12:06:16
In risposta al messaggio di rubylove del 19/02/2022 alle 08:40:01

in quel modo hai messo il differenziale solo sull'inverter'?  o hai un'altro differenziale anche sulla linea esterna a 230V da rete elettrica?  
Ovviamente c'è il differenziale magnetotermico originale, come "quasi" tutti i camper.

tempImagexihWlY.jpg


Ho solo messo un ABB F427800 - F202 - Interruttore Differenziale Puro 2P 25A 30mA 
ed una presa Schuko ABB M1170 in uscita dall'inverter

tempImage6bOjZL.jpg


un' Interruttore Bipolare sull'alimentazione dell'Alimentatore/Trasformatore Campoli 

tempImageE4uDW8.jpg
tempImageoY8S2f.jpg

Per non alimentarlo quando l'inverter è acceso, come spesso accade in molte installazioni fai da te,
nella foto sopra, scattata in fase di Test, di fatto, il differenziale del camper e staccato.

Infine ho messo un Deviatore Bipolare (sostituibile con un relè, al centro nella foto sotto), preferendo uno scambio manuale

IMG_0616(1).jpeg

Quello a destra invece, è un semplice interruttore collegato ai morsetti comando remoto sull'inverter, ho preferito questo collegamento poichè uso molto l'inverter altrimenti si potrebbe utilizzare anche per alimentare la bobina di un relè come questo

shopping(5).png


in modo da staccare completamente l'inverter dalla batteria, evitando anche il consumo a vuoto dei circa 6 watt dello stesso.

Ciro.



 
nomade analogico e fanciulla all'imbrunire. Non ho nulla da vendere nè consigli da dare, solo qualche piccolo suggerimento da prendere con le pinze, possibilmente, amperometriche. Buoni Km a tutti e......... rammentate sempre che....... TESTAR NON NUOCE!

Modificato da Szopen il 19/02/2022 alle 12:26:37
10
rubylove
rubylove
rating

09/06/2015 5676
Rispondi Abuso
Inserito il 19/02/2022 alle: 12:47:49
Capito, avevi gia il differenziale di serie quindi per l'inverter avresti dovuto rifare l'impianto
Io l'ho fatto da zero 
l'analogico non è il vecchio e il digitale il nuovo, no, non è così! Il digitale è solo un modo per rappresentare l'analogico, la natura, è analogica
10
rubylove
rubylove
rating

09/06/2015 5676
Rispondi Abuso
Inserito il 19/02/2022 alle: 14:01:01
In risposta al messaggio di SalvyOnL del 19/02/2022 alle 10:59:48

Buongiorno a tutti, scusate approfitto della densità di esperti di elettricita' per una domanda : la 220v in entrata dalla colonnina, ha una polarità obbligata ? Propenderei per il NO, ma le guide sugli attacchi dei cavi
che impongono un verso obbligato mi fanno venire il dubbio. Dovendo collegare la 220 in uscita dall'inverter all'impianto del camper (a monte del differenziale già presente sulla linea 220 esistente) mi chiedevo se dovessi individuare la polarità corretta in uscita dall'inverter o fosse indifferente. Spero di essermi spiegato. Grazie in anticipo. 
...
Ciao, si le polaritá vanno rispettate, sulle spine CEE17 (16A bipolare blu) sono marcate con N per neutro, L per fase e il simbolo della terra per la terra

Generalmente non succede nulla ma ad esempio proprio nel caso che si colleghi uno dei poli dell'uscita dell'inverter alla terra dell'impianto elettrico del camper per far funzionare un differenziale, la fase del cavo entrante dalla rete se invertita sul cavo... se ne puo andare direttamente  sull'impianto di terra del furgone..
Uno dei motivi per cui non metto a terra una fase dell'inverter per far intetervenire il differenziale
questo ne é l'esempio

In ogni caso farei attenzione a questo tipo di collegamento, anche perche gli inverter il piu delle volte hanno prese in uscita non polarizzate 


 
l'analogico non è il vecchio e il digitale il nuovo, no, non è così! Il digitale è solo un modo per rappresentare l'analogico, la natura, è analogica
5
SalvyOnL
SalvyOnL
10/01/2021 40
Rispondi Abuso
Inserito il 19/02/2022 alle: 14:16:55
In risposta al messaggio di rubylove del 19/02/2022 alle 14:01:01

Ciao, si le polaritá vanno rispettate, sulle spine CEE17 (16A bipolare blu) sono marcate con N per neutro, L per fase e il simbolo della terra per la terra Generalmente non succede nulla ma ad esempio proprio nel caso che
si colleghi uno dei poli dell'uscita dell'inverter alla terra dell'impianto elettrico del camper per far funzionare un differenziale, la fase del cavo entrante dalla rete se invertita sul cavo... se ne puo andare direttamente  sull'impianto di terra del furgone.. Uno dei motivi per cui non metto a terra una fase dell'inverter per far intetervenire il differenziale questo ne é l'esempio In ogni caso farei attenzione a questo tipo di collegamento, anche perche gli inverter il piu delle volte hanno prese in uscita non polarizzate   
...
Ciao, sono alle prime armi, ma da quello che ho studiato,  condivido l'inutilità di collegare un differenziale all'inverte se si utilizzano le utenze sul camper (non può esserci rischio di scarico a terra). Quello che non capisco sono due cose :
1)  sul mio inverted (NDS 1000) come riconosco la polarità 2) perchè le utenze 220 sul camper (frigo, caricabatterie, trasformatore) hanno necessità di una polarità precisa ? la corrente non è alternata ...? surprise
Salvo
20
Emme48
Emme48
rating

13/01/2006 24545
Rispondi Abuso
Inserito il 19/02/2022 alle: 15:04:49
In risposta al messaggio di SalvyOnL del 19/02/2022 alle 14:16:55

Ciao, sono alle prime armi, ma da quello che ho studiato,  condivido l'inutilità di collegare un differenziale all'inverte se si utilizzano le utenze sul camper (non può esserci rischio di scarico a terra). Quello che
non capisco sono due cose : 1)  sul mio inverted (NDS 1000) come riconosco la polarità 2) perchè le utenze 220 sul camper (frigo, caricabatterie, trasformatore) hanno necessità di una polarità precisa ? la corrente non è alternata ...? 
...
La normativa non è facoltativa.

Che con un inverter sia inutile mettere un differenziale è una convinzione religiosa che non trova appiglio ne nell'elettrotecnica ne nella normativa.

Vorrei anche ricordare a tutti coloro che hanno messo semplicemente un inverter in uscita al differenziale, che il tastino TEST serve a provare il componente e non a verificare se l'impianto è fatto in modo che il differenziale possa realmente intervenire.

Evitate di fare impianti illegali.
Evitate di consigliare agli altri di fare impianti illegali.

Gli inverter di qualità riportano scritto in maniera chiarissima come si deve fare a collegare un differenziale in uscita e di solito il collegamento tra il telaio del camper e uno dei due fili di uscita del 230 prodoto dall'inverter è realizzato con uno switch o un ponticello direttamente sull'apparecchio.

Se invece vi piacciono i cinesoni da 99,99 euro allora l'impianto a regola d'arte va fatto manualmente.

Ecco la pagina di un inverter di qualità che racconta cosa sono le leggi dell'elettrotecnica e le normative:
inv.png
Lo vedetelo switch 3 indicato nelle istruzioni?
Se viene impostato come IT si deve collegare UNA SOLA UTENZA direttamente all'inverter.
Configurato come TN invece è possibile collegarlo ad un impianto di distribuzione ma è obbligatorio installare un differenziale a valle.

Un impianto di distribuzione senza differenziale chi l'ha inventata?

Ragazzi, non scherzate con la corrente se non conoscete molto bene la materia, un'infarinatura leggera e un po' di leggende metropolitane non sono in grado di far fare un impianto sicuro e a norma... il 230 uccide.

Marco.
Marco

http://www.m48.it


Modificato da Emme48 il 19/02/2022 alle 15:08:25
10
rubylove
rubylove
rating

09/06/2015 5676
Rispondi Abuso
Inserito il 19/02/2022 alle: 21:10:25
In risposta al messaggio di Emme48 del 19/02/2022 alle 15:04:49

La normativa non è facoltativa. Che con un inverter sia inutile mettere un differenziale è una convinzione religiosa che non trova appiglio ne nell'elettrotecnica ne nella normativa. Vorrei anche ricordare a tutti coloro
che hanno messo semplicemente un inverter in uscita al differenziale, che il tastino TEST serve a provare il componente e non a verificare se l'impianto è fatto in modo che il differenziale possa realmente intervenire. Evitate di fare impianti illegali. Evitate di consigliare agli altri di fare impianti illegali. Gli inverter di qualità riportano scritto in maniera chiarissima come si deve fare a collegare un differenziale in uscita e di solito il collegamento tra il telaio del camper e uno dei due fili di uscita del 230 prodoto dall'inverter è realizzato con uno switch o un ponticello direttamente sull'apparecchio. Se invece vi piacciono i cinesoni da 99,99 euro allora l'impianto a regola d'arte va fatto manualmente. Ecco la pagina di un inverter di qualità che racconta cosa sono le leggi dell'elettrotecnica e le normative: Lo vedetelo switch 3 indicato nelle istruzioni? Se viene impostato come IT si deve collegare UNA SOLA UTENZA direttamente all'inverter. Configurato come TN invece è possibile collegarlo ad un impianto di distribuzione ma è obbligatorio installare un differenziale a valle. Un impianto di distribuzione senza differenziale chi l'ha inventata? Ragazzi, non scherzate con la corrente se non conoscete molto bene la materia, un'infarinatura leggera e un po' di leggende metropolitane non sono in grado di far fare un impianto sicuro e a norma... il 230 uccide. Marco.
...
Tu sai almeno come me quanto l'argomento differenziale su inverter che lavora su un autoveicolo completamente scollegato dalla rete elettrica di terra, sia dibattuto
Ci sono varie filosofie di pensiero in proposito e io sposo quella dell'assenza dello stesso, quella del differenziale con terra virtuale é tutta da dimostrare che sia migliore di quella dell'assenza dello stesso

Quindi tu sposi quella che ti mette al sicuro perché normata mentre io ho deciso di fare diversamente

Non collego la massa del mezzo ad una fase dell' inverter perche non voglio creare una terra che non esiste in un ambiente che é per antonomasia completamente isolato

Se poi infilo due dita nella presa non c'é differenziale che tenga

Comprendo che non tutti possono prendere decisioni di questo tipo se non in modo consapevole, quindi invito chi non ha competenze a seguire le normative, ammesso che esistano per questa applicazione specifica, io non le ho viste

Per il resto faccio finta di non aver capito quello che hai scritto



 
l'analogico non è il vecchio e il digitale il nuovo, no, non è così! Il digitale è solo un modo per rappresentare l'analogico, la natura, è analogica
16
Apollo 13
Apollo 13
09/07/2009 3103
Rispondi Abuso
Inserito il 19/02/2022 alle: 21:40:56
Pensavo che in impianto elettrico fosse un problema tecnico, non filosofico.
Lo stolto non sa tacere
10
rubylove
rubylove
rating

09/06/2015 5676
Rispondi Abuso
Inserito il 19/02/2022 alle: 21:47:40
In risposta al messaggio di Apollo 13 del 19/02/2022 alle 21:40:56

Pensavo che in impianto elettrico fosse un problema tecnico, non filosofico.

Chi pensa che la filosofia non centri con la fisica non  ha capito molto di questa materia e si dovrebbe chiedere perche i grandi filosofi erano anche grandi scienziati 
per questo una eccessiva rigiditá la svilisce a mio parere 
 
l'analogico non è il vecchio e il digitale il nuovo, no, non è così! Il digitale è solo un modo per rappresentare l'analogico, la natura, è analogica
20
Emme48
Emme48
rating

13/01/2006 24545
Rispondi Abuso
Inserito il 20/02/2022 alle: 09:39:39
Sulla corrente valgono solo le leggi dell'elettrotecnica dalle quali deriva la normativa 64/8.
Chi crede cha il 230 Volt sia un balocco al servizio delle proprie convinzioni, è bene che giochi con qualcos'altro.

La materia è complessa, se avete dubbi affidatevi ad un professionista serio,
La normativa aiuta a fare la cosa giusta perchè è stata redatta o recepita dalla normativa UE, dal Comitato Elettrotecnico Italiano (CEI) che è composto da ottimi ingegneri elettronici ed elettrotecnici.

Altre discipline (chimica, filosofia, chirurgia, religione, archeologia, odontotecnica...) non hanno nulla da dire su questa materia ed è bene che non sconfinino in un mondo che non conoscono dove la loro opinione non è professionale.

Marco.
Marco

http://www.m48.it

16
Apollo 13
Apollo 13
09/07/2009 3103
Rispondi Abuso
Inserito il 20/02/2022 alle: 10:41:47
Così oggi scopro, senza alcuna sorpresa, che i grandi filosofi non si occupano di elettrotecnica.
Lo stolto non sa tacere
10
rubylove
rubylove
rating

09/06/2015 5676
Rispondi Abuso
Inserito il 20/02/2022 alle: 11:27:56
Affidatevi a quelli bravi, ho conosciuto decine di "cosi detti" professionisti che non capivano una emerita s. e l'unica cosa che sapevano fare bene era mettersi in cattedra e dispensare perle di saggezza, supponenza  e pretendere di avere sempre ragione invece che scendere dal piedistallo

Per fortuna ne ho conosciuti anche di bravi, quindi professionista non è sempre sinonimo di competente (purtroppo)

Ho conosciuto anche tanti dilettanti che sono molto più competenti di certi professionisti, quasi tutti i giorni qui ci si lamenta di lavori fatti male da presunti professionisti, elettrauto, installatori, allestitori, mecccanici ecc. ecc.

Giusto per essere chiari, io mi sento un dilettante nel contesto di un camper perchè non sarebbe il mio lavoro  ma sono un professionista per il mio lavoro, visto che ho progettato gli impianti luci di scena per decine di teatri e studi televisivi italiani ed esteri, iniziando nel 1974 con i primi sistemi di controllo analogici, passando per la prima rete ethernet asservita al controllo luci installata in Italia (Teatro Giovanni da Udine 1993) per finire al nuovo palacongressi di Rimini (progetto impianto luci e integrazione audio video per 14 sale da 200 a 6000 posti)

Un teatro di sicuro mi riesce meglio di un camper!  laugh
Non posso lamentarmi di come è venuto il mio, ho fatto tanti errori che sono stati corretti strada facendo, per mia fortuna non sono infallibile come certi che scrivono qui












 
l'analogico non è il vecchio e il digitale il nuovo, no, non è così! Il digitale è solo un modo per rappresentare l'analogico, la natura, è analogica
SostaGruppiCompagniItaliaEsteroMarchiMeccanicaCellulaAccessoriEventiLeggiComportamentiDisabiliIn camper perAltro CamperAltroExtra Attivi
Argomenti recenti dal forum
Accessori
Garmin BaseCamp: meglio traccia o percorso?
Buongiorno ai Colleghi Camperisti. Sto iniziando a usare Garmin BaseCamp per pianificare i...
robysun1
38 minuti fa
Compagni di viaggio
Francia, Spagna e Portogallo. Compagnia cercasi.
Salve a tutti, sono Enzo, dopo le festività Pasquali vorrei organizzare un viaggio tra Fra...
Estro4
Ieri alle: 23:18
Accessori
Sostituire miscelatore lavandino bagno.
Buonasera a tutti, devo sostituire il miscelatore monocomando del lavandino del mio Burstn...
leo466
Ieri alle: 21:46
Cellula abitativa
Alimentatore RIMOR NG 4 dove sei ?
Buongiorno a tutti, scrivo per conto di un amico camperista. Pochi giorni fa ho controllat...
Franco666
Ieri alle: 19:34
Viaggi in Italia
Consigli Cantina Friuli + Trieste?
Ciao, vorrei affrontare coi miei amici un weekend dove fare un giro cantine in Veneto/friu...
Mandrake90
Ieri alle: 18:32
Accessori
Possessori antenna mobilsat !
Chiedo se qualcuno che utilizza ancora la mobilsat possa inviarmi foto dei dati del satell...
pierct
Ieri alle: 17:26
Marchi
Adria Twin supr 640 SGX - problema di un neofita
Buongiorno a tutti, scusate per l'argomento, forse di facilissima soluzione per chi conos...
GR23
Ieri alle: 16:28
Cellula abitativa
Come misurare SOH su Zenith ZL12085
Ciao a tutti, per verificare lo stato delle mie batterie , normalmente utilizzo un apparec...
Santopietro62
Ieri alle: 16:13
Viaggi all'estero
viaggio in francia vicino a parigi
ciao! stiamo pianificando un viaggio in francia e sul rientro vorremmo fare una breve tapp...
spqrspqr
Ieri alle: 12:37
Cellula abitativa
Comparazione offerte mezzi da camperizzare
Buongiorno camper lovers, perdonatemi se non è la sezione del forum corretta, in tal caso ...
davidehippie...
Ieri alle: 10:12
Accessori
Fissaggio tubo
Buongiorno a tutti, dovrei fissare un tubo di diametro 20mm al fondo del Ducato nella part...
Karbon17
Ieri alle: 08:14
Altro sui camper
Camperisti d'assalto
Ci siamo...vacanze Pasquali all' orizzonte. Ed eccoci qui pronti a scaldare i nostri bolid...
davide67
Ieri alle: 06:33
167k Facebook
343k Instagram
42,6k TikTok
73,3k Youtube
CamperOnLine - Copyright © 1998-2026 - P.Iva 06953990014
Informativa privacy
Loading...

Accedi

Recupera Password
Nuovo utente

Vuoi eliminare il messaggio?

Sottoscrizione

Anteprima

PREFERENZA

Il messaggio è in fase di inserimento.

loading

CamperOnLine

Buongiorno gentile utente,

da oltre 20 anni Camperonline offre gratuitamente tutti i suoi servizi
grazie agli inserzionisti che ci hanno dato la loro fiducia, permettici di continuare il nostro lavoro disattivando il blocco delle pubblicità.

Grazie della collaborazione.

Azione eseguita con successo

Azione Fallita

Condividi

Condividi questa pagina con:

O copia il link