CamperOnLine
  • Camper
    • Camper usati
    • Camper nuovi
    • Produttori
    • Listino
    • Cataloghi
    • Concessionari e rete vendita
    • Noleggio
    • Van
    • Caravan
    • Fiere
    • Rimessaggi
    • Le prove di CamperOnLine
    • Provati da voi
    • Primo acquisto
    • Area professionisti
  • Accessori
    • Accessori e Prodotti
    • Camping Sport Magenta accessori
    • Produttori
    • Antenne TV
    • Ammortizzatori
    • GPS
    • Pneumatici
    • Rimorchi
    • Provati da Voi
    • Fai da te
  • Viaggi
    • Diari di viaggi in camper
    • Eventi
    • Foto
    • Check list
    • Traghetti
    • Trasporti
  • Sosta
    • Cerca Strutture
    • Sosta
    • Aree sosta camper
    • Campeggi
    • Agriturismi con sosta camper
    • App Camperonline App
    • 10 Consigli utili per la sosta
    • Area strutture
  • Forum
    • Tutti i Forum
    • Sosta
    • Gruppi
    • Compagni
    • Italia
    • Estero
    • Marchi
    • Meccanica
    • Cellula
    • Accessori
    • Eventi
    • Leggi
    • Comportamenti
    • Disabili
    • In camper per
    • Altro Camper
    • Altro
    • Extra
    • FAQ
    • Regolamento
    • Attivi
    • Preferiti
    • Cerca
  • Community
    • COL
    • CamperOnFest
    • Convenzioni Convenzioni
    • Amici
    • Furti
    • Informativa Privacy
    • Lavoro
  • COL
    • News
    • Newsletter
    • Pubblicità
    • Contatto
    • Ora
    • RSS RSS
    • Video
    • Facebook
    • Instagram
  • Magazine
  • Italiano
    • Bienvenue
    • Welcome
    • Willkommen
  • Accedi
CamperOnLine
Camping Sport Magenta
  1. Forum
  2. Tecnica
  3. Accessori
Galleria

Lifepo4

Rispondi
Cerca
Berger Camping
SostaGruppiCompagniItaliaEsteroMarchiMeccanicaCellulaAccessoriEventiLeggiComportamentiDisabiliIn camper perAltro CamperAltroExtra Attivi
12 20 389
10
Blessyou
Blessyou
28/10/2015 5016
Rispondi Abuso
Inserito il 10/10/2019 alle: 14:10:08
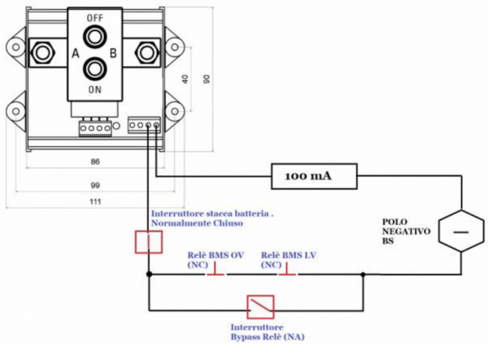
Il BMS gestisce il segnale di carico/scarico da trasmettere ad un relè fisico collegato all’impianto –

qui

trovate l’ultima versione del manuale del BMS ...

Esempio connessione Philippi alla scheda OUT del BMS (impianto ideato da @Topolone di COL) :
 immagine(1941).png 
riepilogo schema:
immagine(1942).png

Avendo installato e configurato l’ultima versione del BMS in “Critical Mode”, NON devo intervenire sull’interruttore ByPass Relè wink
Ciao a tücc

___________________________________

vâr pussée la tòlla de l'òr

11
MisterX1
MisterX1
09/04/2014 1329
Rispondi Abuso
Inserito il 10/10/2019 alle: 14:22:29
immagine(1943).png
Questo lo stralcio!
Ma dovrebbe essere una delle opzioni non ho letto ancora le altre ma sono sicuro che qualcosa ci sia.
 
Keep ca(L)m..per

Modificato da MisterX1 il 10/10/2019 alle 14:24:08
10
Blessyou
Blessyou
28/10/2015 5016
Rispondi Abuso
Inserito il 10/10/2019 alle: 14:36:10
In risposta al messaggio di MisterX1 del 10/10/2019 alle 14:22:29

Questo lo stralcio! Ma dovrebbe essere una delle opzioni non ho letto ancora le altre ma sono sicuro che qualcosa ci sia.  
Loro raccomandano il Normal Mode:
immagine(1944).png 
Ma dopo i vari test/and so on … ho preferito il Critical Mode:
immagine(1945).png

A discrezione dell’Utente finale la scelta wink
Ciao a tücc

___________________________________

vâr pussée la tòlla de l'òr

11
MisterX1
MisterX1
09/04/2014 1329
Rispondi Abuso
Inserito il 10/10/2019 alle: 14:41:05
Ok si può fare anche senza, ma si è un tantino più sicuri con il critical.
Stavo per postare lo stesso tuo stralcio dell'algoritmo stavo finendo di leggere sempre cose interessanti si imparano.
Grazie Cesare gentile e disponibile come sempre ho preferito scrivrere sul thread e non in privato a beneficio dei neofiti come me.
Salutoni
Keep ca(L)m..per

Modificato da MisterX1 il 10/10/2019 alle 14:43:17
Natale 2025 in centro Italia
Natale 2025 in centro Italia
Asturia, Cantabria e Paesi Baschi in cam
Asturia, Cantabria e Paesi Baschi in cam
Sala Silvergruva, la miniera d'argento
Sala Silvergruva, la miniera d'argento
Folgaria d’inverno in camper
Folgaria d’inverno in camper
Francia 2025
Francia 2025
Previous Next
10
Blessyou
Blessyou
28/10/2015 5016
Rispondi Abuso
Inserito il 10/10/2019 alle: 14:43:59
In risposta al messaggio di MisterX1 del 10/10/2019 alle 14:41:05

Ok si può fare anche senza, ma si è un tantino più sicuri con il critical. Stavo per postare lo stesso tuo stralcio dell'algoritmo stavo finendo di leggere sempre cose interessanti si imparano. Grazie Cesare gentile e disponibile come sempre ho preferito scrivrere sul thread e non in privato a beneficio dei neofiti come me. Salutoni
yes

Sono anch’io un neofita … che ha appreso il tutto strada facendo wink
Ciao a tücc

___________________________________

vâr pussée la tòlla de l'òr

11
MisterX1
MisterX1
09/04/2014 1329
Rispondi Abuso
Inserito il 10/10/2019 alle: 14:48:28
In risposta al messaggio di Blessyou del 10/10/2019 alle 14:43:59

Sono anch’io un neofita … che ha appreso il tutto strada facendo
E io abuserò dell'esperienze e conoscenze altrui!wink
Comunque mi pare che i prezzi delle celle litio gialle siano ancora aumentati.
Ma i prezzi non dovevano scendere?
Sono al bivio con le BS e sono un pò indeciso se sperimentare o meno.
Saluti
Keep ca(L)m..per
10
Blessyou
Blessyou
28/10/2015 5016
Rispondi Abuso
Inserito il 10/10/2019 alle: 14:58:25
In risposta al messaggio di MisterX1 del 10/10/2019 alle 14:48:28

E io abuserò dell'esperienze e conoscenze altrui! Comunque mi pare che i prezzi delle celle litio gialle siano ancora aumentati. Ma i prezzi non dovevano scendere? Sono al bivio con le BS e sono un pò indeciso se sperimentare o meno. Saluti
Porca vacca … ho visto cool
 
Scenderanno quando saranno “superate” da altre teNNologie, almeno credo ...
 
È una scelta personale … le mie in sintesi sono state l’innovazione ed il risparmio peso wink
Ciao a tücc

___________________________________

vâr pussée la tòlla de l'òr

11
MisterX1
MisterX1
09/04/2014 1329
Rispondi Abuso
Inserito il 10/10/2019 alle: 15:05:54
In risposta al messaggio di Blessyou del 10/10/2019 alle 14:58:25

Porca vacca … ho visto   Scenderanno quando saranno “superate” da altre teNNologie, almeno credo ...   È una scelta personale … le mie in sintesi sono state l’innovazione ed il risparmio peso
Per chi può è chiaro che è un'altra cosa la scheda tecnica dice tutto sull'utilizzo a cui possono essere sottoposte.
Sinceramente un altro pianeta si potrà obiettare si fanno le stesse cose etc etc e di conseguenza anche il prezzo ahimè.
 
Keep ca(L)m..per
10
Blessyou
Blessyou
28/10/2015 5016
Rispondi Abuso
Inserito il 10/10/2019 alle: 15:11:30
In risposta al messaggio di MisterX1 del 10/10/2019 alle 15:05:54

Per chi può è chiaro che è un'altra cosa la scheda tecnica dice tutto sull'utilizzo a cui possono essere sottoposte. Sinceramente un altro pianeta si potrà obiettare si fanno le stesse cose etc etc e di conseguenza anche il prezzo ahimè.  
Sono d’accordo … purtroppo costano blush
 
Ma è impagabile avere il pieno controllo del BMS e/o sostituire in caso di problemi la singola scheda wink
Ciao a tücc

___________________________________

vâr pussée la tòlla de l'òr

10
il tornitore
il tornitore
rating

25/08/2015 6058
Rispondi Abuso
Inserito il 10/10/2019 alle: 15:58:57
In risposta al messaggio di MarcoBo del 10/10/2019 alle 09:49:58

Grazie ancora per la risposta, capisco che tu sia molto focalizzato su quello che pensi sarà il tuo impianto, io cercavo invece di approfondire i vari argomenti perché molti utenti su questo forum hanno espresso interesse
sulla questione Lifepo4 e pochi utenti faranno le modifiche che tu hai in mente.  > Io non abbandono i pensieri relativi durante la marcia per un semplice motivo... Non è così limitato quanto pensi quel periodo.  come ti avevo scritto: divide et impera, non significa abbandonarlo per sempre significa riconoscere che le soluzioni all'uno e all'altro problema sono separate e dunque puoi ridurre lo sforzo affrontandoli - almeno dal punto di vista teorico - come due problemi separati di più semplice risoluzione. Come sai, non è una mia idea :-) Nel tuo impianto la vita della batteria durante la marcia non è trascurabile, grazie alle modifiche hai in mente o che hai già fatto il tuo alternatore riesce a portare la tensione della batteria oltre i 14v senza problemi. In questo momento il mio impianto (e quello di molti altri utenti), con frigo acceso, porta la BS fra i 13.5v e il 13.8v. A batteria carica questo significa perdere qualche ampere in viaggio e a batteria scarica significa ricaricarla anche se non fino al 100%. È vero, una volta carica avere la tensione a 13.8v non è l'ideale ma per il momento lo tengo così, è proprio il punto in cui la curva di carica cambia radicalmente di derivata. Le correnti in gioco durante la transizione non sono così elevate come a volte si è detto qui, anche grazie al fatto che quando il relè del parallelo si attiva l'alternatore è già a pieno regime e la tensione sull'impianto del motore è già almeno a 13.8v. La soluzione a questo problema consiste nell'installare un dispositivo che si preoccupi di gestire carica e alimentazione frigo in maniera separata dalla BM. Non so ancora se lo farò ma, qualunque soluzione dovessi adottare è ininfluente al fine di garantirsi una buona soluzione in sosta. D'altro canto la problematica che più sto evidenziando in sosta tu la risolvi comprando una batteria ancor più capiente e quindi disinteressandoti del fatto che perdi parte della carica, una soluzione costosa ma sicuramente una soluzione. :-) ancora grazie, Marco  
...
"almeno dal punto di vista teorico - come due problemi separati di più semplice risoluzione"
Dal punto di vista teorico è un conto, da quello pratico è un altro... Per dire, all'atto teorico, anche 2+2=5.
All'atto pratico non la stai gestendo nel migliore dei modi anche se dici di volerla usare nel modo corretto.

"non significa abbandonarlo per sempre significa riconoscere che le soluzioni all'uno e all'altro problema sono separate"
Le soluzioni sono separate, vero... Ma c'è una cosa in comune, la batteria stessa e relativo utilizzo corretto.. Cosa che ti/ci preme.
A parer mio se uno sceglie una batteria del genere non può affrontare il problema della sua gestione in 2 tempi diversi... L'impianto deve essere fatto tutto e subito sennò non verrà utilizzata come si deve; almeno sul lavoro adotto questa tecnica, sennò perdo tempo sapendo di non fare un lavoro giusto al 100%. 

"Le correnti in gioco durante la transizione non sono così elevate come a volte si è detto qui, anche grazie al fatto che quando il relè del parallelo si attiva l'alternatore è già a pieno regime e la tensione sull'impianto del motore è già almeno a 13.8v."
Tutto dipende dall'impianto e dal SOC di partenza della batteria.

"D'altro canto la problematica che più sto evidenziando in sosta tu la risolvi comprando una batteria ancor più capiente e quindi disinteressandoti del fatto che perdi parte della carica, una soluzione costosa ma sicuramente una soluzione"
Se uno ha il BMS123 Smart che permette di gestire in remoto i dispositivi di carica può risolvere il problema.. Cioè appena il BMS legge una tensione uguale a quella impostata stacca i dispositivi di carica, e se il dispositivo di carica ha l'uscita "load" può alimentare direttamente i servizi (esempio dando l'alimentazione direttamente in centralina se si ha la possibilità) senza intaccare il SOC della batteria. In sostanza la batteria al 100% (secondo il BMS) è in stand-by (comunque attaccata all'impianto) poichè non viene più caricata e nemmeno scaricata perchè c'è il FV che eroga ancora energia per alimentare direttamente le utenze.
Tutto ciò è possibile, ma bisogna vedere se la centralina dà precedenza alla fonte di carica o alla batteria per alimentare i servizi (trovandosi due fonti che possono alimentare i servizi).
Se c'è un sistema/modo valido che rende possibile ciò di certo lo adotterò e/o ci rifletto su come farlo/realizzarlo, quando ho tempo, per trovare la migliore soluzione per far rendere al meglio ogni dispositivo così da avere un impianto molto efficiente; se non avessi niente da fare di certo mi metterei a trovare una soluzione in poco tempolaugh
Ovviamente la soluzione più veloce, ma meno efficiente è quella che avevo detto prima.. cioè perdere quei 50-100 anche 200Wh (dipende da come uno vuole gestirsi).

Grazie a te; è sempre utile confrontarsi perchè non sempre si vedono alcune cose e così si può arrivare ad una soluzione migliore e quasi "generale"... Ognuno vede una sfaccettatura diversa; non per niente anche sul lavoro si fanno riunioni e brainstorming per cercare la soluzione ottimale ad un determinato problema.

Enrico
 
Il Fai Da Te a Opera d'Arte - Marco
6
TylerDurden
TylerDurden
20/10/2019 3
Rispondi Abuso
Inserito il 20/10/2019 alle: 19:12:45
In risposta al messaggio di ezio55 del 12/02/2019 alle 20:48:25

Batteria da 100 Ah, caricabatteria specifico (10 A) che viene dato in dotazione alla batteria. La mia centralina, Schaudt EBL 30, prevede di poter utilizzare un caricabatterie aggiuntivo,massimo 20 A di carica, la centralina
prevede  due fusibili da 20 A, uno per il CB interno ed uno per quello aggiuntivo. Semplicemente togliendo il fusibile del CB interno, collegando, naturalmente..., il CB aggiuntivo, all'apposita presa, questo, collegato alla presa rete del mezzo, carica la LiFePo4. La centralina, importante..., non viene esclusa nella carica della batteria di avviamento. Saluti.
...
Ciao Ezio, ho preso anche io la batteria da gabriele, 250A. Mi sto costruendo un furgonato (già omologato) e volevo essere più indipendente possibile... è piccolino (540) e sul tetto vorrei metterci due pannelli da 400  l’uno (se ci stanno) o 650w in tutto. Gabriele mi ha detto di seguire settaggi e accessori delle battleborn che praticamente sono identiche a quelle che vende lui. Visto che victron costa, e volevo avere l’opzione di caricare anche da alternatore, ho visto che è uscito da poco un prodotto renogy molto interessante. Il DCDC50S che ha sia alternatore che mppt e arriva fino a 50A in carica (che la mia lefepo4 da 250 accetta di targa). Volevo sapere cosa ne pensassi e soprattutto volevo sapere se in caso di allaccio alla colonnina con caricabatterie, dovessi prevedere due circuiti isolati, mi spiego: solare e alternatore verrebbero gestiti automaticamente dal renogy, (se ci fosse poca luce con motore acceso mi farebbe anche 25a da alternatore e 25 da solare il che è una gran cosa) ma non so se riuscisse a vedere la corrente dal caricatore alla 220. 

Altra domanda, sempre gabriele mi ha detto che il parallelatore della victron non va bene (cyrix, che esiste anche in versione litio) perché victron ha il bms esterno e darebbe problemi col bms integrato nelle nostre...  allora com’è che per un regolatore mppt victron non ci sono problemi ma col parallelatore non si può? 

Rispetto al victron il renogy non credo abbia le regolazioni, essendo un prodotto nuovo spero che il trasmettitore bt loro sia compatibile almeno per monitorare lo stato della carica... prova a buttarci un occhio, secondo me dovrebbe andare bene come impostazioni standard (riconosce le litio e non equalizza e i voltaggi dovrebbero essere ok). Se effettivamente fosse ok, un regolatore mppt che regge fino a 660W a 50A e che controlla anche da alternatore (sia vecchi che smart) tutto in uno (dimensioni ridotte) a etp dollari è un sogno!
21
ezio55
ezio55
30/12/2004 3414
Rispondi Abuso
Inserito il 20/10/2019 alle: 21:08:26
In risposta al messaggio di TylerDurden del 20/10/2019 alle 19:12:45

Ciao Ezio, ho preso anche io la batteria da gabriele, 250A. Mi sto costruendo un furgonato (già omologato) e volevo essere più indipendente possibile... è piccolino (540) e sul tetto vorrei metterci due pannelli da 400
 l’uno (se ci stanno) o 650w in tutto. Gabriele mi ha detto di seguire settaggi e accessori delle battleborn che praticamente sono identiche a quelle che vende lui. Visto che victron costa, e volevo avere l’opzione di caricare anche da alternatore, ho visto che è uscito da poco un prodotto renogy molto interessante. Il DCDC50S che ha sia alternatore che mppt e arriva fino a 50A in carica (che la mia lefepo4 da 250 accetta di targa). Volevo sapere cosa ne pensassi e soprattutto volevo sapere se in caso di allaccio alla colonnina con caricabatterie, dovessi prevedere due circuiti isolati, mi spiego: solare e alternatore verrebbero gestiti automaticamente dal renogy, (se ci fosse poca luce con motore acceso mi farebbe anche 25a da alternatore e 25 da solare il che è una gran cosa) ma non so se riuscisse a vedere la corrente dal caricatore alla 220.  Altra domanda, sempre gabriele mi ha detto che il parallelatore della victron non va bene (cyrix, che esiste anche in versione litio) perché victron ha il bms esterno e darebbe problemi col bms integrato nelle nostre...  allora com’è che per un regolatore mppt victron non ci sono problemi ma col parallelatore non si può?  Rispetto al victron il renogy non credo abbia le regolazioni, essendo un prodotto nuovo spero che il trasmettitore bt loro sia compatibile almeno per monitorare lo stato della carica... prova a buttarci un occhio, secondo me dovrebbe andare bene come impostazioni standard (riconosce le litio e non equalizza e i voltaggi dovrebbero essere ok). Se effettivamente fosse ok, un regolatore mppt che regge fino a 660W a 50A e che controlla anche da alternatore (sia vecchi che smart) tutto in uno (dimensioni ridotte) a etp dollari è un sogno!
...
Penso tu abbia chiesto a me...
Forse mi sopravvaluti in quanto a conoscenza del sistema LiFePo4, anche per me è un mondo nuovo e da quando ho sostituito la batteria AGM con la LiFePo4 sto continuando ad imparare e sperimentare, questa è una doverosa premessa che ti devo fare.
Detto questo, a cosa ti serve tutta questa potenza, poi su un furgonato da 540, se riesci a mettere questo/i pannelli non ci sta altro...
Ho dato un occhiata sul sito della Renogy al DCDC50S, mi sembra un ottimo prodotto ed anche le risposte degli acquirenti sono positive, oltretutto ha un ottimo prezzo.
Se faccio due conti veloci, io per avere un sistema di questo tipo ho speso 180 euro di Votronic VCC-1212-30, 79 del pannello di controllo LCD e circa 170 euro per il regolatore solare Renogy Rover Li30 più BT1 modulo Bluetooth.
Quindi a livello di semplicità di collegamento e prezzo non c'è paragone... e se dovessi mettere un impianto nuovo probabilmente considererei anch'io il prodotto.
Per quanto riguarda invece la carica dalla rete a 220 Volt ti consiglio di mettere un caricabatterie dedicato alla LiFePo4, non so che tipo di centralina tu abbia sul furgonato, io ho messo un Victron Blue Smart IP22 che sono riuscito a collegare alla centralina originale Schaudt EBL 30 senza stravolgimenti, togliendo un fusibile e utilizzando un apposita linea prevista.
Il parallelatore secondo me non serve, se il Renogy non ha questa funzione, il Votronic dovrebbe averla..., puoi semplicemente mettere il famoso circuito diodo/resistenza, poca spesa e resa sicura.
Mi piacerebbe capire il perchè di tutta questa potenza...
Saluti.
Ezio55
6
TylerDurden
TylerDurden
20/10/2019 3
Rispondi Abuso
Inserito il 20/10/2019 alle: 22:57:24
In risposta al messaggio di ezio55 del 20/10/2019 alle 21:08:26

Penso tu abbia chiesto a me... Forse mi sopravvaluti in quanto a conoscenza del sistema LiFePo4, anche per me è un mondo nuovo e da quando ho sostituito la batteria AGM con la LiFePo4 sto continuando ad imparare e sperimentare,
questa è una doverosa premessa che ti devo fare. Detto questo, a cosa ti serve tutta questa potenza, poi su un furgonato da 540, se riesci a mettere questo/i pannelli non ci sta altro... Ho dato un occhiata sul sito della Renogy al DCDC50S, mi sembra un ottimo prodotto ed anche le risposte degli acquirenti sono positive, oltretutto ha un ottimo prezzo. Se faccio due conti veloci, io per avere un sistema di questo tipo ho speso 180 euro di Votronic VCC-1212-30, 79 del pannello di controllo LCD e circa 170 euro per il regolatore solare Renogy Rover Li30 più BT1 modulo Bluetooth. Quindi a livello di semplicità di collegamento e prezzo non c'è paragone... e se dovessi mettere un impianto nuovo probabilmente considererei anch'io il prodotto. Per quanto riguarda invece la carica dalla rete a 220 Volt ti consiglio di mettere un caricabatterie dedicato alla LiFePo4, non so che tipo di centralina tu abbia sul furgonato, io ho messo un Victron Blue Smart IP22 che sono riuscito a collegare alla centralina originale Schaudt EBL 30 senza stravolgimenti, togliendo un fusibile e utilizzando un apposita linea prevista. Il parallelatore secondo me non serve, se il Renogy non ha questa funzione, il Votronic dovrebbe averla..., puoi semplicemente mettere il famoso circuito diodo/resistenza, poca spesa e resa sicura. Mi piacerebbe capire il perchè di tutta questa potenza... Saluti.
...
da quando ti ho scritto ho continuato a studiare la cosa. Il sogno s’è infranto. Questi asini forza 100 cavalli (non c’è altro modo per definirli) hanno creato un prodotto potenzialmente perfetto... peccato che ho letto che il Voc sia a 25v. Una presa per il c megalattica. Che senso ha avere un mppt che accetta 660W ma mi limiti il voltaggio dei pannelli a 25 v!?!? Assurdo. L’unico modo di poter avere 660W è avere 5-6 pannelli da 100-120 W, roba di 10 anni fa, vecchi e inefficienti rispetto ai pannelli da 300-400W che escono da 3anni a sta parte. Quindi nulla, il renogy dcc50s resta li. 

Ho fatto il calcolo del dimensionamento del mio impianto... considera che la colonnina (campeggio) non è un’opzione se non per emergenza. Ho escluso efoy e generatore per costi-praticità. Per questo ho preso una 250A. Senza ricaricarla dovrebbe garantirmi 5-6 giorni di autonomia. Tolta la pompa, qualche lucetta a led, usb per i telefoni, frigo a compressore (36W circa) e riscaldamento diesel (che consuma seriamente solo i primi 3 minuti di accensione candeletta) l’unico strumento pesante era il phon che la donna mi ha imposto come necessità (giustamente). Ora, inutile avere una lifepo4 a 250A e caricarla a 10A col solare. Per me non ha senso avere a bordo una batteria di un amperaggio tale per cui in condizioni di ricarica ottimali (in questo caso meteo) ci si metta più di un giornata per caricarla. 600w mi sembrano il minimo. Se poi consideriamo che li raggiungi solo allo zenit d’estate... 800 non erano male.

bando alle divagazioni, cercavo un prodotto (o più di uno da combinare a sto punto) che mi permettesse di caricare da solare e alternatore. Scartato il renogy per le assurdità di progettazione di cui sopra, ricaderei su un victron smartsolar 100/50. Ora, il cyrix per le litio, deve passare obbligatoriamente per un bms esterno, e questo non va bene da collegare alla nostra batteria, così ha detto Gabriele ma non ho capito il motivo... presumo a sto punto che il bms esterno se collegato alle lifepo4 della victron, disabiliti il bms interno delle batterie (è l’unica cosa sensata che posso pensare). 

Ci sarebbe un altro prodotto, nuovo nuovo, che capeggia nella homepage della victron...
Orion-Tr Smart DC-DC
e sembrerebbe essere un parallelatore dc dc per l’alternatore... nel disegno nelle specifiche non c’è traccia del bms esterno come per il ciryx. Sarà interno? Boh. Caricherebbe a 30A che non sono i 50 con cui mi ero fatto la bocca col renogy, ma se fosse ok lo prenderei subito. Progettare un mezzo da zero quando non è il tuo campo di studio è fattibile per carità... ma estenuante. Dopo un anno di lavori quasi ogni weekend avrei voglia di concludere :)
 
6
TylerDurden
TylerDurden
20/10/2019 3
Rispondi Abuso
Inserito il 20/10/2019 alle: 23:15:09
In risposta al messaggio di ezio55 del 20/10/2019 alle 21:08:26

Penso tu abbia chiesto a me... Forse mi sopravvaluti in quanto a conoscenza del sistema LiFePo4, anche per me è un mondo nuovo e da quando ho sostituito la batteria AGM con la LiFePo4 sto continuando ad imparare e sperimentare,
questa è una doverosa premessa che ti devo fare. Detto questo, a cosa ti serve tutta questa potenza, poi su un furgonato da 540, se riesci a mettere questo/i pannelli non ci sta altro... Ho dato un occhiata sul sito della Renogy al DCDC50S, mi sembra un ottimo prodotto ed anche le risposte degli acquirenti sono positive, oltretutto ha un ottimo prezzo. Se faccio due conti veloci, io per avere un sistema di questo tipo ho speso 180 euro di Votronic VCC-1212-30, 79 del pannello di controllo LCD e circa 170 euro per il regolatore solare Renogy Rover Li30 più BT1 modulo Bluetooth. Quindi a livello di semplicità di collegamento e prezzo non c'è paragone... e se dovessi mettere un impianto nuovo probabilmente considererei anch'io il prodotto. Per quanto riguarda invece la carica dalla rete a 220 Volt ti consiglio di mettere un caricabatterie dedicato alla LiFePo4, non so che tipo di centralina tu abbia sul furgonato, io ho messo un Victron Blue Smart IP22 che sono riuscito a collegare alla centralina originale Schaudt EBL 30 senza stravolgimenti, togliendo un fusibile e utilizzando un apposita linea prevista. Il parallelatore secondo me non serve, se il Renogy non ha questa funzione, il Votronic dovrebbe averla..., puoi semplicemente mettere il famoso circuito diodo/resistenza, poca spesa e resa sicura. Mi piacerebbe capire il perchè di tutta questa potenza... Saluti.
...
mi sono letto tutto il 3d. Non ti ho chiesto quale sia il tuo setup. Quanti A è la tua batteria? Quanti W di solare e A del regolatore (mppt immagino). Quanto ci metti a caricarla solo da solare in condizioni ottimali?

ho letto all’inizio dove dicevate che il caricabatterie deve bilanciare le celle... in realtà da quello che ho capito io (ma correggetemi se sbaglio) è una delle funzioni del bms. Il CB deve avere un voltaggio corretto rispetto al numero delle celle (che nel mio caso dovrebbero essere 4 da 3,2 v a 250A l’una), poi ci pensa il bms interno a fare il bilanciamento. Invece per le lipo che usavo anche nel modellismo ci vuole il CB con il bilanciatore e infatti dai pacchi lipo, insieme al cavo di alimentazione, esce anche un cavo piatto con tanti cavetti quante sono le celle più i poli da attaccare al bilanciatore del CB...
Nelle nostre a parte i poli + e - non c’è altro... non ci sarebbe modo di attarci nulla per poter bilanciare.

un’aspetto molto fastidioso della mia batteria è l’impossibilità di sapere che combina il bms e lo stato delle celle. Se la batteria dovesse andare in protezione per uno dei motivi per cui il bms lavora (temperatura, carica o scarica inadeguata ecc) come faccio a saperlo? 
21
ezio55
ezio55
30/12/2004 3414
Rispondi Abuso
Inserito il 21/10/2019 alle: 14:25:19
In risposta al messaggio di TylerDurden del 20/10/2019 alle 22:57:24

da quando ti ho scritto ho continuato a studiare la cosa. Il sogno s’è infranto. Questi asini forza 100 cavalli (non c’è altro modo per definirli) hanno creato un prodotto potenzialmente perfetto... peccato che ho letto
che il Voc sia a 25v. Una presa per il c megalattica. Che senso ha avere un mppt che accetta 660W ma mi limiti il voltaggio dei pannelli a 25 v!?!? Assurdo. L’unico modo di poter avere 660W è avere 5-6 pannelli da 100-120 W, roba di 10 anni fa, vecchi e inefficienti rispetto ai pannelli da 300-400W che escono da 3anni a sta parte. Quindi nulla, il renogy dcc50s resta li.  Ho fatto il calcolo del dimensionamento del mio impianto... considera che la colonnina (campeggio) non è un’opzione se non per emergenza. Ho escluso efoy e generatore per costi-praticità. Per questo ho preso una 250A. Senza ricaricarla dovrebbe garantirmi 5-6 giorni di autonomia. Tolta la pompa, qualche lucetta a led, usb per i telefoni, frigo a compressore (36W circa) e riscaldamento diesel (che consuma seriamente solo i primi 3 minuti di accensione candeletta) l’unico strumento pesante era il phon che la donna mi ha imposto come necessità (giustamente). Ora, inutile avere una lifepo4 a 250A e caricarla a 10A col solare. Per me non ha senso avere a bordo una batteria di un amperaggio tale per cui in condizioni di ricarica ottimali (in questo caso meteo) ci si metta più di un giornata per caricarla. 600w mi sembrano il minimo. Se poi consideriamo che li raggiungi solo allo zenit d’estate... 800 non erano male. bando alle divagazioni, cercavo un prodotto (o più di uno da combinare a sto punto) che mi permettesse di caricare da solare e alternatore. Scartato il renogy per le assurdità di progettazione di cui sopra, ricaderei su un victron smartsolar 100/50. Ora, il cyrix per le litio, deve passare obbligatoriamente per un bms esterno, e questo non va bene da collegare alla nostra batteria, così ha detto Gabriele ma non ho capito il motivo... presumo a sto punto che il bms esterno se collegato alle lifepo4 della victron, disabiliti il bms interno delle batterie (è l’unica cosa sensata che posso pensare).  Ci sarebbe un altro prodotto, nuovo nuovo, che capeggia nella homepage della victron... Orion-Tr Smart DC-DC e sembrerebbe essere un parallelatore dc dc per l’alternatore... nel disegno nelle specifiche non c’è traccia del bms esterno come per il ciryx. Sarà interno? Boh. Caricherebbe a 30A che non sono i 50 con cui mi ero fatto la bocca col renogy, ma se fosse ok lo prenderei subito. Progettare un mezzo da zero quando non è il tuo campo di studio è fattibile per carità... ma estenuante. Dopo un anno di lavori quasi ogni weekend avrei voglia di concludere :)  
...
Mi spiace tu non possa utilizzare questo prodotto Renogy, non avevo letto del problema tensione pannelli a 25 Volt…
Ho anche capito il perché vuoi una batteria di questa potenza, frigo compressore, stufa gasolio, Phon…, in libera…, ma fai bene ad escludere Efoy, che costa molto… ed anche generatore, rumoroso ed inquinante!
Per caricare da solare hai molta scelta, da alternatore a questo punto ti consiglio quello che ho preso io, 30 A non sono pochi…, anzi….
Mi sembra invece tu faccia confusione con il discorso parallelatore, nel caso tu acquisti il Votronic, ce ne sono anche di  più potenti ma... non servono…, l'alternatore carica normalmente la batteria motore e carica, con il Booster Votronic quella servizi fino a 30 A, che puoi limitare a 20 A, in pochissimo tempo con le LiFePo4...
Se invece sei fermo, la batteria motore è normalmente scollegata all'impianto della cellula, con pochi soldi, utilizzando il circuito diodo/resistenza, puoi dargli quel poco che gli serve per rimanere carica mediante la BS, che sarà sempre ad un voltaggio maggiore,tramite la carica dall'impianto solare.
Il ragionamento che ho fatto presume che tu non abbia una centralina che "normalmente" carica batteria motore e batteria servizi…
Dovessi acquistarla, vedi che abbia la possibilità di caricare una batteria al litio, oppure come la mia, di escludere la carica della batteria servizi dando la possibilità di interfacciare un caricabatterie dedicato alla LiFePo4.
Quindi il parallelatore che citi in continuazione è un falso problema, secondo me naturalmente…, perché anche quando tu fossi allacciato alla colonnina, il circuito Diodo/Resistenza "gocciolerebbe" quei pochi A che servono alla batteria motore per rimanere in carica, senza spendere più di tanto.
Ecco che il discorso BMS, che nella batteria di Gabriele è interno, non ti disturba più di tanto.
Non cercare troppe complicazioni e vedrai che non dovrai perdere troppi fine settimana per concludere.
Saluti.

 
Ezio55
21
ezio55
ezio55
30/12/2004 3414
Rispondi Abuso
Inserito il 21/10/2019 alle: 15:10:42
In risposta al messaggio di TylerDurden del 20/10/2019 alle 23:15:09

mi sono letto tutto il 3d. Non ti ho chiesto quale sia il tuo setup. Quanti A è la tua batteria? Quanti W di solare e A del regolatore (mppt immagino). Quanto ci metti a caricarla solo da solare in condizioni ottimali?
ho letto all’inizio dove dicevate che il caricabatterie deve bilanciare le celle... in realtà da quello che ho capito io (ma correggetemi se sbaglio) è una delle funzioni del bms. Il CB deve avere un voltaggio corretto rispetto al numero delle celle (che nel mio caso dovrebbero essere 4 da 3,2 v a 250A l’una), poi ci pensa il bms interno a fare il bilanciamento. Invece per le lipo che usavo anche nel modellismo ci vuole il CB con il bilanciatore e infatti dai pacchi lipo, insieme al cavo di alimentazione, esce anche un cavo piatto con tanti cavetti quante sono le celle più i poli da attaccare al bilanciatore del CB... Nelle nostre a parte i poli + e - non c’è altro... non ci sarebbe modo di attarci nulla per poter bilanciare. un’aspetto molto fastidioso della mia batteria è l’impossibilità di sapere che combina il bms e lo stato delle celle. Se la batteria dovesse andare in protezione per uno dei motivi per cui il bms lavora (temperatura, carica o scarica inadeguata ecc) come faccio a saperlo? 
...
per quanto riguarda il mio impianto l'ho già descritto ma brevemente ricapitolo i suoi componenti.
Pannelli solari flessibili da 100 Watt per un totale di 300 Watt, una batteria da 100 Ah LiFePo4, regolatore solare Renogy 

Rover Li 30 Amp MPPT Solar Charge Controller

con 

BT-1 Bluetooth Module

che ho messo al posto di 

Regolatore di carica MPPT TRIRON2210N 20A 12V 24V + DISPLAY DB1+ interfaccia UCS anche per batterie a litio

e controllo remoto

Controllo Remoto MT-50 per Regolatori di Carica con cavo

.
Se ho affermato che il regolatore solare deve bilanciare le celle della LiFePo4 ho detto una str...ata perché lo fa il BMS.
Il fatto di non poter sapere cosa fa il BMS mi urta fino ad un certo punto, rifletti sul fatto che la batteria configurata in questa maniera ti costa un tot…, se prendi altre batterie, certo hai un controllo maggiore, ma a che prezzo?
Con una batteria di Gabriele ho avuto un problema, problema che non sono riuscito ancora a capire…, bene, Gabriele se l'è ripresa e mi ha rimborsato, se ti succede con un fornitore cinese cosa fai?
La rispedisci, certo, è in garanzia, ma a che prezzo?
E' quasi un anno che utilizzo l'impianto e devo dirti, a parte la seconda batteria che ho citato e non ho rimpiazzato, veramente soddisfatto.
Saluti.
 
Ezio55
10
Blessyou
Blessyou
28/10/2015 5016
Rispondi Abuso
Inserito il 23/10/2019 alle: 08:47:19
In risposta al messaggio di il tornitore del 04/10/2019 alle 14:34:20

Io per il momento non ho nulla di fatto... Ho smontato il camper completamente per apportare diverse modifiche, tra cui l'impianto elettrico; per ora sto definendo, con calma, il progetto su carta per avere le idee più chiare
in fase di acquisto e montaggio. In qualunque caso, in prima battuta, pensavo ad uno di questi due caricabatteria: La differenza principale sta nella corrente di carica, 20 vs 100A e di conseguenza nel prezzo... Dipende cosa si vuole e dal proprio utilizzo.
...
Enrico,
 
sto pensando anch’io di installare un CB ad hoc per la LFP enlightenedquello da 20A si integra con il BMS, collegandolo alla scheda OUT:
immagine(2000).png
For disconnect charger via BMS123:
connect black (GND) from charger to pin 2 on OUT board on charge relay contacts.
connect Brown (ON/OFF) from charger to pin 3 on OUT board on charge relay contacts.
For reducing charge current via BMS123:
connect black (GND) from charger to pin 2 on OUT board on charge relay contacts.
connect Blue (HIGH/LOW) from charger to pin 3 on OUT board on charge relay contacts.

ma non ho capito se i cavi possono essere collegati ai PIN 2-3 dei due relè, inseime al collegamento del Philippi:
immagine(1996).png 
 
Mi attira molto quello da 20A (anche per il costo) oppure è meglio l’altro da 100A cool
 
Quale hai scelto e/o sceglieresti ? 

Grazie, ciao wink
Ciao a tücc

___________________________________

vâr pussée la tòlla de l'òr


Modificato da Blessyou il 23/10/2019 alle 10:55:02
10
il tornitore
il tornitore
rating

25/08/2015 6058
Rispondi Abuso
Inserito il 23/10/2019 alle: 15:33:37
In risposta al messaggio di Blessyou del 23/10/2019 alle 08:47:19

Enrico,   sto pensando anch’io di installare un CB ad hoc per la LFP quello da 20A si integra con il BMS, collegandolo alla scheda OUT: For disconnect charger via BMS123: connect black (GND) from charger to pin 2 on
OUT board on charge relay contacts. connect Brown (ON/OFF) from charger to pin 3 on OUT board on charge relay contacts. For reducing charge current via BMS123: connect black (GND) from charger to pin 2 on OUT board on charge relay contacts. connect Blue (HIGH/LOW) from charger to pin 3 on OUT board on charge relay contacts. ma non ho capito se i cavi possono essere collegati ai PIN 2-3 dei due relè, inseime al collegamento del Philippi:     Mi attira molto quello da 20A (anche per il costo) oppure è meglio l’altro da 100A   Quale hai scelto e/o sceglieresti ?  Grazie, ciao
...
Ragionandoci su penso basti il 20A.. Nella condizione peggiore ci metterà 10 ore circa per caricare completamente la 200Ah. Poi pensando anche ad un possibile allacciamento alle colonnine o anche a casa... Non mette in crisi nessuno. Altro punto il prezzo e anche il fatto di gestirlo in remoto tramite BMS.

Ma il Philippi è collegato ai pin 1-2 come in figura?
Se è così non vedo alcun problema poichè il CB va sui pin 2-3 del solo charge relay, anche se hanno in comune il pin 2 non è un problema perchè quello è il GND.
Il Fai Da Te a Opera d'Arte - Marco
10
Blessyou
Blessyou
28/10/2015 5016
Rispondi Abuso
Inserito il 23/10/2019 alle: 15:57:08
In risposta al messaggio di il tornitore del 23/10/2019 alle 15:33:37

Ragionandoci su penso basti il 20A.. Nella condizione peggiore ci metterà 10 ore circa per caricare completamente la 200Ah. Poi pensando anche ad un possibile allacciamento alle colonnine o anche a casa... Non mette in crisi
nessuno. Altro punto il prezzo e anche il fatto di gestirlo in remoto tramite BMS. Ma il Philippi è collegato ai pin 1-2 come in figura? Se è così non vedo alcun problema poichè il CB va sui pin 2-3 del solo charge relay, anche se hanno in comune il pin 2 non è un problema perchè quello è il GND.
...
Grazie Enrico yes (bastava leggere bene la documentaSSione ...)

Adesso ci penso wink
Ciao a tücc

___________________________________

vâr pussée la tòlla de l'òr


Modificato da Blessyou il 24/10/2019 alle 07:51:55
15
MarcoBo
MarcoBo
01/06/2010 3096
Rispondi Abuso
Inserito il 23/10/2019 alle: 20:34:06
In risposta al messaggio di TylerDurden del 20/10/2019 alle 22:57:24

da quando ti ho scritto ho continuato a studiare la cosa. Il sogno s’è infranto. Questi asini forza 100 cavalli (non c’è altro modo per definirli) hanno creato un prodotto potenzialmente perfetto... peccato che ho letto
che il Voc sia a 25v. Una presa per il c megalattica. Che senso ha avere un mppt che accetta 660W ma mi limiti il voltaggio dei pannelli a 25 v!?!? Assurdo. L’unico modo di poter avere 660W è avere 5-6 pannelli da 100-120 W, roba di 10 anni fa, vecchi e inefficienti rispetto ai pannelli da 300-400W che escono da 3anni a sta parte. Quindi nulla, il renogy dcc50s resta li.  Ho fatto il calcolo del dimensionamento del mio impianto... considera che la colonnina (campeggio) non è un’opzione se non per emergenza. Ho escluso efoy e generatore per costi-praticità. Per questo ho preso una 250A. Senza ricaricarla dovrebbe garantirmi 5-6 giorni di autonomia. Tolta la pompa, qualche lucetta a led, usb per i telefoni, frigo a compressore (36W circa) e riscaldamento diesel (che consuma seriamente solo i primi 3 minuti di accensione candeletta) l’unico strumento pesante era il phon che la donna mi ha imposto come necessità (giustamente). Ora, inutile avere una lifepo4 a 250A e caricarla a 10A col solare. Per me non ha senso avere a bordo una batteria di un amperaggio tale per cui in condizioni di ricarica ottimali (in questo caso meteo) ci si metta più di un giornata per caricarla. 600w mi sembrano il minimo. Se poi consideriamo che li raggiungi solo allo zenit d’estate... 800 non erano male. bando alle divagazioni, cercavo un prodotto (o più di uno da combinare a sto punto) che mi permettesse di caricare da solare e alternatore. Scartato il renogy per le assurdità di progettazione di cui sopra, ricaderei su un victron smartsolar 100/50. Ora, il cyrix per le litio, deve passare obbligatoriamente per un bms esterno, e questo non va bene da collegare alla nostra batteria, così ha detto Gabriele ma non ho capito il motivo... presumo a sto punto che il bms esterno se collegato alle lifepo4 della victron, disabiliti il bms interno delle batterie (è l’unica cosa sensata che posso pensare).  Ci sarebbe un altro prodotto, nuovo nuovo, che capeggia nella homepage della victron... Orion-Tr Smart DC-DC e sembrerebbe essere un parallelatore dc dc per l’alternatore... nel disegno nelle specifiche non c’è traccia del bms esterno come per il ciryx. Sarà interno? Boh. Caricherebbe a 30A che non sono i 50 con cui mi ero fatto la bocca col renogy, ma se fosse ok lo prenderei subito. Progettare un mezzo da zero quando non è il tuo campo di studio è fattibile per carità... ma estenuante. Dopo un anno di lavori quasi ogni weekend avrei voglia di concludere :)  
...
Ciao, 

scusami, ti faccio una domanda se posso permettermi:

Ho escluso efoy e generatore per costi-praticità. Per questo ho preso una 250A. Senza ricaricarla dovrebbe garantirmi 5-6 giorni di autonomia. 
[...]
Per me non ha senso avere a bordo una batteria di un amperaggio tale per cui in condizioni di ricarica ottimali (in questo caso meteo) ci si metta più di un giornata per caricarla. 600w mi sembrano il minimo. Se poi consideriamo che li raggiungi solo allo zenit d’estate... 800 non erano male.

Perché non ha senso metterci più di una giornata se poco fa hai detto che pensi ti garantisca 5/6 giorni di autonomia? La completa autonomia energetica la raggiungi ripristinando i consumi non avendo una capacità di ricarica 5 volte superiore ai tuoi consumi.
Ovviamente, viste le variabili ha senso essere un pelo abbondanti, ma vuoi ricaricare da zero (che non ci sarà mai) a 100% una batteria che conti di scaricare in 5/6 giorni?

Dicevi che parliamo di un furgonato 540, lo fai completamente senza aperture e accessori a tetto? Io ho un mansardato di 7 metri, largo 235 e solo a causa dell'oblò e del passacavo la massima potenza installabile è quella di un Panasonic da 245W, potrei aggiungerne un altro, se mi servisse, ma di dimensioni più contenute (150w massimi) e poi qualcosa in giro di piccolissimo.
Mi sembra davvero incredibile che tu riesca a metterci due 400W, ma al tuo posto considererei comunque il fatto che così ti copri certamente quasi tutto il tetto per futuri utilizzi.

Ciao. Marco
 
SostaGruppiCompagniItaliaEsteroMarchiMeccanicaCellulaAccessoriEventiLeggiComportamentiDisabiliIn camper perAltro CamperAltroExtra Attivi
Argomenti recenti dal forum
Aree di sosta e campeggi
Camping o area sosta in Emilia Romagna
Ciao mi consigliate un camping o area di sosta sul mare in Emilia Romagna? Siamo due adult...
Depij
2 minuti fa
Accessori
Garmin BaseCamp: meglio traccia o percorso?
Buongiorno ai Colleghi Camperisti. Sto iniziando a usare Garmin BaseCamp per pianificare i...
robysun1
Oggi alle 11:24
Compagni di viaggio
Francia, Spagna e Portogallo. Compagnia cercasi.
Salve a tutti, sono Enzo, dopo le festività Pasquali vorrei organizzare un viaggio tra Fra...
Estro4
Ieri alle: 23:18
Accessori
Sostituire miscelatore lavandino bagno.
Buonasera a tutti, devo sostituire il miscelatore monocomando del lavandino del mio Burstn...
leo466
Ieri alle: 21:46
Cellula abitativa
Alimentatore Rimor NG 4 dove sei ?
Buongiorno a tutti, scrivo per conto di un amico camperista. Pochi giorni fa ho controllat...
Franco666
Ieri alle: 19:34
Viaggi in Italia
Consigli Cantina Friuli + Trieste?
Ciao, vorrei affrontare coi miei amici un weekend dove fare un giro cantine in Veneto/friu...
Mandrake90
Ieri alle: 18:32
Accessori
Possessori antenna mobilsat !
Chiedo se qualcuno che utilizza ancora la mobilsat possa inviarmi foto dei dati del satell...
pierct
Ieri alle: 17:26
Marchi
Adria Twin supr 640 SGX - problema di un neofita
Buongiorno a tutti, scusate per l'argomento, forse di facilissima soluzione per chi conos...
GR23
Ieri alle: 16:28
Cellula abitativa
Come misurare SOH su Zenith ZL12085
Ciao a tutti, per verificare lo stato delle mie batterie , normalmente utilizzo un apparec...
Santopietro62
Ieri alle: 16:13
Viaggi all'estero
viaggio in francia vicino a parigi
ciao! stiamo pianificando un viaggio in francia e sul rientro vorremmo fare una breve tapp...
spqrspqr
Ieri alle: 12:37
Marchi
Comparazione offerte mezzi da camperizzare
Buongiorno camper lovers, perdonatemi se non è la sezione del forum corretta, in tal caso ...
davidehippie...
Ieri alle: 10:12
Accessori
Fissaggio tubo
Buongiorno a tutti, dovrei fissare un tubo di diametro 20mm al fondo del Ducato nella part...
Karbon17
Ieri alle: 08:14
167k Facebook
343k Instagram
42,6k TikTok
73,3k Youtube
CamperOnLine - Copyright © 1998-2026 - P.Iva 06953990014
Informativa privacy
Loading...

Accedi

Recupera Password
Nuovo utente

Vuoi eliminare il messaggio?

Sottoscrizione

Anteprima

PREFERENZA

Il messaggio è in fase di inserimento.

loading

CamperOnLine

Buongiorno gentile utente,

da oltre 20 anni Camperonline offre gratuitamente tutti i suoi servizi
grazie agli inserzionisti che ci hanno dato la loro fiducia, permettici di continuare il nostro lavoro disattivando il blocco delle pubblicità.

Grazie della collaborazione.

Azione eseguita con successo

Azione Fallita

Condividi

Condividi questa pagina con:

O copia il link