In risposta al messaggio di Hunter85 del 25/10/2022 alle 20:35:19C'è un utente del forum che ha programmato il bm victron per attivare i caricabatterie e regolatori solo sotto 50% e staccarli a 80%.
Forse non mi sono spiegato..non ho detto che si dice di ñasciarñe al 20%. Intendo che qualcuno aspetta che arrivino a 20% prima di ricaricare. E la persona che mi ha obbligato a mettere un interruttore per escludere i pannelliè stato convinto di questo. E appunto anche io ho detto che c'è chi ,oltre a lasciare a riposo a 80% (cosa corretta da quanto ho capito io), evita sempre di ricaricare oltre 80% tramite vari metodi. C'è un utente del forum che ha programmato il bm victron per attivare i caricabatterie e regolatori solo sotto 50% e staccarli a 80%. Si mi sono confuso con la tensione di 13v. Riformulo,: intendo dire che la maggior parte dei regolatori solari per il programma litio hanno comunque la tensione di mantenimento..ma non serve per evitare l autoscarica nell' Arco di una giornata. Serve a far sì che comunque il regolatore o caricabatterie possano alimentare carichi a una tensione tale che la batteria non partecipi. Ritardandone il più possibile comunque l inizio della scarica. Questo mantenimento è fatto tra 13.5 e 13.8v. Che è semplicemente una tensione alla quale la batteria non assorbe corrente..e non ne da finché il caricatore ne ha abbastanza. E l.altro mito che gira è che le batterie litio ferro durano ugali con scariche profonde o leggere. Questo è EVIDENTEMENTE FALSO come prova qualsiasi scheda tecnica dettagliata. Con scariche leggere durano comunque moooolto di più che con scariche pesanti. Quello che viene frainteso è che a scariche pesanti hanno comunque un ottima durata. Ma comunque molto inferiore a scariche leggere.. Questo succede perché qualche costruttore (come victron o exide) da solo un numero di cicli generale. Ma è da intendersi a massima profondità di scarica.. ciò non toglie che a ascariche più leggere il numero sarà maggiore. Come ho postato una batteria lifepo4 Rolls premium è data per oltre 18mila cicli a scariche leggere e qualcosa come 4mila a scariche molto profonde. La maggior parte delle litio in commercio hanno durare di molto inferiori..ma sempre con una differenza tra basse dod e alte dod.
In risposta al messaggio di Subalpino del 25/10/2022 alle 20:41:10Ah, ah, ah
Io ho 2 lfp autocostruite con celle cinesi doc, ogni volta che torno a casa sto circa 4 ore nel rimessaggio aspettando che si scarichino al 50%, misuro la tensione ogni 10 minuti, tanto sulle litio si vede subito la differenza.Poi le copro con un panno caldo, stacco tutti i cavi svitando i morsetti. Ho anche una bottiglietta di acqua di Lourdes con la quale bagno i poli e i cavi enormi che le collegano. Ho anche montato un impianto di spegnimento automatico.
In risposta al messaggio di Subalpino del 25/10/2022 alle 20:41:10
Io ho 2 lfp autocostruite con celle cinesi doc, ogni volta che torno a casa sto circa 4 ore nel rimessaggio aspettando che si scarichino al 50%, misuro la tensione ogni 10 minuti, tanto sulle litio si vede subito la differenza.Poi le copro con un panno caldo, stacco tutti i cavi svitando i morsetti. Ho anche una bottiglietta di acqua di Lourdes con la quale bagno i poli e i cavi enormi che le collegano. Ho anche montato un impianto di spegnimento automatico.
In risposta al messaggio di ezio55 del 25/10/2022 alle 13:43:06
Giusto per essere più precisi e non alimentare leggende metropolitane... Peso Confronto LifePO4 è meno della metà del peso della AGM AGM - 27,5 kg LiFePO4 - 12,2 kg Maggiore durata del ciclo Fino a 6 volte la durata delciclo Ciclo AGM Deep - 300 cicli @ 100% DoD LiFePO4 - 2000 cicli @ 100% DoD Costo totale inferiore (costo per kWh molto inferiore durante la durata della batteria per LiFePO4) Riduzione dei costi di sostituzione: sostituire l'AGM fino a 6 volte prima che sia necessario sostituire LiFePO4 La maggiore durata del ciclo significa che il costo iniziale aggiuntivo di una batteria LiFePO4 è più che compensato dall'uso della batteria per tutta la vita. Se viene utilizzato quotidianamente, un AGM dovrà essere sostituito ca. 6 volte prima che il LiFePO4 debba essere sostituito Curva di scarico piatta Confronto A 0,2 ° C (20 A) di scarica AGM - scende sotto i 12V dopo 1.5 ore di runtime LiFePO4 - scende sotto i 12V dopo circa 4 ore di autonomia Benefici Uso più efficiente della capacità della batteria Pieno utilizzo della capacità anche a velocità di scarica elevate Scarica AGM @ 1C = 50% di capacità Scarica LiFePO4 @ 1C = capacità 100% Questa caratteristica è poco conosciuta ma è un forte vantaggio e offre molteplici vantaggi. Con la curva di scarica piatta di LiFePO4, la tensione del terminale si mantiene sopra i 12V per un utilizzo della capacità fino all'85-90%. Per questo motivo, sono necessari meno amplificatori per fornire la stessa quantità di potenza (P = VxA) e quindi un uso più efficiente della capacità porta a una maggiore autonomia. L'utente inoltre non noterà in precedenza il rallentamento del dispositivo (ad esempio il golf cart). Ciò si traduce nell'avere a disposizione una grande percentuale della capacità della batteria indipendentemente dalla velocità di scarica. A 1C (o 100A di scarica per la batteria da 100AH) l'opzione LiFePO4 ti darà ancora 100AH contro solo 50AH per AGM. Caratteristica: maggiore utilizzo della capacità Confronto DoD consigliato da AGM = 50% LiFePO4 consigliato DoD = 80% Ciclo AGM Deep - 100AH x 50% = 50Ah utilizzabile LiFePO4 - 100Ah x 80% = 80Ah Differenza = 30Ah o 60% in più di capacità Il maggiore utilizzo della capacità disponibile significa che l'utente può ottenere fino al 60% in più di autonomia dalla stessa opzione di capacità in LiFePO4, o in alternativa optare per una batteria LiFePO4 di capacità inferiore pur mantenendo la stessa autonomia dell'AGM di capacità maggiore. Saluti.
In risposta al messaggio di Itinerante15 del 25/10/2022 alle 21:05:29Scusa ho scritto male..IL BMV. Il battery monitor con schunt. Ha un relè programmabile con cui comandare ad esempio un generatore...oppure se invertito può scollegare una linea,ad esempio un caricabatterie o regolatore. Si può impostare a tensione o a SOC batteria. Tuttavia io non lo possiedo e no so nel dettaglio. Io possiedo lo smartshunt che non ha questa funzione.
C'è un utente del forum che ha programmato il bm victron per attivare i caricabatterie e regolatori solo sotto 50% e staccarli a 80%. Di quale accessorio parli?
In risposta al messaggio di Hunter85 del 25/10/2022 alle 21:36:03Grazie, immagino che il relé possa comandare un solo caricatore.
Scusa ho scritto male..IL BMV. Il battery monitor con schunt. Ha un relè programmabile con cui comandare ad esempio un generatore...oppure se invertito può scollegare una linea,ad esempio un caricabatterie o regolatore.Si può impostare a tensione o a SOC batteria. Tuttavia io non lo possiedo e no so nel dettaglio. Io possiedo lo smartshunt che non ha questa funzione. Ci sono altri modi con victron e non solo per fare questo
In risposta al messaggio di Hunter85 del 25/10/2022 alle 21:48:04Sempre se il BMS non è incorporato nella batteria
Inoltre il panorama dei bms delle lifepo4 4 credo sia vario. ci sono addirittura bms in grado di modificare automaticamente la tensione di carica di un regolatore/Cb opportuno a seconda delle condizioni di invecchiamentoe uso delle celle. Dinamici. Io non ho ben capito una cosa se i bms classici delle lifepo4 monoblocco tipo NDS siano in grado di stoppare automaticamente la corrente di carica da un regolatore/Cb..se hanno all interno relè così potenti da fare questo (ad esempio a stato solido). Se così fosse non vedo la necessità di opportuni programmi litio nei Cb e le necessità dei DC DC in un alternatore non Smart. Tralaltro il programa generico litio di Cb e regolatori è identico a un programma generico AGM, salvo l interruzione per bassa temperatura,cosa che amche dovrebbe fare il bms di suo. Tanto che ho da poco scoperto una piccola azienda americana (3 persone) che hanno sviluppato un regolatore Mppt (16 e 20A) molto particolare (back boost) scommettendo sulla diffusione delle LIFEPO4. Questo regolatore NON È PROGRAMMABILE. Ha un solo programma adatto esclusivamente a lifepo4 e AGM. Non a altre batterie cicliche al pb. Prevede solo una.fase a massima corrente e una fase di assorbimento a 14.4v. nessun FLOATING, ma solo la ripartenza del ciclo sotto 13.5v. Scriverò qualcosa in proposito perché è molto interessante.
In risposta al messaggio di Itinerante15 del 25/10/2022 alle 22:17:02Penso che se i caricatori sono su una Linea sola possa agire su entrambi, se fai comandare al relè del BMV un relè più grosso,non saprei...
Grazie, immagino che il relé possa comandare un solo caricatore. Da quel che ho capito comunque, i caricatori Victron dovrebbero essere programmabili via Bluetooth per scollegarsi al raggiungimento di un certo livello di carica

In risposta al messaggio di Hunter85 del 26/10/2022 alle 00:06:36Ottimi consigli. Non ho capito questo:
Penso che se i caricatori sono su una Linea sola possa agire su entrambi, se fai comandare al relè del BMV un relè più grosso,non saprei... io ho Solo un regolatore Mppt victron e non un Cb. Non si può sconnettere fisicamentea una certa tensione. Puoi impostare un FLOATING basso che è come se si stoppasse. Ma ti carica comunque le litio a 100%. a meno che non metti una DURATA di ASSORBIMENTO TALMENTE BASSA CHE CARICHI SOLO A 80%/90%DI FATTO. TIPO 1 MINUTO. Oppure tramite cavo dati puoi comandare un qualsiasi relè a stato solido come carico virtuale a tensioni programmabili. Se metti il relè sul cavo di uscita del regolatore invece che di un carico, immagino che si possa fare. I CB bluesmart con presa sono molto simili al.regolatore. I Cb Phoenix smart senza presa , anche mi sembrano identici ma non ricordo a memoria onestamente..so che costano il doppio del bluesmart e arrivano a più corrente, hanno uscita BM, non si possono usare mobili e sono ip43 invece che ip22. MA il software e le opzioni sono quasi identici
In risposta al messaggio di Itinerante15 del 26/10/2022 alle 01:12:50Allora parto dall' ultima parte che la so
Ottimi consigli. Non ho capito questo: Penso che se i caricatori sono su una Linea sola possa agire su entrambi, se fai comandare al relè del BMV un relè più grosso,non saprei... Dove si collega al caricatore il relédel BMV? Inoltre, cosa significa: Oppure tramite cavo dati puoi comandare un qualsiasi relè a stato solido come carico virtuale a tensioni programmabili. Se metti il relè sul cavo di uscita del regolatore invece che di un carico, immagino che si possa fare.

https://www.victronenergy.it/ac...


In risposta al messaggio di Itinerante15 del 26/10/2022 alle 02:49:12Ciao ma. NOn ho capito se tu hai caricabatterie o DC DC o regolatore victron.
Mi conviene usare i ponticelli per interruttori manuali e programmare i caricatori da Bluetooth quando non mi serve una carica al 100%
In risposta al messaggio di miciii63 del 26/10/2022 alle 13:08:44Puoi spiegare in modo semplice lo schema?
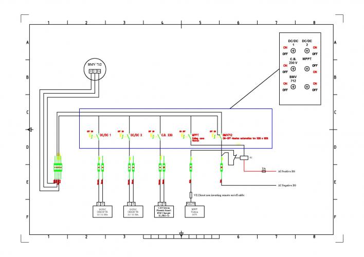
Ciao allego lo schema dell'impianto da me realizzato con il BMV e una serie di interruttori che mi consento di utilizzare le apparecchiature di ricarica in automatico , impostando i valori sul BMV, o in manuale attraverso interruttori. Premetto che tutte le apparecchiature sono Victron.
In risposta al messaggio di Itinerante15 del 26/10/2022 alle 14:23:22Ciao provo a spiegare. Tutte le apparecchiature Victron si attivano ,in questa configurazione, portando il negativo, al morsetto L tranne MPPT . L'interruttore BMV712 se Off porta il negativo a tutti gli interruttori e quindi io manualmente posso attivare una qualsiasi delle fonti di alimentazione invece se commutatore su On il relè del BMV712 porterà il negativo solo sotto la soglia di SOC impostato e a questo punto si attiveranno le fonti di ricarica che a ranno L'interruttore su On. Spero di essere stato chiaro.
Puoi spiegare in modo semplice lo schema? Come è collegato il relè BMV ai ponticelli dei caricatori Victron?
In risposta al messaggio di miciii63 del 26/10/2022 alle 14:48:27Un paio di domande: ho letto che le batterie litio si rovinano se caricate quando sono gia cariche, ma allora si rovinano avendole sempre collegate al carica batterie "da marcia"?
Ciao provo a spiegare. Tutte le apparecchiature Victron si attivano ,in questa configurazione, portando il negativo, al morsetto L tranne MPPT . L'interruttore BMV712 se Off porta il negativo a tutti gli interruttori e quindiio manualmente posso attivare una qualsiasi delle fonti di alimentazione invece se commutatore su On il relè del BMV712 porterà il negativo solo sotto la soglia di SOC impostato e a questo punto si attiveranno le fonti di ricarica che a ranno L'interruttore su On. Spero di essere stato chiaro.