In risposta al messaggio di ik6Amo del 12/03/2019 alle 14:54:08Rivedere tutto l impianto elettrico di un mezzo vecchio è IMPOSSIBILE per me.. Ma vedrò di rifare solo questo fusibile capriccioso perché non mi piace.
Per fere una cosa precisa sarebbe necessario vedere fisicamente i connettori faston ed il filo. Quando un contatto si surriscalda, si surriscalda anche il rame che lo collega. Se la temperatura raggiunta è elevata il ramesi cuoce Diventa rossiccio ed opaco e non rappresenta più un buon contatto. Allora va eliminato quello spezzone di filo, fino ad arrivare al rame chiaro e lucido, va rimontato il faston ecc.
In risposta al messaggio di Hunter85 del 12/03/2019 alle 15:14:04Non so perchè ti riferisci all'acqua. Per caso ti è entrata acqua nella scatola fusibili? Se si, potrebbe essersi ossidato qualche contatto, con il conseguente surriscaldamento.
Rivedere tutto l impianto elettrico di un mezzo vecchio è IMPOSSIBILE per me.. Ma vedrò di rifare solo questo fusibile capriccioso perché non mi piace. Ed é abbastanza inquietante non sapere perché funziona regolarmente la ventola, ma un bel giorno si è squagliato.. E dopo ha rifunzionato bene... Forse acqua? Grazie intanto
In risposta al messaggio di Hunter85 del 12/03/2019 alle 15:24:20Le due batterie in parallelo debbono risultare come se ne fossero una sola. Per un parallelo perfetto, per quanto ne dicano alcuni esperti del forum, è necessario utilizzare batterie perfettamente uguali di tipo, tensione, marca e potenza e possibilmente uscite dallo stesso ciclo produttivo. Naturalmente lo stato d'uso di entrambe deve essere: NUOVE.
Riguardo i fusibili del parallelo trovo la soluzione di ik6amo piu pratica con un solo fusibile sul negativo... Tuttavia andare a prendere il negativo su una batteria e il positivo sull altra,(disegnoB) anche se é l optimum,credo che in senso pratico non cambi nulla... Per cui se si può bene, altrimenti come nel mio caso in cui diventa iper laborioso per le posizioni di batterie e utenze, il disegno A) sarà altrettanto equilibrato con cavi sotto il metro... Anche perché a voler essere pignoli bisognerebbe considerare anche DOVE LE UTENZE PRENDONO IL NEGATIVO...non solo bilanciare il cavo che va al telaio... Infatti nel mio mezzo poi ci sono altri 3 metri di cavo da 6mmq che portano la massa in coda a tutte le utenze del pannello di controllo(e questo da schema originale) .quindi il grosso cavo che dalla batteria va al telaio é totalmente ininfluente che sia sulla batteria 1 o sulla batteria 2, nel complesso ...
In risposta al messaggio di ik6Amo del 12/03/2019 alle 15:38:56Ma nel mio caso sarebbe difficile anche con batterie uguali!
Le due batterie in parallelo debbono risultare come se ne fossero una sola. Per un parallelo perfetto, per quanto ne dicano alcuni esperti del forum, è necessario utilizzare batterie perfettamente uguali di tipo, tensione,marca e potenza e possibilmente uscite dallo stesso ciclo produttivo. Naturalmente lo stato d'uso di entrambe deve essere: NUOVE. I fili che collegano i positivi ed i negativi debbono essere uguali di materiale (potrebbe non essere rame), sezione e lunghezza. L'introduzione di fusibili rappresenta resistenza, quindi se se ne vuole introdurre, è necessario porne eguali anche nel collegamento negativo, al fine di bilanciare il parallelo. Questa è la teoria. Poi, la pratica potrebbe anche esser diversa. Anche il mio parallelo non è perfetto, perchè la batteria del camper, anche se dello stesso tipo, potenza e marca di quella aggiuntiva, non è sicuramente dello stesso ciclo produttivo ed ha uno stato d'uso ignoto, poichè montata nel camper all'origine ed usata da me fin dal giugno 2018. Malgrado questo, cerco di avvicinarmi il più possibile alla teoria. Poco importa dove sono presi i fili di collegamento dei servizi. L'importante è collegarsi, per quanto possibile, al positivo di una ed al negativo dell'altra al fine di bilanciare le resistenze, riportando poi il tutto all'impianto originale del camper. Nel mio parallelo, ben consapoevole di un collegamento un pò più lungo, ho preferito riportare un filo da 16 mm2 dal negativo della seconda batteria fono alla presa originale, che si trova in prossimità del primo accumulatore. Questo per non alterare l'impianto originale del mezzo. L'accoppiata degli accumulatori però risulta un parallelo perfetto e quindi come una sola batteria. Considerata la tua situazione, (due batterie diverse) non ti consiglio di fare modifice. Il tuo parallelo è troppo irregolare per poterlo bilanciare correttamente, quindi ogni opera in più sarebbe inutile. Questo non significa che non funzioni. Forse darà problemi, forse no. Tutto dipende molto da come vengono effettuati i prelievi e le ricariche; moltissimo dalle correnti di prelievo e ricarica.
In risposta al messaggio di Hunter85 del 12/03/2019 alle 17:09:03La serie di batterie è più delicata del parallelo. Considera che se una delle due va in scarica profonda e l'altra resta ben efficiente, si può addirittura avere inversione di carica verso quella ormai inutilizzabile.
Sapete che?? Appena torno in Italia chiedo a mia sorella se ha qualche amico INGEGNERE elettronico o elettrico che sia, per chiedergli la teoria a suon di formule, perché sono curioso... Riguardo ai consiglidelle batterie dello stesso lotto... I costruttori lo consigliano solo per il parallelo o anche per la serie? E per il serie/parallelo che dicono? Io finora ne ho una da 90ah e una da 100ah e funzionano alla perfezione, ma come su tutto voglio capire bene la teoria... Ma a quattrocchi con qualcuno che possa fugare eventuali dubbi .. Su un forum dietro una tastiera ci sono troppe incomprensioni
In risposta al messaggio di ik6Amo del 12/03/2019 alle 15:22:53Scusa leggo solo ora...
Non so perchè ti riferisci all'acqua. Per caso ti è entrata acqua nella scatola fusibili? Se si, potrebbe essersi ossidato qualche contatto, con il conseguente surriscaldamento.
In risposta al messaggio di ik6Amo del 12/03/2019 alle 20:06:47Sono curioso anch'io, mi fai vedere come circola la corrente, magari coadiuvando il tutto con qualche schema, numero e richiami su quali teoremi applichi?
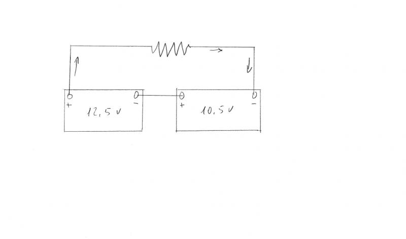
Se conosci un minimo di elettrotecnica, disegnati due batterie in serie e studia la circolazione di corrente con applicato un carico quando una di queste è a 10,5V e l'altra a 12,5. Capirai tante cose.
In risposta al messaggio di Hunter85 del 12/03/2019 alle 20:13:24Si tratte del pacco batterie di un UPS. In genere sono in serie-parallelo. Non ci sono fusibili fra loro, i collegamenti sono fatti tramite barre in rame o piombo e sono composti da batterie perfettamente uguali di tipo, marca, potenza e ciclo produttivo.
erano tutte in serie ? Quanti volt facevano ? Sembrano 96 batterie... Possibile 1.152v? A cosa servono se posso chiedere?
In risposta al messaggio di ik6Amo del 12/03/2019 alle 20:22:18la circolazione è sempre nello stesso senso, sia che siano entrambe a 12, una a 10 e una a 100 e chi più ne ha e più ne mennta. l'unica cosa che cambia è la ddp complessiva. se riesci a dimostrare il contrario prendi il postro di kirchoff, thevenin e norto in un colpo solo.
Ecco come funziona. la batteria con tensione superiore creerà uno scorrimento di corrente che, attraverso il carico, porterà energia al negativo della batteria scarica. Naturalmente la stessa cosa avverrà nell'altro polo,con conseguente inversione di polarità nella carica. Visto così è difficile da pensare, ma sostituisci alla batteria carica in generatore (caricabatterie o simile e capirai il funzionamento. Questo accade anche all'interno delle normali batterie, infatti gli elementi sono in serie fra loro e, quando diciamo che un elemento è in corto, non sempre è così o comunque può essere andato in corto per questo fenomeno.
In risposta al messaggio di Hunter85 del 12/03/2019 alle 20:10:47nel tempo i contatti sul fusibile possono essersi ossidati e così causare i problemi che conosci.
Scusa leggo solo ora... No intendevo un corto sulla ventola per l acqua del lavaggio o della pioggia visto che su questi mezzi tutti i cavi sono a vista, l acqua può far danni.. Ma sarei saltato il fisibile invece di sciogliersi la plasica no?
In risposta al messaggio di Laikone del 12/03/2019 alle 20:53:32Ho capito perfettamente il discorso dei fusibile ventola
nel tempo i contatti sul fusibile possono essersi ossidati e così causare i problemi che conosci. Riprovo a spiegare la questione. Un fusibile può saltare per un corto circuito o perchè l'utenza a cui è collegato richiedetroppa corrente che il fusibile non è in grado di far passare attraverso di sè. Il tuo problema non è nessuno di questi due, ma è certamente quello di una cattiva conduzione. Questa cattiva conduzione può essere causata in tanti modi... data la situazione si pensa subito al contatto sul fusibile, quindi ai faston, i quali potrebbero essersi allentati nel tempo e causare un cattivo contatto, oppure, sempre a causa del tempo, e degli eventuali sbalzi di temperatura, magari a causa di una vacanza invernale, o qualsiasi altra condizione in grado di far formare un minino di umidità/condensa. Dai una volta, dai due il contatto si è ossidato dando origine al problema che ha generato calore e infine la fusione della plastica. Ora chiederai perchè proprio QUEL fusibile e non gli altri... il mistero è presto risolto... è l'assorbimento più elevato che quella scatola porta fusibili è in grado di portare e che quindi amplifica il problema conduzione. Magari il problema è ANCHE su tutti gli altri fusibili, ma dato il basso assorbimento dell'utenza collegata non si crea un calore tale da fondere la plastica. Ti darei un consiglio semplice semplice... quello di togliere un fusibile alla volta e dargli una spazzolata e per quanto riesci fai la stessa cosa sui faston facendo attenzione a NON allargare o forzare le lamelle di contatto. In merito al parallelo indicato da Ik6Amo aggiungo... Si parla del PARALLELO, non di ciò che vi è dopo le batterie. In altre parole, lo scambio di corrente tra una batteria a l'altra NON DEVE incontrare resistenze e questo può avvenire soltanto se i conduttori sono importanti come sezione e dimensione commisurati ai prelievi. Esempio assurdo ma è solo per farti capire... se monto cavi per un parallelo di 2.5mmq e collego un inverter da 1000W secondo te, il prelievo di corrente avviene in egual misura dalle batterie? Eppure l'inverter funziona... In realtà così facendo la batteria su cui è collegato l'inverter fornisce la corrente al funzionamento, e la seconda lo fa ma in modo marginale. Allo spegnimento dell'inverter certamente le batterie torneranno a livellarsi, ma il tutto avviene in modo anomalo e sbilanciato. Che io abbia all'uscita del positivo del pacco batterie, cioè ciò che alimenta la cellula, un cavo di 1mt o di 5 ai fini del parallelo non cambia nulla, perchè il prelievo avviene sempre da quel punto e il pacco batterie risulta essere un corpo unico ergo, è come avere una batteria grande il doppio. Ciò che Ik6Amo cerca di spiegare da anni, che è quello che dico e supporto da anni pure io, che è quello che dicono i PRODUTTORI di batterie, I MIGLIORI produttori di batterie, è che per il MASSIMO rendimento di due batterie in parallelo BISOGNA osservare certe regole che riporto al seguito, tutto il resto è fantasia da forum.
.jpg)