CamperOnLine
  • Camper
    • Camper usati
    • Camper nuovi
    • Produttori
    • Listino
    • Cataloghi
    • Concessionari e rete vendita
    • Noleggio
    • Van
    • Caravan
    • Fiere
    • Rimessaggi
    • Le prove di CamperOnLine
    • Provati da voi
    • Primo acquisto
    • Area professionisti
  • Accessori
    • Accessori e Prodotti
    • Camping Sport Magenta accessori
    • Produttori
    • Antenne TV
    • Ammortizzatori
    • GPS
    • Pneumatici
    • Rimorchi
    • Provati da Voi
    • Fai da te
  • Viaggi
    • Diari di viaggi in camper
    • Eventi
    • Foto
    • Check list
    • Traghetti
    • Trasporti
  • Sosta
    • Cerca Strutture
    • Sosta
    • Aree sosta camper
    • Campeggi
    • Agriturismi con sosta camper
    • App Camperonline App
    • 10 Consigli utili per la sosta
    • Area strutture
  • Forum
    • Tutti i Forum
    • Sosta
    • Gruppi
    • Compagni
    • Italia
    • Estero
    • Marchi
    • Meccanica
    • Cellula
    • Accessori
    • Eventi
    • Leggi
    • Comportamenti
    • Disabili
    • In camper per
    • Altro Camper
    • Altro
    • Extra
    • FAQ
    • Regolamento
    • Attivi
    • Preferiti
    • Cerca
  • Community
    • COL
    • CamperOnFest
    • Convenzioni Convenzioni
    • Amici
    • Furti
    • Informativa Privacy
    • Lavoro
  • COL
    • News
    • Newsletter
    • Pubblicità
    • Contatto
    • Ora
    • RSS RSS
    • Video
    • Facebook
    • Instagram
  • Magazine
  • Italiano
    • Bienvenue
    • Welcome
    • Willkommen
  • Accedi
CamperOnLine
Camping Sport Magenta
  1. Forum
  2. Tecnica
  3. Accessori
Galleria

Regolatore fotovoltaico PWM con batteria al litio

Rispondi
Cerca
Berger Camping
SostaGruppiCompagniItaliaEsteroMarchiMeccanicaCellulaAccessoriEventiLeggiComportamentiDisabiliIn camper perAltro CamperAltroExtra Attivi
1 20 9
20
Emme48
Emme48
rating

13/01/2006 24733
Rispondi Abuso
Inserito il 01/12/2025 alle: 08:53:55
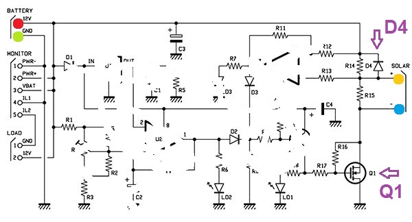
Già un paio di volte ho sollevato il dubbio che un regolatore PWM, ma purtroppo anche alcuni regolatori economici MPPT, non sia saggio usarli con impianto al litio.
Ecco uno schema elettrico di un regolatore PWM sul quale ho fato delle cancellazioni per problemi di copyright, ora cerco di spiegare il motivo di questa mia affermazione.
pwmzzz(1).jpg
Anche senza conoscere l'elettronica si vede che a sinistra c'è la BS con i contatti ROSSO e VERDE, mentre a destra c'è il pannello solare con i contatti GIALLO e BLU.
I componenti incriminati sono il diodo D4 e il Mosfet Q1

Il diodo D4 collega direttamente il positivo del pannelllo fotovoltaico col positivo della BS, ma quel diodo impedisce il ritorno di corrente dalla BS verso il pannello quando è notte.
Poi c'è il mosfet Q1 che è il componente di potenza che è gestito dall'elettronica e che regola la ricarica della batteria.
I componenti di potenza sono quelli che scaldano e che sono più soggetti a guasto, spesso il tipico malfunzionamento di un mosfet è ul corto tra i terminali (drain e source) che lo trasformano in un contatto permanente.

In questo scenario abbiamo il positivo del pannello solare collegato al positivo BS (tramite il diodo D4) e il negativo del pannello solare collegato al negativo della BS (tramite Q1 in corto), quindi pannello solare e batteria sono in parallelo tra loro.
La ricarica avviene alla massima corrente che il sole riesce a generare tramite il pannello, mentre la tensione "tende" alla tensione a vuoto del pannello solare, ad esempio 20 Volt.
Una litio ha un BMS che protegge le celle e non l'impianto, quando la BS è carica al massimo il BMS interrompe l'assorbimento dell'energia (incontrollata) proveniente dal PWM, a quel punto la BS viene disconnessa e la tensione sul suo polo positivo è libera di fluttuare in alto fino a 20 Volt.
Con 20 Volt e la ricarica inibita il BMS è probabile che scolleghi del tutto la batteria per proteggere le celle, abbiamo la tempesta perfetta.

Quei 20 Volt possono guastare tutto ciò che è alimentato a 12 Volt e che non passa dalla centralina, come l'inverter e i riscaldatori a gasolio.
Marco

http://www.m48.it

6
Bicio90
Bicio90
30/12/2019 1747
Rispondi Abuso
Inserito il 01/12/2025 alle: 12:21:46
In risposta al messaggio di Emme48 del 01/12/2025 alle 08:53:55

Già un paio di volte ho sollevato il dubbio che un regolatore PWM, ma purtroppo anche alcuni regolatori economici MPPT, non sia saggio usarli con impianto al litio. Ecco uno schema elettrico di un regolatore PWM sul quale
ho fato delle cancellazioni per problemi di copyright, ora cerco di spiegare il motivo di questa mia affermazione. Anche senza conoscere l'elettronica si vede che a sinistra c'è la BS con i contatti ROSSO e VERDE, mentre a destra c'è il pannello solare con i contatti GIALLO e BLU. I componenti incriminati sono il diodo D4 e il Mosfet Q1 Il diodo D4 collega direttamente il positivo del pannelllo fotovoltaico col positivo della BS, ma quel diodo impedisce il ritorno di corrente dalla BS verso il pannello quando è notte. Poi c'è il mosfet Q1 che è il componente di potenza che è gestito dall'elettronica e che regola la ricarica della batteria. I componenti di potenza sono quelli che scaldano e che sono più soggetti a guasto, spesso il tipico malfunzionamento di un mosfet è ul corto tra i terminali (drain e source) che lo trasformano in un contatto permanente. In questo scenario abbiamo il positivo del pannello solare collegato al positivo BS (tramite il diodo D4) e il negativo del pannello solare collegato al negativo della BS (tramite Q1 in corto), quindi pannello solare e batteria sono in parallelo tra loro. La ricarica avviene alla massima corrente che il sole riesce a generare tramite il pannello, mentre la tensione tende alla tensione a vuoto del pannello solare, ad esempio 20 Volt. Una litio ha un BMS che protegge le celle e non l'impianto, quando la BS è carica al massimo il BMS interrompe l'assorbimento dell'energia (incontrollata) proveniente dal PWM, a quel punto la BS viene disconnessa e la tensione sul suo polo positivo è libera di fluttuare in alto fino a 20 Volt. Con 20 Volt e la ricarica inibita il BMS è probabile che scolleghi del tutto la batteria per proteggere le celle, abbiamo la tempesta perfetta. Quei 20 Volt possono guastare tutto ciò che è alimentato a 12 Volt e che non passa dalla centralina, come l'inverter e i riscaldatori a gasolio. Marco
...
Ciao Marco, come devo fare per verificare che non accada questa condizione? Ho un regolatore mppt Victron smartsolar 75/15, dovrebbe essere un buon regolatore ma nuovo costa 50€ quindi lo reputo comunque economico
Benivan B100

Modificato da Bicio90 il 01/12/2025 alle 12:22:05
20
Emme48
Emme48
rating

13/01/2006 24733
Rispondi Abuso
Inserito il 01/12/2025 alle: 12:41:23
In risposta al messaggio di Bicio90 del 01/12/2025 alle 12:21:46

Ciao Marco, come devo fare per verificare che non accada questa condizione? Ho un regolatore mppt Victron smartsolar 75/15, dovrebbe essere un buon regolatore ma nuovo costa 50€ quindi lo reputo comunque economico
Il tuo MPPT 75/15 va bene, al primo guasto si ferma e non fa danni.
Il problema (raro, ma possibile) riguarda solo i regolatori con tecnologia PWM
 
Marco

http://www.m48.it

5
ligurt
ligurt
17/07/2020 9
Rispondi Abuso
Inserito il 04/04/2026 alle: 17:55:19
In risposta al messaggio di Emme48 del 01/12/2025 alle 12:41:23

Il tuo MPPT 75/15 va bene, al primo guasto si ferma e non fa danni. Il problema (raro, ma possibile) riguarda solo i regolatori con tecnologia PWM  
Ciao Marco, il problema può presentarsi anche con questo regolatore sul mio Arca GLT720? Ti allego le caratteristiche del mio regolatore.
20
Emme48
Emme48
rating

13/01/2006 24733
Rispondi Abuso
Inserito il 04/04/2026 alle: 17:58:11
In risposta al messaggio di ligurt del 04/04/2026 alle 17:55:19

Ciao Marco, il problema può presentarsi anche con questo regolatore sul mio Arca GLT720? Ti allego le caratteristiche del mio regolatore.
Modello del regolatore?
Marco

http://www.m48.it

Luglio 2022: Alsazia, Lorena e Normandia
Luglio 2022: Alsazia, Lorena e Normandia
Finlandia in camper
Finlandia in camper
Viitasaari, il comune dei 630 laghi
Viitasaari, il comune dei 630 laghi
Viaggio in camper 2025 nel Perigord
Viaggio in camper 2025 nel Perigord
Alla scoperta della Polonia, in camper
Alla scoperta della Polonia, in camper
Previous Next
16
mimmo69
mimmo69
21/09/2009 5056
Rispondi Abuso
Inserito il 04/04/2026 alle: 19:36:32
In risposta al messaggio di Emme48 del 01/12/2025 alle 08:53:55

Già un paio di volte ho sollevato il dubbio che un regolatore PWM, ma purtroppo anche alcuni regolatori economici MPPT, non sia saggio usarli con impianto al litio. Ecco uno schema elettrico di un regolatore PWM sul quale
ho fato delle cancellazioni per problemi di copyright, ora cerco di spiegare il motivo di questa mia affermazione. Anche senza conoscere l'elettronica si vede che a sinistra c'è la BS con i contatti ROSSO e VERDE, mentre a destra c'è il pannello solare con i contatti GIALLO e BLU. I componenti incriminati sono il diodo D4 e il Mosfet Q1 Il diodo D4 collega direttamente il positivo del pannelllo fotovoltaico col positivo della BS, ma quel diodo impedisce il ritorno di corrente dalla BS verso il pannello quando è notte. Poi c'è il mosfet Q1 che è il componente di potenza che è gestito dall'elettronica e che regola la ricarica della batteria. I componenti di potenza sono quelli che scaldano e che sono più soggetti a guasto, spesso il tipico malfunzionamento di un mosfet è ul corto tra i terminali (drain e source) che lo trasformano in un contatto permanente. In questo scenario abbiamo il positivo del pannello solare collegato al positivo BS (tramite il diodo D4) e il negativo del pannello solare collegato al negativo della BS (tramite Q1 in corto), quindi pannello solare e batteria sono in parallelo tra loro. La ricarica avviene alla massima corrente che il sole riesce a generare tramite il pannello, mentre la tensione tende alla tensione a vuoto del pannello solare, ad esempio 20 Volt. Una litio ha un BMS che protegge le celle e non l'impianto, quando la BS è carica al massimo il BMS interrompe l'assorbimento dell'energia (incontrollata) proveniente dal PWM, a quel punto la BS viene disconnessa e la tensione sul suo polo positivo è libera di fluttuare in alto fino a 20 Volt. Con 20 Volt e la ricarica inibita il BMS è probabile che scolleghi del tutto la batteria per proteggere le celle, abbiamo la tempesta perfetta. Quei 20 Volt possono guastare tutto ciò che è alimentato a 12 Volt e che non passa dalla centralina, come l'inverter e i riscaldatori a gasolio. Marco
...
Ciao Marco. Il tuo ragionamento prescinde dal tipo di regolatore e dal tipo di impianto ed elettroniche presenti? 
Cioè è SEMPRE valido? 
Chiedo perché ho un PWM e impianto Litio e prima di mettere mani vorrei essere certo di correre questo rischio. 
Tempo addietro, dopo un tuo intervento per lo stesso argomento, con te ed altri valutammo che nel mio caso, considerando il mio impianto, non avesse senso la sostituzione. 
Ovviamente non voglio parlare di me, ma penso sia una domanda che potrebbero porsi in tanti. 
Grazie. 
Viaggio su Mobilvetta Admiral K6.3 2025 Fiat Ducato 2.2/180 aut. Heavy
20
Emme48
Emme48
rating

13/01/2006 24733
Rispondi Abuso
Inserito il 04/04/2026 alle: 21:18:32
In risposta al messaggio di mimmo69 del 04/04/2026 alle 19:36:32

Ciao Marco. Il tuo ragionamento prescinde dal tipo di regolatore e dal tipo di impianto ed elettroniche presenti?  Cioè è SEMPRE valido?  Chiedo perché ho un PWM e impianto Litio e prima di mettere mani vorrei essere
certo di correre questo rischio.  Tempo addietro, dopo un tuo intervento per lo stesso argomento, con te ed altri valutammo che nel mio caso, considerando il mio impianto, non avesse senso la sostituzione.  Ovviamente non voglio parlare di me, ma penso sia una domanda che potrebbero porsi in tanti.  Grazie. 
...
Un buon progetto deve stabilire come il tutto funziona.
In generale è bene capire cosa succede quando qualcosa non funziona, di ogni apparato si deve immaginare il guasto più insidioso possibile, non esiste una regola, si deve ragionare.
Un guasto deve generare la fine di una prestazione e non uno scatenarsi incontrollato di disastri a catena.

Nei treni l'aria non serve per frenare ma per sbloccare le ruote, se si rompe un tubo il convoglio si frema.

Non è facile progettare così, ma neanche impossibile.
Bello quel filo, ma... cosa succede se:
a) lo taglio
b) lo collego a massa
c) lo collego al positivo
Si deve sapere prima cosa succederà in caso di guasto.
 
Marco

http://www.m48.it


Modificato da Emme48 il 05/04/2026 alle 07:54:18
6
Szopen
Szopen
rating

06/09/2019 6147
Rispondi Abuso
Inserito il 05/04/2026 alle: 09:52:15
Un rele` SSR che scolleghi il negativo dei pannelli allo stacco del BMS puo` essere una buona soluzione.

Ciro.
nomade analogico e fanciulla all'imbrunire. Non ho nulla da vendere nè consigli da dare, solo qualche piccolo suggerimento da prendere con le pinze, possibilmente, amperometriche. Buoni Km a tutti e......... rammentate sempre che....... TESTAR NON NUOCE!
20
Emme48
Emme48
rating

13/01/2006 24733
Rispondi Abuso
Inserito il 05/04/2026 alle: 09:58:31
In risposta al messaggio di Szopen del 05/04/2026 alle 09:52:15

Un rele` SSR che scolleghi il negativo dei pannelli allo stacco del BMS puo` essere una buona soluzione. Ciro.
Dove lo trovi un segnale digitale che corrisponde allo scollegamento della sola ricarica?
Forse sondando la corrente di ricarica, ma la notte si scollegherebbe.
Marco

http://www.m48.it

6
Szopen
Szopen
rating

06/09/2019 6147
Rispondi Abuso
Inserito il 05/04/2026 alle: 10:10:00
In risposta al messaggio di Emme48 del 05/04/2026 alle 09:58:31

Dove lo trovi un segnale digitale che corrisponde allo scollegamento della sola ricarica? Forse sondando la corrente di ricarica, ma la notte si scollegherebbe.
Mi riferivo a questo tuo scritto:

“Con 20 Volt e la ricarica inibita il BMS è probabile che scolleghi del tutto la batteria per proteggere le celle, abbiamo la tempesta perfetta.“

Un eventuale stacco del BMS disalimenta lo SSR che di fatto scollega il negativo del pannello dal regolatore. 

Ciro. 
nomade analogico e fanciulla all'imbrunire. Non ho nulla da vendere nè consigli da dare, solo qualche piccolo suggerimento da prendere con le pinze, possibilmente, amperometriche. Buoni Km a tutti e......... rammentate sempre che....... TESTAR NON NUOCE!
SostaGruppiCompagniItaliaEsteroMarchiMeccanicaCellulaAccessoriEventiLeggiComportamentiDisabiliIn camper perAltro CamperAltroExtra Attivi
Argomenti recenti dal forum
Accessori
Pannelli solari....
Buonasera a tutti. Ho visto che ci sono pannelli solari a 12 e 24 volt, chiedo ...si po...
volpes
Oggi alle 18:38
Compagni di viaggio
Viaggio prime due settimane di settembre
Ciao, siamo Ettore e Raffaella (61 e 55) da soli senza prole (figli grandi) né animali (no...
IlMago
Oggi alle 17:02
Accessori
comando accensione boiler ATI
Buongiorno al Gruppo, ho un Rimor Koala 100 che ancora ci porta a spasso. Ultimamente si e...
Robby 50
Oggi alle 15:16
Altro sui camper
Parere su acquisto camper usato
Buongiorno a tutti. Avrei intenzione di acquistare un camper ELNAGH MARLIN 57 su FORD TRAN...
Ezio-2026
Oggi alle 13:54
Altro sui camper
Dubbi da neofita nella scelta del primo mezzo
Ciao a tutti! Siamo una coppia con cane dalla Toscana, neofiti del camper ma con buona man...
Den7
Oggi alle 13:48
Accessori
Alimentazione camper Schuko + Industriale
Buongiorno, avrei bisogno un chiarimento elettrico Sappiamo che la norma prevede una prolu...
CaroladeMondini
Oggi alle 11:24
Cellula abitativa
Frigo Thetford il piezo non fa la scintilla
Buongiorno a tutti, ho un problema col frigo, va benissimo a12v, a 220 ma non va a gas. Ho...
Mag172
Oggi alle 10:22
Cellula abitativa
Serranda nere nautico Laika che non si apre
Buongiorno a tutti. ho da pochi mesi un Laika Ecovip H 720 con serbatoio nautico e l'altro...
Macrilla
Oggi alle 09:16
Altro sui camper
Pulizia waterless
Buongiorno, qualcuno usa prodotti waterless per la pulizia del camper? Se si come vi trova...
Malu
Oggi alle 08:58
Viaggi all'estero
Da Roma a marrakech in solitaria in economia
Ciao, vi spiego la situazione: mia moglie ha ferie dal 10 agosto al 8 settembre; io avrei ...
gianninotopo
Ieri alle: 22:04
Accessori
Impianto elettrico Malibu e Batteria LiFePo4 DIY
Ciao a tutti apro questo thread per condividere qualche lavoretto e perchè avrò bisogno di...
ciberbastard
Ieri alle: 21:47
Viaggi in Italia
Destinazione Castiglione della Pescaia (da Monza)
Egregi, buongiorno, abbiamo prenotato una decina di giorni a Castiglione della Pescaia ad ...
CaroladeMondini
Ieri alle: 18:45
168k Facebook
343k Instagram
42,6k TikTok
73,6K Youtube
CamperOnLine - Copyright © 1998-2026 - P.Iva 06953990014
Informativa privacy
Loading...

Accedi

Recupera Password
Nuovo utente

Vuoi eliminare il messaggio?

Sottoscrizione

Anteprima

PREFERENZA

Il messaggio è in fase di inserimento.

loading

CamperOnLine

Buongiorno gentile utente,

da oltre 20 anni Camperonline offre gratuitamente tutti i suoi servizi
grazie agli inserzionisti che ci hanno dato la loro fiducia, permettici di continuare il nostro lavoro disattivando il blocco delle pubblicità.

Grazie della collaborazione.

Azione eseguita con successo

Azione Fallita

Condividi

Condividi questa pagina con:

O copia il link