http://www.electroschematics.co...
e impiega un diverso sensore di temperatura (LM35) al quale continuo a preferire il più moderno e versatile DS18B20.

In risposta al messaggio di Bob Plissken del 12/03/2016 alle 23:14:08
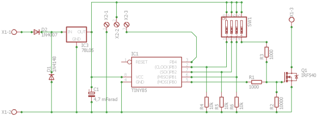
@calasci Il turbovent che conosco è già regolabile in velocità e termostatato. L'unico controllo da aggiungere è un interruttore ON-OFF sulla base della tensione BS, non andrei oltre perché non farebbe un gran beneall'elettronica del turbovent stesso. Se invece ti riferisci a una generica ventola da oblò la risposta è sì, potresti controllarla così. @brubru Complimenti per il progetto, per la scelta di un controller meno famoso e anche per la complessità maggiore, premiata però da dimensioni minime. Due piccoli appunti, più per accumulare esperienza che altro. LM7805 è uno stabilizzatore a 5V, che quindi dissipa l'energia in eccesso scaldando (e neanche poco) nel scendere dai 12V (che poi sono nominali, in realtà anche 14,2 con batteria in carica). Dopo qualche esperimento iniziale, ho comprato una batteria di 5 converter DC-DC step down ( di solito sono su LM2596) regolabili tramite trimmer, che hanno 2A di corrente e efficienza molto maggiore. Visto che il loro costo è di 2 euro circa, propenderei per un'alimentazione più efficiente (minor consumo e minor calore). Il secondo è più sostanzioso, riguarda la scelta del MOSFET IRF540 che ritengo non perfetta, per la tensione di soglia fino 4V. Per questa ragione, io avrei scelto il quasi identico IRL540 che però inizia a condurre tra 2 e 3V (la L sta per compatibile TTL). Il problema è che la serie IRF pilotata a 5V potrebbe comportarsi in maniera anomala in certe condizioni, quindi perde in affidabilità l'intero sistema. Parlando di codice, qualche piccolo dubbio mi rimane sui cicli principali... il primo è che non capisco perché per 30 secondi ti affanni a leggere una temperatura (200 campioni separati da 0,15s) per poi farne la media, piuttosto farei una media mobile su meno letture nello stesso periodo - ma non chiuderei in loop il controller e i dati sarebbero sempre disponibili. La seconda è più cattivella, ma quel delay(120000) grida vendetta! In pratica il sistema si mette a correre in tondo senza far nulla per 120 secondi, un'enormità. Il modo per gestire attese senza bloccare il controller è semplice: long msRitardo=0; loop () { ... if (millis() > msRitardo) { <codice da eseguire ogni 120 secondi> msRitardo+=120000; } ... } In questo modo ogni ciclo viene solo letto il numero di millisecondi dall'accensione o dall'ultimo reset ( millis() ) e confrontato con un certo valore che sarà man mano incrementato. Infine, trovo molto carina l'idea dei DIP switch per impostare la temperatura, semplice e quasi infallibile. Nel complesso, magari avrei scritto diversamente il codice e avrei cambiato un pochino la linea di gate, ma alla fine il tuo regolatore funziona perfettamente e andiamo quindi nel campo dell'estetica Di nuovo, complimenti! Roberto Laika Kreos 3002 (35C17-2005)
Ciao,
In risposta al messaggio di Bob Plissken del 12/03/2016 alle 19:04:56
Raccolgo l'invito degli ottimi ecostar ed Enzo44 e apro questo topic. Spero di dare il mio contributo avendo in parte studiato l'argomento, perché fra i miei progetti futuri c'è l'automazione spinta del riscaldatore dellacellula - già azionato da doppio termostato (min e max). Modulare le ventole in funzione della temperatura può diventare una fesseria se si usa un microcontrollore, e il famoso Arduino ha molta più potenza del necessario, oltre a immense quantità di esempi e librerie per questi e per altri scopi. Mi scuso in anticipo con chi conosce l'argomento, ma giusto per far capire alcune potenzialità, la famiglia di Arduino prevede l'uso di diffusi microcontrollori in un formato standard e una comunità vivacissima, con davvero tante gente che ci ha lavorato sopra e, di conseguenza, moltissime tematiche sono state approfondite. Di fatto, un microcontrollore prevede la possibilità di leggere o modificare stati logici (pin digitali, 0/1 o ancora 0/5V per le schede più comuni) di avere input analogici (0-5V su 10 bit, quindi 1024 step di lettura) e output analogici PWM (0-5V a 8bit, quindi 256 step di regolazione), con l'unico limite che ogni pin sopporta pochi mA. L'interazione fra tutte le porte e tutti gli eventuali calcoli sono basati su un compilatore software che trasforma il notissimo linguaggio C (anche C++, indispensabile per le librerie) in un codice che viene direttamente caricato sul controllore e lì rimane; quindi, dopo la programmazione, l'oggetto funziona in modo autonomo dal computer.. Un esempio: dividiamo il nostro problema nei principali passi, ossia leggiamo una temperatura, la valutiamo in base a dei parametri e a seconda della risposta azioniamo una ventola. Per un problema così semplice basta un Arduino NANO, oppure un più diffuso e versatile UNO R3 - e anche un loro clone è più che adeguato. 1. Per leggere la temperatura (o, meglio, le temperature) userei il Dallas DS18B20, che ha precisione 0,5°C e sensibilità ancora inferiore, fino a 0,0625°C (a scapito del tempo di risposta). Il collegamento prevede tre fili (alimentazione, massa, segnale) dove collegare in parallelo tutti i sensori che voglio, visto che sono codificati unici in fabbrica e che potrò quindi riconoscerli singolarmente. Inoltre il sensore può essere collegato con solo filo segnale più massa, ma ci sono più problemi che vantaggi da questa soluzione, mentre dal punto di vista economico il sensore costa circa 1,5€ nudo o circa il doppio in versione inserita in cappuccio inox, impermeabile e cablata con fili. 2. La libreria per Arduino permette di interrogare uno specifico sensore e di ottenere direttamente la temperatura con i relativi decimali. Dopo basterà confrontare il valore di temperatura letto con quello impostato, sia esso fisso o modificabile. In quest'ultimo caso c'è la complicazione di gestire l'interfaccia utente, che alla fine rappresenta sempre un notevole impegno. 3. In base al risultato del confronto posso azionare in modo progressivo una ventola, ad esempio pieno regime fino a 2-3°C di differenza, poi rallentamento fino a zero con riduzione graduale (es. 10-15 passi di velocità) in funzione della differenza di temperatura, Per far questo occorre pilotare il motore della ventola con un circuito di potenza, che nella configurazione più semplice consiste in un transistor da almeno 2A max, una resistenza e un diodo di protezione (a volte integrato in alcuni MOSFET tipo IRL540N) . Per evitare ritorni e proteggere il microcontrollore, aggiungerei un optoisolatore, arrivando a una spesa complessiva di un paio di euro. Le ventole da computer montano motori brushless, ma volevo già approfondire di mio e dopo qualche esperimento vi confermerò se il classico transistor (o darlington, oppure MOSFET) è sufficiente. L'immagine sopra viene da ... e impiega un diverso sensore di temperatura (LM35) al quale continuo a preferire il più moderno e versatile DS18B20. Ovviamente si possono prevedere tantissime varianti, a partire magari da un altro sensore di temperatura sul radiatore che inibisca la ventola finché il liquido non è almeno tiepido e ne limiti la velocità fino a che non è caldo... Oppure un termointerruttore (KLIXON) tipo NO (o NA in italiano) che chiuda il circuito solo sopra i 40°C del tubo acqua e spenga tutto al di sotto... Considerando che una scheda clone di Arduino UNO R3 costa attorno ai 7€ e che ci vogliono altri 5€ circa di componenti, le spese maggiori diventano quelle di spedizione dei vari pezzi, seguite dalla scatola per alloggiare il tutto e da eventuali componenti minori (pulsanti, LED di stato o display LCD ecc.) Per concludere, sono disponibile ad approfondire con chiunque me lo chieda, ma per interesse vorrei proporre un baratto personale: caro Enzo, considerando la tua inarrivabile esperienza sui Thermotop e sui riscaldamenti ad acqua e dato che viviamo nella stessa area, sarebbe un grande piacere incontrarti per capire meglio le tue esigenze e ragionare sulle possibile soluzione/i . In cambio ti chiederò di consigliarmi sui passi da fare per il mio sogno di aldizzare il mezzo come hai fatto con il tuo... Roberto Laika Kreos 3002 (35C17-2005)
Ciao Roberto, baratto accettato, quando vuoi possiamo vederci, posso mostrarti il mio impianto dal quale prendere spunti utili per la realizzazione del tuo, ovviamente la disponibilità è per tutti, anch'io, come l'amico Mario, mastico poco l'elettronica, nella mia attività passata ho lavorato in manutenzione, elettrica/meccanica/idraulica di macchine da stampa, a Roma si fabbricano gli "euro", ho soltanto sostituito schede.....apprezzo comunque il tuo contributo e quello Bruno, la gestione elettronica della temperatura per il riscaldamento con impianto ad acqua sarebbe il massimo, spero si possa realizzare un dispositivo a poco costo e disponibile facilmente per tutti, personalmente ho cercato di migliorare il classico on/off, con due termostati ambiente, il primo, inserisce la ventole a piena velocità fino a 16/18 C°, al raggiungimento della temperatura impostata, il contatto di scambio attiva il secondo termostato, che alimenta le ventole a velocità regolabile, manualmente, fino al raggiungimento della temperatura confort regolata, in pratica, in modo analogico, ho cercato di simulare il funzuionamento della Combi con tre stadi di potenza, il sistema non ha nulla a che vedere con i vostri sofisticati progetti, ma funziona. Un saluto Enzo
In risposta al messaggio di Bob Plissken del 13/03/2016 alle 09:21:37
@bruno In effetti ho sbagliato due volte, la prima saltando la L del 78L05 - sono andato a prendermi i datasheet - e la seconda non pensando che avevi un'esigenza di consumo ben diversa dalla mia, dove fra display lcd negativee altri 3 componenti esterni supero i 200mA di picco (circa 60mA di media). Pensa che alla fine ho dovuto abbandonare UNO e passare a MEGA per problemi di stabilità sulla SRAM, diventata insufficiente... e ci ho perso non poco tempo per ottimizzare il codice. A giorni, diciamo verso Pasqua, dovrei pubblicare il mio progetto dopo averlo inscatolato, installato e dopo le debite prove sul campo... mi aspetto interesse, ma anche critiche e quindi voglio essere preparato. Per quanto riguarda il codice, non devi minimamente giustificarti: a parte che non è il mio mestiere, e a parte che riguardando codice scritto da me stesso in precedenza a volte partono le parolacce (ma che c... ho scritto???), l'importante è raggiungere l'obiettivo. L'ottimizzazione, se necessaria, si può fare con calma tenendo però presente il rapporto costo-efficacia, altrimenti diventa una pura mania. Comunque, in OT, il C è IL linguaggio. Prono a errori anche gravi, concettualmente astruso in certi passaggi e delirante in altri (pensa a inserire un record in un DB remoto, ad esempio)... ma efficiente come nessun altro se serve potenza di calcolo. Se per passione sei interessato a un linguaggio potente, relativamente semplice (dopo una pesante fase iniziale, ti avverto) e di buona efficienza, JAVA è la via... Proseguendo nella discussione, sarei curioso di sapere su hai realizzato un circuito stampato (PCB) apposta o se hai montato il tutto su millefori o altro sistema e quali sono le dimensioni finali. @ecostar Se la tua esigenza è di distribuire il calore azionando in modo intelligente una o più ventole su vari radiatori, il progetto si complica un tantino, ma rimane fattibile. Il problema è che o fai parlare i moduli - ed è complicato - oppure metti un unico cervello centrale, il cui schema logico è: 1. misuro le temperature nei diversi vani 2. decido quali ventole azionare secondo una determinata logica - passaggio che potrebbe essere complicato 3. attendo un periodo, poi ricomincio e correggo Il controllore dovrà essere più potente, dovrai passare i cavi segnale dai sensori e verso i MOSFET dei motori delle ventole, ma si tratta di cavetti minuscoli e probabilmente dovrai rivedere più volte la logica di distribuzione dell'aria In sintesi, è un progetto ambizioso, ma molto interessante! Roberto Laika Kreos 3002 (35C17-2005)
Ciao Roberto,
In risposta al messaggio di brubru del 13/03/2016 alle 14:31:35
Ciao Luca, premesso che manomettere un gioiello come la truma può comportare al minimo dei malfunzionamenti, occorre conoscere prima di ogni modifica la logica di controllo della caldaia. Come forse tu sai la truma 6ha tre stadi di potenza 2 , 4 e 6 KW la caldaia per comprendere su quale potenza posizionarsi fa una semplice verifica del delta temperatura tra quella impostata e quella rilevata, maggiore è la differenza maggiore sarà la potenza impostata. Con la stessa logica se la temperature ambiente è maggiore di quella impostata la caldaia si spegnerà pronta a riccendersi qualora la temperatura ambiente scenda. Tutto questo per dire che basta ingannare il sensore della temperatura. Visto che il sensore è una resistenza che cambia valore in base alla temperatura consiglio di staccare il sensore e verificare che valore ha a 30 gradi (valore che ritengo sufficiente per non far funzionare la truma anche se si ha moglie molto freddolosa) poi inserire con il rele del controllo remoto una resistenza (serie o parallelo secondo necessità) in modo che la resitenza finale ( quella inserita sul relè e quella variabile dela sensore temperatura a tempratura di circa 0 gradi) vista dalla truma sia del tutto simile a quella rilevata a 30 o più gradi. A questo punto la logica di controllo della truma crederà che è estate e non si accendera. Appena il controllo remoto muterà lo stato del relè la truma rileverà solo il sensore e se farà freddo la stessa partirà regolarmente. Non occorre nessun controllo aggiuntivo ma un po di pratica e alcuni test. Ciao Bruno Per Mare per Terram - San Marco
ciao bruno ,ti ringrazio per la tua segnalazione , si hai ragione potrei anche agire sulla sonda mettendone un'altra comandata dal relè in parallelo a quella originale ma dovrei lasciare l'interruttore a rotella su on con il led acceso anche se la combi risulta con il bruciatore spento la scheda elettronica viene alimentata con i vari led di diagnostica accesi con un consumo di 0,4A e va comunque monitorata e non dimenticata in rimessaggio perchè non è consigliabile lasciare a lungo tempo la combi in questo stato.,mentre se si intercetta il positivo che da l'accensione tramite rotella sarebbe una funzione più completa ,ovvio che ad andare su quelle connessioni se si sbaglia a dare tensione sul cavetto sbagliato si brucia la scheda elettronica della combi già molto delicata di suo e poi nuova costa 450 euro ......
http://e-domotics.blogspot.it/2...
In risposta al messaggio di ecostar del 13/03/2016 alle 15:14:21
lo ricordate l'interessante sistema di gestione della combi di Mirko Ugolini ! non ho più avuto notizie , che fine ha fatto ? Mario
ciao mario , l'ho proprio contattato a novembre 2015 per avere info a riguardo e mi ha confermato che è disponibile la versione per la combi vecchio modello quella montata in verticale ad un prezzo molto interessante ,per la combi 6 modello orizzantale mi ha confermato di non avere avuto tempo per progettare un modello di comando dedicato e il tutto quindi è fermo al vecchio modello combi verticale , un vero peccato perchè lo avrei preso a occhi chiusi per quella cifra se andava bene alla mia combi 6 ....
In risposta al messaggio di himmer80 del 13/03/2016 alle 15:24:35
ciao mario , l'ho proprio contattato a novembre 2015 per avere info a riguardo e mi ha confermato che è disponibile la versione per la combi vecchio modello quella montata in verticale ad un prezzo molto interessante ,perla combi 6 modello orizzantale mi ha confermato di non avere avuto tempo per progettare un modello di comando dedicato e il tutto quindi è fermo al vecchio modello combi verticale , un vero peccato perchè lo avrei preso a occhi chiusi per quella cifra se andava bene alla mia combi 6 .... carpe diem ...... Luca
probabilmente non è riuscito a ottenere fondi per ampliare il progetto in tempo e nel frattempo Truma con la C6 orizzontale ha provveduto , peccato perchè il suo sistema è veramente interessante e pare abbia anche un costo abbordabilissimo