CamperOnLine
  • Camper
    • Camper usati
    • Camper nuovi
    • Produttori
    • Listino
    • Cataloghi
    • Concessionari e rete vendita
    • Noleggio
    • Van
    • Caravan
    • Fiere
    • Rimessaggi
    • Le prove di CamperOnLine
    • Provati da voi
    • Primo acquisto
    • Area professionisti
  • Accessori
    • Accessori e Prodotti
    • Camping Sport Magenta accessori
    • Produttori
    • Antenne TV
    • Ammortizzatori
    • GPS
    • Pneumatici
    • Rimorchi
    • Provati da Voi
    • Fai da te
  • Viaggi
    • Diari di viaggi in camper
    • Eventi
    • Foto
    • Check list
    • Traghetti
    • Trasporti
  • Sosta
    • Cerca Strutture
    • Sosta
    • Aree sosta camper
    • Campeggi
    • Agriturismi con sosta camper
    • App Camperonline App
    • 10 Consigli utili per la sosta
    • Area strutture
  • Forum
    • Tutti i Forum
    • Sosta
    • Gruppi
    • Compagni
    • Italia
    • Estero
    • Marchi
    • Meccanica
    • Cellula
    • Accessori
    • Eventi
    • Leggi
    • Comportamenti
    • Disabili
    • In camper per
    • Altro Camper
    • Altro
    • Extra
    • FAQ
    • Regolamento
    • Attivi
    • Preferiti
    • Cerca
  • Community
    • COL
    • CamperOnFest
    • Convenzioni Convenzioni
    • Amici
    • Furti
    • Informativa Privacy
    • Lavoro
  • COL
    • News
    • Newsletter
    • Pubblicità
    • Contatto
    • Ora
    • RSS RSS
    • Video
    • Facebook
    • Instagram
  • Magazine
  • Italiano
    • Bienvenue
    • Welcome
    • Willkommen
  • Accedi
CamperOnLine
Camping Sport Magenta
  1. Forum
  2. Tecnica
  3. Accessori
Galleria

Relé Octal vs. Contattore

Rispondi
Cerca
Berger Camping
SostaGruppiCompagniItaliaEsteroMarchiMeccanicaCellulaAccessoriEventiLeggiComportamentiDisabiliIn camper perAltro CamperAltroExtra
2 20 36
10
rubylove
rubylove
rating

09/06/2015 5667
Rispondi Abuso
Inserito il 02/04/2025 alle: 13:06:42
In risposta al messaggio di FamGigetti del 01/04/2025 alle 21:01:39

...Scusa non avevo letto che intendeva usare un relè di priorità... ma c'è sempre un ma dietro... Immagino il relè di priorità abbia bobina alimentata da tensione colonnina. Ora se il relè è bipolare, e la colonnina
per qualsiasi motivo ha il magnetotermico abbassato (non c'è tensione) il telaio del camper è connesso a terra... e ci troviamo a terra anche una fase (o il neutro dipende dal tipo di inverter).  :-)
...
Se ti va fai uno schizzo di come faresti tu la commutazione rete /inverter 

 
l'analogico non è il vecchio e il digitale il nuovo, no, non è così! Il digitale è solo un modo per rappresentare l'analogico, la natura, è analogica
10
rubylove
rubylove
rating

09/06/2015 5667
Rispondi Abuso
Inserito il 02/04/2025 alle: 13:09:15
In risposta al messaggio di ufotografol del 01/04/2025 alle 21:07:07

Buonasera a tutti, non mi sono dimenticato della discussione, sto solo avendo delle giornate tremendamente impegnate… Domani se riesco carico gli schemi…!
yes
l'analogico non è il vecchio e il digitale il nuovo, no, non è così! Il digitale è solo un modo per rappresentare l'analogico, la natura, è analogica
ufotografol
ufotografol
21/04/2022 114
Rispondi Abuso
Inserito il 05/04/2025 alle: 11:51:17
Buongiorno a tutti,
Avevo preparato gli schemi nei giorni passati ma riesco a scrivere solo adesso…

Spero che le immagini siano facilmente fruibili anche sui dispositivi mobili.

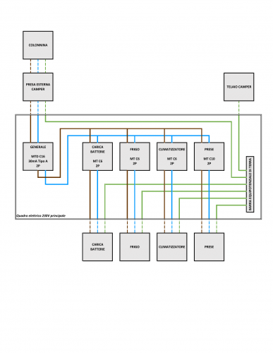
Schema 1
Questa è la situazione attuale del mio camper dove ero riuscito a separare tutte le linee, compresa quella del frigorifero.
IMG_4490.png


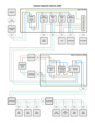
Schema 2
Qui abbiamo l’aggiunta del secondo quadretto con l’implementazione del circuito di priorità tramite contattore 2na/2nc.
Come detto, l’esigenza è che sia l’inverter ad avere priorità sulle prese, quindi la bobina è comandata dall’inverter.
Come discusso più e più volte sul forum, è presente il differenziale subito a valle dell’inverter, la terra di quest’ultimo è collegata al nodo di terra dell’impianto e ponticellata ad una delle due fasi a monte del differenziale.
IMG_4491.png



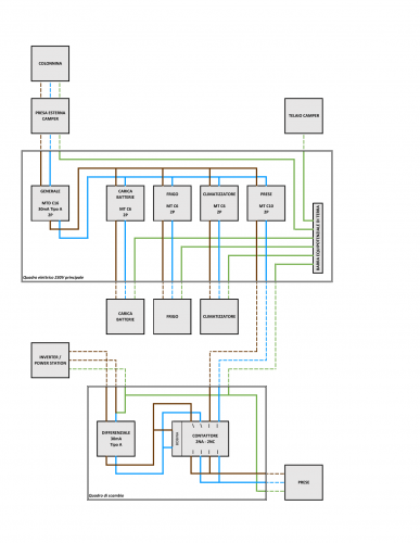
Schema 3
In questo schema è stato aggiunto, in cascata al contattore, un secondo contattore attuato da un temporizzatore.
Il temporizzatore evita che vi sia un passaggio istantaneo da colonnina a inverter e dovrebbe prevenire un ritorno di corrente da eventuali utenze attive all’inverter, con potenziale guasto di quest’ultimo.
Lo schema è studiato in modo da evitare comunque il parallelo tra colonnina e inverter, poiché il secondo contattore attua solo se ha attuato il primo.
IMG_4492.png



Schema 4
Semplicemente un’ottimizzazione dello schema 3, dove:
  • i cavi di potenza dall’inverter passano solo sul secondo contattore;
  • La tensione per le bobine viene prelevata a monte del differenziale, evitando sporadici scatti intempestivi riscontrati su quest’ultimo quando le bobine si diseccitano.
IMG_4493.png


Nonostante lo schema 4 funzioni regolarmente, forse è inutilmente complesso e attualmente sono orientato sullo schema 2.
Sarei comunque per aggiungere il temporizzatore a monte della bobina perché senza di esso il contattore attua in maniera non netta, aumentando (almeno nella mia testa) il rischio di archi.
10
rubylove
rubylove
rating

09/06/2015 5667
Rispondi Abuso
Inserito il 05/04/2025 alle: 14:52:13
In risposta al messaggio di ufotografol del 05/04/2025 alle 11:51:17

Buongiorno a tutti, Avevo preparato gli schemi nei giorni passati ma riesco a scrivere solo adesso… Spero che le immagini siano facilmente fruibili anche sui dispositivi mobili. Schema 1 Questa è la situazione attuale
del mio camper dove ero riuscito a separare tutte le linee, compresa quella del frigorifero. Schema 2 Qui abbiamo l’aggiunta del secondo quadretto con l’implementazione del circuito di priorità tramite contattore 2na/2nc. Come detto, l’esigenza è che sia l’inverter ad avere priorità sulle prese, quindi la bobina è comandata dall’inverter. Come discusso più e più volte sul forum, è presente il differenziale subito a valle dell’inverter, la terra di quest’ultimo è collegata al nodo di terra dell’impianto e ponticellata ad una delle due fasi a monte del differenziale. Schema 3 In questo schema è stato aggiunto, in cascata al contattore, un secondo contattore attuato da un temporizzatore. Il temporizzatore evita che vi sia un passaggio istantaneo da colonnina a inverter e dovrebbe prevenire un ritorno di corrente da eventuali utenze attive all’inverter, con potenziale guasto di quest’ultimo. Lo schema è studiato in modo da evitare comunque il parallelo tra colonnina e inverter, poiché il secondo contattore attua solo se ha attuato il primo. Schema 4 Semplicemente un’ottimizzazione dello schema 3, dove:i cavi di potenza dall’inverter passano solo sul secondo contattore; La tensione per le bobine viene prelevata a monte del differenziale, evitando sporadici scatti intempestivi riscontrati su quest’ultimo quando le bobine si diseccitano. Nonostante lo schema 4 funzioni regolarmente, forse è inutilmente complesso e attualmente sono orientato sullo schema 2. Sarei comunque per aggiungere il temporizzatore a monte della bobina perché senza di esso il contattore attua in maniera non netta, aumentando (almeno nella mia testa) il rischio di archi.
...
Lo schema due va bene, però io non leggo cosa c'è scritto, in particolare il contattore

Se i due comuni del contattore sono collegati alle prese mentre i due n.c. sono collegati alla colonnina e i due n.a all'inverter attraverso il differenziale, ok 
l'analogico non è il vecchio e il digitale il nuovo, no, non è così! Il digitale è solo un modo per rappresentare l'analogico, la natura, è analogica
Asturia, Cantabria e Paesi Baschi in cam
Asturia, Cantabria e Paesi Baschi in cam
Sala Silvergruva, la miniera d'argento
Sala Silvergruva, la miniera d'argento
Folgaria d’inverno in camper
Folgaria d’inverno in camper
Francia 2025
Francia 2025
Eksjo, la città di legno
Eksjo, la città di legno
Previous Next
ufotografol
ufotografol
21/04/2022 114
Rispondi Abuso
Inserito il 05/04/2025 alle: 15:41:14
mi spiace che non si legga,

"Se i due comuni del contattore sono collegati alle prese mentre i due n.c. sono collegati alla colonnina e i due n.a all'inverter attraverso il differenziale, ok"

È esattamente così.
Nello schema che ho disegnato, i contatti di destra sono nc, quelli di sinistra na (nella realtà sono disposti diversamente ma il succo non cambia).

Grazie per il feedback!
 
10
rubylove
rubylove
rating

09/06/2015 5667
Rispondi Abuso
Inserito il 05/04/2025 alle: 21:59:39
In risposta al messaggio di ufotografol del 05/04/2025 alle 15:41:14

mi spiace che non si legga, Se i due comuni del contattore sono collegati alle prese mentre i due n.c. sono collegati alla colonnina e i due n.a all'inverter attraverso il differenziale, ok È esattamente così. Nello schema
che ho disegnato, i contatti di destra sono nc, quelli di sinistra na (nella realtà sono disposti diversamente ma il succo non cambia). Grazie per il feedback!  
...
Mi sembra che quello che hai usato sia un quadruplo interruttore 2 n.c. e due n.a. avrai dovuto fare dei ponti nel collegamento

L'unica cosa che non mi piace è il soft start, questo avrà per forza di cose una rampa che farà transitare la bobina del rele per un punto morto ne Aperto e ne chiuso che potrebbe nuocere

Invece sarebbe meglio che il controllo abbia una transizione veloce e non incertezze 

occorrerebbe  un comparatore che legge la tensione AC dell'inverter, quando questa supera una soglia stabilita, ad esempio 50% il relè scatta senza incertezze 

Domani guardo il resto e ti do la mia opinione

Ciao
l'analogico non è il vecchio e il digitale il nuovo, no, non è così! Il digitale è solo un modo per rappresentare l'analogico, la natura, è analogica
ufotografol
ufotografol
21/04/2022 114
Rispondi Abuso
Inserito il 05/04/2025 alle: 22:41:18
Ciao Rubylove,
il temporizzatore risolve questo problema. Basta impostarlo anche solo a 2 secondi. In questo modo al contattore arriva tensione quando l’inverter è a regime.
Ho già fatto la prova con e senza temporizzatore, la differenza sulla bobina è lampante.
10
rubylove
rubylove
rating

09/06/2015 5667
Rispondi Abuso
Inserito il 06/04/2025 alle: 22:12:27
In risposta al messaggio di ufotografol del 05/04/2025 alle 22:41:18

Ciao Rubylove, il temporizzatore risolve questo problema. Basta impostarlo anche solo a 2 secondi. In questo modo al contattore arriva tensione quando l’inverter è a regime. Ho già fatto la prova con e senza temporizzatore, la differenza sulla bobina è lampante.
Se con il temporizzarore risolvi il problema dell'instabilita e il contattore riceve l'alimentazione con una tensione che ha un fronte stabile e univoco, il problema è risolto

Io ho la priorita sull'alimentazione da rete esterna, il rele a riposo collega l'inverter (che nel mio caso è quasi inutilizzato) 
Mi sembra che tu stia facendo un buon lavoro 
l'analogico non è il vecchio e il digitale il nuovo, no, non è così! Il digitale è solo un modo per rappresentare l'analogico, la natura, è analogica
ufotografol
ufotografol
21/04/2022 114
Rispondi Abuso
Inserito il 09/04/2025 alle: 10:00:38
Buongiorno a tutti,
Rubylove, ti ringrazio.

Ho disegnato lo schema aggiornato che andrò ad utilizzare, con il contattore comandato dall'inverter e il temporizzatore affinché la bobina sia attuata in maniera netta.

Qui dovreste riuscire a consultare l'immagine dello schema in piena qualità:

https://postimg.cc/F72dCzSy

10
rubylove
rubylove
rating

09/06/2015 5667
Rispondi Abuso
Inserito il 12/04/2025 alle: 08:54:58
In risposta al messaggio di ufotografol del 09/04/2025 alle 10:00:38

Buongiorno a tutti, Rubylove, ti ringrazio. Ho disegnato lo schema aggiornato che andrò ad utilizzare, con il contattore comandato dall'inverter e il temporizzatore affinché la bobina sia attuata in maniera netta. Qui dovreste riuscire a consultare l'immagine dello schema in piena qualità:
Ciao, appena rientro me lo guardo a casa con il pc
l'analogico non è il vecchio e il digitale il nuovo, no, non è così! Il digitale è solo un modo per rappresentare l'analogico, la natura, è analogica
6
Szopen
Szopen
rating

06/09/2019 6007
Rispondi Abuso
Inserito il 12/04/2025 alle: 09:42:52
In risposta al messaggio di ufotografol del 09/04/2025 alle 10:00:38

Buongiorno a tutti, Rubylove, ti ringrazio. Ho disegnato lo schema aggiornato che andrò ad utilizzare, con il contattore comandato dall'inverter e il temporizzatore affinché la bobina sia attuata in maniera netta. Qui dovreste riuscire a consultare l'immagine dello schema in piena qualità:
Ciao, solo un suggerimento, per cause varie ed eventuali cui non possiamo inizialmente prevedere, trova il modo di lasciare almeno una presa da 16A sul "circuito colonnina" anche a costo di mettere una nuova presa nel posto più comodo utile possibile.

Ciro.
nomade analogico e fanciulla all'imbrunire. Non ho nulla da vendere nè consigli da dare, solo qualche piccolo suggerimento da prendere con le pinze, possibilmente, amperometriche. Buoni Km a tutti e......... rammentate sempre che....... TESTAR NON NUOCE!
Argomenti recenti dal forum
Cellula abitativa
Comando Cp plus su Combi 6002
Buongiorno a tutti,volevo sapere se si può montare il comando cp plu...
Rickyge
Ieri alle: 16:00
Viaggi all'estero
Vignette/telepass oltre 35q in Cechia e Polonia
Buongiorno a tutti, stavo programmando un viaggio per vedere la Polo...
biomax
Ieri alle: 14:09
Cellula abitativa
Sportello presa cee
Lo sportello della presa del mio veicolo è mal ridotta, un paio di c...
gianninotopo
Ieri alle: 11:10
Altro sui camper
camper puro, furgonato x usarlo anche per lavori
buongiorno, mi frulla in testa la voglia anche se non per quest'anno...
vespucci
Ieri alle: 09:04
Altro sui camper
Cerco rimessaggio Arenzano,Genova,Savona,masone ec
Aiutoooo cerco rimessaggio nel raggio di 50km da Arenzano… grazie an...
Lelle007
Ieri alle: 01:19
Accessori
domanda secca su lifepo4
buonaser a tutti, prossimamente vorrei acquistare un box batteria d...
AlbertoPD
18/03/26 - 23:08
Cellula abitativa
Caricabatterie e colonnina 220v
Buonasera, non mi era mai capitato oppure non ci avevo fatto caso. S...
323232
18/03/26 - 20:17
Compagni di viaggio
Compagni viaggio Lombardia
Ciao, siamo una coppia di Milano, Matteo (34) e Angelica (40), con u...
Mario Dalgalla
18/03/26 - 17:16
Accessori
Striscia a led "d'atmosfera"
Salve vorrei mettere questa striscia (5mt. COB 45w) alla base dei ...
gianninotopo
18/03/26 - 16:43
Meccanica
Problema elettrico Fiat ducato X250 2.3 mjt 2012
Salve a tutti. Ho un grosso problema sul mio mezzo per quanto riguar...
Pizza77
18/03/26 - 10:30
Accessori
Impianto con lifepo4
Buongiorno a tutti, sono un novellino di questo fantastico mondo, ho...
The Box
18/03/26 - 09:16
Meccanica
Quantità olio circuito freni
Secondo voi, su un mezzo di 7 metri su telaio ALKO con interasse di ...
norbidic
18/03/26 - 06:57
Meccanica
luce fari ducato
Buonasera ragazzi, cruccio di Marzo. Volevo capire secondo le vostre...
fjordland
17/03/26 - 23:00
Aree di sosta e campeggi
Consigli soste
Buonasera, ad agosto partiremo da Napoli direzione Francia, vorremmo...
Mcar
17/03/26 - 22:42
Accessori
Scheda ne 185 .3
Buonasera sul pannello ne 268 non ho comunicazione con l' ne 185 , h...
mmazza
17/03/26 - 20:53
ufotografol
ufotografol
21/04/2022 114
Rispondi Abuso
Inserito il 12/04/2025 alle: 10:20:01
Buongiorno Ciro,
Sto eseguendo i lavori giusto adesso…
Nella panca, vicino l’ ecoflow, farò arrivare una presa diretta da colonnina per alimentare l’ ecoflow stesso. Questa sarà facilmente raggiunge e comunque disponibile per qualsiasi evenienza laugh
10
rubylove
rubylove
rating

09/06/2015 5667
Rispondi Abuso
Inserito il 13/04/2025 alle: 21:36:59
In risposta al messaggio di ufotografol del 09/04/2025 alle 10:00:38

Buongiorno a tutti, Rubylove, ti ringrazio. Ho disegnato lo schema aggiornato che andrò ad utilizzare, con il contattore comandato dall'inverter e il temporizzatore affinché la bobina sia attuata in maniera netta. Qui dovreste riuscire a consultare l'immagine dello schema in piena qualità:
mE lo sono guardato sullo schermo del computer, mi pare proprio che non ci siano errori di sorta, il timer è un ritardato, cioè quando lo ecciti chiude con il ritardo impostato?

 
l'analogico non è il vecchio e il digitale il nuovo, no, non è così! Il digitale è solo un modo per rappresentare l'analogico, la natura, è analogica
ufotografol
ufotografol
21/04/2022 114
Rispondi Abuso
Inserito il 13/04/2025 alle: 22:34:39
Ciao rubylove, si esatto.
 Una volta settato il tempo X (da 0,1 secondi fino a 10 giorni in base alla posizione dei cavalieri), il timer può funzionare in due modi:

1) quando alimentato, attende X, poi commuta i contatti NC/NA;
2) quando alimentato, commuta i contatti NC/NA e mantiene commutato per X.

Nel mio caso lo faccio lavorare nella prima modalità, con un tempo di 3 secondi, e come descritto nello schema sfrutto il contatto NA per interrompere la fase che va alla bobina del contattore.

Nella giornata di ieri ho concluso il lavoro e ne sono molto soddisfatto.
Ho provato il tester su tutte le prese e il differenziale interviene correttamente.
Inoltre nelle varie prove non ci sono stati scatti intempestivi del differenziale alla diseccitazione del contattore.

Mentre ero nel ballo ho voluto sostituire il cavo “montante” 3G1,5 delle prese con un 3G2,5, poiché nel passaggio da un lato all’altro del camper, il cavo corre vicino alla tubazione del riscaldamento, quindi una sezione maggiore mi fa stare più tranquillo.
Infine ho aggiunto una presa nella zona bagno che ci tornerà molto utile.

Appena riesco carico un paio di foto del quadretto di scambio e aggiorno lo schema indicando anche la sezione dei cavi.
Aggiungerò poi qualche indicazione/consiglio/considerazione per chi vorrà prendere spunto.

Intanto grazie per le delucidazioni che mi avete dato!
10
rubylove
rubylove
rating

09/06/2015 5667
Rispondi Abuso
Inserito il 15/04/2025 alle: 06:29:51
In risposta al messaggio di ufotografol del 13/04/2025 alle 22:34:39

Ciao rubylove, si esatto.  Una volta settato il tempo X (da 0,1 secondi fino a 10 giorni in base alla posizione dei cavalieri), il timer può funzionare in due modi: 1) quando alimentato, attende X, poi commuta i contatti
NC/NA; 2) quando alimentato, commuta i contatti NC/NA e mantiene commutato per X. Nel mio caso lo faccio lavorare nella prima modalità, con un tempo di 3 secondi, e come descritto nello schema sfrutto il contatto NA per interrompere la fase che va alla bobina del contattore. Nella giornata di ieri ho concluso il lavoro e ne sono molto soddisfatto. Ho provato il tester su tutte le prese e il differenziale interviene correttamente. Inoltre nelle varie prove non ci sono stati scatti intempestivi del differenziale alla diseccitazione del contattore. Mentre ero nel ballo ho voluto sostituire il cavo “montante” 3G1,5 delle prese con un 3G2,5, poiché nel passaggio da un lato all’altro del camper, il cavo corre vicino alla tubazione del riscaldamento, quindi una sezione maggiore mi fa stare più tranquillo. Infine ho aggiunto una presa nella zona bagno che ci tornerà molto utile. Appena riesco carico un paio di foto del quadretto di scambio e aggiorno lo schema indicando anche la sezione dei cavi. Aggiungerò poi qualche indicazione/consiglio/considerazione per chi vorrà prendere spunto. Intanto grazie per le delucidazioni che mi avete dato!
...
yes
l'analogico non è il vecchio e il digitale il nuovo, no, non è così! Il digitale è solo un modo per rappresentare l'analogico, la natura, è analogica
ufotografol
ufotografol
21/04/2022 114
Rispondi Abuso
Inserito il 28/04/2025 alle: 13:41:59

Buongiorno a tutti,
a conclusione del post condivido con voi lo schema aggiornato e alcune considerazioni in merito al lavoro eseguito, affinché chi altro si accinga ad eseguire un lavoro simile possa trarne informazioni utili.
 

A link seguente

trovate lo schema aggiornato, dove per completezza ho indicato anche le sezioni dei cavi e le diramazioni delle prese.

schema%20camper-1(1).png


 
Attualmente utilizzo una Ecoflow Delta 2 come inverter ma quanto eseguito si può sfruttare anche con un inverter classico, mi basterà solo allungare il cavo del 230v poiché verosimilmente l’inverter avrà una posizione differente (vicino alla BS).
 
 
Attenzione a chi volesse utilizzare una power station in uno schema come questo:
quando collegata alla rete elettrica, la power station (tutte o quasi) esegue un bypass completo di fase-neutro-terra così come le riceve dalla presa.
 
Nello schema utilizzato, in uscita dalla PS il conduttore che diventa neutro é ponticellato con la terra. Dunque se colleghiamo la PS alla rete, mandiamo direttamente in corto FASE-TERRA oppure NEUTRO-TERRA, in base a come è girata la presa.
Inutile dire che questa cosa è da evitare.
 
Per questo motivo la power station rimarrà scollegata dalla rete e la sua ricarica avverrà tramite un alimentatore esterno AC/DC a 36V, collegato all’ingresso solare della PS.
 
Questa soluzione porta con sé un altro vantaggio: non devo scollegare la PS dalla rete quando voglio  usufruire della potenza dell’inverter (fintanto che è collegata, non preleva mai dalla batteria). La ricarica avviene  così in maniera indipendente e ad un wattaggio prestabilito.
 
Quanto sopra lascia comunque intendere quante complicazioni sussistano (queste ed altre) nel voler integrare una power station in un camper.
Per quanto mi riguarda continuo a sostenere che un impianto classico ben fatto sia molto meglio… ma questo è un altro discorso.
 
 
Per il quadretto di scambio ho utilizzato un quadro da 5 moduli, che ho riempito completamente:
2 moduli differenziale
1 modulo temporizzatore 
2 moduli contattore 
Col sennò di poi sarebbe stato meglio un quadro un po’ più grande, magari 8 moduli, così da avere più agio con i cavi. Io avevo già quello da 5 e ho voluto sfruttarlo.

Grazie ancora a tutti per l'interessamento!
SostaGruppiCompagniItaliaEsteroMarchiMeccanicaCellulaAccessoriEventiLeggiComportamentiDisabiliIn camper perAltro CamperAltroExtra
167k Facebook
343k Instagram
42,6k TikTok
73,3k Youtube
CamperOnLine - Copyright © 1998-2026 - P.Iva 06953990014
Informativa privacy
Loading...

Accedi

Recupera Password
Nuovo utente

Vuoi eliminare il messaggio?

Sottoscrizione

Anteprima

PREFERENZA

Il messaggio è in fase di inserimento.

loading

CamperOnLine

Buongiorno gentile utente,

da oltre 20 anni Camperonline offre gratuitamente tutti i suoi servizi
grazie agli inserzionisti che ci hanno dato la loro fiducia, permettici di continuare il nostro lavoro disattivando il blocco delle pubblicità.

Grazie della collaborazione.

Azione eseguita con successo

Azione Fallita

Condividi

Condividi questa pagina con:

O copia il link