In risposta al messaggio di DonLimpio del 20/10/2015 alle 22:33:01
Vorrei montare questo: un sola cosa mi sfugge : una delle due canalizzazioni va attaccata alla ventilazione della stufa (nel mio caso trumatic 3002) si ma dove? GRAZIE! Enjoy the journey, not only the destination
se vedi ci sono due tubi di metallo, li deve arrivare l'acqua calda del motore (quando è in moto ovviamente) che quindi scalda l'aria in uscita da entrambe le due bocche tonde.
In risposta al messaggio di DonLimpio del 20/10/2015 alle 22:33:01
Vorrei montare questo: un sola cosa mi sfugge : una delle due canalizzazioni va attaccata alla ventilazione della stufa (nel mio caso trumatic 3002) si ma dove? GRAZIE! Enjoy the journey, not only the destination
Il riscaldatore della foto ha un pulsante on/off? Si può regolare la velocità di erogazione dell'aria?
In risposta al messaggio di DonLimpio del 20/10/2015 alle 22:33:01
Vorrei montare questo: un sola cosa mi sfugge : una delle due canalizzazioni va attaccata alla ventilazione della stufa (nel mio caso trumatic 3002) si ma dove? GRAZIE! Enjoy the journey, not only the destination
Il riscaldatore della foto ha un pulsante on/off? Si può regolare la velocità di erogazione dell'aria?
In risposta al messaggio di DonLimpio del 15/02/2016 alle 16:54:14
per la serie COM'E' FINITA: funziona ! cellula e bagno belli caldi la ventola e' un po' rumorosa e funziona solo a due velocita' ... ora mi chedo perche' il selettore di velocita' sia a 3 (sto pensando di aggiungere unaresistenza di caduta per avere una velocita' piu' bassa... devo fare due conti) foto? qualcosa in particolare? Enjoy the journey, not only the destination
Grazie per avere postato come è andata a finire
.
http://www.ebay.it/itm/modulo-r...
http://www.ebay.it/itm/interrut...
http://www.ebay.it/itm/FANTINI-...
In risposta al messaggio di Bob Plissken del 16/02/2016 alle 23:10:34
Vado controcorrente e ti dico che, proprio perché hai i pupi, pensa al termostato. Nel mio impianto, destinato ad essere arduinizzato a breve, ho proprio quel termostato (CH115) e i miei due figli (8 e 6) viaggiano con unatemperatura molto confortevole e praticamente costante anche in pieno inverno. In più arrivo a destinazione con il camper praticamente caldo, escludendo ovviamente il lato posteriore che però non è affatto gelido. Se poi devi metterci comunque mano, non pensarci proprio: un relè da 40A costa circa 3 euro e lo fai comandare dal termostato che costa circa 25 euro... e il confort posteriore aumenta alla grande! Se ti serve uno schema più preciso ti posso venire sicuramente incontro. Roberto Laika Kreos 3002 (35C17-2005)
Salve Bob Plissken

) che consiglio giornaliero, settimanale complica solo la vita per questo impiego. Ho trovato un ottimo prodotto nel CH110 della Fantini Cosmi, disponibile in 3 colori (bianco, nero e grigio alluminio che ho scelto) per circa 25€ http://www.ebay.it/itm/Rele-Rel...
che puoi anche trovare corredati di cavi di cablaggio. Facili da trovare presso autoricambi, costano circa 5 euro.http://www.ebay.it/itm/PIATTINA...
Negozio di elettronica o autoradio, anche autoricambi
In risposta al messaggio di Bob Plissken del 17/02/2016 alle 23:07:41
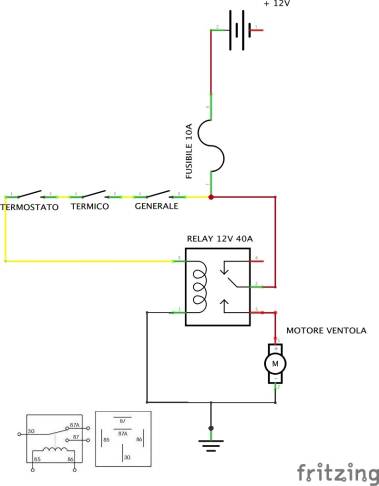
@Matrix: non c'è problema, domani pubblico uno schema che purtroppo sta su un portatile che è rimasto in ufficio. I pezzi te li elenco al volo: (eventuale) portafusibile e fusibile da 10A - se non li hai già - interruttoretermico NORMALMENTE APERTO da 40°C (fino a 60°C va benissimo), cioè deve chiudere il circuito sopra quella temperatura e riaprirlo al di sotto. Ho indicato un link su ebay sopra, altrimenti negozi di idraulica... personalmente dico online, risparmio un sacco di tempo e non poco gasolio. Costo circa 5€ - termostato a batterie (NON alimentato a 230V, anzi se vuoi di questi te ne regalo uno ) che consiglio giornaliero, settimanale complica solo la vita per questo impiego. Ho trovato un ottimo prodotto nel CH110 della Fantini Cosmi, disponibile in 3 colori (bianco, nero e grigio alluminio che ho scelto) per circa 25€ - relay o relais o relé 12V normalmente aperto o a doppio scambio (NA+NC cioè a 4 o 5 contatti) tipo che puoi anche trovare corredati di cavi di cablaggio. Facili da trovare presso autoricambi, costano circa 5 euro. - interruttore generale per spegnere il tutto, che dovresti già avere - a parte che se chiudi il rubinetto e non fai scaldare il radiatore, grazie all'interruttore termico è già tutto spento... Ti serve poi un tratto di cavo doppio (basta da 0,75 o 1mm2) per la linea al termostato (ci vuole una coppia) e cavo singolo per la linea che pilota il relè. Costo indicativo 0,3-0,5 €/m esempio: Negozio di elettronica o autoradio, anche autoricambi IMPORTANTE: NON ripeto NON usare questo cavo per alimentare la ventola, limitati al circuito di comando del relè. Il circuito di potenza ha correnti ben maggiori dove quel cavo è SOTTODIMENSIONATO e devi usare un ben più robusto 2,5mm2 o superiore (con fusibile!!!!). Altra cosa importante: valuta bene dove mettere il termostato, che scalderà la cellula basandosi sulla temperatura di quel punto... quindi centro cellula, lontano da spifferi e punti caldi, però comodo da raggiungere ed esteticamente... vedi tu! Minuterie: faston o capicorda isolati con relativa pinza a crimpare (negozio di elettronica se li vuoi buoni, altrimenti per una/due volte che li userai basta il negozio cinese), forbici per tagliare/spellare i cavi elettrici, nastro isolante e qualche fascetta... mi pare basti così Quindi ti devo solo lo schema, che pubblicherò domani (spero!) Roberto Laika Kreos 3002 (35C17-2005)
Grazie Bob Plissken

In risposta al messaggio di Bob Plissken del 17/02/2016 alle 23:07:41
@Matrix: non c'è problema, domani pubblico uno schema che purtroppo sta su un portatile che è rimasto in ufficio. I pezzi te li elenco al volo: (eventuale) portafusibile e fusibile da 10A - se non li hai già - interruttoretermico NORMALMENTE APERTO da 40°C (fino a 60°C va benissimo), cioè deve chiudere il circuito sopra quella temperatura e riaprirlo al di sotto. Ho indicato un link su ebay sopra, altrimenti negozi di idraulica... personalmente dico online, risparmio un sacco di tempo e non poco gasolio. Costo circa 5€ - termostato a batterie (NON alimentato a 230V, anzi se vuoi di questi te ne regalo uno ) che consiglio giornaliero, settimanale complica solo la vita per questo impiego. Ho trovato un ottimo prodotto nel CH110 della Fantini Cosmi, disponibile in 3 colori (bianco, nero e grigio alluminio che ho scelto) per circa 25€ - relay o relais o relé 12V normalmente aperto o a doppio scambio (NA+NC cioè a 4 o 5 contatti) tipo che puoi anche trovare corredati di cavi di cablaggio. Facili da trovare presso autoricambi, costano circa 5 euro. - interruttore generale per spegnere il tutto, che dovresti già avere - a parte che se chiudi il rubinetto e non fai scaldare il radiatore, grazie all'interruttore termico è già tutto spento... Ti serve poi un tratto di cavo doppio (basta da 0,75 o 1mm2) per la linea al termostato (ci vuole una coppia) e cavo singolo per la linea che pilota il relè. Costo indicativo 0,3-0,5 €/m esempio: Negozio di elettronica o autoradio, anche autoricambi IMPORTANTE: NON ripeto NON usare questo cavo per alimentare la ventola, limitati al circuito di comando del relè. Il circuito di potenza ha correnti ben maggiori dove quel cavo è SOTTODIMENSIONATO e devi usare un ben più robusto 2,5mm2 o superiore (con fusibile!!!!). Altra cosa importante: valuta bene dove mettere il termostato, che scalderà la cellula basandosi sulla temperatura di quel punto... quindi centro cellula, lontano da spifferi e punti caldi, però comodo da raggiungere ed esteticamente... vedi tu! Minuterie: faston o capicorda isolati con relativa pinza a crimpare (negozio di elettronica se li vuoi buoni, altrimenti per una/due volte che li userai basta il negozio cinese), forbici per tagliare/spellare i cavi elettrici, nastro isolante e qualche fascetta... mi pare basti così Quindi ti devo solo lo schema, che pubblicherò domani (spero!) Roberto Laika Kreos 3002 (35C17-2005)
Ciao a tutti