In risposta al messaggio di Szopen del 03/02/2023 alle 23:59:04Si capito, se monti un regolatore solare MPPT da 30A e vuoi caricare con quella corrente, devi entrare con 24V e più di 15A
Hai ragione ma pensavo ad un utilizzo temporaneo dell'alimentatore (il mio è 13,8V 8A), in effetti un Phoenix da 30A sarebbe molto meglio certo, costicchia, intorno ai 200 eurini ma può risolvere bene. Ciro.
In risposta al messaggio di time69 del 21/02/2023 alle 19:40:55Bravo, vedo che hai utilizzato il cavo interfaccia digitale analogico di Victron come ti avevo suggerito
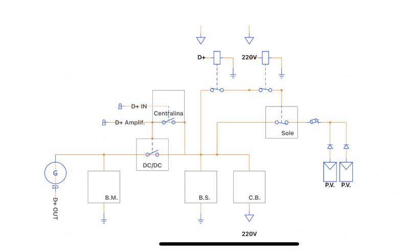
Salve a tutti. Mi sembra doveroso dopo tutti i consigli da parte vostra pubblicare la realizzazione del progetto di ricarica dalle tre fonti energetiche. Di seguito lo schema elettrico Lo schema è a riposo (assenza di220v e con motore spento). In questa fase grazie ai due rele’ NC ho l enable per il caricatore solare. Ho aggiunto sulla linea in uscita dai pannelli un sezionatore dedicato per eventuale manutenzione ma soprattutto per disconnetere la linea nel momento in cui vado a staccare per rimessaggio la BS. In presenza della 220v il relay toglie l abilitazione al solare e ricaricherà attraverso il caricatore 220v. Situazione analoga con motore in moto dove il rele si aprirà grazie al consensoD+. Ho usato caricatori della victron e ho deciso di assemblarli in un unico pannello che ho posto dietro il sedile di guida. Questa è la realizzazione: Un saluto a tutti e grazie ancora per i consigli.
In risposta al messaggio di rubylove del 21/02/2023 alle 20:11:30Ciao. Si il sezionatore è in dc preso qui:
Bravo, vedo che hai utilizzato il cavo interfaccia digitale analogico di Victron come ti avevo suggerito Sul mio impianto ho anche il cyrix che si disattiva a mezzo in moto (perchè si attiva l'Orion) e attivato a mezzofermo per ricaricare/mantenere la batteria motore, oppure manualmente per il parallelamento in caso di necessità Poi come ti avevo detto non ho il caricabatterie ma un alimentatore complimenti anche per la pulizia di montaggio, il sezionatore è in DC? per l'attivazione/disattivazione di Orion e Smartsolar non era necessario usare dei relè grossi, andavano bene dei microrelè con il contatto da 1/2A
https://amzn.eu/d/f9WCB7z
In risposta al messaggio di time69 del 22/02/2023 alle 09:18:21Ottimo, si il cyrix non lo uso per la ricarica (troppa corrente non controllabile) è attivo (e fa i fatti suoi) solo a motore spento, se c'è il solare o la ricarica da rete si chiude e carica anche la batteria motore (con l'orion non potresti farlo) se serve di mettere in moto in emergenza ho un interruttore manuale che lo chiude temporaneamente
Ciao. Si il sezionatore è in dc preso qui: In effetti ho esagerato con i relè ma ho preferito quelli perché più facili da reperire. Tu hai il cyrix che ho letto essere un parallelatore evoluto e con funzione di attivazionemanuale. Ottimo. Prossimo acquisto. Per ora come vedi ho utilizzato il vecchio della cbe. Ho inserito anche un interruttore che mi esclude la 220 nel caso in cui voglio utilizzare i pannelli. Grazie ancora dei consigli.
In risposta al messaggio di rubylove del 22/02/2023 alle 10:10:28Si è in parallelo all ingresso dell Orion cavo proveniente dalla BM. L altro cavo del cbe è collegato al cavo che parte per la ricarica della BS.
Ottimo, si il cyrix non lo uso per la ricarica (troppa corrente non controllabile) è attivo (e fa i fatti suoi) solo a motore spento, se c'è il solare o la ricarica da rete si chiude e carica anche la batteria motore (conl'orion non potresti farlo) se serve di mettere in moto in emergenza ho un interruttore manuale che lo chiude temporaneamente il parallelatore della CBE è in parallelo all'orion?
In risposta al messaggio di time69 del 22/02/2023 alle 12:43:35Si ma quello quando chiude esclude l'Orion quindi l'orion e come se non ci fosse e lo cortocircuita anche
Si è in parallelo all ingresso dell Orion cavo proveniente dalla BM. L altro cavo del cbe è collegato al cavo che parte per la ricarica della BS.
In risposta al messaggio di rubylove del 22/02/2023 alle 12:54:41Il cbe ha tre cavi. Il blu va collegato al positivo della BM, il rosso alla BS e il nero è il comune. Quando sente sulla BS una tensione sopra i 13,6 V fa passare una corrente di max 4A sulla batteria BM. Non è un vero e proprio parallelo ma comunque mi hai fatto venire un bel dubbio. Forse è il caso di interdirlo con un altro rele’ NC da inserire sul cavo rosso del parallelatore cbe pilotato dal solito D+ anche perché non ha nessun senso parallelare con motore in moto. Tra l altro è lo stesso schema che hai usato tu.Che ne dici?
Si ma quello quando chiude esclude l'Orion quindi l'orion e come se non ci fosse e lo cortocircuita anche forse non ho capito io ma quel parallelatorw xome funziona? Chiude automaticamente?
In risposta al messaggio di time69 del 22/02/2023 alle 16:39:14Si quello è un piccolo ripartitore fa circolare 4A verso la batteria motore pero a te servirebbe solo a motore spento quando la batteria servizi è in ricarica da altro ma non a motore in moto
Il cbe ha tre cavi. Il blu va collegato al positivo della BM, il rosso alla BS e il nero è il comune. Quando sente sulla BS una tensione sopra i 13,6 V fa passare una corrente di max 4A sulla batteria BM. Non è un veroe proprio parallelo ma comunque mi hai fatto venire un bel dubbio. Forse è il caso di interdirlo con un altro rele’ NC da inserire sul cavo rosso del parallelatore cbe pilotato dal solito D+ anche perché non ha nessun senso parallelare con motore in moto. Tra l altro è lo stesso schema che hai usato tu.Che ne dici?
In risposta al messaggio di rubylove del 22/02/2023 alle 17:39:22E si! Il circolo vizioso non mi convince. Prendo provvedimenti.
Si quello è un piccolo ripartitore fa circolare 4A verso la batteria motore pero a te servirebbe solo a motore spento quando la batteria servizi è in ricarica da altro ma non a motore in moto Adesso e possibile che siattivi anche a motore in moto creando un circolo vizioso, ad essere onesto non so se puo causare problemi magari no Nel mio caso quando si spegne il motore si inibisce l'orion e si abilitano il solare e e il cyrix il cyrix a motore acceso viene disattivato proprio per evitare che si sovrapponga all'Orion Potresti provare a fare la stessa cosa con il CBE ma non so come si comporta, dovresti lavorare sulla massa d'alimentazione o su uno dei due contatti Se invece monti il Cyrix ti posso già dire che funziona bene e parallela anche le due batterie manualmente per la messa in moto di emergenza. per quello pero devi fare un cablaggio con cavi grossi
In risposta al messaggio di time69 del 22/02/2023 alle 17:52:54se è il CSB4 non credo che sia passivo (tipo diodo + resistenza) perchè avrebbe solo due fili, inoltre se fosse passivo dissiperebbe parecchio, credo sia u piccolo convertitore DC/DC, è possibile che non accada nulla però non ci metterei la firma. in ogni caso circolerebbero non più di 4 A
E si! Il circolo vizioso non mi convince. Prendo provvedimenti.
In risposta al messaggio di rubylove del 22/02/2023 alle 10:10:28È un vecchio csb2. Si avevo letto del richiamo da parte di cbe per alcuni pezzi difettosi. Hai detto bene. Devo renderlo inattivo con motore in moto. È abbastanza semplice con relè NC che mi si apre con il D+ sulla massa o sul positivo del cbe2 proveniente dalla BS. Stessa cosa comunque devo fare se decido per il cyrix che deve essere escluso con motore in moto.
Ottimo, si il cyrix non lo uso per la ricarica (troppa corrente non controllabile) è attivo (e fa i fatti suoi) solo a motore spento, se c'è il solare o la ricarica da rete si chiude e carica anche la batteria motore (conl'orion non potresti farlo) se serve di mettere in moto in emergenza ho un interruttore manuale che lo chiude temporaneamente il parallelatore della CBE è in parallelo all'orion?
In risposta al messaggio di time69 del 23/02/2023 alle 00:14:54Scusa mi sono sbagliato si intendevo il CSB2
È un vecchio csb2. Si avevo letto del richiamo da parte di cbe per alcuni pezzi difettosi. Hai detto bene. Devo renderlo inattivo con motore in moto. È abbastanza semplice con relè NC che mi si apre con il D+ sulla massa o sul positivo del cbe2 proveniente dalla BS. Stessa cosa comunque devo fare se decido per il cyrix che deve essere escluso con motore in moto.
In risposta al messaggio di rubylove del 23/02/2023 alle 08:20:46Ciao Rubylove
Scusa mi sono sbagliato si intendevo il CSB2 quello prende una piccola porzione di corrente per mantenere la bm Qualdo l'orion è bloccato fa il suo lavoro, quanto l'orion è chiuso dovrebbe scollegarsi però tutto sommato.quellacorrente che preleva a motore in moto.la rimette in circolo, non dovrebbe nuocere Se vuoi metti un rele, fai in mdo che tutti i rele funzionino diseccitandosi quando il motore è spento e non ci sono ricariche esterne perchè quelli credo che ciuccino 100/150 mA
In risposta al messaggio di time69 del 26/02/2023 alle 10:57:23
Ciao Rubylove ieri ho testato il tutto. Funziona tutto alla perfezione. Ho aggiunto anche un rele che mi inibisce il csb2 quando il motore è in moto proprio per stare sicuri che non dia fastidio all orion. Che dire. L appdi victron è strepitosa puoi fare di tutto. Ho un ultimo quesito da farti visto che sei diventato per me l informatore ufficiale. Leggevo tra le istruzioni del caricatore solare mppt 100/20 che come minimo requisito ha bisogno di un pannello 12v con almeno 36 celle. Funzionamento ottimale 72 celle quindi due pannelli da 36 in serie. Io posseggo attualmente due pannelli da 12v uno da 36 celle e l altro da 32. Hanno valori di targa quasi uguali. Sono attualmente collegati in parallelo. Secondo te è meglio lasciarli in parallelo considerando che per attivare il caricatore c’è bisogno di almeno 17V (5v in più rispetto alla batteria) o metterli tutti in serie (se possibile visto che non sono proprio identici) e quindi sfruttare al meglio la ricarica mppt?
In risposta al messaggio di time69 del 26/02/2023 alle 10:57:23Ciao secondo me se hai 2 pannelli a 36 celle e 1 a 32 celle in parallelo non è il massimo. In teoria dovrebbero avere una tensione MPP di una certa differenza (minimo più di 1v con 2 celle di differenza) .
Ciao Rubylove ieri ho testato il tutto. Funziona tutto alla perfezione. Ho aggiunto anche un rele che mi inibisce il csb2 quando il motore è in moto proprio per stare sicuri che non dia fastidio all orion. Che dire. L appdi victron è strepitosa puoi fare di tutto. Ho un ultimo quesito da farti visto che sei diventato per me l informatore ufficiale. Leggevo tra le istruzioni del caricatore solare mppt 100/20 che come minimo requisito ha bisogno di un pannello 12v con almeno 36 celle. Funzionamento ottimale 72 celle quindi due pannelli da 36 in serie. Io posseggo attualmente due pannelli da 12v uno da 36 celle e l altro da 32. Hanno valori di targa quasi uguali. Sono attualmente collegati in parallelo. Secondo te è meglio lasciarli in parallelo considerando che per attivare il caricatore c’è bisogno di almeno 17V (5v in più rispetto alla batteria) o metterli tutti in serie (se possibile visto che non sono proprio identici) e quindi sfruttare al meglio la ricarica mppt?
In risposta al messaggio di rubylove del 26/02/2023 alle 11:08:36Ciao ragazzi. Ecco le caratteristiche dei due pannelli. Hunter ho due pannelli e non tre. Uno a 32 cellule quello cbe in foto e l altro energy solar a 36 cellule. Ecco le foto:
metti le specifiche più precise dei pannelli così vediamo Se non ci sono controindicazioni io sono per i pannelli in serie

In risposta al messaggio di time69 del 26/02/2023 alle 16:57:48Io continuerei a tenerli in parallelo perchè la corrente di uno dei due è circa un terzo in meno dell'altro, un pò troppo
Ciao ragazzi. Ecco le caratteristiche dei due pannelli. Hunter ho due pannelli e non tre. Uno a 32 cellule quello cbe in foto e l altro energy solar a 36 cellule. Ecco le foto:
In risposta al messaggio di time69 del 26/02/2023 alle 16:57:48Data la differenza di corrente sei obbligato a tenerli in parallelo, che comunque è la soluzione migliore in caso di ombre, perché in realtà, se in serie, i diodi di bypass presenti nel pannello non sempre si attivano con ombreggiamenti parziali: in questo caso la riduzione di produzione può arrivare anche alla metà contro il quarto in meno del parallelo.
Ciao ragazzi. Ecco le caratteristiche dei due pannelli. Hunter ho due pannelli e non tre. Uno a 32 cellule quello cbe in foto e l altro energy solar a 36 cellule. Ecco le foto:
In risposta al messaggio di time69 del 26/02/2023 alle 16:57:48Ah scusa ho riletto e avevo letto male io (2 a 36 e 1 a 32
Ciao ragazzi. Ecco le caratteristiche dei due pannelli. Hunter ho due pannelli e non tre. Uno a 32 cellule quello cbe in foto e l altro energy solar a 36 cellule. Ecco le foto: