CamperOnLine
  • Camper
    • Camper usati
    • Camper nuovi
    • Produttori
    • Listino
    • Cataloghi
    • Concessionari e rete vendita
    • Noleggio
    • Van
    • Caravan
    • Fiere
    • Rimessaggi
    • Le prove di CamperOnLine
    • Provati da voi
    • Primo acquisto
    • Area professionisti
  • Accessori
    • Accessori e Prodotti
    • Camping Sport Magenta accessori
    • Produttori
    • Antenne TV
    • Ammortizzatori
    • GPS
    • Pneumatici
    • Rimorchi
    • Provati da Voi
    • Fai da te
  • Viaggi
    • Diari di viaggi in camper
    • Eventi
    • Foto
    • Check list
    • Traghetti
    • Trasporti
  • Sosta
    • Cerca Strutture
    • Sosta
    • Aree sosta camper
    • Campeggi
    • Agriturismi con sosta camper
    • App Camperonline App
    • 10 Consigli utili per la sosta
    • Area strutture
  • Forum
    • Tutti i Forum
    • Sosta
    • Gruppi
    • Compagni
    • Italia
    • Estero
    • Marchi
    • Meccanica
    • Cellula
    • Accessori
    • Eventi
    • Leggi
    • Comportamenti
    • Disabili
    • In camper per
    • Altro Camper
    • Altro
    • Extra
    • FAQ
    • Regolamento
    • Attivi
    • Preferiti
    • Cerca
  • Community
    • COL
    • CamperOnFest
    • Convenzioni Convenzioni
    • Amici
    • Furti
    • Informativa Privacy
    • Lavoro
  • COL
    • News
    • Newsletter
    • Pubblicità
    • Contatto
    • Ora
    • RSS RSS
    • Video
    • Facebook
    • Instagram
  • Magazine
  • Italiano
    • Bienvenue
    • Welcome
    • Willkommen
  • Accedi
CamperOnLine
Camping Sport Magenta
  1. Forum
  2. Tecnica
  3. Accessori
Galleria

Sicurezza aggiuntiva con bobina di sgancio

Rispondi
Cerca
Berger Camping
SostaGruppiCompagniItaliaEsteroMarchiMeccanicaCellulaAccessoriEventiLeggiComportamentiDisabiliIn camper perAltro CamperAltroExtra
1 20 21
20
Emme48
Emme48
rating

13/01/2006 24534
Rispondi Abuso
Inserito il 20/03/2024 alle: 08:40:49
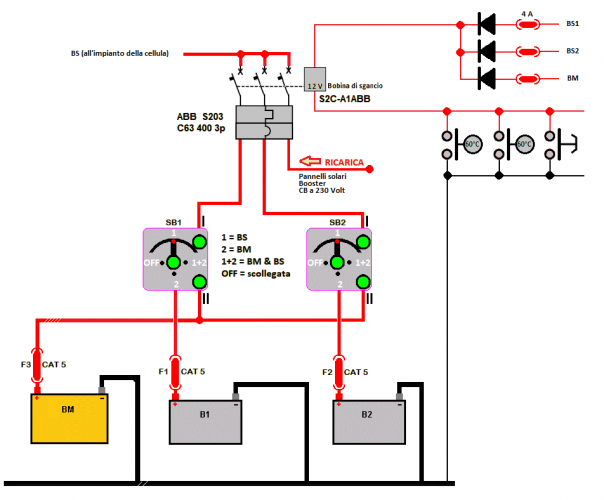
In molti mi scrivono per chiedermi come funziona il sistema aggiuntivo di sicurezza delle batterie basato sulla bobina di sgancio abbinata ad un magnetotermico.
Per evitare di fare dei copia-incolla sulle mail e soprattutto per non dimenticare nulla ecco qui lo schema che ho usato e che altri hanno realizzato con successo.
(nello schema ci sono anche i due deviatori nautici per poter usare una o due BS in aiuto o al posto della BM)
Power%2520-%2520Batterie%5B1%5D.png
Questi sono (da sinistra) il magnetotermico ADATTO ANCHE A TENSIONI CONTINUE, la bobina di sgancio meccanicamente collegata al magnetotermico e i due fusibili per la protezione e manutenzione dei pannelli solari.
rf2%5B1%5D.jpg

Nello schema si vede che i positivi delle BS e i sistemi di ricarica vengono collegati tra loro tramite un magnetotermico da 63 A modello ABB S203 C63 400 3p meccanicamente collegato con DUE inserti meccanici alla bobina di sgancio S2C-A1ABB che quando riceve 12 Volt tira giù il magnetotermico e si isola interrompendo l'assorbimento della bobina stessa (quindi non consuma corrente all'infinito).

La bobina riceve un positivo ricavato da almeno due batterie (3 nello schema) che tramite diodi (e fusibili) garantiscono un positivo sempre presente, anche con una batteria KO o con tensione insufficiente.

Oltre che con correnti superiori a 63 Ampere, l'intervento della protezione avviene mandando a massa l'altro filo della bobina di sgancio, sul mio camper lo faccio con una decina di economici sensori di temperatura come questo messi tutti in parallelo e incollati nei punti critici dell'impianto.
elmwood-sensors-2455r-01000094%5B1%5D.jpg
Poi ho realizzato un circuito elettronico (modificandone uno commerciale) che attiva un relè (anche lui in parallelo ai sensori) al superamento della tensione della BS di 15,6 Volt, ho anche un pulsante di emergenza.
Non c'è limite ai sensori che si possono collegare, rilevatori di fumo, di infrarossi ecc...

Marco.
 
Marco

http://www.m48.it


Modificato da Emme48 il 20/03/2024 alle 13:31:34
17
Clint
Clint
01/09/2008 12606
Rispondi Abuso
Inserito il 20/03/2024 alle: 08:57:33
Complimenti sei una fonte inesauribile che condividi sempre con tutti noi.yes
Gianluigi
17
time69
time69
07/12/2008 381
Rispondi Abuso
Inserito il 16/05/2025 alle: 20:13:37
In risposta al messaggio di Emme48 del 20/03/2024 alle 08:40:49

In molti mi scrivono per chiedermi come funziona il sistema aggiuntivo di sicurezza delle batterie basato sulla bobina di sgancio abbinata ad un magnetotermico. Per evitare di fare dei copia-incolla sulle mail e soprattutto
per non dimenticare nulla ecco qui lo schema che ho usato e che altri hanno realizzato con successo. (nello schema ci sono anche i due deviatori nautici per poter usare una o due BS in aiuto o al posto della BM) Questi sono (da sinistra) il magnetotermico ADATTO ANCHE A TENSIONI CONTINUE, la bobina di sgancio meccanicamente collegata al magnetotermico e i due fusibili per la protezione e manutenzione dei pannelli solari. Nello schema si vede che i positivi delle BS e i sistemi di ricarica vengono collegati tra loro tramite un magnetotermico da 63 A modello ABB S203 C63 400 3p meccanicamente collegato con DUE inserti meccanici alla bobina di sgancio S2C-A1ABB che quando riceve 12 Volt tira giù il magnetotermico e si isola interrompendo l'assorbimento della bobina stessa (quindi non consuma corrente all'infinito). La bobina riceve un positivo ricavato da almeno due batterie (3 nello schema) che tramite diodi (e fusibili) garantiscono un positivo sempre presente, anche con una batteria KO o con tensione insufficiente. Oltre che con correnti superiori a 63 Ampere, l'intervento della protezione avviene mandando a massa l'altro filo della bobina di sgancio, sul mio camper lo faccio con una decina di economici sensori di temperatura come questo messi tutti in parallelo e incollati nei punti critici dell'impianto. Poi ho realizzato un circuito elettronico (modificandone uno commerciale) che attiva un relè (anche lui in parallelo ai sensori) al superamento della tensione della BS di 15,6 Volt, ho anche un pulsante di emergenza. Non c'è limite ai sensori che si possono collegare, rilevatori di fumo, di infrarossi ecc... Marco.   Marco
...
Ciao Marco. Volevo rifarmi al tuo ottimo schema per salvaguardare l impianto da alte  tensioni. Ho delle domande da farti: 
Userei Il rele’ del  BMV 712 della victron per attivare la bobina dello sganciatore a lancio di corrente. Affiancato volevo metterci un interruttore unipolare per interrompere il positivo in uscita ai vari caricatori. Considera che al massimo sono intorno ai 20A (20 solare-18 Dc-Dc- 15 per la 220v). Hai qualche consiglio prezioso da darmi riguardo all interruttore da installare? 
Grazie e complimenti per i mille consigli che ci dai.
Davide
6
Szopen
Szopen
rating

06/09/2019 6007
Rispondi Abuso
Inserito il 17/05/2025 alle: 09:57:46
Buongiorno, una piccola nota informativa, per coloro che adottano batterie al litio e di conseguenza prevedono scariche o assorbimenti di maggior intensità, sarebbe utile prevedere l'inserimento di un'interruttore magnetotermico ABB S803P-C125 oppure Gewiss GW93339 o ancora altro similare in luogo dello ABB S203 C63 presente nello schema di Marco.

Ciro.
nomade analogico e fanciulla all'imbrunire. Non ho nulla da vendere nè consigli da dare, solo qualche piccolo suggerimento da prendere con le pinze, possibilmente, amperometriche. Buoni Km a tutti e......... rammentate sempre che....... TESTAR NON NUOCE!
17
time69
time69
07/12/2008 381
Rispondi Abuso
Inserito il 17/05/2025 alle: 14:36:33
In risposta al messaggio di Szopen del 17/05/2025 alle 09:57:46

Buongiorno, una piccola nota informativa, per coloro che adottano batterie al litio e di conseguenza prevedono scariche o assorbimenti di maggior intensità, sarebbe utile prevedere l'inserimento di un'interruttore magnetotermico ABB S803P-C125 oppure Gewiss GW93339 o ancora altro similare in luogo dello ABB S203 C63 presente nello schema di Marco. Ciro.
Grazie Ciro.
Gentile come sempre
Asturia, Cantabria e Paesi Baschi in cam
Asturia, Cantabria e Paesi Baschi in cam
Sala Silvergruva, la miniera d'argento
Sala Silvergruva, la miniera d'argento
Folgaria d’inverno in camper
Folgaria d’inverno in camper
Francia 2025
Francia 2025
Eksjo, la città di legno
Eksjo, la città di legno
Previous Next
21
camper66
camper66
rating

20/11/2004 532
Rispondi Abuso
Inserito il 18/05/2025 alle: 08:10:27
In risposta al messaggio di Emme48 del 20/03/2024 alle 08:40:49

In molti mi scrivono per chiedermi come funziona il sistema aggiuntivo di sicurezza delle batterie basato sulla bobina di sgancio abbinata ad un magnetotermico. Per evitare di fare dei copia-incolla sulle mail e soprattutto
per non dimenticare nulla ecco qui lo schema che ho usato e che altri hanno realizzato con successo. (nello schema ci sono anche i due deviatori nautici per poter usare una o due BS in aiuto o al posto della BM) Questi sono (da sinistra) il magnetotermico ADATTO ANCHE A TENSIONI CONTINUE, la bobina di sgancio meccanicamente collegata al magnetotermico e i due fusibili per la protezione e manutenzione dei pannelli solari. Nello schema si vede che i positivi delle BS e i sistemi di ricarica vengono collegati tra loro tramite un magnetotermico da 63 A modello ABB S203 C63 400 3p meccanicamente collegato con DUE inserti meccanici alla bobina di sgancio S2C-A1ABB che quando riceve 12 Volt tira giù il magnetotermico e si isola interrompendo l'assorbimento della bobina stessa (quindi non consuma corrente all'infinito). La bobina riceve un positivo ricavato da almeno due batterie (3 nello schema) che tramite diodi (e fusibili) garantiscono un positivo sempre presente, anche con una batteria KO o con tensione insufficiente. Oltre che con correnti superiori a 63 Ampere, l'intervento della protezione avviene mandando a massa l'altro filo della bobina di sgancio, sul mio camper lo faccio con una decina di economici sensori di temperatura come questo messi tutti in parallelo e incollati nei punti critici dell'impianto. Poi ho realizzato un circuito elettronico (modificandone uno commerciale) che attiva un relè (anche lui in parallelo ai sensori) al superamento della tensione della BS di 15,6 Volt, ho anche un pulsante di emergenza. Non c'è limite ai sensori che si possono collegare, rilevatori di fumo, di infrarossi ecc... Marco.   Marco
...
Grazie Marco per la condivisione, mi sento in parte responsabile delle mail che hai ricevuto, mi sa che anche io ti ho fatto un po' di pubblicità wink.
E non avrei mai dato precise indicazioni operative fuori da chi quell'impianto ha progettato e ha le  competenze per esporre con chiarezza e a prova di errore: con queste correnti non si scherza. 

Nel  pieno del rifacimento del mio impianto colsi la palla al balzo, il lavoro non è difficile e l'utilità rispetto al classico staccabatteria a 4 posizioni è imparagonabile. Quello che si apprezza è anche la espandibilità, i contatti in parallelo sul rele di sgancio possono essere aggiunti e tolti con facilità e le possibilità  di utilizzo possono essere molteplici.
Dopo un anno e mezzo dall'installazione posso parlarne solo bene, nessun malfunzionamento, facilità di stacco batterie (volendo anche da app) e una sicurezza in più che non guasta mai.
Unico problema forse la reperibilità (e il costo) dei magnetotermici per alte correnti continue, per me sono sovrabbondanti i 60+60 A (che già faticai a trovare, li fa ABB) ma con gli impianti - e gli utilizzi - di oggi possono essere non sufficienti come faceva notare Ciro.

 
Luca
20
Emme48
Emme48
rating

13/01/2006 24534
Rispondi Abuso
Inserito il 18/05/2025 alle: 21:59:18
In risposta al messaggio di camper66 del 18/05/2025 alle 08:10:27

Grazie Marco per la condivisione, mi sento in parte responsabile delle mail che hai ricevuto, mi sa che anche io ti ho fatto un po' di pubblicità . E non avrei mai dato precise indicazioni operative fuori da chi quell'impianto
ha progettato e ha le  competenze per esporre con chiarezza e a prova di errore: con queste correnti non si scherza.  Nel  pieno del rifacimento del mio impianto colsi la palla al balzo, il lavoro non è difficile e l'utilità rispetto al classico staccabatteria a 4 posizioni è imparagonabile. Quello che si apprezza è anche la espandibilità, i contatti in parallelo sul rele di sgancio possono essere aggiunti e tolti con facilità e le possibilità  di utilizzo possono essere molteplici. Dopo un anno e mezzo dall'installazione posso parlarne solo bene, nessun malfunzionamento, facilità di stacco batterie (volendo anche da app) e una sicurezza in più che non guasta mai. Unico problema forse la reperibilità (e il costo) dei magnetotermici per alte correnti continue, per me sono sovrabbondanti i 60+60 A (che già faticai a trovare, li fa ABB) ma con gli impianti - e gli utilizzi - di oggi possono essere non sufficienti come faceva notare Ciro.  
...
Quel magnetotermico è una protezione amperometrica e va ovviamente scelto in base alle correnti in gioco.

Non ho (ancora) messo sul mio sito lo schema di un circuito importantissimo che attiva la bobina di sgancio a fronte di una tensione della BS troppo elevata, ecco il problema capitato ad un mio amico del Toscana Camper Club.
Impianto al litio (la marca non è significativa) con MPPT, DC DC Charger e caricabatterie (super-blasonato) a 230 Volt.
Il caricabatterie si è guastato ed ha incominciato a fornire energia alla BS senza limitazione.
Ad un certo punto il BMS ha fatto il suo mestiere bloccando la ricarica per proteggere le celle al litio, in pratica la BS ha smesso di assorbire corrente permettendo al caricabatterie guasto di erogare 23 Volt sul filo che alimenta tutto quanto a bordo.
Non abbiamo ancora capito come la centralina sa riuscita a staccare tutto in tempo, ma l'inverter da 2000 Watt (di ottima marca) direttamente collegato alla BS (più i sistemi di ricarica) è da buttare.

Sul mio camper ho un circuito di controllo tensione
Se si alimenta questo circuito con più di 15,6 Volt il relè si chiude e manda a massa il polo della bobina di sgancio collegato ai sensori a 60 gradi sparsi qua e là, scollegando tutto (vedi schema).

Chi ha le litio equipaggiate con un BMS che... se la da a gambe ai primi sentori di guai, dovrebbe aggiungere anche un robustissimo Zener da 16 Volt tra BS e massa per dare tempo alla catena di potezione di intervenire.
Io ho le AGM "sempre presenti" che fanno da calmiere di una eventuale extratensione e il magnetotermico ha tutto il tempo di intervenire.

Forse una vecchia barra a 16 Led fatta con un datato UAA180 potrebbe essere tarata a 15 Volt fondo scala, il Led numero 16 potrebbe pilotare un TIP142 con emettitore a massa e collettore alla bobina di sgancio... boh?
Marco

http://www.m48.it


Modificato da Emme48 il 19/05/2025 alle 03:04:42
14
banoyo
banoyo
23/12/2011 2518
Rispondi Abuso
Inserito il 19/05/2025 alle: 11:32:09
In risposta al messaggio di Emme48 del 18/05/2025 alle 21:59:18

Quel magnetotermico è una protezione amperometrica e va ovviamente scelto in base alle correnti in gioco. Non ho (ancora) messo sul mio sito lo schema di un circuito importantissimo che attiva la bobina di sgancio a fronte
di una tensione della BS troppo elevata, ecco il problema capitato ad un mio amico del Toscana Camper Club. Impianto al litio (la marca non è significativa) con MPPT, DC DC Charger e caricabatterie (super-blasonato) a 230 Volt. Il caricabatterie si è guastato ed ha incominciato a fornire energia alla BS senza limitazione. Ad un certo punto il BMS ha fatto il suo mestiere bloccando la ricarica per proteggere le celle al litio, in pratica la BS ha smesso di assorbire corrente permettendo al caricabatterie guasto di erogare 23 Volt sul filo che alimenta tutto quanto a bordo. Non abbiamo ancora capito come la centralina sa riuscita a staccare tutto in tempo, ma l'inverter da 2000 Watt (di ottima marca) direttamente collegato alla BS (più i sistemi di ricarica) è da buttare. Sul mio camper ho un circuito di controllo tensione Se si alimenta questo circuito con più di 15,6 Volt il relè si chiude e manda a massa il polo della bobina di sgancio collegato ai sensori a 60 gradi sparsi qua e là, scollegando tutto (vedi schema). Chi ha le litio equipaggiate con un BMS che... se la da a gambe ai primi sentori di guai, dovrebbe aggiungere anche un robustissimo Zener da 16 Volt tra BS e massa per dare tempo alla catena di potezione di intervenire. Io ho le AGM sempre presenti che fanno da calmiere di una eventuale extratensione e il magnetotermico ha tutto il tempo di intervenire. Forse una vecchia barra a 16 Led fatta con un datato UAA180 potrebbe essere tarata a 15 Volt fondo scala, il Led numero 16 potrebbe pilotare un TIP142 con emettitore a massa e collettore alla bobina di sgancio... boh?
...
E' un guasto anomalo, ho riparato molte decine, di alimentatori e carica batteria ma mai mi è successo di avere tra le mani un alimentatore con un guasto del genere.
Era impostabile a 24V tramite software?
Fortunatamente aveva in litio, se fosse stata un'altro tipo di batteria non voglio immaginare cosa poteva succedere...un'altra dimostrazione che le litio sono le batterie sicure, certamente più sicure di altre.
Tiziano

Modificato da banoyo il 19/05/2025 alle 11:39:21
20
Emme48
Emme48
rating

13/01/2006 24534
Rispondi Abuso
Inserito il 19/05/2025 alle: 12:05:06
In risposta al messaggio di banoyo del 19/05/2025 alle 11:32:09

E' un guasto anomalo, ho riparato molte decine, di alimentatori e carica batteria ma mai mi è successo di avere tra le mani un alimentatore con un guasto del genere. Era impostabile a 24V tramite software? Fortunatamente
aveva in litio, se fosse stata un'altro tipo di batteria non voglio immaginare cosa poteva succedere...un'altra dimostrazione che le litio sono le batterie sicure, certamente più sicure di altre.
...
No, 12 Volt fissi.
Comunque basta che vada in corto il Mosfet di un regolatore PWM e la tensione del pannello va direttamente sulla BS, questo è un caso che è capitato propio ad un cliente DSTek.
Diego, il tiolare, mi disse che era anche un PWM di ottima fattura.
Marco

http://www.m48.it

17
time69
time69
07/12/2008 381
Rispondi Abuso
Inserito il 19/05/2025 alle: 14:00:25
In risposta al messaggio di banoyo del 19/05/2025 alle 11:32:09

E' un guasto anomalo, ho riparato molte decine, di alimentatori e carica batteria ma mai mi è successo di avere tra le mani un alimentatore con un guasto del genere. Era impostabile a 24V tramite software? Fortunatamente
aveva in litio, se fosse stata un'altro tipo di batteria non voglio immaginare cosa poteva succedere...un'altra dimostrazione che le litio sono le batterie sicure, certamente più sicure di altre.
...
A me era successo qualche anno fa con il solare. Caricatore nds gold. La tensione era schizzata oltre i 16V. Fortunatamente ero in camper e me ne sono accorto. Ero in ferie e ho dovuto staccare i pannelli. Ecco perché trovo molto utile questa modifica 

Modificato da time69 il 19/05/2025 alle 14:01:29
16
mimmo69
mimmo69
21/09/2009 4972
Rispondi Abuso
Inserito il 19/05/2025 alle: 14:15:01
In risposta al messaggio di Emme48 del 19/05/2025 alle 12:05:06

No, 12 Volt fissi. Comunque basta che vada in corto il Mosfet di un regolatore PWM e la tensione del pannello va direttamente sulla BS, questo è un caso che è capitato propio ad un cliente DSTek. Diego, il tiolare, mi disse che era anche un PWM di ottima fattura.
Mi chiedo come sia possibile che i produttori di regolatori PWM non prevedano una "protezione" in questo caso, ovvero, ad avvenuto corto del Mosfet, interruzione di erogazione alla BS.
Viaggio su Mobilvetta Admiral K6.3 2025 Fiat Ducato 2.2/180 aut. Heavy
20
Emme48
Emme48
rating

13/01/2006 24534
Rispondi Abuso
Inserito il 19/05/2025 alle: 14:25:19
In risposta al messaggio di mimmo69 del 19/05/2025 alle 14:15:01

Mi chiedo come sia possibile che i produttori di regolatori PWM non prevedano una protezione in questo caso, ovvero, ad avvenuto corto del Mosfet, interruzione di erogazione alla BS.
Quando si allestisce un sistema di sicurezza si cerca di immaginare l'inimmaginabile, la probabilità statistica che succeda un certo evento non incide sul progetto delle contromisure necessarie a gestirlo.

A parte la protezione del valore commerciale degli oggetti che potrebbero rompersi, una erogazione incontrollata di energia può rappresentare un problema di sicurezza per le persone.
Per questo lo sgancio totale deve avvenire per sovracorrente, sovratensione e sovratemperatura e soprattutto non ci deve MAI essere un sistema che si riarma da solo, se un problema causa l'intervento di una protezione, prima si indaga, poi si risolve e solo dopo si riattiva...manualmente.
Marco

http://www.m48.it


Modificato da Emme48 il 19/05/2025 alle 15:05:39
Argomenti recenti dal forum
Aree di sosta e campeggi
Lago di Resia
Buongiorno sapete indicarmi dove sostare per visitare lago Di Resia ...
Arcasuper640
40 minuti fa
Cellula abitativa
Camper nuovi con serbatoio nere nautico
Un saluto a tutti, sul mio attuale arca è installato un sistema spee...
riccardo23
Ieri alle: 17:42
Accessori
Trasferire molti ah da BS a BM
Una volta sono rimasto senza alternatore a circa due ore da casa era...
gianninotopo
Ieri alle: 13:22
Cellula abitativa
pulizia oblo bagno impossibile
Buongiorno a tutti, ho un Hymer Camp GT544 mansardato del 2005. Il b...
Ceschi1984
Ieri alle: 11:53
Cellula abitativa
Comando Cp plus su Combi 6002
Buongiorno a tutti,volevo sapere se si può montare il comando cp plu...
Rickyge
19/03/26 - 16:00
Viaggi all'estero
Vignette/telepass oltre 35q in Cechia e Polonia
Buongiorno a tutti, stavo programmando un viaggio per vedere la Polo...
biomax
19/03/26 - 14:09
Cellula abitativa
Sportello presa cee
Lo sportello della presa del mio veicolo è mal ridotta, un paio di c...
gianninotopo
19/03/26 - 11:10
Altro sui camper
camper puro, furgonato x usarlo anche per lavori
buongiorno, mi frulla in testa la voglia anche se non per quest'anno...
vespucci
19/03/26 - 09:04
Altro sui camper
Cerco rimessaggio Arenzano,Genova,Savona,masone ec
Aiutoooo cerco rimessaggio nel raggio di 50km da Arenzano… grazie an...
Lelle007
19/03/26 - 01:19
Accessori
domanda secca su lifepo4
buonaser a tutti, prossimamente vorrei acquistare un box batteria d...
AlbertoPD
18/03/26 - 23:08
Cellula abitativa
Caricabatterie e colonnina 220v
Buonasera, non mi era mai capitato oppure non ci avevo fatto caso. S...
323232
18/03/26 - 20:17
Compagni di viaggio
Compagni viaggio Lombardia
Ciao, siamo una coppia di Milano, Matteo (34) e Angelica (40), con u...
Mario Dalgalla
18/03/26 - 17:16
Accessori
Striscia a led "d'atmosfera"
Salve vorrei mettere questa striscia (5mt. COB 45w) alla base dei ...
gianninotopo
18/03/26 - 16:43
Meccanica
Problema elettrico Fiat ducato X250 2.3 mjt 2012
Salve a tutti. Ho un grosso problema sul mio mezzo per quanto riguar...
Pizza77
18/03/26 - 10:30
Accessori
Impianto con lifepo4
Buongiorno a tutti, sono un novellino di questo fantastico mondo, ho...
The Box
18/03/26 - 09:16
6
Szopen
Szopen
rating

06/09/2019 6007
Rispondi Abuso
Inserito il 19/05/2025 alle: 14:28:11
In risposta al messaggio di Emme48 del 19/05/2025 alle 12:05:06

No, 12 Volt fissi. Comunque basta che vada in corto il Mosfet di un regolatore PWM e la tensione del pannello va direttamente sulla BS, questo è un caso che è capitato propio ad un cliente DSTek. Diego, il tiolare, mi disse che era anche un PWM di ottima fattura.
Questo e' uno dei motivi che mi ha portato a montare uno Smart Battery Protect (220A) in ingresso alle 2 BS litio cui convergono tutti i caricatori, seppur dotate di BMS ho ritenuto utile inserire una sicurezza ulteriore.

Ciro.
nomade analogico e fanciulla all'imbrunire. Non ho nulla da vendere nè consigli da dare, solo qualche piccolo suggerimento da prendere con le pinze, possibilmente, amperometriche. Buoni Km a tutti e......... rammentate sempre che....... TESTAR NON NUOCE!
21
camper66
camper66
rating

20/11/2004 532
Rispondi Abuso
Inserito il 19/05/2025 alle: 14:59:27
In risposta al messaggio di Emme48 del 18/05/2025 alle 21:59:18

Quel magnetotermico è una protezione amperometrica e va ovviamente scelto in base alle correnti in gioco. Non ho (ancora) messo sul mio sito lo schema di un circuito importantissimo che attiva la bobina di sgancio a fronte
di una tensione della BS troppo elevata, ecco il problema capitato ad un mio amico del Toscana Camper Club. Impianto al litio (la marca non è significativa) con MPPT, DC DC Charger e caricabatterie (super-blasonato) a 230 Volt. Il caricabatterie si è guastato ed ha incominciato a fornire energia alla BS senza limitazione. Ad un certo punto il BMS ha fatto il suo mestiere bloccando la ricarica per proteggere le celle al litio, in pratica la BS ha smesso di assorbire corrente permettendo al caricabatterie guasto di erogare 23 Volt sul filo che alimenta tutto quanto a bordo. Non abbiamo ancora capito come la centralina sa riuscita a staccare tutto in tempo, ma l'inverter da 2000 Watt (di ottima marca) direttamente collegato alla BS (più i sistemi di ricarica) è da buttare. Sul mio camper ho un circuito di controllo tensione Se si alimenta questo circuito con più di 15,6 Volt il relè si chiude e manda a massa il polo della bobina di sgancio collegato ai sensori a 60 gradi sparsi qua e là, scollegando tutto (vedi schema). Chi ha le litio equipaggiate con un BMS che... se la da a gambe ai primi sentori di guai, dovrebbe aggiungere anche un robustissimo Zener da 16 Volt tra BS e massa per dare tempo alla catena di potezione di intervenire. Io ho le AGM sempre presenti che fanno da calmiere di una eventuale extratensione e il magnetotermico ha tutto il tempo di intervenire. Forse una vecchia barra a 16 Led fatta con un datato UAA180 potrebbe essere tarata a 15 Volt fondo scala, il Led numero 16 potrebbe pilotare un TIP142 con emettitore a massa e collettore alla bobina di sgancio... boh?
...
Per comandare la bobina di sgancio, oltre alle protezioni termiche, utilizzo l'uscita relè di un battery monitor preso in rete per controllare nei primi mesi il buon funzionamento del mio impianto e poi lasciato comunque installato in virtù dell'affidabilità dimostrata e delle caratteristiche interessanti: nello specifico, il comando al relè si attiva per sovra-sottotensioni  e sovra-sottocorrenti interamente settabile, oltre che con un proprio sensore termico. Appena sono a casa posto il modello, che tra l'altro ha un costo abbordabile; evidentemente di produzione orientale, ma di buona qualità.

PS anche io ebbi sovratensioni da un regolatore PWM, di marca buona (forse NDS, non ricordo) trovato sul camper preso usato e subito sostituito.
Luca

Modificato da camper66 il 19/05/2025 alle 15:04:14
14
banoyo
banoyo
23/12/2011 2518
Rispondi Abuso
Inserito il 19/05/2025 alle: 15:21:24
In risposta al messaggio di camper66 del 19/05/2025 alle 14:59:27

Per comandare la bobina di sgancio, oltre alle protezioni termiche, utilizzo l'uscita relè di un battery monitor preso in rete per controllare nei primi mesi il buon funzionamento del mio impianto e poi lasciato comunque
installato in virtù dell'affidabilità dimostrata e delle caratteristiche interessanti: nello specifico, il comando al relè si attiva per sovra-sottotensioni  e sovra-sottocorrenti interamente settabile, oltre che con un proprio sensore termico. Appena sono a casa posto il modello, che tra l'altro ha un costo abbordabile; evidentemente di produzione orientale, ma di buona qualità. PS anche io ebbi sovratensioni da un regolatore PWM, di marca buona (forse NDS, non ricordo) trovato sul camper preso usato e subito sostituito.
...
Attenzione a quando li misurate i regolatori, se vengono misurati senza un carico adeguato è facile che escano con tensioni più alte.
Tiziano
Leocamp
Leocamp
09/04/2024 63
Rispondi Abuso
Inserito il 19/05/2025 alle: 16:56:23
Ho una batteria litio eco.worthy da 280 Ah...con il suo BMS di serie. Dovrei mettere il magnetotermico con bobina si sgancio, i vari sensori termici e magari anche uno Zener? Mi chiedo: ma il BMS "che ce sta a fà?".
20
Emme48
Emme48
rating

13/01/2006 24534
Rispondi Abuso
Inserito il 19/05/2025 alle: 17:15:02
In risposta al messaggio di Leocamp del 19/05/2025 alle 16:56:23

Ho una batteria litio eco.worthy da 280 Ah...con il suo BMS di serie. Dovrei mettere il magnetotermico con bobina si sgancio, i vari sensori termici e magari anche uno Zener? Mi chiedo: ma il BMS che ce sta a fà?.
Il BMS protegge la batteria, NON l'impianto.
Quando lui sgancia la litio, per qualsiasi motivo o anche senza giustificato motivo (succede...), il positivo delle ricariche e delle utenze resta flottante, cioè in balia di quello che potrebbe essere il problema che ha generato lo sgancio, ossia una ricarica incontrollata che si traduce in una tensione molto elevata.

Devo però precisare che questo schema di sicurezza e la sua spiegazione non è per tutti, pretende una conoscenza dell'elettronica e non solo un'infarinatura, altrimenti non si riesce a spiegare la motivazione di questi accorgimenti che consentono di ridurre i rischi e soprattutto manca la capacità di valutazione dei rischi possibili, anche se improbabili, affidandosi agli oggetti posti in vendita percepiti come infallibili.

Per quanto riguarda la statistica, cioè la possibilità che succeda un inconveniente simile, ricordo che le statistiche le fanno le aziende sul totale del parco installato, io sono uno, singolo, per cui mi interessa quanto può succedere a me, non avrò mai lo 0,23% di guasto al regolatore fotovoltaico dettato dalla statistica, il mio MPPT andrà bene oppure si romperà.
Se mi si guasta avrò la protezione grazie alle contromisure che ho adottato, se non mi si guasta avrò sprecato 50 euro.

Ricordo anche che una batteria è un componente, lo è anche un caricabatterie, ma se ci sono dei cablaggi che collegano tra loro questi due componenti allora si chiama impianto e la sua sicurezza è di totale responsabilità di chi fa i collegamenti.
 
Marco

http://www.m48.it


Modificato da Emme48 il 19/05/2025 alle 17:17:01
20
Emme48
Emme48
rating

13/01/2006 24534
Rispondi Abuso
Inserito il 19/05/2025 alle: 17:28:45
In risposta al messaggio di mimmo69 del 19/05/2025 alle 14:15:01

Mi chiedo come sia possibile che i produttori di regolatori PWM non prevedano una protezione in questo caso, ovvero, ad avvenuto corto del Mosfet, interruzione di erogazione alla BS.
Ecco la risposta alla tua domanda.
7100-FK011-schema.jpg
Manda in corto il Mosfet Q1, quello col  Drain a massa, e poi dimmi chi limita l'energia dal pannello alla batteria.

Ma lo sai perché lo schema è quello di collegare il positivo del pannello direttamente alla BS e poi lavorare sul negativo in PWM?
Ecco il componente:
mosfet.jpg
Siccome il Drain è collegato elettricamente alla massa (il PIN centrale è anche l'aletta, quella col buco), si può avvitare direttamente all'aletta dissipatrice in alluminio collegata a massa, risparmiando il costo dell'isolante che sarebbe necessario lavorando sul positivo, inoltre il contatto termico migliore consente di smaltire meglio il calore e di utilizzare un componente di qualità (e costo) inferiore ma anche avere un prodotto migliore, come in questo caso.

Lo schema che vedi è decisamente ben fatto, ha degli ottimi accogimenti elettronici e non ci sono componenti critici, ma non esiste modo di eliminare il punto debole di tutti i PWM che è il finale di potenza, per la cronaca la regolazione PWM è presente anche negli MPPT lato batteria.
Marco

http://www.m48.it


Modificato da Emme48 il 19/05/2025 alle 17:58:34
Leocamp
Leocamp
09/04/2024 63
Rispondi Abuso
Inserito il 19/05/2025 alle: 18:51:24
In risposta al messaggio di Emme48 del 19/05/2025 alle 17:15:02

Il BMS protegge la batteria, NON l'impianto. Quando lui sgancia la litio, per qualsiasi motivo o anche senza giustificato motivo (succede...), il positivo delle ricariche e delle utenze resta flottante, cioè in balia di
quello che potrebbe essere il problema che ha generato lo sgancio, ossia una ricarica incontrollata che si traduce in una tensione molto elevata. Devo però precisare che questo schema di sicurezza e la sua spiegazione non è per tutti, pretende una conoscenza dell'elettronica e non solo un'infarinatura, altrimenti non si riesce a spiegare la motivazione di questi accorgimenti che consentono di ridurre i rischi e soprattutto manca la capacità di valutazione dei rischi possibili, anche se improbabili, affidandosi agli oggetti posti in vendita percepiti come infallibili. Per quanto riguarda la statistica, cioè la possibilità che succeda un inconveniente simile, ricordo che le statistiche le fanno le aziende sul totale del parco installato, io sono uno, singolo, per cui mi interessa quanto può succedere a me, non avrò mai lo 0,23% di guasto al regolatore fotovoltaico dettato dalla statistica, il mio MPPT andrà bene oppure si romperà. Se mi si guasta avrò la protezione grazie alle contromisure che ho adottato, se non mi si guasta avrò sprecato 50 euro. Ricordo anche che una batteria è un componente, lo è anche un caricabatterie, ma se ci sono dei cablaggi che collegano tra loro questi due componenti allora si chiama impianto e la sua sicurezza è di totale responsabilità di chi fa i collegamenti.  
...
Grazie per la dettagliata risposta, ma....esiste qualche normale camper di serie, di quelli che si vendono nuovi in vendita presso i concessionari, che monta tali dispositivi di sicurezza all'origine? Sul mio, che è abbastanza recente, non c'è.
Se la risposta fosse no, i produttori sono dei pazzi incoscienti?
Quanto alle statistiche, che mi hanno sempre appassionato, risulta che sul nostro pianeta cadono ogni anno fino a 500 meteoriti grandi come un'arancia: ovviamente se si viene colpiti, è un colpo letale. Ma non vedo nessuno girare con caschi di titanio o sotto apposite pensiline protettive. 
Sono d'altronde convinto che la gran parte dei camperisti commetta imprudenze molto maggiori, sui loro mezzi, almeno per quanto vedo spesso, osservando i miei vicini. L'individuazione delle priorità è fondamentale nella valutazione dei rischi, e gli "eccessi di zelo" sono spesso pericolosamente fuorvianti, a mio parere. Con tutto rispetto per chi la pensa diversamente.
A meno che si tratti di esercizi puramente tecnici, allora il tutto può diventare anche molto interessante, al di là dell'opportunità di dotarsene o meno.
La sicurezza non è mai troppa, di solito, ma quando è troppa, meglio rimanere a casa.
20
Emme48
Emme48
rating

13/01/2006 24534
Rispondi Abuso
Inserito il 19/05/2025 alle: 19:01:56
In risposta al messaggio di Leocamp del 19/05/2025 alle 18:51:24

Grazie per la dettagliata risposta, ma....esiste qualche normale camper di serie, di quelli che si vendono nuovi in vendita presso i concessionari, che monta tali dispositivi di sicurezza all'origine? Sul mio, che è abbastanza
recente, non c'è. Se la risposta fosse no, i produttori sono dei pazzi incoscienti? Quanto alle statistiche, che mi hanno sempre appassionato, risulta che sul nostro pianeta cadono ogni anno fino a 500 meteoriti grandi come un'arancia: ovviamente se si viene colpiti, è un colpo letale. Ma non vedo nessuno girare con caschi di titanio o sotto apposite pensiline protettive.  Sono d'altronde convinto che la gran parte dei camperisti commetta imprudenze molto maggiori, sui loro mezzi, almeno per quanto vedo spesso, osservando i miei vicini. L'individuazione delle priorità è fondamentale nella valutazione dei rischi, e gli eccessi di zelo sono spesso pericolosamente fuorvianti, a mio parere. Con tutto rispetto per chi la pensa diversamente. A meno che si tratti di esercizi puramente tecnici, allora il tutto può diventare anche molto interessante, al di là dell'opportunità di dotarsene o meno. La sicurezza non è mai troppa, di solito, ma quando è troppa, meglio rimanere a casa.
...
Diciamo che con un 95% di base teorica e un 5% di manualità si riesce a fare tantissimo in tempi e costi molto limitati, a quel punto certe precauzioni si possono fare senza problemi e non sono un dramma.
Ho condiviso tutto questo per coloro che desiderano e possono realizzare delle sicurezze aggiuntive, ma ipotizzo che le persone interessate siano pochissime.
Marco

http://www.m48.it

21
camper66
camper66
rating

20/11/2004 532
Rispondi Abuso
Inserito il 19/05/2025 alle: 19:20:16
In risposta al messaggio di banoyo del 19/05/2025 alle 15:21:24

Attenzione a quando li misurate i regolatori, se vengono misurati senza un carico adeguato è facile che escano con tensioni più alte.
Giustissima precisazione. Purtroppo nel mio caso leggevo 15.8 in centralina, con tutto collegato, e per quanto riguarda i regolatori solari pwm questo tipo di problema non è poi così raro.
Luca
SostaGruppiCompagniItaliaEsteroMarchiMeccanicaCellulaAccessoriEventiLeggiComportamentiDisabiliIn camper perAltro CamperAltroExtra
167k Facebook
343k Instagram
42,6k TikTok
73,3k Youtube
CamperOnLine - Copyright © 1998-2026 - P.Iva 06953990014
Informativa privacy
Loading...

Accedi

Recupera Password
Nuovo utente

Vuoi eliminare il messaggio?

Sottoscrizione

Anteprima

PREFERENZA

Il messaggio è in fase di inserimento.

loading

CamperOnLine

Buongiorno gentile utente,

da oltre 20 anni Camperonline offre gratuitamente tutti i suoi servizi
grazie agli inserzionisti che ci hanno dato la loro fiducia, permettici di continuare il nostro lavoro disattivando il blocco delle pubblicità.

Grazie della collaborazione.

Azione eseguita con successo

Azione Fallita

Condividi

Condividi questa pagina con:

O copia il link