Davvero davvero complimenti a voi!
da un po di tempo mi sono ripromesso di montare i soffietti sul mio campervan (Furgonato semifaidate su Citroen Jumper 5,40mt H2L2) gia dotato di doppia foglia sulla balestra, ho visto molti kit commerciali venduti a prezzi, scusate la franchezza, ma FOLLI, ho anche visto che spesso sono molto basilari nel funzionamento, io mi ero progettato disegnato un sistema a 4 Elettrovalvole, due per caricare i singoli lati in modo separato e due per scaricare lato per lato, poi mi sono indirizzato su un due elettrovalvole solamente per il carico aria, quindi uno switch momentaneo due posizioni, posizione SU da tensione al compressore e apre l'elettrovalvola di quel lato, mentre per scaricare ho trovato delle piccole valvola da pannello a pulsante, piccole e pratiche, a cui però per fare un lavoro raffinato e di precisione va aggiunto un regolatore di flusso sullo scarico, allego le foto qui sotto, si parla di componenti da pochi euro :) il regolatore permette di gestire il flusso d'aria in uscita e avere la regolazione che si vuole con molta precisione, se poi da fastidio il soffio di scarico si può montare un filtro a granuli metallici del costo di 1,50EUR circa, mi sono orientato sulla scelta delle sole due valvole per evitare di consumare spazio e poi meno hai meno si può rompere no? oltretutto se si ci trovasse con una elettrovalvola bloccata e i soffietti gonfiati molto si dovrebbe arrivare alle valvole e attivare il pulsante manuale di sblocco (se ne è dotata quella valvola) altrimenti staccare un tubetto a mano, quindi meglio due pulsantini cromati carini a pennello e regolatore del flusso in uscita no?
mi manca stabilire che compressore usare, escluso duty cycle S1 e modelli professionali, per cosa deve fare (compreso gonfiarmi le gomme se dovesse servire) un monocilindrico decente dovrebbe essere sufficente, quindi un cinese p un Heinell Black & decker etcct, tanto sono tutti lo stesso :) da 20eur, oppure un bicilindrico da 40eur? o Ancora un meraviglioso GRU12CC10 della Air Line italiana? (Che devo ancora capire cosa mi costerebbe) ?
ho letto che qualcuno aveva problemi a collegare i tubi (simil Rilsan) ai manometri, ci sono connettori dedicati per varie misure di tubo e di raccordo, allego una foto per chi fosse interessato, come manometri ho scelto dei modelli con 10 Kg/cm a fondo scala, tanto fra BAR e Kg/cm su valori fino a 10BAR in pratica non vi è differenza, ma ho trovato un modello con attacco a pannello, tacchette decimali e sfondo bianco, allego una foto, mi manca in toto il soffietto da prendere! opterei per un doppia balza da 8 pollici, molti dubbi se lasciare il tampone o rischiare senza, rischiare nel senso che se si scarica il soffietto ed è un modello senza tampone interno e non si riesce a gonfiare che fine fa il soffietto stesso dopo qualche km? :( chiedo anche qui a voi che siete iper preparati un consiglio!
grazie a tutti quelli che hanno dato tanti spunti davvero interessanti su questo post!

Tasto scarico da pannello

regolatori di flusso, modello in linea per tubo e modello a filetto
Attavvo da tubetto a manometro o altro con attacco maschio
Manometro con attacco a pannello fondoscala 10Kg/cm2
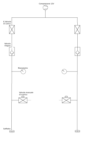
Posto la bozza dello schema che mi ero studiato, due valvole di ritegno per poter alzare lato per lato separatamente e per tenere separati i lati dell impianto in caso di perdite, questa era la prima bozza, ovvero 4 elettrovalvole, ora devo rifarlo eliminando due elettrovalvole e aggiungendo le valvoline manuali e i regolatori di flusso,perdonatemi errori di designazione simboli e correzioni varie
Appunto parlando di correzioni cambio lo schema che avevo postato, perchè nelle valvole commerciali diciamo comuni o diciamo economiche succede che si applica una pressione sul lato uscita, OUT, la valvola perde....non succede su valvole profesisonali, abbiamo testato in azienda ove lavoro con un manutentore una FESTO, da 50 eur, questa non si apre neppure applicando 30BAR valvole stessa marca ma modelli piu economici base invece applicando gia 5 6BAR perde :( non si apre completamente ma perde aria che torna indietro, diciamo cosi, per simulare un soffietto, che non ho sottomano, abbiamo messo un pistole da 12mm di stelo su cui abbiamo spinto in due dando dei colpi, simulando cosi la pressione sui soffietti fra buche stradali dossi cambi di carico, non c'è stato verso, anche il manutentore mi ha spiegato che è normale, o si usano quindi due valvole economiche, come quelle postate qui sotto dal buon Franco, che sono come quelle che ho preso io ma dai siti cinesi per 4 5 eur, in modo che OUT sia contro OUT, oppure montare una valvola tipo le FESTO professionali o semplicemente spostando il punto della valvola di scarico e della valvola di ritegno, in modo che la valvola di ritegno blocchi il ritorno fra soffietto e valvola pneumatica.
Mancano i collegamenti elettrici ma sono molto basilari e ovvi, cosi dovrebbe funzionare senza intoppi, ma fin che non mi arrivano i soffietti manca il test finale ;)
Imparare e capire, capire e imparare.
Modificato da Gheroppaaa il 17/05/2023 alle 15:23:21