CamperOnLine
  • Camper
    • Camper usati
    • Camper nuovi
    • Produttori
    • Listino
    • Cataloghi
    • Concessionari e rete vendita
    • Noleggio
    • Van
    • Caravan
    • Fiere
    • Rimessaggi
    • Le prove di CamperOnLine
    • Provati da voi
    • Primo acquisto
    • Area professionisti
  • Accessori
    • Accessori e Prodotti
    • Camping Sport Magenta accessori
    • Produttori
    • Antenne TV
    • Ammortizzatori
    • GPS
    • Pneumatici
    • Rimorchi
    • Provati da Voi
    • Fai da te
  • Viaggi
    • Diari di viaggi in camper
    • Eventi
    • Foto
    • Check list
    • Traghetti
    • Trasporti
  • Sosta
    • Cerca Strutture
    • Sosta
    • Aree sosta camper
    • Campeggi
    • Agriturismi con sosta camper
    • App Camperonline App
    • 10 Consigli utili per la sosta
    • Area strutture
  • Forum
    • Tutti i Forum
    • Sosta
    • Gruppi
    • Compagni
    • Italia
    • Estero
    • Marchi
    • Meccanica
    • Cellula
    • Accessori
    • Eventi
    • Leggi
    • Comportamenti
    • Disabili
    • In camper per
    • Altro Camper
    • Altro
    • Extra
    • FAQ
    • Regolamento
    • Attivi
    • Preferiti
    • Cerca
  • Community
    • COL
    • CamperOnFest
    • Convenzioni Convenzioni
    • Amici
    • Furti
    • Informativa Privacy
    • Lavoro
  • COL
    • News
    • Newsletter
    • Pubblicità
    • Contatto
    • Ora
    • RSS RSS
    • Video
    • Facebook
    • Instagram
  • Magazine
  • Italiano
    • Bienvenue
    • Welcome
    • Willkommen
  • Accedi
CamperOnLine
Camping Sport Magenta
  1. Forum
  2. Tecnica
  3. Accessori
Galleria

Ventola frigo compressore danfoss....

Rispondi
Cerca
Berger Camping
SostaGruppiCompagniItaliaEsteroMarchiMeccanicaCellulaAccessoriEventiLeggiComportamentiDisabiliIn camper perAltro CamperAltroExtra
1 20 28
15
Tasus
Tasus
23/09/2010 168
Rispondi Abuso
Inserito il 01/09/2017 alle: 13:55:12
Ciao,ho dei dubbi sul funzionamento della ventola del frigo a compressore danfoss...
Non la vedo mai girare...
Qualcuno ha informazioni in merito..? ..nel senso..se non funzionasse come si comporterebbe il frigo?
L'elettronica di bordo mi segnalerebbe qualcosa in caso di ventola non funzionante?
In quali condizioni la ventola parte?

Una volta che mi sono assicurato che dando i 12v ..la ventola gira e quindi non e' difettosa...come posso verificare che l'elettronica del frigo funzioni regolarmente e la riesce a accendere e spegnere come dovrebbe?

Io ho solo girato i due fasto della ventola per farla soffiare dal lato opposto ovvero sempre passando per la griglia del compressore. Ho fatto cio perch ecosi soffia anche verso l'esterno del camper..in corrispondenza con la griglia che hanno tutti i camper per arieggiare il frigo... mi sembrava illogico che soffiasse verso l'interno del camper...

grazie!

Grazie
sergiozh
sergiozh
-
Rispondi Abuso
Inserito il 01/09/2017 alle: 17:13:52
In risposta al messaggio di Tasus del 01/09/2017 alle 13:55:12

Ciao,ho dei dubbi sul funzionamento della ventola del frigo a compressore danfoss... Non la vedo mai girare... Qualcuno ha informazioni in merito..? ..nel senso..se non funzionasse come si comporterebbe il frigo? L'elettronica
di bordo mi segnalerebbe qualcosa in caso di ventola non funzionante? In quali condizioni la ventola parte? Una volta che mi sono assicurato che dando i 12v ..la ventola gira e quindi non e' difettosa...come posso verificare che l'elettronica del frigo funzioni regolarmente e la riesce a accendere e spegnere come dovrebbe? Io ho solo girato i due fasto della ventola per farla soffiare dal lato opposto ovvero sempre passando per la griglia del compressore. Ho fatto cio perch ecosi soffia anche verso l'esterno del camper..in corrispondenza con la griglia che hanno tutti i camper per arieggiare il frigo... mi sembrava illogico che soffiasse verso l'interno del camper... grazie! Grazie
...
Nel mio frigo a compressore la ventola girava quando andava il compressore mi sembra di ricordare. Attualmente non va perche' il tasto di accensione fa il rotto (ogni tanto non va poi va e ora non va da parecchio tempo...)
16
calasci
calasci
29/08/2009 10409
Rispondi Abuso
Inserito il 01/09/2017 alle: 17:40:19
La centralina di gestione danfoss comanda anche la ventola , bisogna vedere dove è collegata la ventola..
19
PPoli
PPoli
18/09/2006 802
Rispondi Abuso
Inserito il 01/09/2017 alle: 19:24:28
In risposta al messaggio di calasci del 01/09/2017 alle 17:40:19

La centralina di gestione danfoss comanda anche la ventola , bisogna vedere dove è collegata la ventola..
Mi sembra di ricordare che i faston della ventola fossero in parallelo con quelli del compressore. In ogni caso la mia ventla va sempre quando va il compressore. Del resto la centralina non mi sembra così soffisticata. Comunque verifico.
La mia ventola è leggermente rumorosa (non molto, ma si sente). Pensavo di sostituirla con altre ventole da pc più silenziose. Su un computer da Home Theater in casa avevo messo le Noctua e la differenza di rumorosità è evidente.
16
calasci
calasci
29/08/2009 10409
Rispondi Abuso
Inserito il 01/09/2017 alle: 19:26:34
In risposta al messaggio di PPoli del 01/09/2017 alle 19:24:28

Mi sembra di ricordare che i faston della ventola fossero in parallelo con quelli del compressore. In ogni caso la mia ventla va sempre quando va il compressore. Del resto la centralina non mi sembra così soffisticata. Comunque
verifico. La mia ventola è leggermente rumorosa (non molto, ma si sente). Pensavo di sostituirla con altre ventole da pc più silenziose. Su un computer da Home Theater in casa avevo messo le Noctua e la differenza di rumorosità è evidente.
...
Screenshot_20170901-192707.jpgLa scheda a un uscita massimo 1A x uscita ventola che parte quando il compressore è in movimento

Modificato da calasci il 01/09/2017 alle 19:28:06
Asturia, Cantabria e Paesi Baschi in cam
Asturia, Cantabria e Paesi Baschi in cam
Sala Silvergruva, la miniera d'argento
Sala Silvergruva, la miniera d'argento
Folgaria d’inverno in camper
Folgaria d’inverno in camper
Francia 2025
Francia 2025
Eksjo, la città di legno
Eksjo, la città di legno
Previous Next
15
Tasus
Tasus
23/09/2010 168
Rispondi Abuso
Inserito il 01/09/2017 alle: 19:36:18
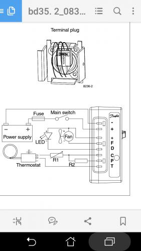
La mia ventola e' collegata come da schema qui sopra..tramite due faston.
Non l ho mai vista accesa..e mi pare anche a compressore accesso.
Apriro la griglia esterna e verifichero se a compressore acceso..la ventola e' accesa.

Comunque se qualke altro ha opinioni e esperienze...ben vengano.

PS: Nello schema e nella realta comunque la ventola non mi pare in parallelo al compressore! o sbaglio?

Se vedo che propio non parte che faccio? ...la collego in parallelo al compressore?

Ma lo scopo di questa ventola qual'e'? Originalmente se tutto funziona e' termostatata per tenere una certa temperatura?... o intervenire ad una certa temperatura? o come?

Grazie :D

Modificato da Tasus il 01/09/2017 alle 19:39:09
16
calasci
calasci
29/08/2009 10409
Rispondi Abuso
Inserito il 01/09/2017 alle: 19:40:02
In risposta al messaggio di Tasus del 01/09/2017 alle 19:36:18

La mia ventola e' collegata come da schema qui sopra..tramite due faston. Non l ho mai vista accesa..e mi pare anche a compressore accesso. Apriro la griglia esterna e verifichero se a compressore acceso..la ventola e' accesa.
Comunque se qualke altro ha opinioni e esperienze...ben vengano. PS: Nello schema e nella realta comunque la ventola non mi pare in parallelo al compressore! o sbaglio? Se vedo che propio non parte che faccio? ...la collego in parallelo al compressore? Ma lo scopo di questa ventola qual'e'? Originalmente se tutto funziona e' termostatata per tenere una certa temperatura?... o intervenire ad una certa temperatura? o come? Grazie :D
...
Non è direttamente attaccata al compressore, ma gestita dalla scheda ,
io in parallelo alla ventola ho messo un led , così sono sicuro di quando gira ,
Nel caso di blocco del compressore da parte della scheda la ventola viene fermata pure.
 
15
Tasus
Tasus
23/09/2010 168
Rispondi Abuso
Inserito il 01/09/2017 alle: 19:49:03
e quindi..a parte il led di segnalazione...se la mia non si accende mai...che mi conviene fare? la parallelo al compressore? senza ventola funzionante quale comportamento assume il frigo..ovvero a cosa serve la ventola..ok per raffreddare..ma ci sono principi fisici e simili che vengono tirati in ballo? mi piacerebbe capire!
18
franco49tn
franco49tn
rating

24/01/2008 10422
Rispondi Abuso
Inserito il 01/09/2017 alle: 20:28:25
In risposta al messaggio di Tasus del 01/09/2017 alle 19:49:03

e quindi..a parte il led di segnalazione...se la mia non si accende mai...che mi conviene fare? la parallelo al compressore? senza ventola funzionante quale comportamento assume il frigo..ovvero a cosa serve la ventola..ok per raffreddare..ma ci sono principi fisici e simili che vengono tirati in ballo? mi piacerebbe capire!
Un frigorifero normale ha sul retro un radiatore grande (condensatore)
immagine(14).png
e non deve fare rumore e non ha griglie verso esterno

Sul Danfoss il radiatorino è piccolo e la ventola serve
per aumentarne la efficienza e rendimento.

DEVE girare almeno qualche volta !
Franco

Modificato da franco49tn il 01/09/2017 alle 20:29:11
15
Tasus
Tasus
23/09/2010 168
Rispondi Abuso
Inserito il 01/09/2017 alle: 20:36:10
..vabbhe...verifichero'! se vedo che nn gira mai la metto in parallelo al compressore.
ci sono problematiche per questo accorgimento?

:D
16
calasci
calasci
29/08/2009 10409
Rispondi Abuso
Inserito il 01/09/2017 alle: 21:50:42
In risposta al messaggio di Tasus del 01/09/2017 alle 20:36:10

..vabbhe...verifichero'! se vedo che nn gira mai la metto in parallelo al compressore. ci sono problematiche per questo accorgimento? :D
Scusami, ma tu comando la potenza al compressore ho comandi il segnale alla centralina di gestione ?
15
Tasus
Tasus
23/09/2010 168
Rispondi Abuso
Inserito il 01/09/2017 alle: 22:09:47
scusami ma non ho capito cosa intendi.
il mio e' un frigo a compressore 12v danfoss normale. no modifiche.
ho un interruttore che lo accende (tramite rele diretto dalla batteria)...e il suo termostato dentro al frigo.
Argomenti recenti dal forum
Accessori
Dcdc victron Shunt victron
Buona sera a tutti, volevo chiedervi una curiosità, A motore acceso ...
fabriroma69
Oggi alle 19:43
Marchi
UN Parere su Fleurette Migratour 73LJ
Ragazzi gentilmente mi date un vostro parere su questo marchio poco ...
icaro2002
Oggi alle 18:15
Accessori
Porta bici per Rimor Europeo 72
Salve mi sapete consigliare un porta bici per il Rimor Europeo 72 de...
alex01
Oggi alle 14:02
Meccanica
Manuale riparazione sofim 35.8
buon giorno a tutti.. sn in procinto di rifare motore sofim 8140.07 ...
luciohd
Oggi alle 12:50
Aree di sosta e campeggi
Lago di Resia
Buongiorno sapete indicarmi dove sostare per visitare lago Di Resia ...
Arcasuper640
Oggi alle 10:34
Cellula abitativa
Camper nuovi con serbatoio nere nautico
Un saluto a tutti, sul mio attuale arca è installato un sistema spee...
riccardo23
Ieri alle: 17:42
Accessori
Trasferire molti ah da BS a BM
Una volta sono rimasto senza alternatore a circa due ore da casa era...
gianninotopo
Ieri alle: 13:22
Cellula abitativa
pulizia oblo bagno impossibile
Buongiorno a tutti, ho un Hymer Camp GT544 mansardato del 2005. Il b...
Ceschi1984
Ieri alle: 11:53
Cellula abitativa
Comando Cp plus su Combi 6002
Buongiorno a tutti,volevo sapere se si può montare il comando cp plu...
Rickyge
19/03/26 - 16:00
Viaggi all'estero
Vignette/telepass oltre 35q in Cechia e Polonia
Buongiorno a tutti, stavo programmando un viaggio per vedere la Polo...
biomax
19/03/26 - 14:09
Cellula abitativa
Sportello presa cee
Lo sportello della presa del mio veicolo è mal ridotta, un paio di c...
gianninotopo
19/03/26 - 11:10
Altro sui camper
camper puro, furgonato x usarlo anche per lavori
buongiorno, mi frulla in testa la voglia anche se non per quest'anno...
vespucci
19/03/26 - 09:04
Altro sui camper
Cerco rimessaggio Arenzano,Genova,Savona,masone ec
Aiutoooo cerco rimessaggio nel raggio di 50km da Arenzano… grazie an...
Lelle007
19/03/26 - 01:19
Accessori
domanda secca su lifepo4
buonaser a tutti, prossimamente vorrei acquistare un box batteria d...
AlbertoPD
18/03/26 - 23:08
Cellula abitativa
Caricabatterie e colonnina 220v
Buonasera, non mi era mai capitato oppure non ci avevo fatto caso. S...
323232
18/03/26 - 20:17
16
calasci
calasci
29/08/2009 10409
Rispondi Abuso
Inserito il 01/09/2017 alle: 22:53:22
In risposta al messaggio di Tasus del 01/09/2017 alle 22:09:47

scusami ma non ho capito cosa intendi. il mio e' un frigo a compressore 12v danfoss normale. no modifiche. ho un interruttore che lo accende (tramite rele diretto dalla batteria)...e il suo termostato dentro al frigo.
Nel mio , viene fermato da un interruttore in serie sul termostato, la 12v viene direttamente dalla batteria sempre sotto fusibile per evitare cadute di tensione con cavi da 16mm 
15
Tasus
Tasus
23/09/2010 168
Rispondi Abuso
Inserito il 01/09/2017 alle: 23:12:50
Io ho il pomello del termostato che regola la temperatura,se al minimo (non ho mai verificato) ... spenga il frigo o meno..e' possibile ..forse.

comunque io ho cablato il tutto con l'interruttore "frigo" nel quadro originale del camper..che eccita un rele (60A)..che fa passare il +12v e fa andare il frigo..per cui lo accendo e spengo da detto interruttore.

sul frigo a parte la manopola termostato non ho altri interruttori.

anche io ho cablato con cavo da 16mm2 a batterie diretto.

..in realta accendo e spengo il frigo anche tramite SMS.. ma questa e' un altra storia! hihih
 
16
calasci
calasci
29/08/2009 10409
Rispondi Abuso
Inserito il 01/09/2017 alle: 23:21:07
In risposta al messaggio di Tasus del 01/09/2017 alle 23:12:50

Io ho il pomello del termostato che regola la temperatura,se al minimo (non ho mai verificato) ... spenga il frigo o meno..e' possibile ..forse. comunque io ho cablato il tutto con l'interruttore frigo nel quadro originale
del camper..che eccita un rele (60A)..che fa passare il +12v e fa andare il frigo..per cui lo accendo e spengo da detto interruttore. sul frigo a parte la manopola termostato non ho altri interruttori. anche io ho cablato con cavo da 16mm2 a batterie diretto. ..in realta accendo e spengo il frigo anche tramite SMS.. ma questa e' un altra storia! hihih  
...
Fai una foto Delle connessione alla scheda gestione del compressore
15
Tasus
Tasus
23/09/2010 168
Rispondi Abuso
Inserito il 01/09/2017 alle: 23:54:22
..e' esattamente come lo schema che hai postato tu qualche post piu indietro...
19
PPoli
PPoli
18/09/2006 802
Rispondi Abuso
Inserito il 02/09/2017 alle: 00:10:18
In risposta al messaggio di Tasus del 01/09/2017 alle 23:54:22

..e' esattamente come lo schema che hai postato tu qualche post piu indietro...
Io non vedo termostati sul radiatore e in nessuna altro punto esterno. Dubito anche che ci sia un termostato interno al compressore. A questo punto le uniche due logiche che la centralina potrebbe utilizzare sarebbero o quella di accendere sempre la ventola, oppure utilizzare un processore con un algoritmo ottimizzato sull'andamento del compressore che sia pure indipendente dalla temperatura estrna. Delle due la seconda mi sembra improbabile per complessità e costi rispetto alla filosofia e alla fascia di mercato a cui il Danfoss è destinato.
Però mai dire mai.
19
PPoli
PPoli
18/09/2006 802
Rispondi Abuso
Inserito il 02/09/2017 alle: 00:42:13
Mmmm...però...sono andato a rileggermi il manualino.
Il fatto che il led di diagnostica degli errori condivida il positivo con la ventola ma soprattutto il fatto che i codici di errore rilevino velocità del motore del compressore, corrente assorbita e pressione del sistema di refrigerazione in effetti fanno pensare ad una logica di funzionamento più articolata. Mi è venuta voglia di fare qualche prova,
15
Tasus
Tasus
23/09/2010 168
Rispondi Abuso
Inserito il 02/09/2017 alle: 00:55:45
hahahh le tue logiche hanno senso. fai le prove! :D
anche nel mio danfoss nn ho visto termostati per la ventola..e anche io dubito sia interno al compressore!

Modificato da Tasus il 02/09/2017 alle 00:56:56
15
Tasus
Tasus
23/09/2010 168
Rispondi Abuso
Inserito il 02/09/2017 alle: 00:58:02
..e probabilmente se mettessi la ventola in parallelo al compressore sballerei la diagnostica :(
16
calasci
calasci
29/08/2009 10409
Rispondi Abuso
Inserito il 02/09/2017 alle: 02:11:07
In risposta al messaggio di Tasus del 02/09/2017 alle 00:58:02

..e probabilmente se mettessi la ventola in parallelo al compressore sballerei la diagnostica :(
Che intendi metterla in parallelo al compressore ?
sul 12v ?

 
SostaGruppiCompagniItaliaEsteroMarchiMeccanicaCellulaAccessoriEventiLeggiComportamentiDisabiliIn camper perAltro CamperAltroExtra
167k Facebook
343k Instagram
42,6k TikTok
73,3k Youtube
CamperOnLine - Copyright © 1998-2026 - P.Iva 06953990014
Informativa privacy
Loading...

Accedi

Recupera Password
Nuovo utente

Vuoi eliminare il messaggio?

Sottoscrizione

Anteprima

PREFERENZA

Il messaggio è in fase di inserimento.

loading

CamperOnLine

Buongiorno gentile utente,

da oltre 20 anni Camperonline offre gratuitamente tutti i suoi servizi
grazie agli inserzionisti che ci hanno dato la loro fiducia, permettici di continuare il nostro lavoro disattivando il blocco delle pubblicità.

Grazie della collaborazione.

Azione eseguita con successo

Azione Fallita

Condividi

Condividi questa pagina con:

O copia il link