.jpg)
.jpg)
.jpg)
.jpg)
.jpg)
In risposta al messaggio di Emme48 del 03/03/2016 alle 08:22:14
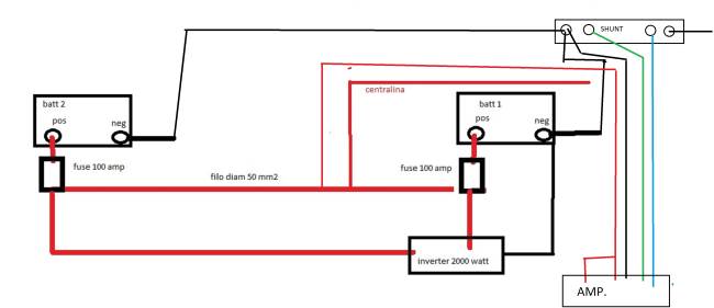
Questa cosa che vedo... ... non va per nulla bene. Ipotizzando che la batteria sia a sinistra e che il grosso filo rosso porti corrente alla centralina (ricarica, utilizzo) i faston risultano protetti da un fusibileda 100 ampere e questo non va bene. Non c'è nulla di più pericoloso di un filo piccolo (come presumibilmente sarà quello collegato ai faston) protetto da un fusibile grosso che non riuscirà mai a saltare visto che il piccolo filo se va a massa potrebbe non riuscire a far passare la corrente necessaria trasformandosi quindi in un normale carico che consuma meno di 100 ampere ma in grado di fare la fiamma. Meglio se all'uscita a destra (dove c'è il grosso filo rosso) attacchi un oggetto come questo: Ci sono 6 uscite e anche 6 portafusibili dove potrai mettere quello poco superiore alla corrente utilizzata su quell'uscita proteggendo al massimo. Se poi un fusibile salta ti si accende anche un LED di segnalazione. L'inverter lo metti vicinissimo alla batteria collegato direttamente ad essa perché ha già i suoi fusibili interni di valore e tipo opportuno. Marco.
I cavi che vedi (50 mm) sono quelli che collegano le batterie in parallelo, li metterei così grossi perché contavo di collegare i fili (2) dell'inverter dopo ai fusibili.
In risposta al messaggio di Emme48 del 03/03/2016 alle 17:24:36
Certo. Un solo collegamento di massa (con lo shunt) per entrambe le batterie. Leva quei faston per non cadere in tentazione... Marco.
Si hai ragione, ci ho pensato anch'io..li tolgo.
In risposta al messaggio di Emme48 del 03/03/2016 alle 17:24:36
Certo. Un solo collegamento di massa (con lo shunt) per entrambe le batterie. Leva quei faston per non cadere in tentazione... Marco.
Io invece ho il dubbio se mettere un solo amperometro con un solo shunt oppure se usare due shunt separati per le due batterie.
In risposta al messaggio di errunc del 03/03/2016 alle 19:24:51
Si hai ragione, ci ho pensato anch'io..li tolgo. ancora alcune domande: - uso il cavo rosso da 16 mm o quello da 50 mm? - per il negativo bastano 16 mm ? - di positivo devo solo collegare la centralina e i fili del parallelatore( a motore fermo per mantenere carica la batt mezzo ) - il fusibile a questo punto cosa metto ?50 amp. bastano? - l'amperometro se supero la potenza come si comporta? grazie Sergio & family Lituania 2012
Io tra selettore batterie e fusibili/batterie da un lato e 12VDC dell'inverter dall'altra ho usato cavi da 25mmq che si trovano facilmente dai rivenditori di materiale per elettricisti. Forse non si trova il rosso ma blue, grigio, nero e marrone li hanno di sicuro. E anche i capicorda a crimpare e le morsettiere di derivazione della Cembre.
In risposta al messaggio di PPoli del 03/03/2016 alle 23:57:02
Io invece ho il dubbio se mettere un solo amperometro con un solo shunt oppure se usare due shunt separati per le due batterie. Di recente ho avuto un problema perchè mi era saltato uno dei due fusibili principali in serieal positivo di una delle batterie e non me ne sono accorto per un po'. Stupidamente visto che avevo notato una scarica eccessiva, ma davo pigramente la colpa all'età delle batterie che rasentava i sei anni. Morale la batteria lasciata isolata è morta definitivamente. Due amperometri (con due shunt in parallelo sui due negativi separati e uniti solo lato batterie) avrebbero il vantaggio di indicare separatamente gli assorbimenti di ciascuna batteria evidenziando comportamenti anomali. L'amperometro unico invece avrebbe il vantaggio di indicare l'assorbimento complessivo. Ma in fin dei conti ho già uno shunt in comune al servizio della centralina dei pannelli Helios Genius. Una alternativa a cui ho pensato potrebbe essere uno shunt e un amperometro unici e due led con resistenza in parallelo ai due fusibili principali, ben visibili, che si accendono quando il fusibile salta. NOTA: attualmente ho due Optima Yellow da 75Ah collegate normalmente in parallelo secco, ma con stacca batteria 0-1-2-1+2 per le operazioni di manutenzione o anche semplicemente per portarmi in garage a turno una delle due batterie quando non ho modo o voglia di parcheggiare il camper in giardino e collegarlo direttamente alla corrente. Ovviamente durante l'uso di praticamente tutto l'anno il selettore resta fisso su 1+2 NOTA 2 Inverter sinusoidale da 1000 (picco 2000) anche nel mio caso principlamente per concedere ogni tanto cinque minuti cronometrati di Phon, (oltre alle ormai numerose utenze informatiche) e pannelli con regolatore entrambi collegati direttamente sulle morsettiere a valle del selettore batteria. In pratica senza passare dalla centralina EBL99. Mi scuso se non è troppo chiaro. Se serve metto un disegno dello schema.
Si, per quello che costano due amperometri vanno anche bene almeno vedi anche lo sbilanciamento tra le due BS.
In risposta al messaggio di PPoli del 05/03/2016 alle 11:47:11
Una domanda per chi ha ricevuto i voltmetri/amperometri da elite element. Ho visto valori molto differenti nelle precisioni dichiarate tra i vari modelli, passando da un 1% o 2% per le versioni da 100A o per quelle 0-90Vad un 0,1% per quella 50A 5-40V. Ma come spesso accade con le schede tecniche dei cinesi, ho il dubbio che siano dati un po' buttati li. Voi che versione avete preso? E avete verificato la precisione? Non ho inoltre capito se i due morsettini per un eventuale relais che scollega la batteria sono presenti in tutte le versioni o solo in quelle in cui è esplicitamente citato. Economia della produzione farebbe pensare che la scheda sia sempre quella e cambino solo le resistenze di taratura, ma diciamo che anche con le foto i cinesi non sono sempre molto precisi.
Io ne ho presi due da élite element..ma non sono ancora arrivati..
In risposta al messaggio di PPoli del 05/03/2016 alle 15:57:41
E a che ti servono 2 kW sul camper? Io ne ho messo uno da 1000 W perchè all'epoca avevo trovato un sinusoidale cinese ad un prezzo umano quando quelli seri (Waeco compreso) costavano troppe centinaia di euro. Mi piacevamolto un Mastervolt sinusoidale da 800, ma non lo avevo trovato a meno di 7/800 euro. Quelle potenze ti possono servire solo per un phon, peraltro già sconsigliato di suo in camper. E comunque si trovano phon da viaggio che fanno 450-900W e volendo si possono modificare per inibire i 900. Un buon trapano per qualche lavoro occasionale o un aspirapolvere se devi pulire il camnper in emergenza lontano da una presa di corrente difficilmente vanno oltre i 700W (si, lo so che gli aspiratori commerciali consumano anche 2000 W, ma quelli buoni magari regolabili no). 2000W su 12 V fanno 170 Ah. Nessun banco batterie sopporta senza conseguenze simili correnti per periodi anche di pochissimi minuti. E comunque l'impianto e soprattutto i cavi vanno dimensionato di conseguenza. Ma anche le connessioni. Non è bello far passare più di cento ampere attraverso morsetti stretti male o capicorda mal crimpati. Pensa poi a cosa può accadere se una delle due batterie va in crisi mentre stai prelevando 150 Ampere o anche banalmente se c'è uno squilibrio nella corrente fornita dalle due batterie. Io in ogni caso limiterei le due singole linee delle due batterie a 100 A. Al massimo succede che se salta uno dei fusibili mentre stai consumando di più ti salta anche l'altro. Tienine un paio di scorta. Per rispondere alla tua domanda io contavo di usarne due di amperometri, uno per batteria, ma principalmente per una mia paranoia nel cercare di avere quanto più possibile sotto controllo. Ma uno è più che sufficiente, e di più semplice lettura. Le tensioni (in V) oltretutto con le batterie in parallelo saranno uguali sui due display, salvo che tu non le usi anche separatamente. In quel caso può essere utile leggere i due valori perchè se troppo differenti meglio non commutare da singola batteria a Both, ma se l'operazione è occasionale puoi verificare le due tensioni mettendo il selettore prima su 1 e poi su 2 ed ebentualemnte solo alla fine su 1+2. Non sono riuscito a capire come funzionano quegli amperometri a fondo scala. Probabilmente (ma da verificare) non ti segneranno la corrente corretta e spalleranno anche il bilancio energetico ma non dovrebbero bruciarsi- La corrente passa dallo shunt esterno, e lo strumento misura la differenza di tensione ai capi con una scala che viene tarata in funzione dell'intervallo che desideri. Ovviamente con la medesima risoluzione assoluta, per cui se vuoi un intervallo più grande ti diminuisce la precisione.
hai ragione di cosa ne faccio di 2000 watt..ma quando lo installai pensavo di collegare un clima cellula.. ma appena ne capii qualcosa ne abbandonai l'idea, per cui lo uso solo per il phon circa 5 min 1200 watt.. a tal proposito ti chiedo ... pensi che sia utile usare il phon a motore acceso ?
In risposta al messaggio di Emme48 del 05/03/2016 alle 16:03:58
Tutto si può fare... quasi. Siccome in camper non è il caso di mettersi a fare la pasta all'uovo fatta in casa direi che non è il caso di eccedere i 300 watt di phon. Se con 300 watt ci vuole il doppio o il triplo di tempoche con 1200 allora basta comprare una rivista di gossip da fa leggere alla moglie per quei pochi minuti in più necessari. Spesso si perde il senso della misura. La Zenith per esempio SCONSIGLA di assorbire più di 20 ampere dalle sue batterie da 100 amperora (e la Zenit fa ottime batterie), 1000 watt dove li prendi senza far danni? Già a Carrara ho fatto a stento un WE con Webasto e frigo a compressore... di scaldare a pile non ci penso neanche. A parte 300 watt per 5 minuti di scaldasonno elettrico a 220.... vabbè... MArco.
e no marco..vallo a spiegare a mia moglie non è la stessa cosa 300 watt x 20 min../ vs 1200 watt x 5 min.