CamperOnLine
  • Camper
    • Camper usati
    • Camper nuovi
    • Produttori
    • Listino
    • Cataloghi
    • Concessionari e rete vendita
    • Noleggio
    • Van
    • Caravan
    • Fiere
    • Rimessaggi
    • Le prove di CamperOnLine
    • Provati da voi
    • Primo acquisto
    • Area professionisti
  • Accessori
    • Accessori e Prodotti
    • Camping Sport Magenta accessori
    • Produttori
    • Antenne TV
    • Ammortizzatori
    • GPS
    • Pneumatici
    • Rimorchi
    • Provati da Voi
    • Fai da te
  • Viaggi
    • Diari di viaggi in camper
    • Eventi
    • Foto
    • Check list
    • Traghetti
    • Trasporti
  • Sosta
    • Cerca Strutture
    • Sosta
    • Aree sosta camper
    • Campeggi
    • Agriturismi con sosta camper
    • App Camperonline App
    • 10 Consigli utili per la sosta
    • Area strutture
  • Forum
    • Tutti i Forum
    • Sosta
    • Gruppi
    • Compagni
    • Italia
    • Estero
    • Marchi
    • Meccanica
    • Cellula
    • Accessori
    • Eventi
    • Leggi
    • Comportamenti
    • Disabili
    • In camper per
    • Altro Camper
    • Altro
    • Extra
    • FAQ
    • Regolamento
    • Attivi
    • Preferiti
    • Cerca
  • Community
    • COL
    • CamperOnFest
    • Convenzioni Convenzioni
    • Amici
    • Furti
    • Informativa Privacy
    • Lavoro
  • COL
    • News
    • Newsletter
    • Pubblicità
    • Contatto
    • Ora
    • RSS RSS
    • Video
    • Facebook
    • Instagram
  • Magazine
  • Italiano
    • Bienvenue
    • Welcome
    • Willkommen
  • Accedi
CamperOnLine
Camping Sport Magenta
  1. Forum
  2. Tecnica
  3. Cellula abitativa
Galleria

Arrivato camper Colibrì (video YouTube)

Rispondi
Cerca
SostaGruppiCompagniItaliaEsteroMarchiMeccanicaCellulaAccessoriEventiLeggiComportamentiDisabiliIn camper perAltro CamperAltroExtra Attivi
38 20 1030
10
rubylove
rubylove
rating

09/06/2015 5694
Rispondi Abuso
Inserito il 26/05/2022 alle: 21:08:33
In risposta al messaggio di Emme48 del 26/05/2022 alle 17:33:34

Caro Enzo44... il nostro angelo custode dei riscaldatori a gasolio, senti cos'ho combinato... attendo un tuo prezioso commento. Il mio Webasto ThermoTop scaldamotore è stato installato nel vano motore davanti al posto guida.
In questa foto ancora i tubi sono da collegare, ma ora è tutto a posto e il Thermotop è collegato in parallelo al radiatore del riscaldamento della cabina guida. Niente rubinetti di intercettazione, se c'è una perdita risolvo a mano, probabilmente ho la probabilità in meno che sia proprio un rubinetto a dare problemi. Ho portato nel mobile tecnico 3 fili: 1) Alimentazione ThermoTop (4 mmq) 2) Segnale +12 per attivare il ThermoTop (1 mmq) 3) 12 Volt per alimentare la pompa di ricircolo dell'acqua calda.(1,5 mmq) Ecco cosa ho fatto/farò... 1) Il filo di alimentazione lo collegherò, tramite fusibile da 20 Ampere, direttamente ad una delle due AGM, questo per evitare che venga tolta  alimentazione col riscaldatore lanciato alla massima potenza. 2) Il filo di attivazione del ThermoTop lo collegherò al primo di questi interruttori segnato con la freccia BIANCA.. In posizione [ 0 ] il Thermotop scaldamotore è spento, in posizione [ II ] è acceso, in posizione [ I ] rimane acceso per il tempo impostato dal timer meccanico proprio li sopra, la manopola nera indicata dalla freccia GIALLA. E ora? Ora c'è da accendere la pompa di riciclo dell'acqua... collegarla al filo di attivazione mi piace poco, quando spengo il ThermoTop credo (idea tutta mia) che sarebbe bene che l'acqua continuasse a girare per almeno un minuto prima di fermarsi pure lei, questo per smaltire il calore nella fase di STOP del ThermoTop. E qui arriva la domandona per il grande Enzo... l'ho fatta giusta? Ho comprato una cinesata tremenda, un timer che ritarda una alimentazione quando viene a mancare un segnale di attivazione. Questa meraviglia tecnologica dal folle costo di 11,23 euro, la alimento in maniera fissa e poi collego il Triggher, cioè il filo che fa partire il temporizzatore del relè, direttamente al filo 3) che attiva il ThermoTop, proprio quello che proviene dall'interruttore a 3 posizioni. In questo modo, quando attivo il riscaldatore, la pompa di riciclo viene immediatamente alimentata, ma rimane accesa per altri 65 secondi da quando elimino il +12 che fa andare il Webasto, provocando il ciclo di spegnimento a pompa ancora in funzione. Ecco il circuito con i fili saldati: Siccome mi fido... molto del funzionamento delle cinesate malefiche, ho inserito un diodo da 3 Ampere (a destra...)  tra il segnale di attivazione del riscaldatore e l'uscita di questo relè che poi andrà ad alimentare la pompa dell'acqua. Nell'eventualità che il circuito faccia cilecca, ho comunque l'accensione della pompa almeno per il tempo in cui il segnale di accensione del ThermoTop è attivo. Nella sua scatolina fa un figurone... Ricapitolando... Accendo il Thermotop con interruttore fisso ( posizione [ II ] ) oppure tramite timer meccanico da 0 a 30 minuti (posizione [ I ] ). Il segnale (+12 Volt ) di attivazione fa partire il riscaldatore e la pompa di ricircolo. Quando il riscaldatore viene spento, dall'interruttore o dal timer, la mancanza del segnale di attivazione fa iniziare la fase di STOP del Webasto, ma la pompa rimane in funzione per altri 65 secondi. Enzoooooooo (quarantaquattro, come i famosi gatti...) Dimmi qualcosa, va bene fatto così? ... ma non solo Enzo44, mi piacerebbe avere il commento anche di altri. Marco.
...
Ciao, normalmente se la pompa non è comandata dal webasto (Versione Z) si mette un termostato bimetallo che legge la temperatura e fa si che il Thermo Top si spenga con il ritardo utile a farlo raffeddare

Io ho fatto diversamente, ho usato un piccolo termostato digitale programmabile, questo mi ha permesso di piazzare la sonda dove mi faceva più comodo e controllare la temperatura di attacco stacco in modo semplice

La schedina cinessisima funziona molto bene, Io ci attivo anche le ventole dei termoconvettori al raggiungimento della temperatura di 40C° e lo spegnimento del webasto quando questa temperatura scende sotto ai 40C°

la scheda si autoalimenta, cioè si accende solo a webasto in funzione, quando il webasto viene spento dalla scheda la scheda spegne anche se stessa, quindi il consumo è azzerato

Puoi anche scegliere il termostato bimetallo, questo ha consumi zero anche quando attivo ma io ho trovato più comoda la scheda, questa ha un rele da 5A di contatto

Adesso devo uscire, domani pubblico lo schema che è semplicissimo



 
l'analogico non è il vecchio e il digitale il nuovo, no, non è così! Il digitale è solo un modo per rappresentare l'analogico, la natura, è analogica

Modificato da rubylove il 26/05/2022 alle 23:38:16
20
Emme48
Emme48
rating

13/01/2006 24562
Rispondi Abuso
Inserito il 26/05/2022 alle: 21:45:44
In risposta al messaggio di rubylove del 26/05/2022 alle 21:08:33

Ciao, normalmente se la pompa non è comandata dal webasto (Versione Z) si mette un termostato bimetallo che legge la temperatura e fa si che il Thermo Top si spenga con il ritardo utile a farlo raffeddare Io ho fatto diversamente,
ho usato un piccolo termostato digitale programmabile, questo mi ha permesso di piazzare la sonda dove mi faceva più comodo e controllare la temperatura di attacco stacco in modo semplice La schedina cinessisima funziona molto bene, Io ci attivo anche le ventole dei termoconvettori al raggiungimento della temperatura di 40C° e lo spegnimento del webasto quando questa temperatura scende sotto ai 40C° la scheda si autoalimenta, cioè si accende solo a webasto in funzione, quando il webasto viene spento dalla scheda la scheda spegne anche se stessa, quindi il consumo è azzerato Puoi anche scegliere il termostato bimetallo, questo ha consumi zero anche quando attivo ma io ho trovato più comoda la scheda, questa ha un rele da 5A di contatto Adesso devo uscire, domani pubblico lo schema che è semplicissimo  
...
Telefonando a Enzo era già venuta fuori la storia del termostato elettromeccanico, ma questo sistema non mi convince...
Ho un sensore di temperatura da quelle parti e potrei fare tutto con Arduino, ma l'acqua calda del motore, specialmente in estate, ingannerebbe la sonda...

Il Thermotop e l'Eberspacher sono alimentati permanentemente, questo per non rischiare danni irreversibili se manca alimentazione quando sono lanciati alla massima potenza. ..(visto con i miei occhi).

Io devo alimentare la pompa ancora per un po' di secondi dopo che ho tolto il segnale di attivazione del ThermoTop.
Enzo mi diceva che potevo anche collegare insieme il filo della pompa e quello di attiazione, ma non sono molto convinto che facendo così si eviti il surriscaldamento.

Pensavo eddirittura di modificare il circuito per portare il ritardo a 2 minuti... un condensatore da 47 uF dovrebbe raddoppiare.
Ma forse 60 secondi vanno più che bene...

Marco.
Marco

http://www.m48.it

16
enzo44
enzo44
rating

13/12/2009 4438
Rispondi Abuso
Inserito il 26/05/2022 alle: 22:01:03
Un saluto a tutti, premesso che non oserei mai dare suggerimenti in campo elettrico all'amico Marco, mi limito soltanto a raccontare le mie esperienze sui montaggi del Thermotop Z ad amici e parenti, nelle prime installazione ho alimentato la pompa dell'acqua in parallelo al positivo di avvio,con in serie un diodo di disaccoppiamento, dopo lo  spegnimento del bruciatore la pompa continuava a girare, alimentata da un secondo positivo gestito da termostato di consenso a pasticca da 42C°, questa configurazione funziona perfettamente ed utilizza al meglio il riscaldatore, il Webasto funziona senza problemi anche con il semplice collegamento in parallelo, avv. e pompa, in quanto la carcassa del bruciatore non può superare i !05 C°, limite controllato dalla sonda a contatto nella centralina che blocca immediatamente il flusso carburante, quindi, libera interpretazione sulla gestione della pompa per le proprie esigenze senza crearsi troppi problemi che in realtà sono già risolti da chi ha progettato la macchina. Un saluto Enzo
Enzo

Modificato da enzo44 il 26/05/2022 alle 22:05:16
20
Emme48
Emme48
rating

13/01/2006 24562
Rispondi Abuso
Inserito il 26/05/2022 alle: 22:30:46
In risposta al messaggio di enzo44 del 26/05/2022 alle 22:01:03

Un saluto a tutti, premesso che non oserei mai dare suggerimenti in campo elettrico all'amico Marco, mi limito soltanto a raccontare le mie esperienze sui montaggi del Thermotop Z ad amici e parenti, nelle prime installazione
ho alimentato la pompa dell'acqua in parallelo al positivo di avvio,con in serie un diodo di disaccoppiamento, dopo lo  spegnimento del bruciatore la pompa continuava a girare, alimentata da un secondo positivo gestito da termostato di consenso a pasticca da 42C°, questa configurazione funziona perfettamente ed utilizza al meglio il riscaldatore, il Webasto funziona senza problemi anche con il semplice collegamento in parallelo, avv. e pompa, in quanto la carcassa del bruciatore non può superare i !05 C°, limite controllato dalla sonda a contatto nella centralina che blocca immediatamente il flusso carburante, quindi, libera interpretazione sulla gestione della pompa per le proprie esigenze senza crearsi troppi problemi che in realtà sono già risolti da chi ha progettato la macchina. Un saluto Enzo
...
Grande Enzo.

Del blocco automatico del gasolio a 105 gradi non lo sapevo, nel dubbio ho fatto in modo di ritardare lo spegnimento della pompa quando tolgo corrente al filo di consenso... ma senza problemi, ho realizzato tutto quanto in pochi minuti, di questo tipo di realizzazioni sono pratico e lavoro veloce.wink

Ma... il termostato da 42 gradi che alimenta la pompa, da dove prenderebbe la corrente?
Se la preleva dalla batteria non capisco come fa a non partire la pompa elettrica quando il motore gira, scaldando tutto il cofano ben oltre i 42 gradi..

Mi manca questo passaggio... elettrico.
Ebbene si... ho un dubbio che riguarda la corrente crying

Marco.
Marco

http://www.m48.it


Modificato da Emme48 il 26/05/2022 alle 22:39:05
Napoli & Caserta in camper
Napoli & Caserta in camper
Natale 2025 in centro Italia
Natale 2025 in centro Italia
Asturia, Cantabria e Paesi Baschi in cam
Asturia, Cantabria e Paesi Baschi in cam
Sala Silvergruva, la miniera d'argento
Sala Silvergruva, la miniera d'argento
Folgaria d’inverno in camper
Folgaria d’inverno in camper
Previous Next
16
enzo44
enzo44
rating

13/12/2009 4438
Rispondi Abuso
Inserito il 27/05/2022 alle: 00:11:10
Ciao Marco, il positivo che alimenta la pompa con il consenso a 42 C° e sotto l'interruttore generale dell'impianto del riscaldamento che predispone, oltre alle ventole, l'accensione del Thermo top, ovviamente parlo delle installazioni da me fatte dove il Webasto riscalda, oltre a motore, anche la cellula, credo che  a te non manchi l'idea di come inibire il consenso a 42 C° con il motore in moto, Un saluto e complimenti per il tuo mezzo, mi piace molto. PS Hai ancora la ventola radiatore collegata direttamente o ti sei inventato qualcosa.
Enzo
10
rubylove
rubylove
rating

09/06/2015 5694
Rispondi Abuso
Inserito il 27/05/2022 alle: 01:13:01
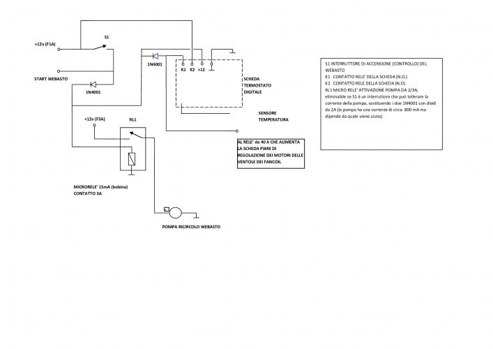
Marco, Io ho fatto così anche perchè sapevo che il webasto non dovrebbe spegnere la pompa subito dopo il suo spegnimento ma lasciar circolare il liquido per un pò di tempo, inoltre avendo un webasto che in origine era un C poi trasformato in Z per cambio scheda, ho dovuto per forza di cose costruirmi il controllo per la pompa e per le ventole

il circuito funziona in questo modo: Quando si attiva il webasto attraverso S1 il +12V  accende anche il termostato elettronico, quando la temperatura raggiunge il valore prefissato, i contatti k1 e k2 si chiudono e se nel frattempo il webasto è stato disattivato (o si è disattivato attraverso un cronotermostato) il rele rimane eccitato fintanto che la temperatura non scende sotto il valore impostato, la programmazione della schedina è facilissima e permette di posizionare la sonda ovunque, io l'ho messa attaccata ad un tubo con un collarino appena all'interno del mezzo

Nello schema c'è un micro relè con contatto da 3A per la pompa, questo io l'ho montato perchè la pompa viene eccitata non solo dall'attivazione del webasto ma anche quando ad esempio in viaggio il motore riscalda la cellula, (a webasto spento)  ma se il contatto S1 è in grado di tollerare la corrente della pompa, il relè può essere eliminato

Il relè della scheda eccita anche un'altro rele da 40A che è collegato alle ventole dei radiatori (fancoil) attraverso una scheda controllo motori DC in PWM che consente di regolare la velocità delle ventole da 0 al 100% (al 10% gia girano pianissimo) quando il riscaldamento ha raggiunto la temperatura prestabilita le ventole partono alla velocità impostata sul potenziometro del PWM, questo per evitare che esca aria fredda dai fancoil fintanto che la temperatura non ha raggiunto valori accettabili

Il link alla scheda termostato

https://www.amazon.it/gp/produc...




CAMPERONLINE(4).jpg


 
l'analogico non è il vecchio e il digitale il nuovo, no, non è così! Il digitale è solo un modo per rappresentare l'analogico, la natura, è analogica

Modificato da rubylove il 27/05/2022 alle 12:47:53
20
Emme48
Emme48
rating

13/01/2006 24562
Rispondi Abuso
Inserito il 27/05/2022 alle: 04:20:31
In risposta al messaggio di enzo44 del 27/05/2022 alle 00:11:10

Ciao Marco, il positivo che alimenta la pompa con il consenso a 42 C° e sotto l'interruttore generale dell'impianto del riscaldamento che predispone, oltre alle ventole, l'accensione del Thermo top, ovviamente parlo delle
installazioni da me fatte dove il Webasto riscalda, oltre a motore, anche la cellula, credo che  a te non manchi l'idea di come inibire il consenso a 42 C° con il motore in moto, Un saluto e complimenti per il tuo mezzo, mi piace molto. PS Hai ancora la ventola radiatore collegata direttamente o ti sei inventato qualcosa.
...
Penso anche io che sia quella la differenza... grazie Enzo.
Io non ho un interruttore che alimenta tutto quanto l'impianto ThermoTop, ho solo il filo di attivazione che accende il riscaldatore, il ThermoTop e l'Eberspacher sono sempre alimentati e non possono essere disalimentati per errore durante il funzionamento alla massima potenza.
Tu ora mi confermi quello che ci siamo detti per telefono, con i fili della pompa e di attivazione messi insieme, funziona tutto per via dell'automatismo che chiude il gasolio a 105 gradi.

Io, per ora, preriscaldo solo il motore, ma per abitudine, forse per pregiudizio, mi piace stare lontano dall'ultima difesa delle apparecchiature, ho fatto in modo che il riscaldatore finisca regolarmente il ciclo di spegnimento, se l'automatismo interno chiude il gasolio quando sente 105 gradi, presumo che la corretta procedura di spegnimento abortisca (...gergo informatico).

10... 100... 1000 grazie anche a rubylove, il tuo schema coincide con quanto avevo immaginato.
Funziona perfettamente, complimenti.
Hai previsto davvero tutto senza sovraccaricare nessun componente.
Domanda... se a motore ben caldo attivi per sbaglio S1 e poi lo spegni dopo 3 secondi (... è sempre colpa della moglie), la pompa che fa?
Se ho capito lo schema, questa non si spegne più... ma potrei sbagliarmi.

Fin qui stiamo parlando di un Webasto ThermoTop che NON gestisce la pompa dell'acqua e che dobbiamo gestire noi.

È però possibile che il mio metodo sia da prendere in considerazione, intanto costa solo 12 euro e c'è un diodo che ne garantisce il funzionamento anche in caso di guasto.
Ho fatto la stessa cosa che gestisce l'aspiratore Vortice nei bagni senza finestra; quando si accende la luce parte la ventola, quando si esce dal WC spegnendo la luce, la ventola gira ancora per un minuto e poi si spegne pure lei.
Il mio sistema è autonomo, permette di accendere e spegnere il ThermoTop in modo corretto usando solo il filo di segnale.
L'attivazione della ventola del riscaldamento in cabina guida (forse) la farò a parte, per ora io (...che non sono l'unico a bordo del camper...) posso preriscaldare il motore con un semplice interruttore o girando la manopola del timer meccanico.

Dopo potrò collegare quel filo di accensione anche ad uno dei 4 relè gestiti da Arduino il quale accede a molti valori di temperatura, gestisce 10 timer, sa che ore sono, è collegato ai nostri cellulari, ecc... 

Marco.
Marco

http://www.m48.it


Modificato da Emme48 il 27/05/2022 alle 05:16:31
20
Emme48
Emme48
rating

13/01/2006 24562
Rispondi Abuso
Inserito il 27/05/2022 alle: 05:35:54
In risposta al messaggio di enzo44 del 27/05/2022 alle 00:11:10

Ciao Marco, il positivo che alimenta la pompa con il consenso a 42 C° e sotto l'interruttore generale dell'impianto del riscaldamento che predispone, oltre alle ventole, l'accensione del Thermo top, ovviamente parlo delle
installazioni da me fatte dove il Webasto riscalda, oltre a motore, anche la cellula, credo che  a te non manchi l'idea di come inibire il consenso a 42 C° con il motore in moto, Un saluto e complimenti per il tuo mezzo, mi piace molto. PS Hai ancora la ventola radiatore collegata direttamente o ti sei inventato qualcosa.
...
La ventola radiatore è fissa, ho notato che il comportamento termico del motore è perfetto, sembra che il termostato sulla testa gestisca tutto senza problemi.
Se vado in Finlandia in inverno (... Vladimir permettendo...) eventualmente metterò un cartone davanti al radiatore.

Termostato a 42 gradi... non credo basti inibirlo solo col motore in moto... in estate o dopo aver viaggiato, sotto il cofano avrei di più.

Marco.
Marco

http://www.m48.it


Modificato da Emme48 il 27/05/2022 alle 08:01:39
10
rubylove
rubylove
rating

09/06/2015 5694
Rispondi Abuso
Inserito il 27/05/2022 alle: 10:23:02
Ci ho perso molto tempo per far si che mia moglie non possa fare danni!  Lei ci prova lo stesso ma per ora nunjelafatta! laugh

Nel mio caso S1 é in serie a un cronotermostato perchè io lo uso come riscaldamento e produzione acqua sanitaria, in realtà la temperatura è impostata sempre piuttosto alta perchè la gestione della temperatura  la faccio attraverso il potenziometro delle ventole che regolo a piacere
lo schema che uso é più complesso perchè ho sei interruttori (ma non più di tanto)

S1 = webasto ON ma sotto cronotermostato che uso principalmente per accenderlo a orario, in questo caso lo uso come riscaldamento

S2 = aggiunge la circolazione del cooler anche al motore attraverso uno scambiatore a piastre e una pompa lato motore (preriscaldo a motore spento)

S3 = riscaldamento e acqua sanitaria da motore,  attiva la pompa di ricircolo webasto ma non il webasto, funziona solo a motore in moto, a motore spento la pompa si attiva solo se sono attivi almeno il tasto 1 (Webasto acceso)
i tasti possono essere combinati come si vuole senza danni, se tutti attivi  (1/2/3) il webasto parte se ha il consenso del cronotermostato ma se il motore porta in temperatura la cellula dopo un po si spegne

S4 = blocco circolazione del cooler nella cellula (tutto al motore per preriscaldare velocemente)

S5 = blocco circolazione del cooler nello scambiatore verso il motore (tutto alla cellula)

S4/S5 non si attivano entrambi ma solo uno alla volta, il primo che si attiva blocca l'attivazione dell'altro per evitare che le due elttrovalvole chiudendo entrambe mandino in blocco il webasto

Confesso che S4 e S5 non ho mai avuto modo di usarli, per inesperienza credevo che potesse servire concentrare tutto sul motore per scaldare prima lo stesso, oppure tutto sulla cellula per climi molto rigidi, in realtà se fa molto freddo serve fare entrambe le cose, inoltre se si blocca una parte del circuito il webasto raffredda meno e liquido circolante tende ad arrivare velocemente alla temperatura che lo mette in standby con frequenti ON/OF 
S1+S2 accesi sono la condizione migliore per la notte, fino che non vado a letto la temperatura é alta poi lo metto a 14C° e alla notte difficilmente scende sotto i 18/17, al mattino verso le sette, riparte e verso le otto la cellula é calda e il motore anche, non ho ancora affrontato climi sotto i meno 8, quando capiterà vedro come si comporta
S3 acceso è la condizione normale quando si è in viaggio in inverno per riscaldare la cellula da motore e produrre acqua calda

Tendenzialmente vorrei eliminare S4 e S5 e riutilizzare le elettrovalvole per far lavorare il boiler escludendo i caloriferi (estate)
S6 Attiva le ventole manualmente con la regolazione PWM (estivo)

Se come dici tu, riattivi il webasto (S1) con motore gia caldo la pompa di ricircolo sicuramente sta ancora andando, il webasto riparte
se invece si era fermata da poco, riparte, in ogni caso si rispegnera quando la temperaturà ridiscenderà sotto quella impostata ma solo se S1 é aperto, con S1 chiuso va sempre, significa che il webasto é attivo o in standby pronto a ripartire 

n.b. io ho il webasto montato principalmente come riscaldamento, non é sul motore, al motore é connesso solo attraverso uno scambiatore a piastre da 15Kw ( il piu piccolo che ho trovato)
dal lato motore ho un'altra pompa di ricircolo ma serve solo per scaldare il motore da spento (si attiva solo con d+ off) quando il motore é in moto é la sua pompa che fa girare il cooler e se la pompa di ricircolo del webasto é accesa (tasto3) il motore fa funzionare il riscaldamento della cellula e il boiler
a motore in moto c'é sempre acqua calda e cellula riscaldata dallo stesso, quando si spegne il motore se la temperatura scende e il tato 1 è acceso il webasto parte a secondo di come è impostato il cronotermostato


 
l'analogico non è il vecchio e il digitale il nuovo, no, non è così! Il digitale è solo un modo per rappresentare l'analogico, la natura, è analogica

Modificato da rubylove il 27/05/2022 alle 12:57:12
20
Emme48
Emme48
rating

13/01/2006 24562
Rispondi Abuso
Inserito il 27/05/2022 alle: 16:07:35
In risposta al messaggio di rubylove del 27/05/2022 alle 10:23:02

Ci ho perso molto tempo per far si che mia moglie non possa fare danni!  Lei ci prova lo stesso ma per ora nunjelafatta!  Nel mio caso S1 é in serie a un cronotermostato perchè io lo uso come riscaldamento e produzione
acqua sanitaria, in realtà la temperatura è impostata sempre piuttosto alta perchè la gestione della temperatura  la faccio attraverso il potenziometro delle ventole che regolo a piacere lo schema che uso é più complesso perchè ho sei interruttori (ma non più di tanto) S1 = webasto ON ma sotto cronotermostato che uso principalmente per accenderlo a orario, in questo caso lo uso come riscaldamento S2 = aggiunge la circolazione del cooler anche al motore attraverso uno scambiatore a piastre e una pompa lato motore (preriscaldo a motore spento) S3 = riscaldamento e acqua sanitaria da motore,  attiva la pompa di ricircolo webasto ma non il webasto, funziona solo a motore in moto, a motore spento la pompa si attiva solo se sono attivi almeno il tasto 1 (Webasto acceso) i tasti possono essere combinati come si vuole senza danni, se tutti attivi  (1/2/3) il webasto parte se ha il consenso del cronotermostato ma se il motore porta in temperatura la cellula dopo un po si spegne S4 = blocco circolazione del cooler nella cellula (tutto al motore per preriscaldare velocemente) S5 = blocco circolazione del cooler nello scambiatore verso il motore (tutto alla cellula) S4/S5 non si attivano entrambi ma solo uno alla volta, il primo che si attiva blocca l'attivazione dell'altro per evitare che le due elttrovalvole chiudendo entrambe mandino in blocco il webasto Confesso che S4 e S5 non ho mai avuto modo di usarli, per inesperienza credevo che potesse servire concentrare tutto sul motore per scaldare prima lo stesso, oppure tutto sulla cellula per climi molto rigidi, in realtà se fa molto freddo serve fare entrambe le cose, inoltre se si blocca una parte del circuito il webasto raffredda meno e liquido circolante tende ad arrivare velocemente alla temperatura che lo mette in standby con frequenti ON/OF  S1+S2 accesi sono la condizione migliore per la notte, fino che non vado a letto la temperatura é alta poi lo metto a 14C° e alla notte difficilmente scende sotto i 18/17, al mattino verso le sette, riparte e verso le otto la cellula é calda e il motore anche, non ho ancora affrontato climi sotto i meno 8, quando capiterà vedro come si comporta S3 acceso è la condizione normale quando si è in viaggio in inverno per riscaldare la cellula da motore e produrre acqua calda Tendenzialmente vorrei eliminare S4 e S5 e riutilizzare le elettrovalvole per far lavorare il boiler escludendo i caloriferi (estate) S6 Attiva le ventole manualmente con la regolazione PWM (estivo) Se come dici tu, riattivi il webasto (S1) con motore gia caldo la pompa di ricircolo sicuramente sta ancora andando, il webasto riparte se invece si era fermata da poco, riparte, in ogni caso si rispegnera quando la temperaturà ridiscenderà sotto quella impostata ma solo se S1 é aperto, con S1 chiuso va sempre, significa che il webasto é attivo o in standby pronto a ripartire  n.b. io ho il webasto montato principalmente come riscaldamento, non é sul motore, al motore é connesso solo attraverso uno scambiatore a piastre da 15Kw ( il piu piccolo che ho trovato) dal lato motore ho un'altra pompa di ricircolo ma serve solo per scaldare il motore da spento (si attiva solo con d+ off) quando il motore é in moto é la sua pompa che fa girare il cooler e se la pompa di ricircolo del webasto é accesa (tasto3) il motore fa funzionare il riscaldamento della cellula e il boiler a motore in moto c'é sempre acqua calda e cellula riscaldata dallo stesso, quando si spegne il motore se la temperatura scende e il tato 1 è acceso il webasto parte a secondo di come è impostato il cronotermostato  
...
Certo, hai fatto un impianto completo che sfrutta il Webasto ThermoTop per fare di tutto di più.

Nel Colibrì procederò a step:
Per ora metto solo il Webasto ThermoTop come scaldamotore, accendibile con interruttore o timer, in futuro studierò dove piazzare un piccolo scambiatore di calore per avere un riscaldamento di Backup.

Ho già quell'oggetto, devo solo trovare il modo di piazzarlo in cellula e di collegarlo all'impianto del motore/ThermoTop.
11141_2.png
Quando attiverò il riscaldamento di BackUp presumo che userò un termostato meccanico stile anni '80 che farà partire il Thermotop (con la sua pompa gestita dal mio automatismo) e la ventola di questo piccolo scambiatore di calore.

Marco.
 
Marco

http://www.m48.it


Modificato da Emme48 il 27/05/2022 alle 16:38:21
10
rubylove
rubylove
rating

09/06/2015 5694
Rispondi Abuso
Inserito il 27/05/2022 alle: 21:00:25
In risposta al messaggio di Emme48 del 27/05/2022 alle 16:07:35

Certo, hai fatto un impianto completo che sfrutta il Webasto ThermoTop per fare di tutto di più. Nel Colibrì procederò a step: Per ora metto solo il Webasto ThermoTop come scaldamotore, accendibile con interruttore o
timer, in futuro studierò dove piazzare un piccolo scambiatore di calore per avere un riscaldamento di Backup. Ho già quell'oggetto, devo solo trovare il modo di piazzarlo in cellula e di collegarlo all'impianto del motore/ThermoTop. Quando attiverò il riscaldamento di BackUp presumo che userò un termostato meccanico stile anni '80 che farà partire il Thermotop (con la sua pompa gestita dal mio automatismo) e la ventola di questo piccolo scambiatore di calore. Marco.  
...
Ci sono arrivato un pò alla volta anche io, tra peripezie varie
all'inizio ho montato solo due fancoil e il boiler, poi ho aggiunto uno scaldasalviette in bagno
Sono partito con 5 litri di cooler, adesso sono più di dieci, poi ho aggiunto lo scambiatore con il motore  e la pompa dedicata, alla fine ho collegato lo scambiatore al motore 
Diversamente non ce l'avrei fatta, l'unica strada percorribile passava per delle inevitabili forche caudine
Non immagini quante volte ho dovuto correggere errori commessi.
Poi anche i guasti, solo negli ultimi mesi l'ho dovuto rismontare due volte perche quando tutto era a posto si é rotto con grandi fumate bianche, rimesso a posto ha comnciato a funzionare benissimo, fintanto che la pompa non ha iniziato a fare strani rumori  di sboccolamento, non si é mai rotta ma non volevo che si rompesse durante un viaggio e l'ho sostituita, per farlo ho dovuto smontare di nuovo
adesso funziona come ho sempre desiderato, il trasferimento del calore  al motore non solo permette il sup preriscaldo ma stabilizza anche il funzionamento del webasto che con l'aggiunta dello stesso è come se avesse circa 20 litri di cooler
il prossimo step sarà l'automazione di questa funzione che permetterà la regolazione della temperatura in modo più accurato
per quello che posso se hai bisogno di informazioni chiedi pure 

 
l'analogico non è il vecchio e il digitale il nuovo, no, non è così! Il digitale è solo un modo per rappresentare l'analogico, la natura, è analogica

Modificato da rubylove il 27/05/2022 alle 21:39:47
20
Emme48
Emme48
rating

13/01/2006 24562
Rispondi Abuso
Inserito il 28/05/2022 alle: 03:01:59
La prima cosa da sapre quando si usa un Webasto ThermoTop è che c'è bisogno di un vaso di espansione.
Il motore ha l'apposita vaschetta, se il ThermoTop é collegato al circuito di raffreddamento del motore, viene usato il vaso di espansione della meccanica.

La mia prima scelta sul ThermoTop è stata quella di "non" creare un circuito idraulico tutto suo, ma di collegarlo direttamente al circuito di raffreddamento della meccanica, così facendo ho risolto in modo semplice il problema del preriscaldamento motore e siccome il tubo di scarico (marmitta) del ThermoTop è puntato in direzione della coppa dell'olio, quando lo accendo viene (leggermente) preriscaldato anche l'olio del motore.
La vicinanza tra il tubo di scarico e il filtro del gasolio, mi permette di fare qualcosa anche nei confronti della paraffina nel filtro; ho già installato un sensore di temperatura sul filtro del gasolio collegato ad Arduino.

Prossimo passo?

Avendo un ThermoTop in funzione, sarebbe utile avere un riscaldamento di riserva, ma in cellula, non in cabina guida, per questo trovo poco adatto alimentare con la BS la ventola dell'abitacolo, notoriamente molto assetata di corrente...
Devo trovare un punto del camper dove poter piazzare quello scambiatore di calore, potrebbbe essere sotto il sedile guida, perchè non è lontanussimo dal Thermotop nel vano motore, anche un rubinetto a sfera di attivazione sarebbe facile da manovrare... ma in quello spazio è installato un inverter... devo fare delle considerazioni.
Quel piccolo scambiatore di calore è dotato di una ventola a bassissimo consumo elettrico, perfetto.

Questo scambiatore di calore riscalderebbe la cellula in viaggio sfruttando l'acqua calda del motore.

Marco.
Marco

http://www.m48.it


Modificato da Emme48 il 28/05/2022 alle 03:07:50
10
rubylove
rubylove
rating

09/06/2015 5694
Rispondi Abuso
Inserito il 28/05/2022 alle: 11:58:37
Certo io ho montato il vaso di espansione del circuito del webasto nel punto più alto del furgone
Al momento non sto usando il riscaldatore originale in plancia, questo é funzionante ma non ho spostato il collegamento elettrico per poterlo attivare a quadro spento
non so se lo farò, per me ciuccia troppo quel ventilatore, devo provare a controllare anche quello con una scheda pwm per verificare se riesce a girare molto piano e che corrente circola

come riscaldatore ausiliario ho un airtop st che devo ancora montare, diciamo che avrei fatto meglio a farlo prima, sarà un pò più difficoltoso ma lo monterò appena mi viene la voglia o appena mi servè!
l'analogico non è il vecchio e il digitale il nuovo, no, non è così! Il digitale è solo un modo per rappresentare l'analogico, la natura, è analogica
20
Emme48
Emme48
rating

13/01/2006 24562
Rispondi Abuso
Inserito il 28/05/2022 alle: 12:14:56
In risposta al messaggio di rubylove del 28/05/2022 alle 11:58:37

Certo io ho montato il vaso di espansione del circuito del webasto nel punto più alto del furgone Al momento non sto usando il riscaldatore originale in plancia, questo é funzionante ma non ho spostato il collegamento elettrico
per poterlo attivare a quadro spento non so se lo farò, per me ciuccia troppo quel ventilatore, devo provare a controllare anche quello con una scheda pwm per verificare se riesce a girare molto piano e che corrente circola come riscaldatore ausiliario ho un airtop st che devo ancora montare, diciamo che avrei fatto meglio a farlo prima, sarà un pò più difficoltoso ma lo monterò appena mi viene la voglia o appena mi servè!
...
Vedo che anche te, come me, ti sei condannato da solo ai lavori forzati...wink

Comunque l' Energy Power Evolution è stato (finalmente) montato.
Il display che visualizza ciclicamente la tensione della BS e la corrente di ricarica, l'ho portato sulla plafoniera sopra il posto guida.
Sullo sportello superiore del "vano tecnico" c'è un interruttore per abilitare la ricarica della BS tramite alternatore, questo comando è facilmente raggiungibile dal posto guida, in questo modo posso scegliere velocemente se ricaricare dall'alternatore oppure no.
La corrente massima di ricarica è 30 Ampere, cioè 400 Watt di freno meccanico sul motore causato dall'energia meccanica che l'alternatore trasforma in energia elettrica, quindi  leggerissimo consumo di gasolio in più... finché posso vado col fotovoltaico.

Prossimo step:
Collegare il Webasto ThermoTop tramite l'interruttore o il timer utilizzando il circuito di gestione della pompa che ho già preparato.
Ma tutto questo solo dopo che è piovuto, dentro il camper fa troppo caldo per poter lavorare serenamente senza fare errori.

Marco.
Marco

http://www.m48.it


Modificato da Emme48 il 28/05/2022 alle 16:15:33
20
Emme48
Emme48
rating

13/01/2006 24562
Rispondi Abuso
Inserito il 29/05/2022 alle: 15:09:29

100.000 visualizzazioni per il 3D del Colibrì ? surprise

Urca... e in soli 8 mesi.
Rileggendo dall'inizio gli interventi, mi rendo conto di come ho rivisto nel tempo il modo di realizzare tante cose, questo grazie alle tante osservazioni che sono state fatte, a volte scontrandosi con la mia cocciutaggine...
Su alcune cose non mi sono mosso di un millimetro, ma su tante altre ho cambiato radicalmente idea e rivoluzionato tutto il progetto.

Grazie ancora per tutti i contributi che ho avuto, forse il Colibrì non è più soltanto mio ma è il risultato di un continuo confronto con altre idee davvero molto valide...
Però il Colibrì mi somiglia parecchio.wink

Marco.
Marco

http://www.m48.it


Modificato da Emme48 il 29/05/2022 alle 17:55:24
20
Emme48
Emme48
rating

13/01/2006 24562
Rispondi Abuso
Inserito il 30/05/2022 alle: 16:30:55

Schema di potenza del Colibrì:
0%20Power(5).png

... chissà se sarà quello definitivo, comunque, per ora, lo schema è questo.

Si vedono le tre batterie (BM, B1 e B2) e i selettori (SB1 e SB2) che le gestiscono.
Le ho denominate B1 e B2 e non BS1 e BS2 perché dipende dalla posizione dei selettori se avranno il ruolo di BS o di BM.

C'è il magnetotermco (ABB S203 63A) e la sua bobina di sgancio (S2C-A1) che stacca tutto (parallelo delle batterie e la ricarica) a fronte di alcuni eventi rilevati da vari sensori ecc... tipo sovratemperatura di una AGM, sovratensione e altre cose...
Dal magnetotermico si va ad un amperometro digitale triplo gestito da Arduino che misura 3 correnti, le altre si ricavano con calcoli matematici.
La corrente consumata dalle utenze, per esempio, è data dalla somma algebrica dei 3 valori rilevati (BS1, BS2 e Ricarica).
Purtroppo le correnti dei due riscaldatori non sono misurate...

Poi c'è l'Energy Power EVolution da 30 Ampere che ricarica le BS in viaggio, ma solo se viene attivato da me con un apposito interruttore, siccome ha un ritardo di attivazione di 30 secondi e parte solo se la tensione sul contatto D+ supera 13,5 Volt, ho usato un +12 Sotto quadro (che avevo) invece del D+ dell'alternatore.

Due coppie di fusibili da 20 e 5 Ampere alimentano l'Eberspacher Airtronic D4 e il Webasto Thermotop da 5 KW, questi due riscaldatori sono collegati direttamente alle batterie (B1 e B2) per evitare che venga accidentalmente tolta alimentazione quando sono lanciati alla massima potenza.
Purtroppo posso affermare con sicurezza che, in questo caso,  il guasto irreversibile del riscaldatore a gasolio è quasi certo.
Anche per il vecchio Zeus (prima che fallissero),  avendo al suo interno un Eberspacher, avevano scritto a caratteri cubitali di collegare il generatore direttamente alla batteria "senza fusibile".

Lo schema è semplice, ora devo solo aggiungere i numeri di alcuni fili e poi avrò uno strumento utile per riuscire a districarsi in questo impianto anche da una persona che non sa minimamente com'è fatto, ad esempio io quando tra qualche anno non mi ricorderò più nulla.

Marco.
Marco

http://www.m48.it


Modificato da Emme48 il 30/05/2022 alle 19:34:28
15
Subalpino
Subalpino
07/12/2010 2861
Rispondi Abuso
Inserito il 30/05/2022 alle: 18:01:26
In risposta al messaggio di Emme48 del 30/05/2022 alle 16:30:55

Schema di potenza del Colibrì: ... chissà se sarà quello definitivo, comunque, per ora, lo schema è questo. Si vedono le tre batterie (BM, B1 e B2) e i selettori (SB1 e SB2) che le gestiscono. Le ho denominate B1
e B2 e non BS1 e BS2 perché dipende dalla posizione dei selettori se avranno il ruolo di BS o di BM. C'è il magnetotermco (ABB S203 63A) e la sua bobina di sgancio (S2C-A1) che stacca tutto (parallelo delle batterie e la ricarica) a fronte di alcuni eventi rilevati da vari sensori ecc... tipo sovratemperatura di una AGM, sovratensione e altre cose... Dal magnetotermico si va ad un amperometro digitale triplo gestito da Arduino che misura 3 correnti, le altre si ricavano con calcoli matematici. La corrente consumata dalle utenze, per esempio, è data dalla somma algebrica dei 3 valori rilevati (BS1, BS2 e Ricarica). Purtroppo le correnti dei due riscaldatori non sono misurate... Poi c'è l'Energy Power EVolution da 30 Ampere che ricarica le BS in viaggio, ma solo se viene attivato da me con un apposito interruttore, siccome ha un ritardo di attivazione di 30 secondi e parte solo se la tensione sul contatto D+ supera 13,5 Volt, ho usato un +12 Sotto quadro (che avevo) invece del D+ dell'alternatore. Due coppie di fusibili da 20 e 5 Ampere alimentano l'Eberspacher Airtronic D4 e il Webasto Thermotop da 5 KW, questi due riscaldatori sono collegati direttamente alle batterie (B1 e B2) per evitare che venga accidentalmente tolta alimentazione quando sono lanciati alla massima potenza. Purtroppo posso affermare con sicurezza che, in questo caso,  il guasto irreversibile del riscaldatore a gasolio è quasi certo. Anche per il vecchio Zeus (prima che fallissero),  avendo al suo interno un Eberspacher, avevano scritto a caratteri cubitali di collegare il generatore direttamente alla batteria senza fusibile. Lo schema è semplice, ora devo solo aggiungere i numeri di alcuni fili e poi avrò uno strumento utile per riuscire a districarsi in questo impianto anche da una persona che non sa minimamente com'è fatto, ad esempio io quando tra qualche anno non mi ricorderò più nulla. Marco.
...
Immagino che se l'hai pubblicato è per avere feedback, anche negativi. Che sono quelli che servono di più.
Quindi:
  1. Prima di tutto non conosco questo EPE ma se è il nonno di un DCDC non mi è chiaro il collegamento, sembra che prenda corrente da se stesso
  2. Avendo acquisito il fatto che una parte dell'impianto importante deve stare a monte dei controlli (riscaldatori), a valle ti rimangono solo le utenze standard (<20A), oltre ad eventuale inverter che non vedo citato. Sei ancora convinto di voler montare quel "cosone ABB" che personalmente non vedo bene su un mezzo su ruote? Tra l'altro mi sembra parzialmente ridondante con la protezione Victron. Piuttosto avrei messo un secondo relè di protezione sull'ingresso delle cariche.
  3. Apprezzo molto il tuo sistema di monitoraggio e controllo MA tutto dovrebbe stare sempre separato dal core dell'impianto, cercando di lasciare quest'ultimo più vicino ad un impianto standard. Quindi probe come se piovesse ma attenzione agli attuatori
  4. Bene il doppio staccabatteria a 3 vie è meglio del mio singolo perchè toglie un pericoloso SPOF, soprattutto perchè quegli oggetti non hanno una qualità eccelsa e ti viene fuori "aggratis" il ponte sulla BS. Anche se sono scettico sulla reale utilità di quel sistema. L'evento di una batteria a terra in viaggio presuppone che sia guasta, a questo punto meglio sostituirla tout court con una BS.
  5. Anche se la tua religione non te lo consente, magari un giorno farai peccato e ti darai alle LFP, anche solo per dimagrire, pensaci nel tuo disegno!
quello che succede a Las Vegas resta a Las Vegas, quello che succede sul forum resta sul forum

Modificato da Subalpino il 30/05/2022 alle 18:02:52
20
Emme48
Emme48
rating

13/01/2006 24562
Rispondi Abuso
Inserito il 30/05/2022 alle: 19:49:06
In risposta al messaggio di Subalpino del 30/05/2022 alle 18:01:26

Immagino che se l'hai pubblicato è per avere feedback, anche negativi. Che sono quelli che servono di più. Quindi:Prima di tutto non conosco questo EPE ma se è il nonno di un DCDC non mi è chiaro il collegamento, sembra
che prenda corrente da se stesso Avendo acquisito il fatto che una parte dell'impianto importante deve stare a monte dei controlli (riscaldatori), a valle ti rimangono solo le utenze standard (<20A), oltre ad eventuale inverter che non vedo citato. Sei ancora convinto di voler montare quel cosone ABB che personalmente non vedo bene su un mezzo su ruote? Tra l'altro mi sembra parzialmente ridondante con la protezione Victron. Piuttosto avrei messo un secondo relè di protezione sull'ingresso delle cariche. Apprezzo molto il tuo sistema di monitoraggio e controllo MA tutto dovrebbe stare sempre separato dal core dell'impianto, cercando di lasciare quest'ultimo più vicino ad un impianto standard. Quindi probe come se piovesse ma attenzione agli attuatori Bene il doppio staccabatteria a 3 vie è meglio del mio singolo perchè toglie un pericoloso SPOF, soprattutto perchè quegli oggetti non hanno una qualità eccelsa e ti viene fuori aggratis il ponte sulla BS. Anche se sono scettico sulla reale utilità di quel sistema. L'evento di una batteria a terra in viaggio presuppone che sia guasta, a questo punto meglio sostituirla tout court con una BS. Anche se la tua religione non te lo consente, magari un giorno farai peccato e ti darai alle LFP, anche solo per dimagrire, pensaci nel tuo disegno!
...
Tenchiù very grazie wink

1) La foto 1 era sbagliata, l'ho corretta, anzi ho messo quella corretta che è in rete e non una errata che avevo sul PC.
Effettivamente quel fusibile F4 da 50 Ampere collegato alla BM serve proprio per l'Energy Power Evolution che è un caricabatterie elettronico evoluto, con curva di ricarica IUoU, ma alimentato con l'alternatore, l'ho già sperimentato con grande successo sul camper precedente.

2) Il magnetotermico ABB è il primo oggetto che ho montato, da sempre i camper hanno dei magnetotermici sia per il 230 che per la bassa tensione (specialmente quelli vintage) e non vedo controindicazioni ad usarli, quello in particolare l'ho scelto perché è adatto alla corrente continua ed abbinabile alla sua bobina di sgancio che permette di lanciare un comando elettrico di disconnessione irreversibile.
Non è un doppione del Victron perché assolve ad una protezione (propria magnetotermica e comandata dalla bobina di sgancio) anche a centralina spenta.
Ci sono due termostati rudimentali che scattano a 60 gradi incolati alle batterie..
s-l1600%5B1%5D(1).png  
Se un sistema di ricarica impazzisce (fotovoltaico...) o una AGM fa le bizze, un eventuale aumento di temperatura scollega tutto quanto, anche a cellula spenta.
Anche una sovratensione sulle BS scollega tutto quanto senza bisogno che la centralina sia accesa, c'è un circuito autonomo che chiude un contatto al raggiungimento di 16 Volt sulla BS.
Per i riscaldatori mi manca solo l'amperometro perché i fusibili ci sono e in caso di manutenzione li posso togliere, come da manuale Eberspacher, anche loro dicono di non mettere interruttori sull'alimentazione "grossa" del riscaldatore.

3) Niente attuatori (quasi) solo controlli.
Con la centralina spenta funziona tutto benissimo, il resto sono solo fusibili e interruttori.

4) La sostituzione della batteria va immaginata di notte mentre piove sotto l'unico lampione bruciato... (non sono pessimista, sono semplicemente un informatico relista...)  alla fine ho speso pochissimi euro di materiale in più per avere la sostituzione della BM (eventualmente) guasta con una o due BS tramite selettori interni, inoltre posso anche parallelare al volo la BM con una BS per dagli un... aiutino invernale in caso di messa in moto con molto freddo..

5) Niente Litio, io ci devo anche mettere in moto con le BS e se mi si rompe una batteria in Finlandia, vado dove riparano le motoslitte e ne ricompro una delle loro.
Sicuramente io cerco di produrre più di quello che consumo, mi sono concentrato su questo aspetto.

Di nuovo tenchiù per le osservazioni, come concorderai ci sono 100 modi diversi di fare le cose, ognuno con i suoi pro e i suoi contro.

Marco.
Marco

http://www.m48.it


Modificato da Emme48 il 30/05/2022 alle 20:07:58
20
Emme48
Emme48
rating

13/01/2006 24562
Rispondi Abuso
Inserito il 31/05/2022 alle: 10:11:30
Modulo radar a effetto doppler (microonde a 3,18 GHz) RCWL 0516 per rilevare un movimento nelle vicinanze, costa un paio di euro...

Eccolo !
s-l1600%5B1%5D(37).jpg
Si tratta di una piccola piastrina di vetronite di 18 mm x 36 mm, dotata di un piccolo chip SMD sulla quale è incisa direttamente l'antenna che lavora alla frequenza di 3.18 GHz.
Può essere alimentata con una tensione che va da 4 a 28V, purtroppo l'uscita che segnala la presenza di un oggetto in movimento è a soli 3,3 Volt, assolutamente inadatti a pilotare direttamente un MOSFET tradizionale.
Se però si usa un IRL540 (logic level) si possono pilotare 10... anche 20 Ampere se viene pilotato a 3,3 Volt sul Gate.

Questa è la mia realizzazione.
1%20RCWL%200516.png
Nella foto si vede come l'Ho racchiusa in più guaine termorestringenti in modo da poterla installare nei pressi dell'ingresso del Colibrì.
La sua funzione è segnalare ad Arduino un movimento davanti alla porta, poi da "setup utente" posso abbinare questa segnalazione a qualsiasi azione, ad esempio l'attivazione di uno dei relè che potrebbe accendere una luce in zona scalino...

Ma non solo Arduino...
Con la minuscola piastrina RCWL 0516 e un MOSFET IRL540 si può costruire un circuito che accende automaticamente una luce quando ci si avvicina...

Marco.


 
Marco

http://www.m48.it

14
wippet
wippet
rating

10/02/2012 3337
Rispondi Abuso
Inserito il 01/06/2022 alle: 01:07:19
"se mi si rompe la batteria in Finlandia"... ovviamente è un esempio a caso. Ma a me è successo davvero nel luglio scorso, proprio a Rovaniemi. Era prevista la morte della bm durante il trasferimento in Germania, dove contavo di prendere una Varta da 95 in qualche Toom, pagandola sicuramente meno che in Italia, ma è morta due mesi dopo in Lapponia. Poco male, anzi, entrato nel fornitissimo Motonet (motonet.fi) di Rovaniemi, ho trovato esattamente la Varta auspicata con un'ottima offerta scontatissima! A volte la fortuna....
"My world is miles of endless roads" "The curse of the traveller got a hold on me, and it won't let you be"
SostaGruppiCompagniItaliaEsteroMarchiMeccanicaCellulaAccessoriEventiLeggiComportamentiDisabiliIn camper perAltro CamperAltroExtra Attivi
Argomenti recenti dal forum
Viaggi all'estero
Valle della Mosella: Castello di Eltz
Nella speranza sempre di riuscire a girare tanto sto organizzando un itinerario sulla Mose...
Paolo62
16 minuti fa
Marchi
E se a breve arriva il Dacia Sandman ....
Dicono sia in arrivo il Dacia Sandman 4x4 CamperVan Sarebbe una rivoluzione sia per il pr...
franco49tn
Oggi alle 09:34
Accessori
Condizionatore scomposto
In rete ho trovato questo oggetto, metto il link perché spesso leggo di persone che voglio...
Grinza
Oggi alle 08:48
Altro sui camper
Acquisto Van in Germania
Ciao, sto cercando un Van furgonato usato di 6 mt e da qualche mese sto battendo tutti i s...
marcello.g
Oggi alle 08:33
Marchi
Wingwann Oasi - E' adatto al mio viaggio?
Ciao a tutti, ho qualche breve esperienza da camperista e sono nuovo del forum. Alla sogli...
marcello.g
Oggi alle 08:15
Aree di sosta e campeggi
Pasqua a Torino
siamo diretti a Torino dove staremo qlc giorno. Avevo adocchiato il campeggio comunale ca...
DonatoS
31/03/26 - 22:37
Accessori
Lo conoscete questo dc dc cinese?
Da abbinare ad una batteria lipofe4 da 100 A chiedo se qualcuno di Voi conosce o ha avuto ...
Marchinovis
31/03/26 - 21:45
Aree di sosta e campeggi
Campeggio con camere - Trentino Alto Adige
Offro una birra a distanza a chi mi trova la struttura in cui prenoterò Buonasera a tutti...
Dellaguzzo
31/03/26 - 21:05
Meccanica
Cestello porta filtro aria Ducato
Per poter accedere alla sostituzione del filtro gasolio su Ducato X 244, e’ necessario ri...
norbidic
31/03/26 - 17:42
Altro non sui camper
Nuova app GeoCamper
Buongiorno a tutti i camperisti, che come me usano le più disparate app per organizzare le...
mikeleVR
31/03/26 - 15:13
Viaggi all'estero
Terreno in Calcidica, in Grecia
Ciao a tutti! Vi scrivo perché ho una situazione un po’ particolare e mi piacerebbe avere...
lgreco
31/03/26 - 12:30
Aree di sosta e campeggi
Sosta per San Silvestro e Populonia
Salve, volevamo andare 2 o 3 giorni a Pasqua a visitare il Parco Archeomaneraio di San Sil...
dekracap
31/03/26 - 07:50
167k Facebook
343k Instagram
42,6k TikTok
73,3k Youtube
CamperOnLine - Copyright © 1998-2026 - P.Iva 06953990014
Informativa privacy
Loading...

Accedi

Recupera Password
Nuovo utente

Vuoi eliminare il messaggio?

Sottoscrizione

Anteprima

PREFERENZA

Il messaggio è in fase di inserimento.

loading

CamperOnLine

Buongiorno gentile utente,

da oltre 20 anni Camperonline offre gratuitamente tutti i suoi servizi
grazie agli inserzionisti che ci hanno dato la loro fiducia, permettici di continuare il nostro lavoro disattivando il blocco delle pubblicità.

Grazie della collaborazione.

Azione eseguita con successo

Azione Fallita

Condividi

Condividi questa pagina con:

O copia il link