In risposta al messaggio di Roberto66 del 23/01/2023 alle 21:08:07Buonasera a tutti e bentrovati, un piccolo suggerimento, scollega ed isola tutti i cavi presenti sul connettore J1, quello bianco in basso a destra nella foto, sono i cavi che arrivano dalla BM.
Quale ponticello ?
In risposta al messaggio di Roberto66 del 23/01/2023 alle 21:08:07
Quale ponticello ?
.png)
In risposta al messaggio di Szopen del 24/01/2023 alle 01:59:13Così però perdi la lettura della batteria motore sul display e probabilmente ti verrà a, mancare anche l'innesco del segnale D+ che é manipolato da uno specifico relè sulla scheda.
Buonasera a tutti e bentrovati, un piccolo suggerimento, scollega ed isola tutti i cavi presenti sul connettore J1, quello bianco in basso a destra nella foto, sono i cavi che arrivano dalla BM. Collega l'Orion direttamentealla BS, puoi alimentarlo direttamente tramite il D+ presente sul connettore JP6 al pin 1, è il pin di destra del connettore bianco a 2 pin in alto a sinistra nella foto e comunque l'Orion, come puoi ben vedere sul manuale, prevede diverse possibilità di alimentazione. Se come notato da subalpino non vi era ricarica della bm tramite il cb a 230V a mezzo fermo, ora la ricarica avverrà, seppur con i parametri previsti dallo stesso Orion. Tutte le funzioni attuali, rimarranno tali poiché, alla centralina arriveranno sempre tensione e corrente dalla BS collegata al connettore J2, proprio come da schema. In questo modo, per ripristinare lo stato attuale della centralina sarà semplicissimo. Saluti e salute a tutti, Ciro.
In risposta al messaggio di gduca del 24/01/2023 alle 09:12:08Buongiorno Fabrizio, passi la perdita della lettura della bm sul display, ma il consenso per il D+ o D-che sia, deve arrivare dall'alternatore e non dalla BM.
Così però perdi la lettura della batteria motore sul display e probabilmente ti verrà a, mancare anche l'innesco del segnale D+ che é manipolato da uno specifico relè sulla scheda.
In risposta al messaggio di Roberto66 del 24/01/2023 alle 13:12:03Roberto la modifica frigo di M48 e´ ottima cosa, se provi a ricollegare la centralina tenendo scollegati i cavi BM dal connettore bianco J1 e metti in moto potrai verificare se il frigo si accende a 12V.
Grazie a tutti , gentili come sempre. ho effettuato la modifica cavo frigo di M48 , il cavo che prima portava il positivo allo stesso ora alimenta la bobina del relè inserito. e' sicuramente un cavo D+ secondo voi arriva dalla centralina ? Verrà meno nel caso delle modifiche suggerite ?
In risposta al messaggio di Szopen del 24/01/2023 alle 12:59:20La centralina postata è un modello meno recente della NE196 che conosco come le mie tasche (oramai). Il positivo della batteria motore (secondo le mie conoscenze) sarebbe indispensabile per dare un positivo permanente al relè che fa poi il lavoro di invertire la polarità del segnale D+ (ossia dal segnale negativo di mamma Fiat in un segnale positivo). Bisogna provare sul campo per capire, queste cose sullo schema elettrico non sono scritte.
Buongiorno Fabrizio, passi la perdita della lettura della bm sul display, ma il consenso per il D+ o D-che sia, deve arrivare dall'alternatore e non dalla BM. Se prova a fare come suggerito, potrà verificare effettivamentese staccando i cavi che arrivano dalla BM staccati il frigo a 12v si accende, ammesso che abbia un trivalente, ovviamente con motore acceso. È una prova che non costa nulla e non crea alcun danno alla centralina. Se guardi bene lo schema postato, noterai che tra il connettore J1 (BM) e quello J2 (BS) c è un relè che chiude il contatto bm->bs dopodiché partono tutti i collegamenti per il funzionamento della centralina. Ciro.
In risposta al messaggio di gduca del 24/01/2023 alle 19:22:41Bravo, proprio per questo, viste le diversità delle molteplici versioni di quella centralina, chiedo a Roberto di fare una semplice prova, si tratta solo di bypassare il primo relè interposto tra bm e bs.
La centralina postata è un modello meno recente della NE196 che conosco come le mie tasche (oramai). Il positivo della batteria motore (secondo le mie conoscenze) sarebbe indispensabile per dare un positivo permanenteal relè che fa poi il lavoro di invertire la polarità del segnale D+ (ossia dal segnale negativo di mamma Fiat in un segnale positivo). Bisogna provare sul campo per capire, queste cose sullo schema elettrico non sono scritte.
In risposta al messaggio di Roberto66 del 24/01/2023 alle 21:06:23Per il momento non tagliare nulla lascia semplicemente staccato del tutto il solo connettore J1, una volta collegato l'Orion a bm e bs come da manuale prova a mettere in moto, l'Orion si attiva anche senza D+ (vedi bene sul manuale) a questo punto con motore in moto verifica se le utenze funzionano frigo, pompa etc. etc.
Grazie ancora , metto risposte multiple: @Szopen tenendo scollegati i cavi BM dal connettore bianco J1 sono 4 fili , morsetti 4-e 5 ? (ma 1 e 2 come li lascio collegati essendo su unico morsetto ? dovrei tagliare i 4-5. @Fabrizio : se la soluzione finale sarà tagliare le piste posso farlo (se non riesco a dissaldare relè) , ma dove ? linea rossa ? linea blu ?
In risposta al messaggio di Roberto66 del 24/01/2023 alle 21:06:23Devo effettivamente riconoscere che la tua scheda è molto diversa dalle tre tipologie che ho visto, nelle quali c'era una sottile piste a bordo scheda il cui taglio risultava quasi invisibile. Non riesco però a capire il perchè di quei due pallini di stagno tra i capi della bobina relè. Fosse la mia scheda partirei comunque dal taglio della linea blu che è più semplice e meno invasivo e solo se qualcosa non funzionasse passerei alla linea rossa. Giusto che con una scheda così diversa provi almeno a fare il tentativo che ti dice Ciro.
Grazie ancora , metto risposte multiple: @Szopen tenendo scollegati i cavi BM dal connettore bianco J1 sono 4 fili , morsetti 4-e 5 ? (ma 1 e 2 come li lascio collegati essendo su unico morsetto ? dovrei tagliare i 4-5. @Fabrizio : se la soluzione finale sarà tagliare le piste posso farlo (se non riesco a dissaldare relè) , ma dove ? linea rossa ? linea blu ?
In risposta al messaggio di Sergione66 del 25/01/2023 alle 10:47:55Buongiorno Sergio, nel tuo caso, si tratta di bypassare il separatore SBB-100.
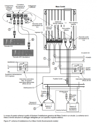
Buongiorno a tutti, mi sono letto tutte le 12 pagine di questo topic molto interessante ed ho un paio di domande da porre a chi ne sa più di me (tanti), nel caso volessi anche io passare alle batterie al litio quando leattuali batterie arriveranno a fine vita. Attualmente l'impianto è costituito da :Caricabatterie/inverter Mastervolt Masscombi 12/2000/100 Centralina CBE PC-750-CA (il CA è la personalizzazione della Carthago) Parallelatore CB SBB-100Il caricabatterie ha un'uscita dedicata per la ricarica della BM da 5A e questo è lo schema del parallelatore della CBE Dal momento che il caricabatterie è completamente programmabile e quindi potrei fare in modo che possa caricare le batterie al litio (potendo gestire fino a 100A di carica), resta il problema di come inserire un booster nell'impianto per non stressare l'alternatore. La cosa molto curiosa è che il caricabatterie ed il parallelatore dovrebbero trovarsi vicini ed invece sono circa a 6m di distanza. Idem le batterie, tra BM e BS c'è circa la stessa distanza !! Qualcuno è in grado di aiutarmi ? Ovviamente si tratta dell'impianto di serie e le posizioni dei componenti corrispondono a quelle del manuale fornito con il mezzo. Tutte le indicazioni di tensioni, correnti sia DC che AC sono visualizzabili sul pannello della centralina in una schermata molto simile a questa (cambia la grafica ma le funzioni sono le stesse). Grazie a chi fornirà informazioni utili (e magari non solo a me) !! Sergio
In risposta al messaggio di Sergione66 del 25/01/2023 alle 10:47:55Ancora Grazie a tutti
Buongiorno a tutti, mi sono letto tutte le 12 pagine di questo topic molto interessante ed ho un paio di domande da porre a chi ne sa più di me (tanti), nel caso volessi anche io passare alle batterie al litio quando leattuali batterie arriveranno a fine vita. Attualmente l'impianto è costituito da :Caricabatterie/inverter Mastervolt Masscombi 12/2000/100 Centralina CBE PC-750-CA (il CA è la personalizzazione della Carthago) Parallelatore CB SBB-100Il caricabatterie ha un'uscita dedicata per la ricarica della BM da 5A e questo è lo schema del parallelatore della CBE Dal momento che il caricabatterie è completamente programmabile e quindi potrei fare in modo che possa caricare le batterie al litio (potendo gestire fino a 100A di carica), resta il problema di come inserire un booster nell'impianto per non stressare l'alternatore. La cosa molto curiosa è che il caricabatterie ed il parallelatore dovrebbero trovarsi vicini ed invece sono circa a 6m di distanza. Idem le batterie, tra BM e BS c'è circa la stessa distanza !! Qualcuno è in grado di aiutarmi ? Ovviamente si tratta dell'impianto di serie e le posizioni dei componenti corrispondono a quelle del manuale fornito con il mezzo. Tutte le indicazioni di tensioni, correnti sia DC che AC sono visualizzabili sul pannello della centralina in una schermata molto simile a questa (cambia la grafica ma le funzioni sono le stesse). Grazie a chi fornirà informazioni utili (e magari non solo a me) !! Sergio
In risposta al messaggio di Szopen del 25/01/2023 alle 13:10:53Grazie dell'informazione, ma il D+ che adesso è collegato all' SBB-100 ?
Buongiorno Sergio, nel tuo caso, si tratta di bypassare il separatore SBB-100. Un eventuale booster dc-dc o cc-cc converter 12-12 potresti innanzitutto vedere se hai spazio di montarlo vicino al separatore SBB-100, quidovrai sicuramente portare un sostanzioso cavo negativo, almeno 16mmq, anche collegandolo da qualche parte sul telaio li vicino. Se monterai ad esempio un Victron Orion Tr-Smart da 18A oppure 30A modello non isolato, dovrai solo scollegare i cavi che ora vanno ai morsetti B1 e B2 sul separatore (lasciando tutto il resto così com'è) e li colleghi all'Orion come indicato nel suo manuale, al morsetto centrale presente sullo stesso Orion andrai a collegare il nuovo negativo appena creato. Ciro.
In risposta al messaggio di Sergione66 del 25/01/2023 alle 13:56:45Le funzioni del D+ e tutti i suoi consensi ai vari frigo etc. etc. rimarranno tali. Perderai forse la visualizzazione del parallelo delle batterie sul display ma la vedrai indicato sull`Orion.
Grazie dell'informazione, ma il D+ che adesso è collegato all' SBB-100 ? L'indicazione delle batterie in parallelo ed in carica a motore acceso presente sulla centralina le perderei ?
In risposta al messaggio di Roberto66 del 25/01/2023 alle 13:40:24A motore in moto, la tensione che arriva da J1 attiva anche la bobina del relè RE1 chiudendo il circuito tra J1 e J2 ovvero, tra freccia rossa e freccia blu.
Ancora Grazie a tutti Guardando il circuito non capisco quando/come il rele' parallelatore R1 gestisce i due positivi , BM e BS Con rele' aperto i circuiti sotto fusibile funzionano con BS ma quando il relè si chiude i positivi vanno in corto ? (morsetti J1 e J2) inoltre : quando si chiude il relè ? a motore in moto ? Freccia Rossa o Freccia Blu ?
In risposta al messaggio di Szopen del 25/01/2023 alle 14:06:55E' come immaginavo ... (anche se non mi piace un granchè)
Le funzioni del D+ e tutti i suoi consensi ai vari frigo etc. etc. rimarranno tali. Perderai forse la visualizzazione del parallelo delle batterie sul display ma la vedrai indicato sull`Orion.
In risposta al messaggio di Sergione66 del 25/01/2023 alle 14:14:21No il D+ non lo devi toccare, lui continuerà ad occuparsi dell'attuazione dei vari relè.
E' come immaginavo ... (anche se non mi piace un granchè) Ma fisicamente il cavo del D+ che attualmente è collegato all'SBB-100 andrebbe eliminato ?