In risposta al messaggio di motociclista12 del 06/07/2020 alle 22:02:05Infatti in tutti gli schemi, quando c'è una centralina, va staccato il cavo della BM, si entra nel booster e da questo poi si torna alla centralina.
Hai provato a collegarlo saltando la centralina? Scolleghi la batteria motore dalla centralina, passi solo dal dcdc collegato direttamente alla BS. Il resto lo lasci com'è.fa lui da parallelatore. ciao.
www.iz4dji.it
In risposta al messaggio di IZ4DJI del 06/07/2020 alle 21:25:42Se hai modo di dare una occhiata alle istruzioni del WA121545 (che poi mi hai mandato tu, tradotto in italiano) c'è un esempio di impianto (l'ultimo) le batterie son collegate solo in parallelo,nessuna centralina schaudt.connesa
Secondo me dagli schemi puo essere installato anche in assenza di centralina (come il Votronic) ma se c'è la centralina deve comunque integrarsi nel collegamento.
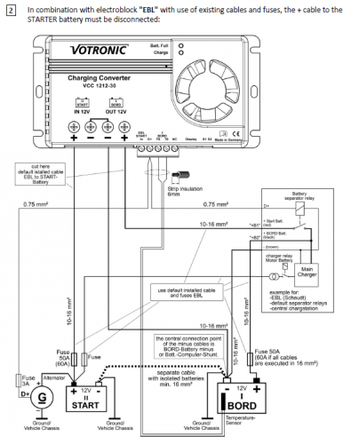
In risposta al messaggio di latrofa124 del 07/07/2020 alle 00:23:17anche nel manuale Votronic c'è anche lo stesso schema da usare nei casi in cui NON è presente una centralina.
Se hai modo di dare una occhiata alle istruzioni del WA121545 (che poi mi hai mandato tu, tradotto in italiano) c'è un esempio di impianto (l'ultimo) le batterie son collegate solo in parallelo,nessuna centralina schaudt.connesa Roberto
www.iz4dji.it
In risposta al messaggio di motociclista12 del 07/07/2020 alle 07:19:56Forse ho capito. Dici di entrare nel booster con la BM, uscire e collegarsi direttamente alla BS, e poi collegare la BS alla centralina solo come distribuzione della corrente alle utenze.
Non ho scritto di staccare la BS dalla centralina, altrimenti non a più nulla, semplicemente alimentarla , quando il motore è acceso, direttamente dalla BM senza passare dalla centralina. Quest'ultima rimane sempre alimentatadalla BS. Per le emergenze é sempre un filo che devi scollegare dal ingresso booster e ricollegare alla centralina. Questo è solo un consiglio, una prova che si potrebbe fare. ciao.
www.iz4dji.it
In risposta al messaggio di gduca del 06/07/2020 alle 12:24:31So bene cosa siano i BMS e che sono indispensabili, però ci sono batterie LiFePO4 con BMS integrato vendute come plug&play in sostituzione delle piombo quindi pensavo che con alternatore tradizionale il booster si potesse evitare.
Indispensabile! perchè l'alternatore da solo eroga una corrente ad cacchium con oscillazioni varie, mentre la Litio necessita di una corretta corva di ricarica pena il suo decadimento. Ovviamente è indispensabile chetra batteria e carica batteria ci sia anche il BMS (non mi dilungo sulla spiegazione tecnica ma l'acronimo Battery Management System si spiega da soio) che però tante batterie hanno on-board, ossia inglobato all'interno del contenitore che esternamente sembra una batteria tradizionale..
In risposta al messaggio di gduca del 06/07/2020 alle 12:24:31So bene cosa siano i BMS e che sono indispensabili, però ci sono batterie LiFePO4 con BMS integrato vendute come plug&play in sostituzione delle piombo quindi pensavo che con alternatore tradizionale il booster si potesse evitare.
Indispensabile! perchè l'alternatore da solo eroga una corrente ad cacchium con oscillazioni varie, mentre la Litio necessita di una corretta corva di ricarica pena il suo decadimento. Ovviamente è indispensabile chetra batteria e carica batteria ci sia anche il BMS (non mi dilungo sulla spiegazione tecnica ma l'acronimo Battery Management System si spiega da soio) che però tante batterie hanno on-board, ossia inglobato all'interno del contenitore che esternamente sembra una batteria tradizionale..
In risposta al messaggio di IZ4DJI del 07/07/2020 alle 08:29:15esatto. La carica a 220 rimane inalterata.
Forse ho capito. Dici di entrare nel booster con la BM, uscire e collegarsi direttamente alla BS, e poi collegare la BS alla centralina solo come distribuzione della corrente alle utenze. Potrebbe funzionare, se non mi perdoqualcosa, ma mi sa che si perde qualche funzione dell impianto, forse la carica da 220, e sicuramente la lettura della tensione BM sul display del camper. Secondo me mettono uno schema che attraversa la centralina per non perdere queste funzioni che sarebbe inaccettabile.
In risposta al messaggio di IZ4DJI del 06/07/2020 alle 21:24:11In effetti stavo pensando a questo tuo passaggio ed è vero, il booster si attiva con motore acceso e in queste condizioni il CSB2 dovrebbe rimanere spento, rilevando una tensione elevata lato BM. A questo punto inizio a dubitare sulla bontà dei Votronic, rimarrò piuttosto su Victron o sullo Sterling, la cui programmazione però è alquanto complicata e c'è solo da augurarsi che quando mettiamo a nanna il camper per l'inverno questo non perda tutta la programmazione già effettuata.
Il CSB2 fa passare corrente molto modesta dalla BS alla BM a senso unico, mentre il booster fa il contrario, da BM a BS e parecchia corrente. Non avevo letto che nel manuale fosse scritto di eliminare cose come il CSB2, altrimenti lo avrei fatto. O mi è sfuggito, o essendo in Inglese non ho capito bene.

In risposta al messaggio di dallas70 del 07/07/2020 alle 13:50:40Anche secondo me il Votronic 1212-30 è un po troppo delicato, avrebbero dovuto prevedere un eventuale problema di collegamento nell impianto e prevedere un sistema di sicurezza per salvarlo.
In effetti stavo pensando a questo tuo passaggio ed è vero, il booster si attiva con motore acceso e in queste condizioni il CSB2 dovrebbe rimanere spento, rilevando una tensione elevata lato BM. A questo punto inizio adubitare sulla bontà dei Votronic, rimarrò piuttosto su Victron o sullo Sterling, la cui programmazione però è alquanto complicata e c'è solo da augurarsi che quando mettiamo a nanna il camper per l'inverno questo non perda tutta la programmazione già effettuata. Aggiungo la pagina della mia vecchia NE148 dotata di jumper per la disattivazione del parallelatore.
www.iz4dji.it
In risposta al messaggio di IZ4DJI del 08/07/2020 alle 00:37:41Ma, in buona sostanza, cosa hai fatto per evitare che succedesse di nuovo? Mi interessa perchè ora che mi devo far montare il Votronic non vorrei che anche il mio dopo 5 minuti smettesse di funzionare.
Anche secondo me il Votronic 1212-30 è un po troppo delicato, avrebbero dovuto prevedere un eventuale problema di collegamento nell impianto e prevedere un sistema di sicurezza per salvarlo. Non so poi se siano tutti oggetticosì delicati in quanto in piccolo spazio debbono lavorare con correnti elevate. Nel mio, al ritorno riparato, c'era scritto così: che san Google mi traduce come: L'elettronica non è allineata Aggiornamento software effettuato Controllo funzionale completo Dispositivo riparato gratuitamente e riadattato Quindi se ho capito non era un vero guasto fisico ma il software impallato. Oggetti molto complicati e d programmare, sicuramente in mano a chi ci sa fare possono dare piu soddisfazione, ma io cerco sempre le soluzioni piu semplici e pronte all uso, che l età in cui cercavo problemi e mi divertivo a risolverli, la ho passata . Se capitano ugualmente.....c'è Mastercard.... infatti ora ho due booster in quanto mentre avevo spedito l altro (effettivamente sperando poco in una riparazione), intanto ne avevo comperato e installato un altro.
In risposta al messaggio di cinquantuno del 08/07/2020 alle 07:07:20Si, lo avevo detto, ma ormai si è perso nei meandri del topic
Ma, in buona sostanza, cosa hai fatto per evitare che succedesse di nuovo? Mi interessa perchè ora che mi devo far montare il Votronic non vorrei che anche il mio dopo 5 minuti smettesse di funzionare.
www.iz4dji.it
In risposta al messaggio di IZ4DJI del 08/07/2020 alle 08:37:23Dato che sono un testone il parallelatore CSB2 ti mandava in tilt il Votronic, però mi vien da pensare che qualsiasi parallelatore presente possa fare altrettanti danni ( diodo + resistenza o centraline con il loro parallelatore ) o sono proprio di coccio?
Si, lo avevo detto, ma ormai si è perso nei meandri del topic . Secondo me la colpa è stata di un CBE CSB2 che era precedentemente installato. Per un paio di volte trovai il fusibile del CSB2 saltato non capendo perchè,dopo averlo sostituito per la seconda volta ho trovato il Booster Votronic non piu funzionante e il fusibile del CSB2 non saltava piu. Solo a quel punto h collegato le due cose. Eliminato il CSB2, acquistato nuovo booster Votronic e installato e dopo ha sempre funzionato bene. Ne comperai uno nuovo in quanto pensavo che quello guasto non fosse una riparazione in garanzia, ma poi decisi di tentare di inviarlo alla Votronic e invece mi è tornato riparato. Così ne ho uno di scorta PS: con il booster Votronic il CSB2 è comunque superfluo in quanto il booster stesso, a motore spento fa la stessa funzione, cioè la carica di mantenimento della BM.
http://www.m48.it
In risposta al messaggio di Emme48 del 08/07/2020 alle 18:03:07A pensar male si fa peccato ma quasi sempre ci si azzecca!
Credo ci sia una manovra commerciale in atto... Tutto funziona alla perfezione comprando tutti gli apparati, molto costosi, necessari per avere un funzionamento impeccabile. Prezzi molto elevati, funzionamento assicurato ma tanti saluti a soluzioni semplici tipo diodo+resistenza che risolveva un problema con 3 euro. Marco.
In risposta al messaggio di cinquantuno del 08/07/2020 alle 17:00:52ci sono varie cose chiamate "parallelatore" ma molto differenti.
Dato che sono un testone il parallelatore CSB2 ti mandava in tilt il Votronic, però mi vien da pensare che qualsiasi parallelatore presente possa fare altrettanti danni ( diodo + resistenza o centraline con il loro parallelatore) o sono proprio di coccio? Perchè se è solo il parallelatore basta non installarlo, se invece è un parallelatore presente in centralina ( ad es. shaudt ) occorre farlo eliminare da qualcuno che se ne intende...
www.iz4dji.it
In risposta al messaggio di IZ4DJI del 09/07/2020 alle 00:42:48Ok, capito,
ci sono varie cose chiamate parallelatore ma molto differenti. Il parallelatore inserito in ogni centralina è il rele parallelatore cioè un semplice rele, che si chiude quando si avvia il motore e mette in parallelo ledue batterie. Quello non fa nessun problema perchè quando è chiuso è un collegamento diretto, come se non ci fosse altro che un pezzo di cavo. Viene chiamato parallelatore, secondo me erroneamente, ance il CBE CSB2. Infatti quello non mette semplicemente in parallelo le due batterie, ma contiene un circuito per cu puo passare corrente a senso unico da BS a BM e limitata a massimo 4A e solo se BS ha voltaggio maggiore di una certa soglia. Questo scatolotto, contenendo un circuito elettronico complesso, ha necessità anche del negativo e non so perchè penso che il problema nasca li. Il circuito diodo-resistenza inventato e ingegnierizzato da emme48, fa piu o meno la stessa funzione, ma non ha collegamento al negativo perchè contiene solo un diodo (che manda la corrente a senso unico) e una resistenza (che limita la corrente che passa). Secondo me, avendo solo componenti passivi (non so se è la definizione corretta) e quindi senza necessità di un negativo, non mi avrebeb creato nessun problema. Ma quando ci si brucia poi non si ha piu il coraggio di anadare a toccare il fuoco, e quuindi anche se ho fiducia che potrei installarlo senza problemi, non ho il coraggio di andare a rischiare di buttare 180 euro di booster. Poi, il booster Votronic ha incorporato un circuito che a motore spento manda massimo 1A alla BM quando è a tensione piu bassa che la BS, e quindi mi basta quello senza andere a fare prove di cui non ho il coraggio.
In risposta al messaggio di IZ4DJI del 09/07/2020 alle 00:42:48In realtà nel collegare un booster devi eliminare il relè parallelatore, che finirebbe per essere in parallelo allo stesso e quindi ne impedirebbe il funzionamento. I sistemi di parallelamento da BS a BM per mantenere questa al corretto stato di carica quando la tensione della BS è elevata (quindi ad esempio quando siamo collegati alla colonnina) non dovrebbero, in via teorica, interferire con il funzionamento del booster dal momento che lo stesso dovrebbe essere disabilitato non avendo il D+ o rilevando una BM "da motore spento". Nella realtà dei fatti però questa condizione sembra essere critica per il booster stesso... Cosa apparentemente incomprensibile.
ci sono varie cose chiamate parallelatore ma molto differenti. Il parallelatore inserito in ogni centralina è il rele parallelatore cioè un semplice rele, che si chiude quando si avvia il motore e mette in parallelo ledue batterie. Quello non fa nessun problema perchè quando è chiuso è un collegamento diretto, come se non ci fosse altro che un pezzo di cavo. Viene chiamato parallelatore, secondo me erroneamente, ance il CBE CSB2. Infatti quello non mette semplicemente in parallelo le due batterie, ma contiene un circuito per cu puo passare corrente a senso unico da BS a BM e limitata a massimo 4A e solo se BS ha voltaggio maggiore di una certa soglia. Questo scatolotto, contenendo un circuito elettronico complesso, ha necessità anche del negativo e non so perchè penso che il problema nasca li. Il circuito diodo-resistenza inventato e ingegnierizzato da emme48, fa piu o meno la stessa funzione, ma non ha collegamento al negativo perchè contiene solo un diodo (che manda la corrente a senso unico) e una resistenza (che limita la corrente che passa). Secondo me, avendo solo componenti passivi (non so se è la definizione corretta) e quindi senza necessità di un negativo, non mi avrebeb creato nessun problema. Ma quando ci si brucia poi non si ha piu il coraggio di anadare a toccare il fuoco, e quuindi anche se ho fiducia che potrei installarlo senza problemi, non ho il coraggio di andare a rischiare di buttare 180 euro di booster. Poi, il booster Votronic ha incorporato un circuito che a motore spento manda massimo 1A alla BM quando è a tensione piu bassa che la BS, e quindi mi basta quello senza andere a fare prove di cui non ho il coraggio.
In risposta al messaggio di dallas70 del 09/07/2020 alle 09:05:56Con gli schemi indicati da Votronic il booster viene messo in serie (non in parallelo) al rele parallelatore della centralina.
In realtà nel collegare un booster devi eliminare il relè parallelatore, che finirebbe per essere in parallelo allo stesso e quindi ne impedirebbe il funzionamento. I sistemi di parallelamento da BS a BM per mantenere questaal corretto stato di carica quando la tensione della BS è elevata (quindi ad esempio quando siamo collegati alla colonnina) non dovrebbero, in via teorica, interferire con il funzionamento del booster dal momento che lo stesso dovrebbe essere disabilitato non avendo il D+ o rilevando una BM da motore spento. Nella realtà dei fatti però questa condizione sembra essere critica per il booster stesso... Cosa apparentemente incomprensibile.
www.iz4dji.it