In risposta al messaggio di bulk del 13/09/2019 alle 20:19:42Magari indicare il modello stufa, sarebbe meglio
Sul mio VR sotto la stufa Truma c'è un ampio buco vuoto nel pavimento, protetto solo da un ampia grata (simile tombino). È normale vi sia un tale spazio aperto nel pavimento, da cui possono entrare topi (e sono entrati) ed animali vari? Inoltre penso la coibentazione totale non sia il massimo con una tale presa di aria esterna. Grazie.
In risposta al messaggio di bulk del 13/09/2019 alle 20:19:42La stufa da come la descrivi è la Trauma 3000/5000 e la presa d'aria a pavimento è normale.Anche se è un vecchio modello va benissimo e ha il vantaggio che non ha bisogno di corrente se non per la ventilazione,ma può andare anche senza la ventola con l'unico accorgimento di non tenerla troppo alta.Ho fatto anni di campeggio invernale a Dobbiaco in roulotte con la 3000 e mai sofferto il freddo.
Sul mio VR sotto la stufa Truma c'è un ampio buco vuoto nel pavimento, protetto solo da un ampia grata (simile tombino). È normale vi sia un tale spazio aperto nel pavimento, da cui possono entrare topi (e sono entrati) ed animali vari? Inoltre penso la coibentazione totale non sia il massimo con una tale presa di aria esterna. Grazie.
In risposta al messaggio di bulk del 13/09/2019 alle 20:19:42In caso di perdita di gas, è da li che viene scaricato
Sul mio VR sotto la stufa Truma c'è un ampio buco vuoto nel pavimento, protetto solo da un ampia grata (simile tombino). È normale vi sia un tale spazio aperto nel pavimento, da cui possono entrare topi (e sono entrati) ed animali vari? Inoltre penso la coibentazione totale non sia il massimo con una tale presa di aria esterna. Grazie.
In risposta al messaggio di bulk del 13/09/2019 alle 22:47:51Se doppia potrebbe essere la S5000 che è piu potente.
Il modello non lo conosco. So che è una doppia stufa.
www.iz4dji.it
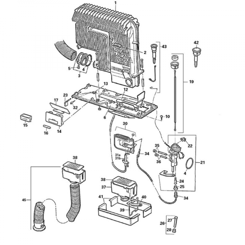
In risposta al messaggio di IZ4DJI del 13/09/2019 alle 23:02:47Il cappellotto con tubo a pavimento cui Ti riferisci è il particolare nr. 45?
Se doppia potrebbe essere la S5000 che è piu potente. In alcuni casi veniva montata così, ma la griglia metallica dovrebbe essere fine per non permettere l entrata dei topi. Però, c'è una opzione che consiste in uncappellotto di lamiera sul bruciatore e un tubo che arriva al pavimento, e in questo caso si puo installare senza lasciare una grande apertura. in ogni caso una piccola apertura con griglia la lascerei per eventuale fuoriuscita accidentale di gas in caso d guasto, anche se improbabile. Riguardo al freddo, proprio quando è freddo non è mai bene sigillare tutto perchè così facendo si crea condensa nel mezzo e fa stare peggio che il freddo, io in inverno ho imparato a tenere gli oblo aperti un dito, giorno e notte e si sta veramente meglio. Però forse una apertura grande come la descrivi, in caso di vento potrebbe risultare fastidiosa.
In risposta al messaggio di bulk del 13/09/2019 alle 23:13:00Si, il 45 che andrebbe sostituito al 37 che è quello standard. Però il disegno è una S3002, ma sicuramente ci sarà anche per la S5000.
Il cappellotto con tubo a pavimento cui Ti riferisci è il particolare nr. 45?
.png)
www.iz4dji.it
In risposta al messaggio di ecostar del 14/09/2019 alle 15:24:37Ok grazie. Non la chiudo.
ti rispondo per come la ho capita riferendomi alla classica sufa a tiraggio bilanciato come la serie 3000 , quella tipologia di stufa l'aria comburente la prende di suo al naturale direttamente d'allesterno e precisamentedal sottopianale quindi non ha bisogno di nessuna presa di aria verso l'interno della cellula sicuramente quella apertura in zona pavimento stufa è la classica apertura di areazione obbligatoria per tutta la cellula abitativa quindi non c'entra nulla con l'aria comburente della stufa ma serve solo come ricambio di aria per la zona abitativa , la sezione netta dell'apertura non deve essere inferiore di 100 cm quadrati , se ci metti una rete con maglia sottile la sezione di apertura andrà maggiorata in base a quanto e sottile la maglia , comunque quella presa d'aria in tutte le casistiche è sempre un toccasana , anche se la pensi diversamente non chiuderla mai se la sezione netta dell'apertura fosse superiore di 100 cm quadrati e ipotizzando che sia di 15x15 cm puoi utilizzare una rete a maglia molto sottile , ripeto e ribadisco di non chiuderla mai e tienila sempre pulita - fidati - mario
In risposta al messaggio di ecostar del 14/09/2019 alle 15:49:39Ho installato gli ultrasuoni, ma non fanno nulla.
fai come meglio credi ma personalmente eviterei veleni topicidi sparsi in cellula , se mi dici la sezione netta della apertura potrei dirti quale rete a maglia sottile sia più indicata mario
In risposta al messaggio di bulk del 23/09/2019 alle 19:23:07Ma perchè complicarti la vita con togli e metti.
Ok ho verificato che il topino è entrato dall'apertura sotto la stufa. l'ho preso e TEMPORANEAMENTE ho chiuso l'apertura. Nessuna traccia di topi da 15gg. Ora vorrei costruire una chiusura da utilizzare in rimessaggio, in modo tale che i topi non entrino più e togliere (lasciando aperto) quando utilizzo il VR. Avete qualche idea?
www.iz4dji.it
In risposta al messaggio di bulk del 24/09/2019 alle 00:08:27Ci sono vari modi, secondo me il migliore è metterci tutto attorno della piattina forata sovraposta alla rete e con delle viti nel legno
Come posso fissare la rete al buco sotto il pianale? Grazie.
www.iz4dji.it
In risposta al messaggio di bulk del 24/09/2019 alle 00:08:27
Come posso fissare la rete al buco sotto il pianale? Grazie.
In risposta al messaggio di ecostar del 24/09/2019 alle 14:44:44Grazie!
quello non è un problema , per fissarla segui i consigli di Tommaso che di inventiva ne ha parecchia mario
www.iz4dji.it