CamperOnLine
  • Camper
    • Camper usati
    • Camper nuovi
    • Produttori
    • Listino
    • Cataloghi
    • Concessionari e rete vendita
    • Noleggio
    • Van
    • Caravan
    • Fiere
    • Rimessaggi
    • Le prove di CamperOnLine
    • Provati da voi
    • Primo acquisto
    • Area professionisti
  • Accessori
    • Accessori e Prodotti
    • Camping Sport Magenta accessori
    • Produttori
    • Antenne TV
    • Ammortizzatori
    • GPS
    • Pneumatici
    • Rimorchi
    • Provati da Voi
    • Fai da te
  • Viaggi
    • Diari di viaggi in camper
    • Eventi
    • Foto
    • Check list
    • Traghetti
    • Trasporti
  • Sosta
    • Cerca Strutture
    • Sosta
    • Aree sosta camper
    • Campeggi
    • Agriturismi con sosta camper
    • App Camperonline App
    • 10 Consigli utili per la sosta
    • Area strutture
  • Forum
    • Tutti i Forum
    • Sosta
    • Gruppi
    • Compagni
    • Italia
    • Estero
    • Marchi
    • Meccanica
    • Cellula
    • Accessori
    • Eventi
    • Leggi
    • Comportamenti
    • Disabili
    • In camper per
    • Altro Camper
    • Altro
    • Extra
    • FAQ
    • Regolamento
    • Attivi
    • Preferiti
    • Cerca
  • Community
    • COL
    • CamperOnFest
    • Convenzioni Convenzioni
    • Amici
    • Furti
    • Informativa Privacy
    • Lavoro
  • COL
    • News
    • Newsletter
    • Pubblicità
    • Contatto
    • Ora
    • RSS RSS
    • Video
    • Facebook
    • Instagram
  • Magazine
  • Italiano
    • Bienvenue
    • Welcome
    • Willkommen
  • Accedi
CamperOnLine
Camping Sport Magenta
  1. Forum
  2. Tecnica
  3. Cellula abitativa
Galleria

Ventole frigo trivalente

Nuovo
Cerca
SostaGruppiCompagniItaliaEsteroMarchiMeccanicaCellulaAccessoriEventiLeggiComportamentiDisabiliIn camper perAltro CamperAltroExtra Attivi
1 20 27
10
tipino
tipino
11/10/2015 67
Inserito il 11/04/2016 alle: 14:59:17
Un saluto a tutto il forum, vi seguo da, quasi, un anno e ho trovato moltissime idee da applicare al mio Arca SuperFreccia 360... yes
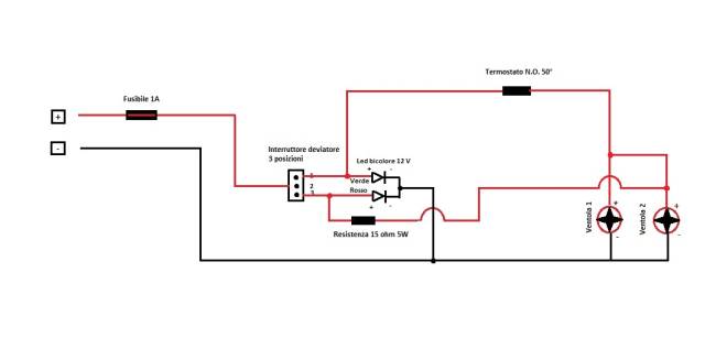
Ieri mi sono cimentato, nel montaggio delle ventole dietro al frigo, l'idea era quella di avere 2 ventole comandate da un termostato tarato a 45° sulla posizione 1 del deviatore, e una ventola a velocità ridotta sulla posizione 2.
Questo è lo schemino:


Però non funge... nel senso che in posizione 2 le ventole partono insieme e a velocità piena. Forse, devo aggiungere un diodo tra la prima e seconda posizione? Domando questo senza sapere cosa dico, in effetti ho visto un altro schema sul web e mi sembrava così....blush
Vi ringrazio anticipatamente.... cheeky
20
Grinza
Grinza
rating

16/02/2006 64053
Inserito il 11/04/2016 alle: 16:05:52



------------------- Non arrenderti. Rischieresti di farlo un’ora prima del miracolo. -------------------
10
tipino
tipino
11/10/2015 67
Inserito il 11/04/2016 alle: 16:24:17
Grazie Grinza yes, però ho un piccolo problema.... blush di elettronica non ci capisco una cippa... sad, saresti così gentile da spiegarmi passo passo, come ad un bambino di 5 anni, i vari collegamenti? 
Il secondo mi sembra sia: positivo, con fusibile, comune sulle 2 ventole, negativo in comune che va al 1° connettore del deviatore, dal quale parte il termostato che si collega al 3°, e il centro vuoto. Giusto o mi scoppia tutto??? 
Ti ringrazio anticipatamente... smiley

Modificato da tipino il 11/04/2016 alle 16:34:53
20
Grinza
Grinza
rating

16/02/2006 64053
Inserito il 11/04/2016 alle: 17:26:03

Nel primo non c'é termostato, in una posizione funziona con una ventola e l'altra con due, nel mezzo spento.
Il secondo invece in una posizione é comandato da un termostato e l'altra é manuale ( é quello che viene usato piú spesso)

da da sapere che il frigo fredda attraverso la compressione ed il rilascio dei gas (una volta era freon) e l'uso o meglio l'abuso delle ventoline non fa funzionare correttamente il frigo.
dovessi farlo io utilizzerei il secondo schema

p.s: Di elettronica non c'é nulla wink
------------------- Non arrenderti. Rischieresti di farlo un’ora prima del miracolo. -------------------

Modificato da Grinza il 11/04/2016 alle 17:27:11
10
tipino
tipino
11/10/2015 67
Inserito il 11/04/2016 alle: 18:24:44
Grazie, Grinza, io, l'ho già montato...Sulla posizione 1, le ventole dovrebbero partire con il termostato, sulla 2, la mia intenzione era far partire una ventola sola a velocità ridotta, ma invece partono insieme a velocità piena. Il  secondo schema,,che hai postato, ha il negativo sull'interruttore, al contrario del mio che ha il positivo, qual'è il collegamento corretto? 
Napoli & Caserta in camper
Napoli & Caserta in camper
Natale 2025 in centro Italia
Natale 2025 in centro Italia
Asturia, Cantabria e Paesi Baschi in cam
Asturia, Cantabria e Paesi Baschi in cam
Sala Silvergruva, la miniera d'argento
Sala Silvergruva, la miniera d'argento
Folgaria d’inverno in camper
Folgaria d’inverno in camper
Previous Next
20
Grinza
Grinza
rating

16/02/2006 64053
Inserito il 11/04/2016 alle: 21:27:34
In risposta al messaggio di tipino del 11/04/2016 alle 18:24:44

Grazie, Grinza, io, l'ho già montato...Sulla posizione 1, le ventole dovrebbero partire con il termostato, sulla 2, la mia intenzione era far partire una ventola sola a velocità ridotta, ma invece partono insieme a velocità
piena. Il  secondo schema,,che hai postato, ha il negativo sull'interruttore, al contrario del mio che ha il positivo, qual'è il collegamento corretto? 
...

Ammesso che il tuo schema sia corretto é diverso il concetto, quello che ho messo io col termostato ha funzioni manuale e automatico e non di diminuire la velocitá delle ventole.

 
------------------- Non arrenderti. Rischieresti di farlo un’ora prima del miracolo. -------------------
22
Giovanni
Giovanni
rating

28/08/2003 13352
Inserito il 12/04/2016 alle: 10:55:15
Purtroppo è invalso in uso il concetto che, aprioristicamente, ventoline è uguale a maggior rendimento del frigo, sic et semplicer. Così non è.

Il circuito di riscaldamento (fornello) e di raffreddamento (condensatore) devono lavorare sempre in perfetto equilibrio, equilibrio disturbato pesantemente dalla temperatura ambientale. Pertanto installare delle ventoline senza un controllo adeguato non si fa altro che peggiorare il rendimento del frigo e non certo il contrario.

Le ventoline vanno installate sul lato interno della griglia superiore del vano del frigo; il più vicino alla griglia affinché l'aria estratta possa inequivocabilmente essere espulsa verso l'esterno. Non andrebbero mai utilizzate in manuale perché impossibile capire quando questo aiuto sarebbe effettivamente necessario. Installare un solo controllo (termostato) non è altresì valido perché, spesso, si avrebbe un attacca/stacca continuo delle ventoline con degrado delle loro capacità.

Consiglio quindi due sensori di temperatura (50-55 gradi centigradi anche approssimativi, ma uno differente dall'altro) e, con quello più basso alimentare una sola ventolina (o entrambe in bassa velocità se idonee alla doppia velocità) e con il secondo (quello più alto) comandare la seconda ventola (o entrambe a velocità normale se idonee alla doppia velocità). Solo così è possibile gestire nel miglior modo possibile il circolo dell'aria in modalità adeguata per il nostro frigo ed ottenere le prestazioni migliori anche nelle estreme condizioni. Spesso si va anche a ritenere guasto il sistema se spento, mentre semplicemente, in quel momento, non c 'è bisogno di raffreddare alcunché.

Giovanni
 
10
tipino
tipino
11/10/2015 67
Inserito il 12/04/2016 alle: 12:11:26
Grazie Giovanni per il tuo intervento...yes Potresti postare uno schema, in modo da poter correggere il mio impianto di raffreddamento?
Magari, potrebbe interessare , anche a qualche altro utente del forum.... wink Ciaoooo...
22
Giovanni
Giovanni
rating

28/08/2003 13352
Inserito il 12/04/2016 alle: 12:41:26
E' talmente semplice che non c'è bisogno di uno schema. Materiale: 2 ventoline 12vcc, un termostato 50 °C ed uno 55 °C (approssimativi, da 50 a 60 °C, ma diversi), sempre aperti (chiudono il circuito al raggiungimento della temperatura di lavoro), due diodi 1A tipo 1n4007 (non indispensabili) ed un interruttore.

Dall'interruttore (conduttore positivo) vai ad alimentare un singolo contatto di ognuno dei due sensori (non importa quale dei due contatti); dall'altro capo dei due sensori vai ai capi positivi delle due ventoline; colleghi i capi negativi delle due ventoline a massa. Poi installi i due diodi facoltativi per evitare mali alle ventoline, le proteggi ognuna inserendo un diodo dal negativo (anodo) al positivo (catodo).

Giovanni

Modificato da Giovanni il 12/04/2016 alle 14:22:28
10
tipino
tipino
11/10/2015 67
Inserito il 12/04/2016 alle: 14:25:41
Così è giusto?...


Grazie.
22
Giovanni
Giovanni
rating

28/08/2003 13352
Inserito il 12/04/2016 alle: 14:37:33
Esatto. Puoi anche eliminare il diodo fra i due termostati (tanto quando chiude quello a temperatura superiore, quello a temperatura inferiore è già chiuso. Io l'avevo in mente se si volesse intervenire manualmente facendole partire manualmente: in questo casa basta ponticellare (mettere sotto interruttore) i due contatti del termostato superiore: nel qual caso, comunque sia, partirebbero entrambe comunque. Però sconsiglio interventi manuali.

Con un bruciatore, ugello e camino puliti, a 40° esterni hai ancora parecchio giacchio nella cella freezer.

Giovanni
20
Grinza
Grinza
rating

16/02/2006 64053
Inserito il 12/04/2016 alle: 14:56:46
In risposta al messaggio di Giovanni del 12/04/2016 alle 14:37:33

Esatto. Puoi anche eliminare il diodo fra i due termostati (tanto quando chiude quello a temperatura superiore, quello a temperatura inferiore è già chiuso. Io l'avevo in mente se si volesse intervenire manualmente facendole
partire manualmente: in questo casa basta ponticellare (mettere sotto interruttore) i due contatti del termostato superiore: nel qual caso, comunque sia, partirebbero entrambe comunque. Però sconsiglio interventi manuali. Con un bruciatore, ugello e camino puliti, a 40° esterni hai ancora parecchio giacchio nella cella freezer. Giovanni
...

Ma perchè quei diodi?
 
------------------- Non arrenderti. Rischieresti di farlo un’ora prima del miracolo. -------------------
22
Giovanni
Giovanni
rating

28/08/2003 13352
Inserito il 12/04/2016 alle: 15:39:04
Su tutti i circuiti elettrici in cui sono presenti delle bobine (degli avvolgimenti) funzionanti con correnti continue e soggette ad attivazioni/disattivazioni (relè, ventoline, ecc.) è opportuno inserire dei contro diodi (in posizione inversa, dal negativo al positivo) per fa si che eventuali extra tensioni, proprie della manovra di accensione e spegnimento o provenienti da altri dispositivi sulla stessa linea, non vadano a rovinare il dispositivo. Per esempio, sui relè in c.c. è obbligatorio anche per evitare eccitazioni/diseccitazioni non volute o bruciature della bobina stessa. Terra terra, l'extra tensione scarica a massa attraverso il diodo senza passare per la bobina o, comunque, l'attraversa con meno violenza.

Forse Marco (Emme48) potrà spiegarlo molto meglio di me.

Giovanni
20
Grinza
Grinza
rating

16/02/2006 64053
Inserito il 12/04/2016 alle: 15:50:23
In risposta al messaggio di Giovanni del 12/04/2016 alle 15:39:04

Su tutti i circuiti elettrici in cui sono presenti delle bobine (degli avvolgimenti) funzionanti con correnti continue e soggette ad attivazioni/disattivazioni (relè, ventoline, ecc.) è opportuno inserire dei contro diodi
(in posizione inversa, dal negativo al positivo) per fa si che eventuali extra tensioni, proprie della manovra di accensione e spegnimento o provenienti da altri dispositivi sulla stessa linea, non vadano a rovinare il dispositivo. Per esempio, sui relè in c.c. è obbligatorio anche per evitare eccitazioni/diseccitazioni non volute o bruciature della bobina stessa. Terra terra, l'extra tensione scarica a massa attraverso il diodo senza passare per la bobina o, comunque, l'attraversa con meno violenza. Forse Marco (Emme48) potrà spiegarlo molto meglio di me. Giovanni
...

Grazie, sarà che sono fiducioso ma non le ho mai messe (e m'è andata sempre bene) laugh
------------------- Non arrenderti. Rischieresti di farlo un’ora prima del miracolo. -------------------
19
ecostar
ecostar
rating

11/01/2007 37215
Inserito il 12/04/2016 alle: 16:36:42
un breve mordi e fuggi solo per precisare che la temperatura ottimale del condensatore lato scambiatore alettato non deve essere inferiore di 55 °C e non superiore di 65°C , quindi intervento del termostato a 55 e 60 °C

mario
10
tipino
tipino
11/10/2015 67
Inserito il 12/04/2016 alle: 16:43:54
Ottimo! la temperatura d'esercizio mi mancava....yes
10
tipino
tipino
11/10/2015 67
Inserito il 12/04/2016 alle: 16:46:43
se volessi ridurre la velocità della o delle ventole cosa bisognerebbe aggiungere al circuito?
 
19
ecostar
ecostar
rating

11/01/2007 37215
Inserito il 12/04/2016 alle: 20:23:16
non sono in grado di aiutarti sulla parte elettrica ma noto che sei ben spalleggiato , ti consiglio di non esagerare con le ventoline , 2 da max 8 cm a bassi giri bastano e avanzano , il primo termostato fallo partire a circa 55/57 °C e il secondo circa 60/62 °C , sotto o sopra quel range di temperatura il frigo incomincerebbe a zoppicare nel senso che non renderebbe come dovrebbe 

mario
20
Emme48
Emme48
rating

13/01/2006 24566
Inserito il 12/04/2016 alle: 22:01:10
Un ventilatore brushless che crea extratensioni?

Il secondo schema postato da grinza (che poi sono disegni miei) va benissimo...
Però metti le ventole in serie, poca aria e poco rumore..
Se raffreddi troppo il frigo smette di funzionare.

MArco.
22
Giovanni
Giovanni
rating

28/08/2003 13352
Inserito il 13/04/2016 alle: 08:06:31
Marco, più volte ho avuto occasione di esternare la mia stima incondizionata verso di te pur, in alcune situazioni, non trovandomi perfettamente in sintonia con te.

Premesso questo e premesso che non sono un tecnico teorico ma autodidatta pratico, nel senso che quel poco che penso di sapere l'ho imparato con la pratica, con l'esperimentazione  e col rubare con gli occhi il lavoro degli altri, secondo me lo schema di Grinza che tu suggerisci, secondo il mio modestissimo parere, ha due piccoli difetti: l'attivazione manuale serve a poco se non spesso a peggiorare la situazione e la gestione della/e ventola/e con un solo termostato comporta continui attacca/stacca perché quei sensori (almeno quelli che sono capitati a me) sono sensibilissimi e bastano due/tre secondi per passare da uno stato all'altro.

Gestire le ventole a doppia velocità ricorrendo alla installazione in serie comporta che, spesso, non hanno lo spunto adatto a partire; cioè, pur chiudendosi il termostatato, le ventole non sempre partono per tensione troppo bassa (esperimentato personalmente). Io preferisco due ventole comandate separatamente, ma è solo una questione di opinione personale.
 
Se proprio si vuole avere delle ventoline a doppia velocità, credo che la soluzione migliore possa essere ottenuta ricorrendo ad una adeguata resistenza che provochi una caduta di tensione di non più di tre volt. Nel caso, lo schema - e qui mi rivolgo a tipino - dovrebbe essere: interruttore -> termostato 55°C (come suggerito da Grinza), resistenza, ventoline (in parallelo). Il secondo termostato (60°C) semplicemente messo in parallelo alla resistenza. Chiudendosi solo il termostato da 55°C le ventoline partono a bassa velocità; se chiude anche il 60°C (ovviamente il 55°C è già chiuso) la resistenza viene bypassata con alimentazione diretta.

Quando ai diodi in posizione inversa sui contatti delle ventoline, l'ho imparato dalle riviste del settore, dove ad ogni avvolgimento (ventole, relè, ecc) c'è sempre questo diodo.

Giovanni
20
Emme48
Emme48
rating

13/01/2006 24566
Inserito il 13/04/2016 alle: 09:45:36

Lo spunto di una ventola alimentata tramite una resistenza limitatrice lo si crea mettendo un condensatore in parallelo a quella resistenza che è in serie al motore.
Essendo il condensatore inizialmente scarico avrai 12 volt iniziali (spunto) e poi la velocità sarà quella limitata dalla resistenza.

Di solito si mette sempre una posizione manuale visto che l'interruttore costa uguale... 

Il problema che lamenti si chiama "isteresi" e rappresenta i due valori di temperatura di On/Off del termostato... 
Isteresi bassa significa On/Off frequenti ma maggiore precisione della temperatura, isteresi alta significa On/Off meno frequenti ma temperatura meno precisa che nl nostro caso è la soluzione da preferire.

L'isteresi si può cambiare applicando una massa metallica (piccolo dissipatore di alluminio) al sensore in modo da rallentare la variazione termica percepita dal sensore.

VENTOLE.
Le moderne ventole elettroniche da PC sono alimentate da un circuito elettronico che crea una tensione ALTERNATA in grado di indurre il movimento della ventola (rotore) per induzione evitatndo le spazzole quindi NIENTE extratensioni di apertura di contatto e di conseguenza il diodo inutile.
Se invece ci fosse un motore classico collegato direttamente o anche la semplice bobina di un relè allora il diodo è necessario per proteggere un transistor che apree  chiude... ma con i contatti argentati di un termostato e con quelle correnti lì non servirebbe lo stesso...

MArco.

Modificato da Emme48 il 13/04/2016 alle 09:50:14
SostaGruppiCompagniItaliaEsteroMarchiMeccanicaCellulaAccessoriEventiLeggiComportamentiDisabiliIn camper perAltro CamperAltroExtra Attivi
Argomenti recenti dal forum
Viaggi all'estero
Multa in Slovenia - attenti a dove la fate ...
Salve a tutti, riporto qui questo episodio che mi è capitato giovedì mattina in Slovenia, ...
girellik
Ieri alle: 20:51
Cellula abitativa
1 pannello 2 regolatori 1 batteria
Si può fare montando i regolatori in parallelo? ......
ligurt
Ieri alle: 20:28
Viaggi in Italia
Sosta bergamo
Ciao mi consigliate una sosta a Bergamo? L'ideale sarebbe un parcheggio o area sosta con b...
gianninotopo
Ieri alle: 20:17
Aree di sosta e campeggi
Campeggio o AA per settimana di giugno
Buongiorno a tutti. Chiedo consigli per un campeggio senza troppe pretese o un area attre...
Omar73
Ieri alle: 18:08
Altro sui camper
Grande indecisione su nuovo mezzo ...
Buongiorno a tutti, chiedo l'aiuto di chi abbia avuto lo stesso dilemma. Sto considerando ...
franci700
Ieri alle: 17:32
Cellula abitativa
Problema con letto basculante elettrico
Buongiorno, ho il letto basculante della dinette lippert con i comandi come da foto, no ch...
Davy
Ieri alle: 12:09
Accessori
Problema stufa Trauma C 6002 - cambio miscelatore
Buongiorno a tutti, premetto: mi trovo in area di sosta giusto nel weekend di Pasqua e son...
Bubetto20
Ieri alle: 10:17
Altro non sui camper
Auguri di Buona Pasqua!
Lo Staff e il Team di Moderazione di Camperonline.it augurano Buona Pasqua e felici viaggi...
Team di Mode...
Ieri alle: 09:28
Altro non sui camper
La connessione non è privata Gli attaccanti potre
mi appare : La connessione non è privata Gli attaccanti potrebbero provare a impossessar...
salito
Ieri alle: 08:31
Accessori
Victron Orion TR CC CC Smart
Ciao a tutti sono nuovo scusate eventuali errori. SITUAZIONE BM al piombo 100Ah BS al lit...
danbag
Ieri alle: 08:29
Marchi
Laika ecovip 3l doppio serbatoio acqua comunicante
Buonasera a tutti, sono un nuovo camperista e da poco ho acquistato un laika ecovip 3 l de...
Alex86rm
Ieri alle: 00:05
Cellula abitativa
Mobilvetta Driver 60g - pareti cellula?
Buongiorno a tutti, domani vado a vedere un mobilvetta top driver 60g del 2001 apparenteme...
madman82
03/04/26 - 19:14
167k Facebook
343k Instagram
42,6k TikTok
73,3k Youtube
CamperOnLine - Copyright © 1998-2026 - P.Iva 06953990014
Informativa privacy
Loading...

Accedi

Recupera Password
Nuovo utente

Vuoi eliminare il messaggio?

Sottoscrizione

Anteprima

PREFERENZA

Il messaggio è in fase di inserimento.

loading

CamperOnLine

Buongiorno gentile utente,

da oltre 20 anni Camperonline offre gratuitamente tutti i suoi servizi
grazie agli inserzionisti che ci hanno dato la loro fiducia, permettici di continuare il nostro lavoro disattivando il blocco delle pubblicità.

Grazie della collaborazione.

Azione eseguita con successo

Azione Fallita

Condividi

Condividi questa pagina con:

O copia il link