In risposta al messaggio di Mirkosway del 26/12/2025 alle 18:00:45È di sicuro un problema elettrico, qualche connessione
Durante un rientro da un uiikend il mio amato camper Fiat Ducato 2.2 (Puma) si spegne improvvisamente in autostrada di notte mentre procedevo a un velocità di 70/80 km/h. Fortunatamente riesco a fermarmi in corsia di emergenzae mentre accosto noto la spia della riserva lampeggiante e la spia anomalia motore accesa. Spengo il quadro, provo a riaccendere NIENTE sembra come se fosse finito il gasolio improvvisamente. A quel punto stacco e riattacco il negativo della batteria NIENTE, stacco e riattacco lo spinotto rosso vicino la presa OBD NIENTE, tolgo pure il coperchio della pompa carburante per sentire se ronza quando accendo il quadro e sento che funziona ma il motore non si avvia, controllo il filtro gasolio nel vano motore ed è asciutto...alla fine chiamo il carro attrezzi! Dopo una mezz'oretta mentre aspettavo il carro attrezzi riprovo ad accendere e il motore si avvia ma gira male e spia anomalia accesa ma non mi sono fidato di proseguire quindi lo porto in officina. Il giorno dopo mi dicono che la diagnosi dell'officina (Ford service) dice che valvola EGR è da cambiare e mi presentano preventivo stratosferico! (oltre 1000 euro) Rifiuto il lavoro, pago la diagnosi (60 euro) il camper si accende tranquillamente spurgo al volo il filtro del gasolio e mi avvio verso casa. Percorro 70 km senza problemi sostituisco comunque l'egr ma molti dubbi rimangono. Possibile che una valvola egr aperta faccia spegnere il motore in marcia? Perché la spia riserva lampeggiava con più di mezzo serbatoio? Potrebbe essere la pompa gasolio nel serbatoio sporca o malfunzionante? Aggiungo che 10 km prima del collasso improvviso del motore avevo fatto 20 euro di gasolio. Gasolio sporco? Il fatto è che non avendo capito il vero motivo non mi fido molto del mezzo e l'officina dove hanno diagnosticato l'egr guasta mi ha fatto una pessima impressione tanto che non gli farei riparare neanche una ruota piena di una bicicletta da bambino. Auguroni di buone feste a tutti. ...perdersi, con un grande senso dell'orientamento...
In risposta al messaggio di impiegatodelvolante del 26/12/2025 alle 19:04:08Potrebbe anche essere, mi sarebbe piaciuto vedere l'errore in diagnosi, adesso la spia è spenta e non ho una diagnosi che mi permette di visualizzare lo storico degli errori.
È di sicuro un problema elettrico, qualche connessione Ma in questi casi è difficile risalire a quale sia Inizia a controllare le masse , anche quelle nsacoste
In risposta al messaggio di Mirkosway del 26/12/2025 alle 20:03:38Se è un problema di masse, non può essere rilevato dalla diagnosi
Potrebbe anche essere, mi sarebbe piaciuto vedere l'errore in diagnosi, adesso la spia è spenta e non ho una diagnosi che mi permette di visualizzare lo storico degli errori.
In risposta al messaggio di impiegatodelvolante del 26/12/2025 alle 20:56:12E' già, il problema MASSE l'avevo sottovalutato, adesso mi studio un po' il loro posizionamento su Ducato x250 del 2007.
Se è un problema di masse, non può essere rilevato dalla diagnosi Se è un problema di masse, la diagnosi fa dei falsi errori Ovvero, può darti errore di qualcosa, ma quel qualcosa non è realmente guasto
In risposta al messaggio di Dada77 del 26/12/2025 alle 22:53:48Il filtro carburante non l'ho toccato, quando ero fermo in autostrada ho solo visto se da fuori perdeva, invece era tutto asciutto.
La cosa strana è il filtro carburante vuoto, fa pensare che la pompa si sia fermata o si sia tappato il pescante...
In risposta al messaggio di Mirkosway del 26/12/2025 alle 23:16:19Avevo capito male, leggendo filtro asciutto l'ho interpretato come vuoto...
Il filtro carburante non l'ho toccato, quando ero fermo in autostrada ho solo visto se da fuori perdeva, invece era tutto asciutto. Prima di scappare letteramente dall'officina, ho solo svitato un po' la vite di spurgo delfiltro gasolio per togliere eventuale acqua e poi ho ristretto la vite e sono partito. Il filtro era pieno, niente aria e neanche acqua, è stato solo un mio scrupolo.
In risposta al messaggio di Mirkosway del 26/12/2025 alle 18:00:45non so se quel motore ha il solenoide per chiudere il gasolio quando lo spegni, se lo ha forse è quello che da problemi, se il gasolio c'era e si è spento all’improvviso, potrebbe essere che si è chiuso
Durante un rientro da un uiikend il mio amato camper Fiat Ducato 2.2 (Puma) si spegne improvvisamente in autostrada di notte mentre procedevo a un velocità di 70/80 km/h. Fortunatamente riesco a fermarmi in corsia di emergenzae mentre accosto noto la spia della riserva lampeggiante e la spia anomalia motore accesa. Spengo il quadro, provo a riaccendere NIENTE sembra come se fosse finito il gasolio improvvisamente. A quel punto stacco e riattacco il negativo della batteria NIENTE, stacco e riattacco lo spinotto rosso vicino la presa OBD NIENTE, tolgo pure il coperchio della pompa carburante per sentire se ronza quando accendo il quadro e sento che funziona ma il motore non si avvia, controllo il filtro gasolio nel vano motore ed è asciutto...alla fine chiamo il carro attrezzi! Dopo una mezz'oretta mentre aspettavo il carro attrezzi riprovo ad accendere e il motore si avvia ma gira male e spia anomalia accesa ma non mi sono fidato di proseguire quindi lo porto in officina. Il giorno dopo mi dicono che la diagnosi dell'officina (Ford service) dice che valvola EGR è da cambiare e mi presentano preventivo stratosferico! (oltre 1000 euro) Rifiuto il lavoro, pago la diagnosi (60 euro) il camper si accende tranquillamente spurgo al volo il filtro del gasolio e mi avvio verso casa. Percorro 70 km senza problemi sostituisco comunque l'egr ma molti dubbi rimangono. Possibile che una valvola egr aperta faccia spegnere il motore in marcia? Perché la spia riserva lampeggiava con più di mezzo serbatoio? Potrebbe essere la pompa gasolio nel serbatoio sporca o malfunzionante? Aggiungo che 10 km prima del collasso improvviso del motore avevo fatto 20 euro di gasolio. Gasolio sporco? Il fatto è che non avendo capito il vero motivo non mi fido molto del mezzo e l'officina dove hanno diagnosticato l'egr guasta mi ha fatto una pessima impressione tanto che non gli farei riparare neanche una ruota piena di una bicicletta da bambino. Auguroni di buone feste a tutti. ...perdersi, con un grande senso dell'orientamento...
In risposta al messaggio di Mirkosway del 26/12/2025 alle 18:00:45pupi specificare BENE di che meccanica si sta parlando ?
Durante un rientro da un uiikend il mio amato camper Fiat Ducato 2.2 (Puma) si spegne improvvisamente in autostrada di notte mentre procedevo a un velocità di 70/80 km/h. Fortunatamente riesco a fermarmi in corsia di emergenzae mentre accosto noto la spia della riserva lampeggiante e la spia anomalia motore accesa. Spengo il quadro, provo a riaccendere NIENTE sembra come se fosse finito il gasolio improvvisamente. A quel punto stacco e riattacco il negativo della batteria NIENTE, stacco e riattacco lo spinotto rosso vicino la presa OBD NIENTE, tolgo pure il coperchio della pompa carburante per sentire se ronza quando accendo il quadro e sento che funziona ma il motore non si avvia, controllo il filtro gasolio nel vano motore ed è asciutto...alla fine chiamo il carro attrezzi! Dopo una mezz'oretta mentre aspettavo il carro attrezzi riprovo ad accendere e il motore si avvia ma gira male e spia anomalia accesa ma non mi sono fidato di proseguire quindi lo porto in officina. Il giorno dopo mi dicono che la diagnosi dell'officina (Ford service) dice che valvola EGR è da cambiare e mi presentano preventivo stratosferico! (oltre 1000 euro) Rifiuto il lavoro, pago la diagnosi (60 euro) il camper si accende tranquillamente spurgo al volo il filtro del gasolio e mi avvio verso casa. Percorro 70 km senza problemi sostituisco comunque l'egr ma molti dubbi rimangono. Possibile che una valvola egr aperta faccia spegnere il motore in marcia? Perché la spia riserva lampeggiava con più di mezzo serbatoio? Potrebbe essere la pompa gasolio nel serbatoio sporca o malfunzionante? Aggiungo che 10 km prima del collasso improvviso del motore avevo fatto 20 euro di gasolio. Gasolio sporco? Il fatto è che non avendo capito il vero motivo non mi fido molto del mezzo e l'officina dove hanno diagnosticato l'egr guasta mi ha fatto una pessima impressione tanto che non gli farei riparare neanche una ruota piena di una bicicletta da bambino. Auguroni di buone feste a tutti. ...perdersi, con un grande senso dell'orientamento...
In risposta al messaggio di PDR del 28/12/2025 alle 08:41:05Se è del 2007 e ha superato gli 80milakm, una controllatina compressione pistoni io la darei....trattasi del vecchio 2200 Ford.
pupi specificare BENE di che meccanica si sta parlando ? Vedo solo la cilindrata, 2.200 cc, in altro post di un motore del 2007, chiarisci bene
In risposta al messaggio di masivo del 28/12/2025 alle 09:15:01Si, ma su ducato, che non dovrebbe essere interessato dalla pistoni te, o Almenno non si è mai letto in rete di problemi di pistoni nei motori 2.2 di derivazione Ford montati su veicoli fiat
Se è del 2007 e ha superato gli 80milakm, una controllatina compressione pistoni io la darei....trattasi del vecchio 2200 Ford..
In risposta al messaggio di impiegatodelvolante del 28/12/2025 alle 09:39:37Mi ha colpito la frase che dopo averlo messo in moto, girava male, quindi una controllata per escludere la darei, anche se poi sembra abbia funzionato bene.
Si, ma su ducato, che non dovrebbe essere interessato dalla pistoni te, o Almenno non si è mai letto in rete di problemi di pistoni nei motori 2.2 di derivazione Ford montati su veicoli fiat
In risposta al messaggio di Mirkosway del 26/12/2025 alle 18:00:45Il mio Ford Transit del 2008 ha avuto un malfunzionamento identico, esattamente uguale, lampeggiavano varie spie sul cruscotto e non partiva.
Durante un rientro da un uiikend il mio amato camper Fiat Ducato 2.2 (Puma) si spegne improvvisamente in autostrada di notte mentre procedevo a un velocità di 70/80 km/h. Fortunatamente riesco a fermarmi in corsia di emergenzae mentre accosto noto la spia della riserva lampeggiante e la spia anomalia motore accesa. Spengo il quadro, provo a riaccendere NIENTE sembra come se fosse finito il gasolio improvvisamente. A quel punto stacco e riattacco il negativo della batteria NIENTE, stacco e riattacco lo spinotto rosso vicino la presa OBD NIENTE, tolgo pure il coperchio della pompa carburante per sentire se ronza quando accendo il quadro e sento che funziona ma il motore non si avvia, controllo il filtro gasolio nel vano motore ed è asciutto...alla fine chiamo il carro attrezzi! Dopo una mezz'oretta mentre aspettavo il carro attrezzi riprovo ad accendere e il motore si avvia ma gira male e spia anomalia accesa ma non mi sono fidato di proseguire quindi lo porto in officina. Il giorno dopo mi dicono che la diagnosi dell'officina (Ford service) dice che valvola EGR è da cambiare e mi presentano preventivo stratosferico! (oltre 1000 euro) Rifiuto il lavoro, pago la diagnosi (60 euro) il camper si accende tranquillamente spurgo al volo il filtro del gasolio e mi avvio verso casa. Percorro 70 km senza problemi sostituisco comunque l'egr ma molti dubbi rimangono. Possibile che una valvola egr aperta faccia spegnere il motore in marcia? Perché la spia riserva lampeggiava con più di mezzo serbatoio? Potrebbe essere la pompa gasolio nel serbatoio sporca o malfunzionante? Aggiungo che 10 km prima del collasso improvviso del motore avevo fatto 20 euro di gasolio. Gasolio sporco? Il fatto è che non avendo capito il vero motivo non mi fido molto del mezzo e l'officina dove hanno diagnosticato l'egr guasta mi ha fatto una pessima impressione tanto che non gli farei riparare neanche una ruota piena di una bicicletta da bambino. Auguroni di buone feste a tutti. ...perdersi, con un grande senso dell'orientamento...
In risposta al messaggio di Hecktor2 del 28/12/2025 alle 05:59:16Questo non lo so, quando ero fermo in autostrada ho smontato anche la plastica sotto i piedi del passeggero che nascondeva il tastone nero dell'interrutore inerziale, ma non era scattato.
non so se quel motore ha il solenoide per chiudere il gasolio quando lo spegni, se lo ha forse è quello che da problemi, se il gasolio c'era e si è spento all’improvviso, potrebbe essere che si è chiuso
In risposta al messaggio di PDR del 28/12/2025 alle 08:41:05Come ho già scritto il mezzo è un Fiat Ducato 2.2 del 2007 (motore Ford Puma) 100cv codice motore 4HV.
pupi specificare BENE di che meccanica si sta parlando ? Vedo solo la cilindrata, 2.200 cc, in altro post di un motore del 2007, chiarisci bene
In risposta al messaggio di banoyo del 28/12/2025 alle 13:21:39Il motore adesso ha 130.000 km non ha mai consumato olio e adesso gira come un orologio. Quella sera in autrostrada dopo che si è riacceso dopo una mezz'oretta sembrava ingolfato, ma dopo un minuto si è ripreso e da allora gira perfettamente. L'unica cosa che gli hanno fatto in officina è la diagnosi con l'azzeramento degli errori. Quello che è successo quella sera mi ha veramente spiazzato anche perche' il mezzo è costantemente monitorato, tagliandato, proprio per evitare queste situazioni. Il motore è il Ford ma quello con 100cv montato su Ducato, non credo (spero) abbia il famigerato problemi ai pistoni.
Il mio Ford Transit del 2008 ha avuto un malfunzionamento identico, esattamente uguale, lampeggiavano varie spie sul cruscotto e non partiva. Il problema poi di colpo spariva ma si ripresentava ogni tanto, soprattutto insituazioni di umidità alta. Alla fine era una massa nel vano motore, la vite di massa era nascosta dal materiale fonoassorbente e non si vedeva, era completamente ossidata e faceva male contatto. Una volta trovata bastava muovere i cavi a lei collegata, con motore acceso e il problema si presentava sistematicamente. Rifatto il punto di massa il problema è sparito. La diagnostica dava una serie di errori inesistenti che forviavano e basta.
In risposta al messaggio di banoyo del 28/12/2025 alle 13:21:39E' già, come ha già scritto "l'impiegato" potrebbe essere un problema di masse, contatti, ecc.
Il mio Ford Transit del 2008 ha avuto un malfunzionamento identico, esattamente uguale, lampeggiavano varie spie sul cruscotto e non partiva. Il problema poi di colpo spariva ma si ripresentava ogni tanto, soprattutto insituazioni di umidità alta. Alla fine era una massa nel vano motore, la vite di massa era nascosta dal materiale fonoassorbente e non si vedeva, era completamente ossidata e faceva male contatto. Una volta trovata bastava muovere i cavi a lei collegata, con motore acceso e il problema si presentava sistematicamente. Rifatto il punto di massa il problema è sparito. La diagnostica dava una serie di errori inesistenti che forviavano e basta.



In risposta al messaggio di Mirkosway del 28/12/2025 alle 14:34:32La mia massa mi sembra più piccola ed era in posizione più alta (più o meno la tua C003), era fissata alla carrozzeria, non era una treccia ma alcuni fili neri con capicorda ad anello, tenuti a massa da una vite. La vite era molto più ossidata della tua...la testa del bullone era completamente ruggine.
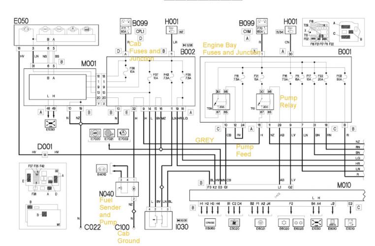
E' già, come ha già scritto l'impiegato potrebbe essere un problema di masse, contatti, ecc. Ieri mi sono studiato il loro posizionamento sul mio mezzo e oggi sono andato a controllare. Le masse sono quasi tutte ossidatealcune facili da raggiungere altre bisogna smontare. Dallo schema vedo la massa C100 che interessa l'indicatore e la pompa carburante ma sulla foto non capisco se è sotto lo scalino lato guida oppure da qualche altra parte. In foto si vedono i bulloni che fermano la treccia di rame dietro il filtro dell'aria e mi sembrano molto ossidati, prima di smontarla voglio provare a muoverla con il motore acceso.
.png)
In risposta al messaggio di Mirkosway del 26/12/2025 alle 18:00:45Oggi sono tornato al camper e ho pulito il nastro/massa principale e ho cambiato il filtro gasolio, il camper si accende subito e gira come un orologio. Mentre penso e ripenso e impreco dentro di me ripensando a quella maledetta sera che mi ha lasciato in autostrada senza capire ancora il perchè, vedo la sirena dell'antifurto...allora, so che questo tipo di antifurto ha una sua piccola batteria tampone al suo interno, ma se la batteria si scarica o è difettosa o si guasta, potrebbe far spegnere il mezzo anche se l'antifurto non è attivo?
Durante un rientro da un uiikend il mio amato camper Fiat Ducato 2.2 (Puma) si spegne improvvisamente in autostrada di notte mentre procedevo a un velocità di 70/80 km/h. Fortunatamente riesco a fermarmi in corsia di emergenzae mentre accosto noto la spia della riserva lampeggiante e la spia anomalia motore accesa. Spengo il quadro, provo a riaccendere NIENTE sembra come se fosse finito il gasolio improvvisamente. A quel punto stacco e riattacco il negativo della batteria NIENTE, stacco e riattacco lo spinotto rosso vicino la presa OBD NIENTE, tolgo pure il coperchio della pompa carburante per sentire se ronza quando accendo il quadro e sento che funziona ma il motore non si avvia, controllo il filtro gasolio nel vano motore ed è asciutto...alla fine chiamo il carro attrezzi! Dopo una mezz'oretta mentre aspettavo il carro attrezzi riprovo ad accendere e il motore si avvia ma gira male e spia anomalia accesa ma non mi sono fidato di proseguire quindi lo porto in officina. Il giorno dopo mi dicono che la diagnosi dell'officina (Ford service) dice che valvola EGR è da cambiare e mi presentano preventivo stratosferico! (oltre 1000 euro) Rifiuto il lavoro, pago la diagnosi (60 euro) il camper si accende tranquillamente spurgo al volo il filtro del gasolio e mi avvio verso casa. Percorro 70 km senza problemi sostituisco comunque l'egr ma molti dubbi rimangono. Possibile che una valvola egr aperta faccia spegnere il motore in marcia? Perché la spia riserva lampeggiava con più di mezzo serbatoio? Potrebbe essere la pompa gasolio nel serbatoio sporca o malfunzionante? Aggiungo che 10 km prima del collasso improvviso del motore avevo fatto 20 euro di gasolio. Gasolio sporco? Il fatto è che non avendo capito il vero motivo non mi fido molto del mezzo e l'officina dove hanno diagnosticato l'egr guasta mi ha fatto una pessima impressione tanto che non gli farei riparare neanche una ruota piena di una bicicletta da bambino. Auguroni di buone feste a tutti. ...perdersi, con un grande senso dell'orientamento...
.jpg)
In risposta al messaggio di Mirkosway del 26/12/2025 alle 22:15:58Il nastro/massa era in questa condizione e per smontarla non e' stato per niente semplice perché i bulloni erano stretti a morte, praticamente saldati! Comunque ho smontato la treccia l'ho pulita spazzolata e l'ho rimontata. Secondo me non aveva problemi anche se i bulloni si presentano male, inoltre prima di smontarla con il veicolo in moto ho provato a muoverla con forza, nessun cambiamento, il motore un orologio.
E' già, il problema MASSE l'avevo sottovalutato, adesso mi studio un po' il loro posizionamento su Ducato x250 del 2007.
