CamperOnLine
  • Camper
    • Camper usati
    • Camper nuovi
    • Produttori
    • Listino
    • Cataloghi
    • Concessionari e rete vendita
    • Noleggio
    • Van
    • Caravan
    • Fiere
    • Rimessaggi
    • Le prove di CamperOnLine
    • Provati da voi
    • Primo acquisto
    • Area professionisti
  • Accessori
    • Accessori e Prodotti
    • Camping Sport Magenta accessori
    • Produttori
    • Antenne TV
    • Ammortizzatori
    • GPS
    • Pneumatici
    • Rimorchi
    • Provati da Voi
    • Fai da te
  • Viaggi
    • Diari di viaggi in camper
    • Eventi
    • Foto
    • Check list
    • Traghetti
    • Trasporti
  • Sosta
    • Cerca Strutture
    • Sosta
    • Aree sosta camper
    • Campeggi
    • Agriturismi con sosta camper
    • App Camperonline App
    • 10 Consigli utili per la sosta
    • Area strutture
  • Forum
    • Tutti i Forum
    • Sosta
    • Gruppi
    • Compagni
    • Italia
    • Estero
    • Marchi
    • Meccanica
    • Cellula
    • Accessori
    • Eventi
    • Leggi
    • Comportamenti
    • Disabili
    • In camper per
    • Altro Camper
    • Altro
    • Extra
    • FAQ
    • Regolamento
    • Attivi
    • Preferiti
    • Cerca
  • Community
    • COL
    • CamperOnFest
    • Convenzioni Convenzioni
    • Amici
    • Furti
    • Informativa Privacy
    • Lavoro
  • COL
    • News
    • Newsletter
    • Pubblicità
    • Contatto
    • Ora
    • RSS RSS
    • Video
    • Facebook
    • Instagram
  • Magazine
  • Italiano
    • Bienvenue
    • Welcome
    • Willkommen
  • Accedi
CamperOnLine
Camping Sport Magenta
  1. Fai da te
  2. Illuminazione

Doppia accensione luce in bagno

EsterniChiusureInterniIlluminazioneElettricitàRiscaldamentoClimatizzazioneIdraulicaAntenneMeccanica
david67 | 16/03/2019 | Illuminazione | 5 | 7070 | 0

Buongiorno
una delle cose che mal sopportavo del mio camper (Laika Rexosline 650) era l'illuminazione del bagno, che poteva essere comandata solo dall'esterno.
Di serie c'è un interruttore che rimane contro verso rispetto al senso di apertura della porta del vano toilette, risultando molto scomodo all'utilizzo.
Schematizziamo il collegamento elettrico di serie:
schemeit%2Dproject%20(1).png
Dove BT2 è l'alimentazione della BS, S3 è l'interruttore che comanda l'accensione e lo spegnimento delle lampade L2.

Ho quindi pensato come risolvere il problema iniziando ad aprire la scatola elettrica contenente l'interruttore del bagno:

20190316_112423%20(1).jpg
Ho sostituito l'interruttore originale con un deviatore della stessa serie (AVE 45).
Nel bagno (subito dietro alla parete dove si trova l'interruttore) ho praticato un foro nel mobile del lavabo ed inserito un altro deviatore:

20190316_120437.jpg

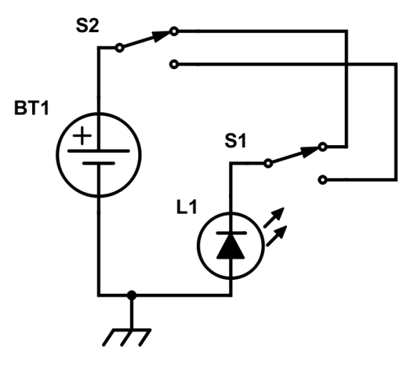
Ho poi fatto passare i tre cavi per il collegamento elettrico e fissato tutto secondo questo schema:
schemeit%2Dproject.png
BT1 rappresenta l'alimentazione a 12V della BS, S1 ed S2 i due deviatori che comandano le lampade del bagno (L1).

Ho quindi richiuso la scatola 504 e fissato il deviatore sul mobile che ora si presenta così:

20190316_120443.jpg
Adesso, finalmente, posso accendere e spegnere la luce del bagno sia da dentro che da fuori il vano toilette.

Tempo necessario per la modifica circa 1 ora, con un costo di circa 15 Euro equamente diviso tra i due deviatori.
I 3 spezzoni di cavo sono stati recuperati. Non è stato necessario introdurre fusibili perchè non ho modificato assorbimento e carico dell'impianto.

DISCLAIMER: Questo non è un tutorial e diffido chiunque non abbia le necessarie cognizioni di elettrotecnica ad effettuare questa modifica, declinando al contempo qualsiasi responsabilità per danni a cose o persone dovessero derivare da operazioni similari a quella illustrata.
David



 

Commenti

Fai il Login per commentare.
franco49tn
franco49tn
franco49tn ha commentato: 29/09/2023 20:39
Per completare la illuminazione, che reputo "eccessiva" di notte, ho installato due striscie di led una SOTTO il lavandino e altra sotto lo specchio e interruttore dove è stato messo quello "bianco": se entro ed è buio accendo i led e poche volte uso le lampade di serie.
david67
david67
david67 ha commentato: 17/07/2020 17:49
Ciao Camaleonte, non pensare che non lo abbia cercato, l'interruttore nero, ma non sono riuscito a reperirlo.
ilcamaleonte
ilcamaleonte
ilcamaleonte ha commentato: 14/05/2020 13:14
Intervento utile e ben realizzato. Premesso che non so se esista in commercio… l'unica cosa che avrei fatto diversamente, sarebbe stata l'impiego di un interruttore scuro (simile a quelli che hai di serie), esteticamente più in linea col mezzo. Ma si tratta di un dettaglio ;-)
david67
david67
david67 ha commentato: 19/06/2019 11:07
Ciao Alexbio, effettivamente la possibilità che l'interruttore venga a contatto con acqua è piuttosto remota. Il collegamento interno è in zona protetta, con una conchiglia in plastica che avvolge i connettori. L'interruttore si trova molto al di sopra dal piano di calpestio e solamente l'acqua di scolo dal lavandino potrebbe interessarlo, ma la conformazione del lavabo fa si che la goccia non coli lungo il mobile. In più, come hai correttamente osservato parliamo di bassa tensione...
alexbio
alexbio
alexbio ha commentato: 04/05/2019 15:32
Riguardo alle luci in zone vicine all'acqua ci sono delle norme riguardo alla distanza tra interruttori e rubinetti. La Laika molto probabilmente ha preferito rispettare tali norme per l'edilizia civile. In realtà l'impianto è in bassa tensione (12V) e non vedo problemi di sicurezza a fare come hai fatto tu.
Diari recenti
Polonia, Germania
Alla scoperta della Polonia, in camper
Alla scoperta della Polonia, in camper
Visite
230
Pubblicato
05/05/2026
Francia, Spagna
Pirenei Verdon in camper - settembre 2023
Pirenei Verdon in camper - settembre 2023
Visite
380
Pubblicato
29/04/2026
Francia
Normandia in camper: là dove la Natura si fonde con la Storia
Normandia in camper: là dove la Natura si fonde con la Storia
Visite
799
Pubblicato
23/04/2026
2
168k Facebook
343k Instagram
42,6k TikTok
73,6K Youtube
CamperOnLine - Copyright © 1998-2026 - P.Iva 06953990014
Informativa privacy
Loading...

Accedi

Recupera Password
Nuovo utente

Sottoscrizione

Anteprima

PREFERENZA

Il messaggio è in fase di inserimento.

loading

CamperOnLine

Buongiorno gentile utente,

da oltre 20 anni Camperonline offre gratuitamente tutti i suoi servizi
grazie agli inserzionisti che ci hanno dato la loro fiducia, permettici di continuare il nostro lavoro disattivando il blocco delle pubblicità.

Grazie della collaborazione.

Azione eseguita con successo

Azione Fallita

Condividi

Condividi questa pagina con:

O copia il link