CamperOnLine
  • Camper
    • Camper usati
    • Camper nuovi
    • Produttori
    • Listino
    • Cataloghi
    • Concessionari e rete vendita
    • Noleggio
    • Van
    • Caravan
    • Fiere
    • Rimessaggi
    • Le prove di CamperOnLine
    • Provati da voi
    • Primo acquisto
    • Area professionisti
  • Accessori
    • Accessori e Prodotti
    • Camping Sport Magenta accessori
    • Produttori
    • Antenne TV
    • Ammortizzatori
    • GPS
    • Pneumatici
    • Rimorchi
    • Provati da Voi
    • Fai da te
  • Viaggi
    • Diari di viaggi in camper
    • Eventi
    • Foto
    • Check list
    • Traghetti
    • Trasporti
  • Sosta
    • Cerca Strutture
    • Sosta
    • Aree sosta camper
    • Campeggi
    • Agriturismi con sosta camper
    • App Camperonline App
    • 10 Consigli utili per la sosta
    • Area strutture
  • Forum
    • Tutti i Forum
    • Sosta
    • Gruppi
    • Compagni
    • Italia
    • Estero
    • Marchi
    • Meccanica
    • Cellula
    • Accessori
    • Eventi
    • Leggi
    • Comportamenti
    • Disabili
    • In camper per
    • Altro Camper
    • Altro
    • Extra
    • FAQ
    • Regolamento
    • Attivi
    • Preferiti
    • Cerca
  • Community
    • COL
    • CamperOnFest
    • Convenzioni Convenzioni
    • Amici
    • Furti
    • Informativa Privacy
    • Lavoro
  • COL
    • News
    • Newsletter
    • Pubblicità
    • Contatto
    • Ora
    • RSS RSS
    • Video
    • Facebook
    • Instagram
  • Magazine
  • Italiano
    • Bienvenue
    • Welcome
    • Willkommen
  • Accedi
CamperOnLine
Camping Sport Magenta
  1. Fai da te
  2. Elettricità

Idee per il fai da te sul vostro camper

Lavoro
Per gli appassionati del 'fai da te', il vostro camper o veicolo ricreazionale offre infinite possibilità di cimentarsi in ottimizzazioni, migliorie e soluzioni 'uniche'.
EsterniChiusureInterniIlluminazioneElettricitàRiscaldamentoClimatizzazioneIdraulicaAntenneMeccanica
1 25 97
Ordina per
Prese USB
181 0
Prese USB
Sezione
Elettricità
Ho realizzato numero 4 prese USB, ormai indispensabili per le ricariche degli apparati elettrici/telefonici, collocandole dove servono. ...
Marko0615 Pubblicato il 02/03/2026
 Approfondisci
Un semplice Tester per la 12 Volt
162 0
Un semplice Tester per la 12 Volt
Sezione
Elettricità
Non tutti hanno un multimetro in camper e la maggior parte delle volte è sufficiente una lampadina. Quello che propongo è un oggetto banale e facile da realizzare, e da tenere nella ...
SoloDino Pubblicato il 18/12/2025
 Approfondisci
Finestra elettrica mansarda in fai da te
4718 2
Video
Finestra elettrica mansarda in fai da te
Sezione
Elettricità
Salve a tutti, in questo filmato vi propongo la possibilità in fai da te di elettrificare la vostra finestra della mansarda. Un ringraziamento a CamperOnLine che ci agevola nella ...
Leuchess Pubblicato il 09/10/2023
 Approfondisci
Circuito di Priorità - 220V esterna ed inverter
26658 5
Circuito di Priorità - 220V esterna ed inverter
Sezione
Elettricità
Ciao a tutti! Ho da poco acquistato un Elnagh Big Marlin del 2003 ed ho subito deciso di mettere mani all'impianto elettrico. Non vi racconto tutto quello che ho fatto (sarà oggetto di ...
Rack72 Pubblicato il 12/05/2022
 Approfondisci
Temporizzare la ricarica batteria router 'saponetta'
9085 1
Temporizzare la ricarica batteria router 'saponetta'
Sezione
Elettricità
Siccome le precauzioni contro le intrusioni non sono mai abbastanza, ho pensato di installare una telecamerina per la videosorveglianza all'interno del mio VanTourer. Questa, dovendo scaricare le
Doid Pubblicato il 13/01/2022
 Approfondisci
Victronenergy Smarhunt - Un monitoraggio reale.
8200 5
Victronenergy Smarhunt - Un monitoraggio reale.
Sezione
Elettricità
Buongiorno, presento il piccolo lavoro di installazione del VictronEnergy Smartshuunt da 500A. E l'oggetto in sé. Materiale : -victronenergy smartshunt -cavo nero da 25mmq -2 cavetti ...
Hunter85 Pubblicato il 02/06/2021
 Approfondisci
Guida sulle batterie al Pb Acido
20142 9
Guida sulle batterie al Pb Acido
Sezione
Elettricità
LE BATTERIE AL PIOMBO ACIDO NEL CAMPER Buongiorno, ho voluto scrivere questo articolo contenente le conoscenze che ho acquisito in 3 anni di vita in camper, letture di ricerche universitarie, ...
Hunter85 Pubblicato il 18/05/2021
 Approfondisci
Leggere la tensione delle batterie da casa
9635 5
Leggere la tensione delle batterie da casa
Sezione
Elettricità
Dopo questi lunghi periodi in cui non è stato possibile prendere il nostro camper ho trovato diverse volte la batteria a terra. Se le zone Rosse ci avessero permesso di andare a verificare ...
Francescofcf Pubblicato il 28/04/2021
 Approfondisci
Antifurto perimetrale esterno domotico
8246 4
Video
Antifurto perimetrale esterno domotico
Sezione
Elettricità
Salve, in questo video mostro la possibilità di fare un antifurto domotico - per camper e non solo - con notifica al cellulare in caso di violazione. Un ringraziamento va a CamperOnLine.it .
Leuchess Pubblicato il 22/11/2020
 Approfondisci
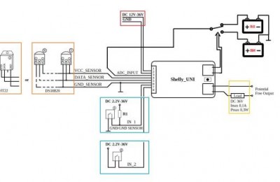
Come utilizzare Shelly 1 in camper
8293 0
Video
Come utilizzare Shelly 1 in camper
Sezione
Elettricità
Salve, in questo video mostro come è possibile utilizzare Shelly 1 12v nel nostro camper. Buona visione e un ringraziamento a CamperOnLine per la.condivisione di lavori in fai da te. ...
Leuchess Pubblicato il 12/11/2020
 Approfondisci
Riparazione frigorifero a compressore Indel B
5771 0
Video
Riparazione frigorifero a compressore Indel B
Sezione
Elettricità
Ecco come ho riparato il mio frigo a compressore. ...
Beppe84 Pubblicato il 27/08/2020
 Approfondisci
Automatizzare scarico serbatoio acque grigie
10596 1
Video
Automatizzare scarico serbatoio acque grigie
Sezione
Elettricità
Salve a tutti, in questo video vi mostro come ho automatizzato lo scarico del serbatoio delle acque grigie. Un ringraziamento a CamperOnLine che da la possibilità di condividere i lavori fai
Leuchess Pubblicato il 24/06/2020
 Approfondisci
Prevenire intrusioni nel camper
9775 2
Video
Prevenire intrusioni nel camper
Sezione
Elettricità
Salve, in questo lavoro "fai da te" mostro una possibile soluzione per prevenire un'intrusione all'interno del camper: Ringrazio CamperOnLine.it che mi da la possibilità di
Leuchess Pubblicato il 24/05/2020
 Approfondisci
Turbovent domotica
4201 2
Video
Turbovent domotica
Sezione
Elettricità
Salve, in questo video mostrerò come gestire la turbovent Fiamma con applicazione o comando vocale: Un ringraziamento a Camperonline.it che mi dà modo di condividere i miei lavori fai
Leuchess Pubblicato il 16/05/2020
 Approfondisci
Domotica in camper
6382 1
Video
Domotica in  camper
Sezione
Elettricità
Domotica in camper fai da te: ecco cosa si può fare con poche decine di euro.Grazie a CamperOnLine che dà modo di condividere i propri lavori fai da te! ...
Leuchess Pubblicato il 28/04/2020
 Approfondisci
Dash-Cam fronte e retro
6052 2
Dash-Cam fronte e retro
Sezione
Elettricità
Ho scoperto l'esistenza di un monitor-specchietto che regista su mini-sd sia le immagini della propria videocamera integrata che quelle provenienti dalla retrocamera. ...
LordPirata Pubblicato il 20/04/2020
 Approfondisci
Telecamera su scarico acque grigie Burstner 532-2
6154 1
Telecamera su scarico acque grigie Burstner 532-2
Sezione
Elettricità
Dopo aven installato la elettrovalvola di scarico delle acque grigie, ho completato il lavoro con il montaggio di una videocamera che mi permette di vedere se mi sono posizionato sopra la griglia di .
LordPirata Pubblicato il 20/04/2020
 Approfondisci
Presa USB al posto dell'accendisigari in plancia
9099 1
Presa USB al posto dell'accendisigari in plancia
Sezione
Elettricità
Il mio Ducato 230 2,8 JTD, come tutti i camper, ha una presa accendi-sigari sul cruscotto. L'accendi-sigari è una presa di corrente veramente poco seria ed ho quindi deciso di sostituirla .
LordPirata Pubblicato il 20/04/2020
 Approfondisci
Ciabatta 220 + Voltmetro
4785 1
Ciabatta 220 + Voltmetro
Sezione
Elettricità
Ho l'esigenza di avere una presa di corrente tra la cabina e la cellula: ho quindi collegato una ciabattina multiresa ITA-Schuko al quadro generale del mio Burstner 532-2 Active. Visto che ho .
LordPirata Pubblicato il 20/04/2020
 Approfondisci
CB + Antenna su Burstner 532-2 Active
3536 1
CB + Antenna su Burstner 532-2 Active
Sezione
Elettricità
Il mio Burstner 532-2 Active ha un tetto in vetroresina e quindi, per utilizzare il CB, ho dovuto creare un piano di massa per l'antenna. Fondamentalmente, collegando come in foto 4 fili di rame
LordPirata Pubblicato il 20/04/2020
 Approfondisci
Bose Acoustimass 3 in cabina Ducato 230
5325 3
Bose Acoustimass 3 in cabina Ducato 230
Sezione
Elettricità
A bordo del mio Burstner 532-2 Active motorizzato Fiat Ducato 230 2,8 JTD ho deciso di installare le Bose Acoustimass 3. Faccio spesso lunghi viaggi ed ammetto che mi piace ascoltare la musica ad ...
LordPirata Pubblicato il 20/04/2020
 Approfondisci
Presa dedicata per il phon
5468 2
Presa dedicata per il phon
Sezione
Elettricità
Avendo moglie e figlia con i capelli lunghi e facendo spesso uscite in inverno ed in libera, ho dovuto risolvere un problema che si trascinava da anni. Ho montato una presa 12v dedicata solo al ...
LordPirata Pubblicato il 20/04/2020
 Approfondisci
Elettrocalamita per chiusura porta frigorifero
5378 5
Elettrocalamita per chiusura porta frigorifero
Sezione
Elettricità
Stanco di spargere formaggi e salumi perché dimentico di chiudere la sicura del frigo, ho installato la seguente elettrocalamita da 12v: ppx_yo_dt_b_asin_title_o04_s00?ie=UTF8&psc=1 ...
LordPirata Pubblicato il 19/04/2020
 Approfondisci
Gradino ad apertura automatica
5276 1
Gradino ad apertura automatica
Sezione
Elettricità
A camper spento si può decidere di far salire e scendere il gradino in automatico ed in sincrono con l’apertura e la chiusura della porta. Apertura porta > discesa gradino Chiusura ...
LordPirata Pubblicato il 19/04/2020
 Approfondisci
Ventole per radiatore frigo
5285 2
Ventole per radiatore frigo
Sezione
Elettricità
Come molti amici camperisti, ho risolto il problema del raffreddamento del radiatore del frigo installando due ventole da elettronica nelle vicinanze delle griglie di areazione. Essendo situate nella
LordPirata Pubblicato il 19/04/2020
 Approfondisci
Gli altri 170 lavori inviati a COL prima dell'Ottobre 2008
EsterniChiusureInterniIlluminazioneElettricitàRiscaldamentoClimatizzazioneIdraulicaAntenneMeccanica
Diari recenti
Francia, Spagna
Pirenei Verdon in camper - settembre 2023
Pirenei Verdon in camper - settembre 2023
Visite
113
Pubblicato
29/04/2026
Francia
Normandia in camper: là dove la Natura si fonde con la Storia
Normandia in camper: là dove la Natura si fonde con la Storia
Visite
543
Pubblicato
23/04/2026
Italia, Francia
Pasqua in Costa Azzurra in camper
Pasqua in Costa Azzurra in camper
Visite
506
Pubblicato
20/04/2026
2
168k Facebook
343k Instagram
42,6k TikTok
73,6K Youtube
CamperOnLine - Copyright © 1998-2026 - P.Iva 06953990014
Informativa privacy
Loading...

Accedi

Recupera Password
Nuovo utente

Sottoscrizione

Anteprima

PREFERENZA

Il messaggio è in fase di inserimento.

loading

CamperOnLine

Buongiorno gentile utente,

da oltre 20 anni Camperonline offre gratuitamente tutti i suoi servizi
grazie agli inserzionisti che ci hanno dato la loro fiducia, permettici di continuare il nostro lavoro disattivando il blocco delle pubblicità.

Grazie della collaborazione.

Azione eseguita con successo

Azione Fallita

Condividi

Condividi questa pagina con:

O copia il link