CamperOnLine
  • Camper
    • Camper usati
    • Camper nuovi
    • Produttori
    • Listino
    • Cataloghi
    • Concessionari e rete vendita
    • Noleggio
    • Van
    • Caravan
    • Fiere
    • Rimessaggi
    • Le prove di CamperOnLine
    • Provati da voi
    • Primo acquisto
    • Area professionisti
  • Accessori
    • Accessori e Prodotti
    • Camping Sport Magenta accessori
    • Produttori
    • Antenne TV
    • Ammortizzatori
    • GPS
    • Pneumatici
    • Rimorchi
    • Provati da Voi
    • Fai da te
  • Viaggi
    • Diari di viaggi in camper
    • Eventi
    • Foto
    • Check list
    • Traghetti
    • Trasporti
  • Sosta
    • Cerca Strutture
    • Sosta
    • Aree sosta camper
    • Campeggi
    • Agriturismi con sosta camper
    • App Camperonline App
    • 10 Consigli utili per la sosta
    • Area strutture
  • Forum
    • Tutti i Forum
    • Sosta
    • Gruppi
    • Compagni
    • Italia
    • Estero
    • Marchi
    • Meccanica
    • Cellula
    • Accessori
    • Eventi
    • Leggi
    • Comportamenti
    • Disabili
    • In camper per
    • Altro Camper
    • Altro
    • Extra
    • FAQ
    • Regolamento
    • Attivi
    • Preferiti
    • Cerca
  • Community
    • COL
    • CamperOnFest
    • Convenzioni Convenzioni
    • Amici
    • Furti
    • Informativa Privacy
    • Lavoro
  • COL
    • News
    • Newsletter
    • Pubblicità
    • Contatto
    • Ora
    • RSS RSS
    • Video
    • Facebook
    • Instagram
  • Magazine
  • Italiano
    • Bienvenue
    • Welcome
    • Willkommen
  • Accedi
CamperOnLine
Camping Sport Magenta
  1. Fai da te
  2. Riscaldamento

Webasto su impianti Truma

EsterniChiusureInterniIlluminazioneElettricitàRiscaldamentoClimatizzazioneIdraulicaAntenneMeccanica
brubru | 01/11/2011 | Riscaldamento | 5 | 24723 | 2

Da alcuni mesi, in considerazione degli innumerevoli vantaggi offerti dai riscaldatori a gasolio, meditavo di integrare/sostituire il mio sistema di riscaldamento (un ottima Truma combi).


Vi riporto, nella speranza che ti possa essere utile, la mia esperienza.




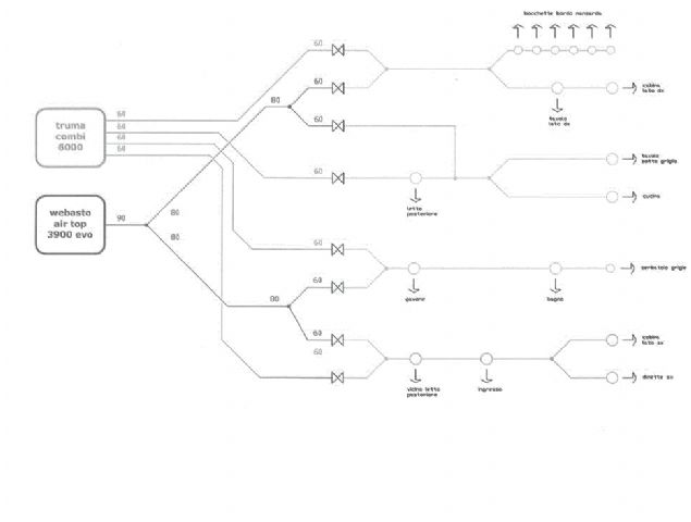
In prima analisi ho valutato l’opportunità di sostituire l’attuale generatore termico con altro tipo Truma a gasolio o un Dual top Webasto che producono anche l’acqua calda sanitaria, purtroppo il trapianto nel mio caso è quasi impossibile. La Truma a gasolio non è compatibile a livello dimensionale con il vano della Truma a gas, il Webasto Dual Top dovrebbe necessariamente essere collocato all’esterno ma anche in quel caso problemi dimensionali mi hanno fatto desistere. In seconda analisi l’integrazione con un sistema tipo Webasto Air Top o Eberpacher mi sembrava offrire migliori opportunità. La prima di ordine economico, investo del denaro per aggiungere un ulteriore riscaldamento e non per sostituire uno perfettamente funzionante garantendo di fatto un doppio riscaldamento. La seconda dettata da una minore complessità tecnica a favore di una più facile attuazione dell’idea. Abbandonato definitivamente l’opportunità della sostituzione in favore della integrazione, mi sono presentate nuove problematiche, nella fattispecie due (peraltro correlate) potenza del dispositivo, canalizzazione. Per quanto concerne la potenza, oltre a valutare le dimensioni del veicolo, occorre definire la destinazione del dispositivo integrativo, ovvero acceso a sostegno del riscaldamento di serie (tipo webasto 2000 o D2) o acceso con l’opportunità di tenere spento il riscaldamento di serie(tipo webasto 3500=3900 o D4). Comprenderete come in base a queste ultima scelta la secondo problematica ovvero la canalizzazione diventa un scelta in subordine ovvero se utilizzi un sistema acceso contemporaneamente come un webasto 2000 o D2 devi necessariamente realizzare una canalizzazione separata, se invece utilizzi un webasto 3500=3900 o D4 puoi ovviamente realizzare lo stesso una canalizzazione separata ma vista l’opportunista offerta della potenza in gioco puoi spegnere la truma a gas e riutilizzare la distribuzione esistente.

Apro ora un piccola parentesi, si è discusso in queste pagine spesso sulla possibilità di utilizzare in sicurezza i preesistenti tubi dalla canalizzazione Truma, credetemi ha letto veramente di tutto e il contrario di tutto poi sono andato sul sito della Webasto (direi voce autorevole) http://camper.webasto.it/assist... e alla risposta al quesito 16 ho trovato quello che cercavo. Non pago ho personalmente testato la temperatura in uscita della mia Truma c6002 a gas e di un Webasto Ait Top 3900 di un amico (104 c° la prima 98 c° il secondo) rilievi fatti all’uscita dei dispositivi dopo 30 minuti alla massima potenza. Ho pertanto finalizzato istallando un Webasto Air Top 3900 (non ho scelto un Eberpacher D4 perchè il mio fornitore non lo aveva) nella canalizzazione della Truma intercettando le quattro uscite dalla stufa a gas mediante, quattro valvole a cordicella sempre di produzione Truma ovviamente ho fatto la stessa cosa (altre quattro valvole) sulle linee diametro 60 mm del webasto (uscita webasto diametro 90 mm suddiviso in due sottolinee da 80 mm suddivise a loro volta in quattro da 60 mm) ho poi unito le quattro linee dorsali dei due generatori con dei raccordi a Y immettendo il tutto nell’impianto preesistente. Il tutto funziona perfettamente con non pochi vantaggi, distribuisce l’aria in tutte le linee preesistenti garantendo una ottimo equilibrio termico e impedendo ali impianti di ghiacciare, posso parzializzare l’impianto facendo funzionare una parte a mia scelta con un sistema e la rimanete con l’altro, garantisce la ridondanza del riscaldamento in caso di guasto di uno dei due. Tengo a precisare che questo non vuole essere ne un consiglio ne vuol essere lo spunto a realizzare un impianto in tale modalità. Ogni situazione va valutata di volta in volta verificando, spazi, percorsi degli impianti esistenti, e non è detto che quanto da me realizzato possa essere riprodotto su altri camper con diversa disposizione.  Detta modifica ha di fatto invalidato la garanzia del produttore del VR nonché può avere delle potenziali problematiche di sicurezza, fate molta attenzione caso mai decidessi per attuare in toto o solo parzialmente te quanto da me realizzato.

  • Schema impianto
  • 1
  • 2
  • 3
  • 4

Commenti

Fai il Login per commentare.
Aea7
Aea7
Aea7 ha commentato: 29/01/2021 20:29
Ciao abbiate pazienza ho preso un camper del 1990 con 4 proprietari e l'affare l'ha fatto chi me l'ha venduto... Però sono anche motivato a metterlo a posto, almeno il sufficiente... La stufa non andava e ho optato per il cinebasto e volevo installarlo proprio dove c'era la stufa, visto che c'è già il buco nella tappezzeria... Ho comprato quello da 5kw ma già preassemblato e ha bisogno solo di essere fissato con le 4 viti e allacciato alla corrente (ovviamente facendo passare il tubo di scarico e quello del filtro esternamente). Le mie domande sono (se potete e volete rispondermi): - posso collegare i cavi elettrici della ventilazione della Truma (inutilizzata) che vengono dalla centralina Truma (marrone e blu) come accensione per il cinebasto? - o devo per forza attaccarlo alla batteria servizi? - come cavi il cinebasto ha i soliti nero e rosso, ma scusate l'ignoranza, ma si possono collegare alla fase e al neutro?
Abarth500
Abarth500
Abarth500 ha commentato: 28/05/2019 7:48
Sulla base di quanto descritto da brubru, mi sono recato da un noto installatore di Magenta, e dopo un consulto col capo officina ed aver appreso che anche secondo loro problemi di temperature non sussistono tra i 2 marchi, ed dopo aver fatto uno studio di fattibilità per quel che concerne il passaggio dei tubi, sono riusciti a collegarmi alle 2 uscite della Truma la mega uscita da 90mm del Webasto. Per poter sfruttare anche in caso di emergenza la Truma, mi basterà scollegare 2 fascette circolari in inox, e ricollegarle alla Truma. In emergenza, nel caso capitasse di notte, e qui penso che nessuno si metta a fare un lavoretto del genere anche se abbastanza semplice, sono state aggiunte all’uscita della Truma 2 bocchette vicino alla zona notte, in modo da avere i 2 sistemi gestibili in autonomia e sempre attivabili. Questo per il mio caso, penso sia stato il miglior compromesso possibile. Ora bisogna attendere solo il prossimo inverno per vedere se il tutto renderà al meglio come da aspettativa. Ciao e buoni Km a tutti!
paoloditr
paoloditr
paoloditr ha commentato: 20/03/2018 21:37
Ciao, com'è fatto questo silenziatore? Perché ho un surrogato del Webasto Air Top 5,5 kw e la ventola di aspirazione è effettivamente rumorosa come l'originale... Grazie.
eliogiro 65
eliogiro 65
eliogiro 65 ha commentato: 20/01/2017 16:15
Ciao, è un pò che volevo fare una cosa del genere, ma ho scritto alla Webasto e me l'hanno sconsigliato in quanto secondo loro esce aria a 120 gradi, quindi troppo calda per le tubazioni Truma. Tu cosa mi dici, a distanza di tempo hai avuto problemi o è andato tutto liscio? Grazie, ciao
selvagepla
selvagepla
selvagepla ha commentato: 03/12/2015 20:47
Spettacolo di impianto, hai eseguito un opera d'arte. Io ho fatto installare un Webasto Air Top 3900 su impianto Truma Combi 4 utilizzando le sue tubature: quando funziona il Webasto mi scalda anche l'acqua all'interno della Truma, in seguito ho modificato un pò il collegamento di mandata dal Webasto mettendo una valvola di non ritorno in modo tale che usando la Truma il calore non scenda inutilmente nel Webasto se spento, e ho costruito e installato un silenziatore che ho inserito in aspirazione sul Webasto. Tutto funziona egregiamente, peccato per il consumo di corrente del Webasto, superiore alla Truma.
Argomenti recenti dal forum
Meccanica
Lesjöfors 4026198 - problema su dossi
Ciao a tutti, ho un van su base jumper del 2009 6m con singola balestra a pacco, ho rinfor...
cescopag
Oggi alle 14:09
Accessori
batteria piezo elettrico
Buongiorno dovrei sostituire la batteria del piezo elettrico del frigo waeco (dolomatic) 6...
Atosmenta
Oggi alle 09:10
Cellula abitativa
Rinnovo lavabo bagno Burstner
Ciao a tutti, dopo 13 anni il lavabo del mio Burstner Travel Van era ingiallito e brutto d...
Wibos
Ieri alle: 23:37
Accessori
Batterie agm di buona qualità
Buongiorno a tutti. Ho un problema con le batterie servizi, due magneti marelli start and ...
Scorpio89x
Ieri alle: 04:52
Accessori
Dcdc victron Shunt victron
Buona sera a tutti, volevo chiedervi una curiosità, A motore acceso il mio dc dc victron ...
fabriroma69
21/03/26 - 19:43
Marchi
Un parere su Fleurette Migratour 73LJ
Ragazzi gentilmente mi date un vostro parere su questo marchio poco conosciuto in Italia C...
icaro2002
21/03/26 - 18:15
Accessori
Porta bici per Rimor Europeo 72
Salve mi sapete consigliare un porta bici per il Rimor Europeo 72 del 1999 su fiat ducato ...
alex01
21/03/26 - 14:02
Meccanica
Manuale riparazione sofim 35.8
buon giorno a tutti.. sn in procinto di rifare motore sofim 8140.07 ad ijieziine diretta, ...
luciohd
21/03/26 - 12:50
Aree di sosta e campeggi
Lago di Resia
Buongiorno sapete indicarmi dove sostare per visitare lago Di Resia con annesso il famoso ...
Arcasuper640
21/03/26 - 10:34
Cellula abitativa
Camper nuovi con serbatoio nere nautico
Un saluto a tutti, sul mio attuale arca è installato un sistema speedy con serbatoio nauti...
riccardo23
20/03/26 - 17:42
Accessori
Trasferire molti ah da BS a BM
Una volta sono rimasto senza alternatore a circa due ore da casa era, era un fine settiman...
gianninotopo
20/03/26 - 13:22
Cellula abitativa
pulizia oblo bagno impossibile
Buongiorno a tutti, ho un Hymer Camp GT544 mansardato del 2005. Il bagno ha un oblò grande...
Ceschi1984
20/03/26 - 11:53
Diari recenti
Italia, Francia, Spagna
Asturia, Cantabria e Paesi Baschi in camper
Asturia, Cantabria e Paesi Baschi in camper
Visite
452
Pubblicato
13/03/2026
Svezia
Sala Silvergruva, la miniera d'argento in camper
Sala Silvergruva, la miniera d'argento in camper
Visite
321
Pubblicato
12/03/2026
Italia
Folgaria d’inverno in camper
Folgaria d’inverno in camper
Visite
508
Pubblicato
09/03/2026
2
167k Facebook
343k Instagram
42,6k TikTok
73,3k Youtube
CamperOnLine - Copyright © 1998-2026 - P.Iva 06953990014
Informativa privacy
Loading...

Accedi

Recupera Password
Nuovo utente

Sottoscrizione

Anteprima

PREFERENZA

Il messaggio è in fase di inserimento.

loading

CamperOnLine

Buongiorno gentile utente,

da oltre 20 anni Camperonline offre gratuitamente tutti i suoi servizi
grazie agli inserzionisti che ci hanno dato la loro fiducia, permettici di continuare il nostro lavoro disattivando il blocco delle pubblicità.

Grazie della collaborazione.

Azione eseguita con successo

Azione Fallita

Condividi

Condividi questa pagina con:

O copia il link