CamperOnLine
  • Camper
    • Camper usati
    • Camper nuovi
    • Produttori
    • Listino
    • Cataloghi
    • Concessionari e rete vendita
    • Noleggio
    • Van
    • Caravan
    • Fiere
    • Rimessaggi
    • Le prove di CamperOnLine
    • Provati da voi
    • Primo acquisto
    • Area professionisti
  • Accessori
    • Accessori e Prodotti
    • Camping Sport Magenta accessori
    • Produttori
    • Antenne TV
    • Ammortizzatori
    • GPS
    • Pneumatici
    • Rimorchi
    • Provati da Voi
    • Fai da te
  • Viaggi
    • Diari di viaggi in camper
    • Eventi
    • Foto
    • Check list
    • Traghetti
    • Trasporti
  • Sosta
    • Cerca Strutture
    • Sosta
    • Aree sosta camper
    • Campeggi
    • Agriturismi con sosta camper
    • App Camperonline App
    • 10 Consigli utili per la sosta
    • Area strutture
  • Forum
    • Tutti i Forum
    • Sosta
    • Gruppi
    • Compagni
    • Italia
    • Estero
    • Marchi
    • Meccanica
    • Cellula
    • Accessori
    • Eventi
    • Leggi
    • Comportamenti
    • Disabili
    • In camper per
    • Altro Camper
    • Altro
    • Extra
    • FAQ
    • Regolamento
    • Attivi
    • Preferiti
    • Cerca
  • Community
    • COL
    • CamperOnFest
    • Convenzioni Convenzioni
    • Amici
    • Furti
    • Informativa Privacy
    • Lavoro
  • COL
    • News
    • Newsletter
    • Pubblicità
    • Contatto
    • Ora
    • RSS RSS
    • Video
    • Facebook
    • Instagram
  • Magazine
  • Italiano
    • Bienvenue
    • Welcome
    • Willkommen
  • Accedi
CamperOnLine
Camping Sport Magenta
  1. Forum
  2. Tecnica
  3. Meccanica
Galleria

Schema leva cruise control Ducato 244

Rispondi
Cerca
SostaGruppiCompagniItaliaEsteroMarchiMeccanicaCellulaAccessoriEventiLeggiComportamentiDisabiliIn camper perAltro CamperAltroExtra Attivi
1 20 10
max90
max90
28/11/2021 10
Rispondi Abuso
Inserito il 13/02/2024 alle: 12:38:14
Salve a tutti,
so che sull'argomento ci sono molti post nel forum ma volevo chiedervi se qualcuno ha lo schema per ricreare la leva del cruise control.
La mia domanda nasce dal fatto che nei demolitori della mia zona (BS) non sono riuscito a trovare sta benedetta leva, stavo quindi pensando ad una piccola scatola con i pulsanti necessari, in un post ho letto che ci devono essere le giuste impendenze, man ho trovato schemi completi, qualcuno mi sa aiutare?
Grazie a tutti per il supporto.
Max
14
Tramy
Tramy
18/07/2011 1613
Rispondi Abuso
Inserito il 13/02/2024 alle: 17:32:11
In risposta al messaggio di max90 del 13/02/2024 alle 12:38:14

Salve a tutti, so che sull'argomento ci sono molti post nel forum ma volevo chiedervi se qualcuno ha lo schema per ricreare la leva del cruise control. La mia domanda nasce dal fatto che nei demolitori della mia zona
(BS) non sono riuscito a trovare sta benedetta leva, stavo quindi pensando ad una piccola scatola con i pulsanti necessari, in un post ho letto che ci devono essere le giuste impendenze, man ho trovato schemi completi, qualcuno mi sa aiutare? Grazie a tutti per il supporto. Max
...
hai provato sui vari siti tipo ebay, subito, ecc..ecc..
image(5794).png
trovato su ebay
ti conviene fare così invece che costruirti qualcosa artigianalmente
non c'è speranza di trovare gli schemi elettrici

Giorgio
Viaggio non tanto per viaggiare,.....ma anche per cambiare il mio punto di vista sulle cose!

Modificato da Tramy il 13/02/2024 alle 17:32:50
max90
max90
28/11/2021 10
Rispondi Abuso
Inserito il 13/02/2024 alle: 21:06:11
Grazie per il suggerimento, avevo già verificato ebay ma spesso gli annunci erano vaghi (titolo con cruise control e descrizione o foto senza leva cruise). Proverò a ricercare.
Grazie mille.
Max
14
Tramy
Tramy
18/07/2011 1613
Rispondi Abuso
Inserito il 13/02/2024 alle: 22:45:14
image(5796).png
altro...
questo tutto il gruppo solo 67 euro....
Giorgio
Viaggio non tanto per viaggiare,.....ma anche per cambiare il mio punto di vista sulle cose!

Modificato da Tramy il 13/02/2024 alle 22:46:00
17
hotrod
hotrod
01/12/2008 1694
Rispondi Abuso
Inserito il 14/02/2024 alle: 15:16:34
In risposta al messaggio di max90 del 13/02/2024 alle 12:38:14

Salve a tutti, so che sull'argomento ci sono molti post nel forum ma volevo chiedervi se qualcuno ha lo schema per ricreare la leva del cruise control. La mia domanda nasce dal fatto che nei demolitori della mia zona
(BS) non sono riuscito a trovare sta benedetta leva, stavo quindi pensando ad una piccola scatola con i pulsanti necessari, in un post ho letto che ci devono essere le giuste impendenze, man ho trovato schemi completi, qualcuno mi sa aiutare? Grazie a tutti per il supporto. Max
...
Molto semplice, da me consigliato a suo tempo.
Io la vedo così:
usi una scatoletta di plastica da posizionare sopra o nei pressi della plastica coprivite a sx del cruscotto.
Ci metti 1 pulsante per RES
1 interuttore per accendere
1 deviatore a bilancino per up e down.
Se vuoi ci metti anche un led da collegare con una resistenza da 1 Kohm con negativo al piedino 23 della ECU M10 e positivo sempre al piedino 2 della scatoletta cruise.
Rispetta lo schemino del componente H7 e sei a posto.
Il piedino 3 non è collegato, non mettere diodo e resistenza riportati nello schema.
Così facendo spendi molto poco, magari qualcosa hai già a casa.
Cruise%20control.jpg

 

Modificato da hotrod il 14/02/2024 alle 15:47:48
Luglio 2022: Alsazia, Lorena e Normandia
Luglio 2022: Alsazia, Lorena e Normandia
Finlandia in camper
Finlandia in camper
Viitasaari, il comune dei 630 laghi
Viitasaari, il comune dei 630 laghi
Viaggio in camper 2025 nel Perigord
Viaggio in camper 2025 nel Perigord
Alla scoperta della Polonia, in camper
Alla scoperta della Polonia, in camper
Previous Next
5
hottetto
hottetto
26/04/2021 4
Rispondi Abuso
Inserito il 27/02/2024 alle: 18:20:54
In risposta al messaggio di max90 del 13/02/2024 alle 12:38:14

Salve a tutti, so che sull'argomento ci sono molti post nel forum ma volevo chiedervi se qualcuno ha lo schema per ricreare la leva del cruise control. La mia domanda nasce dal fatto che nei demolitori della mia zona
(BS) non sono riuscito a trovare sta benedetta leva, stavo quindi pensando ad una piccola scatola con i pulsanti necessari, in un post ho letto che ci devono essere le giuste impendenze, man ho trovato schemi completi, qualcuno mi sa aiutare? Grazie a tutti per il supporto. Max
...
Ciao a tutt*, ho acquistato la leva CC della 147 ed l'interruttore del freno a 4 pin. ma quando ho smontato le plastiche sotto le sterzo ho trovato il connettore nero da dove prelevare i 4 fili, privo della parte dei 6 fili (4 x il CC il rosso grande e quello a fianco). Secondo voi, questo significa che devo collegarmi direttamente alla centralina? Ho il vago sospetto che la parte mancante del connettore sia stata riutilizzata per altro.D004.jpg
In effetti mancano i fili dalla centralina. Vista%20D004.jpg 
La prima fila è la A , A1 è il primo a dx e A8 è l'ultimo a sx .
I collegamenti da fare sono: B01(rosa/verde) va alla leva tasto Res    B02 (rosso/verde) va alla leva tasto Set+    B03 (giallo/nero) alla leva tasto Set-     B04 (viola/bianco) va alla leva tasto Comune     B09 (rosa/rosso) va al negativo della spia pin 9 quadro strumenti     A08 (grigio/nero) pin 1 interruttore freno. Come vedete i fili mancano per cui dovrò collegarli e portarli alla leva del CC
fabrischio

Modificato da hottetto il 17/03/2024 alle 18:07:23
5
hottetto
hottetto
26/04/2021 4
Rispondi Abuso
Inserito il 27/02/2024 alle: 18:26:19
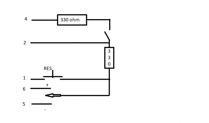
Concordo con hotrod.  Al posto della leva ti servono un pulsante per il reset, un interruttore on/off ed un deviatore per -/+. Vi sono solo 2 resistenze da 330 ohm.  Ciao
schema%20leva.png
fabrischio

Modificato da hottetto il 17/03/2024 alle 18:05:02
17
ceuvi
ceuvi
24/05/2009 57
Rispondi Abuso
Inserito il 06/10/2025 alle: 15:52:32
salve gente, visto che si fa' fatica a trovare una leva cruise control x il ducato 244 volevo fare una scatoletta con 1 interruttore e 3 pulsanti, allego foto schemino e mi dite se può essere giusto? grazie IMG_20251006_135553(2).jpg
17
hotrod
hotrod
01/12/2008 1694
Rispondi Abuso
Inserito il 09/10/2025 alle: 13:02:49
In risposta al messaggio di hottetto del 27/02/2024 alle 18:26:19

Concordo con hotrod.  Al posto della leva ti servono un pulsante per il reset, un interruttore on/off ed un deviatore per -/+. Vi sono solo 2 resistenze da 330 ohm.  Ciao
Scusa ma dove vedi le resistenze, mi possono essere sfuggite?
17
ceuvi
ceuvi
24/05/2009 57
Rispondi Abuso
Inserito il 09/10/2025 alle: 22:58:36
In risposta al messaggio di hotrod del 09/10/2025 alle 13:02:49

Scusa ma dove vedi le resistenze, mi possono essere sfuggite?
se guardi lo schemino appena sopra il mio, hottetto ne ha messe 2
17
hotrod
hotrod
01/12/2008 1694
Rispondi Abuso
Inserito il 10/10/2025 alle: 08:01:39
In risposta al messaggio di ceuvi del 09/10/2025 alle 22:58:36

se guardi lo schemino appena sopra il mio, hottetto ne ha messe 2
Infatti, ma ho risposto ad Hottetto.
SostaGruppiCompagniItaliaEsteroMarchiMeccanicaCellulaAccessoriEventiLeggiComportamentiDisabiliIn camper perAltro CamperAltroExtra Attivi
Argomenti recenti dal forum
Cellula abitativa
Luci che si accendono da sole
Buongiorno illuminati. Nel mio mezzo alcune luci (quelle led di ambiente) non sono sotto ...
mimmo69
Oggi alle 14:07
Aree di sosta e campeggi
Altopiano di Montasio
Qualcuno sa dirmi se è consentito pernottare sull'altopiano di Montasio. Grazie. ......
banoyo
Oggi alle 13:00
Accessori
Portamoto arca mercedes
Ciao a tutti, vorrei montare un portamoto edicar sul mio arca p675 base sprinter del 2004,...
Cinello
Oggi alle 10:59
Meccanica
Pressione gomme Continental
Buongiorno a tutti, ho necessità del vostro aiuto per risolvere un problema sulla pression...
LM Team
Oggi alle 10:09
Viaggi all'estero
Spagna, con o senza scooter
Questa estate ad agosto saro' in spagna , da Barcellona a Tarifa e ritorno. Tappe veloci 1...
Volante 21
Ieri alle: 20:50
Cellula abitativa
Piletta doccia Adria Coral 650 SP del 2007
Buongiorno chiedevo se la piletta della doccia del Coral 650 SP sia curva o dritta grazie ...
Giorgione
Ieri alle: 18:40
Altro sui camper
Come gestite l'acqua da bere con molto caldo?
Sono sempre in fase di valutazione e mi sto ponendo alcuni dubbi ad esempio come si gestis...
al404
Ieri alle: 17:04
Fiere ed eventi
19-20-21 giugno-Fabriano (AN) 5° Raduno del Palio
Nei giorni 19, 20 e 21 giugno p.v. si svolgerà a Fabriano (AN) il 5° RADUNO CAMPER DEL PAL...
maxweb
Ieri alle: 14:24
Aree di sosta e campeggi
Parcheggio presso impianti Latemar
Buongiorno, Desidero sapere se il parcheggio degli impianti di risalita LATEMAR è ora cons...
essere lacustre
Ieri alle: 14:19
Meccanica
Problemi Ducato 2025 euro6E
Buongiorno a tutti, scrivo per condividere la mia frustrante esperienza con un van su Fiat...
Jackshark
Ieri alle: 13:36
Accessori
DcDc dalla parte della batteria
Buongiorno, scusatemi per l'ingenuità della domanda ma sono imbarazzato. Victron Orion X...
isauri
Ieri alle: 13:21
Accessori
Radiali aggiuntivi antenna cb
Buon giorno a tutti ,come da foto vorrei un parere da i più esperti del campo al solo scop...
flavius67
Ieri alle: 12:53
168k Facebook
343k Instagram
42,6k TikTok
73,6K Youtube
CamperOnLine - Copyright © 1998-2026 - P.Iva 06953990014
Informativa privacy
Loading...

Accedi

Recupera Password
Nuovo utente

Vuoi eliminare il messaggio?

Sottoscrizione

Anteprima

PREFERENZA

Il messaggio è in fase di inserimento.

loading

CamperOnLine

Buongiorno gentile utente,

da oltre 20 anni Camperonline offre gratuitamente tutti i suoi servizi
grazie agli inserzionisti che ci hanno dato la loro fiducia, permettici di continuare il nostro lavoro disattivando il blocco delle pubblicità.

Grazie della collaborazione.

Azione eseguita con successo

Azione Fallita

Condividi

Condividi questa pagina con:

O copia il link