CamperOnLine
  • Camper
    • Camper usati
    • Camper nuovi
    • Produttori
    • Listino
    • Cataloghi
    • Concessionari e rete vendita
    • Noleggio
    • Van
    • Caravan
    • Fiere
    • Rimessaggi
    • Le prove di CamperOnLine
    • Provati da voi
    • Primo acquisto
    • Area professionisti
  • Accessori
    • Accessori e Prodotti
    • Camping Sport Magenta accessori
    • Produttori
    • Antenne TV
    • Ammortizzatori
    • GPS
    • Pneumatici
    • Rimorchi
    • Provati da Voi
    • Fai da te
  • Viaggi
    • Diari di viaggi in camper
    • Eventi
    • Foto
    • Check list
    • Traghetti
    • Trasporti
  • Sosta
    • Cerca Strutture
    • Sosta
    • Aree sosta camper
    • Campeggi
    • Agriturismi con sosta camper
    • App Camperonline App
    • 10 Consigli utili per la sosta
    • Area strutture
  • Forum
    • Tutti i Forum
    • Sosta
    • Gruppi
    • Compagni
    • Italia
    • Estero
    • Marchi
    • Meccanica
    • Cellula
    • Accessori
    • Eventi
    • Leggi
    • Comportamenti
    • Disabili
    • In camper per
    • Altro Camper
    • Altro
    • Extra
    • FAQ
    • Regolamento
    • Attivi
    • Preferiti
    • Cerca
  • Community
    • COL
    • CamperOnFest
    • Convenzioni Convenzioni
    • Amici
    • Furti
    • Informativa Privacy
    • Lavoro
  • COL
    • News
    • Newsletter
    • Pubblicità
    • Contatto
    • Ora
    • RSS RSS
    • Video
    • Facebook
    • Instagram
  • Magazine
  • Italiano
    • Bienvenue
    • Welcome
    • Willkommen
  • Accedi
CamperOnLine
Camping Sport Magenta
  1. Forum
  2. Tecnica
  3. Accessori
Galleria

Comando remoto claxon

Nuovo
Cerca
Berger Camping
SostaGruppiCompagniItaliaEsteroMarchiMeccanicaCellulaAccessoriEventiLeggiComportamentiDisabiliIn camper perAltro CamperAltroExtra Attivi
1 20 10
14
diderot
diderot
29/06/2011 1130
Inserito il 29/09/2015 alle: 18:32:28
Buonasera a tutti,

allo scopo di aumentare la sicurezza in sosta, vorrei valutare la realizzazione un sistema tipo "panic button", ovvero piazzare in cellula un pulsante che premuto faccia suonare il claxon del camper. Ancora meglio se i pulsanti possono essere due, uno magari piazzato in mansarda e uno nella cellula vera e propria.
Ovviamente il comando del claxon sul volante deve mantenere la completa funzionalita'
Non ho idea della complessita' o meno del circuito elettrico necessario per un accrocco del genere, c' e' qualche elettrotecnico/elettrauto che puo' illustrarmi lo schema?

Grazie 1000

Diderot

18
crociere99
crociere99
22/10/2007 180
Inserito il 29/09/2015 alle: 18:58:16
non è un lavoro particolarmente difficile, devi individuare il filo che proviene dallo sterzo,  e va nella scatola fusibili sulla sinistra del cruscotto e aggiungi un interruttore che chiude il circuito verso massa. ma tieni presente che se il clacson lo fai suonare per periodi troppo lunghi oltre scaricare la batteria motore rischi di bruciarlo
crociere99
14
diderot
diderot
29/06/2011 1130
Inserito il 30/09/2015 alle: 09:15:12
In risposta al messaggio di crociere99 del 29/09/2015 alle 18:58:16

non è un lavoro particolarmente difficile, devi individuare il filo che proviene dallo sterzo,  e va nella scatola fusibili sulla sinistra del cruscotto e aggiungi un interruttore che chiude il circuito verso massa. ma tieni presente che se il clacson lo fai suonare per periodi troppo lunghi oltre scaricare la batteria motore rischi di bruciarlo crociere99

Ciao e grazie per avermi risposto,

se invece di ricercare il cavo dallo sterzo faccio un circuito ex-novo (magari prelevando la corrente dalla batteria servizi o da un positivo in cellula) mantengo ugualmente la funzionalita' del comando sul volante?
E volendo mettere due pulsanti in due zone diverse come e' possibile farlo con lo stesso circuito?

Grazie

Diderot

15
renzo07
renzo07
rating

16/11/2010 4080
Inserito il 30/09/2015 alle: 10:04:55
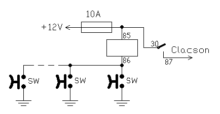
E' meglio usare un rele' automobilistico, poi puoi mettere tutti i pulsanti che ti servono.
Questo e' uno schemino esempio.
Ciao,
Renzo.

12
doralal108
doralal108
15/01/2014 405
Inserito il 30/09/2015 alle: 13:52:22
In risposta al messaggio di diderot del 29/09/2015 alle 18:32:28

Buonasera a tutti, allo scopo di aumentare la sicurezza in sosta, vorrei valutare la realizzazione un sistema tipo panic button, ovvero piazzare in cellula un pulsante che premuto faccia suonare il claxon del camper. Ancora
meglio se i pulsanti possono essere due, uno magari piazzato in mansarda e uno nella cellula vera e propria. Ovviamente il comando del claxon sul volante deve mantenere la completa funzionalita' Non ho idea della complessita' o meno del circuito elettrico necessario per un accrocco del genere, c' e' qualche elettrotecnico/elettrauto che puo' illustrarmi lo schema? Grazie 1000 Diderot
...

ciao io sul mio camper ho fatto il lavoro da te menzionato .Sono andato in demolizione x 5 € ho preso un clacson e ho fatto un impianto 
indipendente con un pulsante in mansarda. ciao franco.
franco
In camper nel centro Italia: tra sacro e
In camper nel centro Italia: tra sacro e
Le statue di legno di Kivijärvi
Le statue di legno di Kivijärvi
Napoli & Caserta in camper
Napoli & Caserta in camper
Natale 2025 in centro Italia
Natale 2025 in centro Italia
Asturia, Cantabria e Paesi Baschi in cam
Asturia, Cantabria e Paesi Baschi in cam
Previous Next
18
crociere99
crociere99
22/10/2007 180
Inserito il 30/09/2015 alle: 19:55:30
in alternativa, sostituisci il relè indicato da renzo07 con un relè delle frecce di una vecchia auto, otterrai un suono intermittente
crociere99
18
fmar
fmar
04/07/2007 474
Inserito il 30/09/2015 alle: 20:04:25
appena vista na cinesata, uno scatolozzo con due relais e due telecomandi
potrebbero faare al caso tuo, 17 euri
ciao
14
gduca
gduca
29/11/2011 2093
Inserito il 30/09/2015 alle: 20:27:16
Spero di non essere  smentito:  Ho posseduto tre camper con tre marche diverse di antifurto e tutti avevano la possibilità di avere la funzione antipanico con il tasto destro.  Se schiaccio il sinistro inserisco o disinserisco antifurto,  schiacciando con il tasto destro, lo faccio suonare e lampeggiare.  Chiaro che ogni marca di antifurto è una storia a se, però mi pare una casualità troppo ripetitiva il fatto che io ne abbia avuti tre che avevano la stessa funzione.
14
diderot
diderot
29/06/2011 1130
Inserito il 01/10/2015 alle: 09:11:18

Ciao

dove l' hai vista questa cinesata?

Approfitto per ringraziare tutti quanti per gli ottimi consigli, a buon rendere :-)

Ciao

Diderot

Modificato da diderot il 01/10/2015 alle 09:12:07
15
renzo07
renzo07
rating

16/11/2010 4080
Inserito il 01/10/2015 alle: 13:33:59
In risposta al messaggio di diderot del 01/10/2015 alle 09:11:18

Ciao dove l' hai vista questa cinesata? Approfitto per ringraziare tutti quanti per gli ottimi consigli, a buon rendere :-) Ciao Diderot

Ciao Diderot, forse intendeva questo:

http://www.ebay.it/itm/27145048...

l'avevo nei "preferiti" di ebay.
Ricordati che il ricevitore di un radiocomando consuma sempre qualcosina come un po' l'antifurto.
Per quanto riguarda invece lo schemino che ho messo, prevede che il clacson funzioni dando un positivo. Se il clacson che hai funziona invece dandogli una massa, il contatto 30 del rele' va messo a massa anziche' +12.
Renzo.
19
videodue
videodue
16/12/2006 8158
Inserito il 01/10/2015 alle: 14:27:29
Potresi usare qualcosa del genere.

http://www.autoricambisanmauro.it/it/sirene-di-emergenza-trombe-bitonali-monotolali-stadio-avvisatori/3542-sir...


Franco
SostaGruppiCompagniItaliaEsteroMarchiMeccanicaCellulaAccessoriEventiLeggiComportamentiDisabiliIn camper perAltro CamperAltroExtra Attivi
Argomenti recenti dal forum
Cellula abitativa
Oblò fiamma rotto esternamente
Ciao a tutti, mi si sono rotte le asole esterne dell'oblò fiamma che reggono il coperchio,...
Ivan84
Ieri alle: 23:42
Marchi
Cerco camper con questa pianta:
Matrimoniale trasversale in coda con sottostante garage grande abbastanza per una moto, b...
vanigliarosapao
Ieri alle: 23:21
Fiere ed eventi
Raduno dal 29/5/2026 al 2/6/2026
Per il programma dettagliato contattatemi su Wapp 3452388968, EMAIl gerardo.ab@libero.it ...
Gerardo Abriola
Ieri alle: 19:17
Marchi
Letto basculante Carthago - sostituzione pistoni
Salve, dovrei sostituire i pistoni idraulici del letto basculante di un Carthago i44. Cerc...
Max-R
Ieri alle: 15:33
Accessori
Power station il prodigio
Sempre più spesso nei social vedo persone che pubblicizzano le power station come se fosse...
Grinza
Ieri alle: 14:51
Normative
Tempi di immatricolazione
Buongiorno a tutti. volevo chiedere ai piu' informati, quanto tempo in media serve per imm...
vecchio
Ieri alle: 07:31
Altro sui camper
Dubbio su cambio Camper
Ciao a tutti spero di aver azzeccato la pagina giusta per esporre questo quesito, ho un Fr...
Pugilato1
Ieri alle: 00:28
Meccanica
Molle anteriori MAD HV058158 per Ducato 244
Salve a tuti. Ho letto quasi tutte le discussioni in merito ma non ho trovato riferimenti ...
dekracap
15/04/26 - 23:15
Meccanica
Sostituzione radiatore refrigerante
Salve ,devo sostituire il radiatore , al ducato2800jtd 127 CV perche perde liquido ,sicco...
giuvanella
15/04/26 - 19:58
Cellula abitativa
Wi-Fi nel camper
Salve a tutti ! E' da un po' che ci penso ma non so nemmeno io se poi è così importante av...
flo1
15/04/26 - 19:06
Normative
Camper del 2001: modifica da N1 a M1 a libretto
Ciao a tutti, circa un anno fa ho acquistato un camper usato del 2001 (Ducato Mobilvetta)....
wyominger
15/04/26 - 18:08
Altro sui camper
Dilemma - Il primo camper
Ciao a tutti! È il mio post e spero di aver selezionato la categoria giusta. Tra qualche ...
Cappino
15/04/26 - 15:49
167k Facebook
343k Instagram
42,6k TikTok
73,3k Youtube
CamperOnLine - Copyright © 1998-2026 - P.Iva 06953990014
Informativa privacy
Loading...

Accedi

Recupera Password
Nuovo utente

Vuoi eliminare il messaggio?

Sottoscrizione

Anteprima

PREFERENZA

Il messaggio è in fase di inserimento.

loading

CamperOnLine

Buongiorno gentile utente,

da oltre 20 anni Camperonline offre gratuitamente tutti i suoi servizi
grazie agli inserzionisti che ci hanno dato la loro fiducia, permettici di continuare il nostro lavoro disattivando il blocco delle pubblicità.

Grazie della collaborazione.

Azione eseguita con successo

Azione Fallita

Condividi

Condividi questa pagina con:

O copia il link