CamperOnLine
  • Camper
    • Camper usati
    • Camper nuovi
    • Produttori
    • Listino
    • Cataloghi
    • Concessionari e rete vendita
    • Noleggio
    • Van
    • Caravan
    • Fiere
    • Rimessaggi
    • Le prove di CamperOnLine
    • Provati da voi
    • Primo acquisto
    • Area professionisti
  • Accessori
    • Accessori e Prodotti
    • Camping Sport Magenta accessori
    • Produttori
    • Antenne TV
    • Ammortizzatori
    • GPS
    • Pneumatici
    • Rimorchi
    • Provati da Voi
    • Fai da te
  • Viaggi
    • Diari di viaggi in camper
    • Eventi
    • Foto
    • Check list
    • Traghetti
    • Trasporti
  • Sosta
    • Cerca Strutture
    • Sosta
    • Aree sosta camper
    • Campeggi
    • Agriturismi con sosta camper
    • App Camperonline App
    • 10 Consigli utili per la sosta
    • Area strutture
  • Forum
    • Tutti i Forum
    • Sosta
    • Gruppi
    • Compagni
    • Italia
    • Estero
    • Marchi
    • Meccanica
    • Cellula
    • Accessori
    • Eventi
    • Leggi
    • Comportamenti
    • Disabili
    • In camper per
    • Altro Camper
    • Altro
    • Extra
    • FAQ
    • Regolamento
    • Attivi
    • Preferiti
    • Cerca
  • Community
    • COL
    • CamperOnFest
    • Convenzioni Convenzioni
    • Amici
    • Furti
    • Informativa Privacy
    • Lavoro
  • COL
    • News
    • Newsletter
    • Pubblicità
    • Contatto
    • Ora
    • RSS RSS
    • Video
    • Facebook
    • Instagram
  • Magazine
  • Italiano
    • Bienvenue
    • Welcome
    • Willkommen
  • Accedi
CamperOnLine
Camping Sport Magenta
  1. Forum
  2. Tecnica
  3. Marchi
Galleria

Hymer

Rispondi
Cerca
SostaGruppiCompagniItaliaEsteroMarchiMeccanicaCellulaAccessoriEventiLeggiComportamentiDisabiliIn camper perAltro CamperAltroExtra Attivi
1793 20 41079
21
gieffe
gieffe
15/10/2004 1276
Rispondi Abuso
Inserito il 13/05/2021 alle: 12:21:28
In risposta al messaggio di massimo2020 del 11/05/2021 alle 19:28:11

Per entrambi i problemi controlla i portafusibili vicino alla BM, è il tipico sintomo di falsi contatti dovuti a surriscaldamenti o bruciature. In particolare il fusibile da 30 del frigo e quello piccolo da 3 del monitoraggio
batteria.  Altro punto incriminato sono le spine  a 4 o a 5 contatti sulla EBL. Purtroppo il carico elettrico del frigo è al limite per la qualità dei contatti.  
...
Allora ho controllato stamattina. Premesso che la batteria motore era a 12.6 V e il pannello DT201 segnava abbastanza correttamente 12.5 V, ho controllato i 2 fusibili vicino alla BM e sono uno da 50 A (a posto) ed uno da 20 A, non interrotto ma conciato male. Anche il relativo portafusibile non è messo bene e dovrò cambiarlo. Comunque sostituito il fusibile da 20 A con uno nuovo stesso amperaggio e funziona tutto. Ho comunque spruzzato un po' di spray per pulire i contatti sia lì che sui connettori della centralina EBL. Grazie 
Gieffe
15
mrsv
mrsv
28/07/2010 235
Rispondi Abuso
Inserito il 24/05/2021 alle: 08:30:13
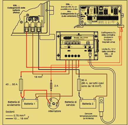
Buongiorno a tutti. Sui collegamenti posteriori dell' EBL 29, arrivano 4 cavi, pos batt motore, pos batt servizi e due negativi. Credo che siano il neg motore e il neg servizi. Il dubbio è però il manuale della centralina. Premetto che vi domando questo perché voglio installare il dc dc della schaudt. Sul manuale si legge: Il negativo della bat. di
serv. deve essere collegato esternamente al negativo della bat. di avv.!. Chevvordí? Screenshot_20210524_082434.jpgMi riferisco a questo connettore. Grazie a tutti.

Modificato da mrsv il 24/05/2021 alle 08:31:32
19
IZ4DJI
IZ4DJI
rating

12/11/2006 58425
Rispondi Abuso
Inserito il 24/05/2021 alle: 10:20:05
In risposta al messaggio di mrsv del 24/05/2021 alle 08:30:13

Buongiorno a tutti. Sui collegamenti posteriori dell' EBL 29, arrivano 4 cavi, pos batt motore, pos batt servizi e due negativi. Credo che siano il neg motore e il neg servizi. Il dubbio è però il manuale della centralina.
Premetto che vi domando questo perché voglio installare il dc dc della schaudt. Sul manuale si legge: Il negativo della bat. di serv. deve essere collegato esternamente al negativo della bat. di avv.!. Chevvordí? Mi riferisco a questo connettore. Grazie a tutti.
...
Da me, stessa centralina e stesso morsetto, ma c'è un solo cavo negativo comune sia di BS che BM, sicuramente saranno collegati assieme da qualche altra parte.

http://www.iz4dji.it/Lavori/Boo...



Io ho installato il Booster Votronic, con manuale solo in Inglese, ma speravo che il Booster Schaudt avesse un manuale in Italiano scritto bene. A volte in caso di traduzioni che lasciano dubbi, io guardo il manuale in Inglese e spesso si riesce a capire meglio una eventuale traduzione non precisa.

Nel manuale del Booster Votronic dice che il punto centrale di tutti i negativi deve essere il morsetto negativo della BS, e quindi il negativo del booster deve essere collegato direttamente al polo negativo della BS e quindi ho lasciato il cavo negativo collegato alla centralina, come era, e ho portato un cavo da 16mm2 dal morsetto negativo del booster , direttamente al morsetto negativo della BS.
____________________________________

Tommaso IZ4DJI

www.iz4dji.it





Modificato da IZ4DJI il 24/05/2021 alle 10:24:47
19
et4beta
et4beta
28/02/2007 1190
Rispondi Abuso
Inserito il 24/05/2021 alle: 10:29:17
In risposta al messaggio di mrsv del 24/05/2021 alle 08:30:13

Buongiorno a tutti. Sui collegamenti posteriori dell' EBL 29, arrivano 4 cavi, pos batt motore, pos batt servizi e due negativi. Credo che siano il neg motore e il neg servizi. Il dubbio è però il manuale della centralina.
Premetto che vi domando questo perché voglio installare il dc dc della schaudt. Sul manuale si legge: Il negativo della bat. di serv. deve essere collegato esternamente al negativo della bat. di avv.!. Chevvordí? Mi riferisco a questo connettore. Grazie a tutti.
...
Vuol dire semplicemente che siccome sul morsetto a vite vi è posto per un solo cavo, dovendo tu portare ad esso sia il negativo della BS, sia quello della BM, questi cavi li devi accoppiare prima del morsetto("esternamente") in modo che ad esso ne arrivi uno solo.
È normale che in un sistema multibatterie il negativo di esse venga per semplicità messo in comune, anche se queste lavorano disgiuntamente. Tutte le "operazioni" di tali impianti(commutazioni, correnti di ricarica, ecc..) avvengono tramite i positivi.
Pirenei Verdon in camper - settembre 202
Pirenei Verdon in camper - settembre 202
Normandia in camper: là dove la Natura
Normandia in camper: là dove la Natura
Pasqua in Costa Azzurra
Pasqua in Costa Azzurra
A spasso per la Germania del Nord in cam
A spasso per la Germania del Nord in cam
In camper nel centro Italia: tra sacro e
In camper nel centro Italia: tra sacro e
Previous Next
15
mrsv
mrsv
28/07/2010 235
Rispondi Abuso
Inserito il 24/05/2021 alle: 10:50:05
In risposta al messaggio di et4beta del 24/05/2021 alle 10:29:17

Vuol dire semplicemente che siccome sul morsetto a vite vi è posto per un solo cavo, dovendo tu portare ad esso sia il negativo della BS, sia quello della BM, questi cavi li devi accoppiare prima del morsetto(esternamente)
in modo che ad esso ne arrivi uno solo. È normale che in un sistema multibatterie il negativo di esse venga per semplicità messo in comune, anche se queste lavorano disgiuntamente. Tutte le operazioni di tali impianti(commutazioni, correnti di ricarica, ecc..) avvengono tramite i positivi.
...
Quindi si tratta di un errore di Hymer in fase di costruzione che ha messo due cavi su quel morsetto, corretto? Per installare Il DC-DC sfrutterò quindi la presenza dei due cavi di massa, utilizzando questo schema:
image(2734).png
dove in ingresso (i primi due terminali da sx) ho + batteria motore (che trovo già sul retro EBL), un - da aggiungere da 16mm2; sulle uscite, terminali 3 e 4 da sx, i negativi già presenti sul retro ebl (da verificare quale servizi e quale motore) e sull'ultimo un cavo + da portare da booster a EBL, questo da aggiungere. Poi mi resta il "problema", per me che sono un nubbione, di rubare il d+, presente su block1 pin2 o block 2 pin 3, ma non ho molta manualità in tal proposito. Qualcuno ha suggerimenti?
15
mrsv
mrsv
28/07/2010 235
Rispondi Abuso
Inserito il 24/05/2021 alle: 13:32:35
In risposta al messaggio di IZ4DJI del 24/05/2021 alle 10:20:05

Da me, stessa centralina e stesso morsetto, ma c'è un solo cavo negativo comune sia di BS che BM, sicuramente saranno collegati assieme da qualche altra parte. Io ho installato il Booster Votronic, con manuale solo in
Inglese, ma speravo che il Booster Schaudt avesse un manuale in Italiano scritto bene. A volte in caso di traduzioni che lasciano dubbi, io guardo il manuale in Inglese e spesso si riesce a capire meglio una eventuale traduzione non precisa. Nel manuale del Booster Votronic dice che il punto centrale di tutti i negativi deve essere il morsetto negativo della BS, e quindi il negativo del booster deve essere collegato direttamente al polo negativo della BS e quindi ho lasciato il cavo negativo collegato alla centralina, come era, e ho portato un cavo da 16mm2 dal morsetto negativo del booster , direttamente al morsetto negativo della BS.
...
Grazie Tommaso. Io ho L'ebl sotto al sedile guida, se riesco a mettere (prima dovrò togliere il sedile...sigh...) il dcdc dietro alla centralina, non dovrei probabilmente prolungare nessun cavo, almeno spero...
Come hai fatto a rubare il d+?
13
Lotus76
Lotus76
16/09/2012 1636
Rispondi Abuso
Inserito il 24/05/2021 alle: 15:11:46
In risposta al messaggio di Lotus76 del 09/05/2021 alle 17:55:24

Qualche tempo fa avevo chiesto aiuto-consigli per l'installazione di una batteria al litio, in sostituzione della mia vecchia AGM, che ormai, dopo 8 anni, cominciava ad accusare un po' di stanchezza. Così, complice il camper
a fermo a causa del lock down ho ordinato un po' di materiale: Batteria al litio da 100Ah su litio store: € 550 Booster da 30A da negozio equo: € 327 Caricabatterie 220V da negozio equo: € 194 Smart shunt da negozio equo: € 162 Totale: € 1.233 A  questi ho dovuto sommare un po’ di spese per materiali vari (cavi, connettori, pinze..) per circa altri € 50   Poi ho dovuto studiare un po’ come funzionava l’impianto e come avrei dovuto modificarlo per installare la batteria, tenendo presente che sul mio exsis 578 del 2012: la centralina EBL 29 è sotto il sedile di guida la batteria servizi è in un vano a fianco del sedile passeggero c’è un po’ di spazio sotto al sedile del passeggero.   Pertanto la batteria è stata installata dove c’era l’altra (però ho dovuta metterla adagiata su un fianco per riuscire a farla stare A fianco alla batteria è stato installato il monitor di carica (smart shunt) Sotto il sedile del passeggero è stato installato il booster Sotto il sedile del conducente è stato installato il caricabatterie a 220V   Le batterie al litio non amano essere lasciate al 100% di carica, per cui sia il caricabatterie a 220V che il booster sono azionabili con un interruttore. Così posso essere allacciato alla 220V per far funzionare il frigo e le prese interne senza ricaricare le batterie. Posso anche fare il viaggio di ritorno a casa tenendo spento il booster, così arrivo con la batteria servizi non carica al 100% e la posso lasciare ferma senza problemi. Tutte le apparecchiature (esclusa la batteria) sono della Victron Energy, così posso controllare il tutto con la comoda app che si collega via bluetooth e non ho dovuto fare nuovi fori per posizionare il pannello di controllo.   Questo è lo schema dell’impianto prima delle mie modifiche     Questo è lo schema dell’impianto che ho realizzato Questa è la batteria sul banco Questa è la batteria installata Questo il booster installato sotto il sedile del passeggero Questo è il caricabatterie installato sotto il sedile del conducente Questo è il monitor di carica, installato a fianco della batteria al litio Durante questo weekend ho provato il tutto e sembra funzionare correttamente. Mi piace molto poter controllare lo stato della batteria con lo smart shunt, è in gradi di fornire molti dati, compreso il grafico degli assorbimenti, utilissimo per capire cosa succede all'impianto quando si accendono le varie utenze. Ora speriamo che l'impianto duri... almeno altri 10 anni!
...
pare brutto auto-citarsi, ma se dai un'occhiata a questo mio post del 09/05/2021 alle 17:55 vedi che anche io ho avuto il tuo problema.
Negli hymer più vecchi il negativo motore e servizi viene collegato in comune nel morsetto posto sul retro della centralina.
In ogni caso dovrai mandare in ingresso il negativo che viene dalla batteria motore e l'uscita la collegherai alla centralina.
Questo è quello che ho fatto io e ha fatto Tommaso.
Nel suo caso aveva un booster non isolato, quindi aveva un unico negativo. 
Mi sembra che il booster schaudt sia isolato e quindi ha un doppio connettore per il negativo.
Quindi la procedura corretta è quella che ti ho indicato e che è riportata nello schema allegato al mio messaggio
Roberto
_______________
Tra vent’anni sarete più delusi per le cose che non avete fatto che per quelle che avete fatto. Quindi mollate le cime. Allontanatevi dal porto sicuro. Prendete con le vostre vele i venti. Esplorate. Sognate. Scoprite. Mark Twain
15
mrsv
mrsv
28/07/2010 235
Rispondi Abuso
Inserito il 24/05/2021 alle: 16:25:25
In risposta al messaggio di Lotus76 del 24/05/2021 alle 15:11:46

pare brutto auto-citarsi, ma se dai un'occhiata a questo mio post del 09/05/2021 alle 17:55 vedi che anche io ho avuto il tuo problema. Negli hymer più vecchi il negativo motore e servizi viene collegato in comune nel morsetto
posto sul retro della centralina. In ogni caso dovrai mandare in ingresso il negativo che viene dalla batteria motore e l'uscita la collegherai alla centralina. Questo è quello che ho fatto io e ha fatto Tommaso. Nel suo caso aveva un booster non isolato, quindi aveva un unico negativo.  Mi sembra che il booster schaudt sia isolato e quindi ha un doppio connettore per il negativo. Quindi la procedura corretta è quella che ti ho indicato e che è riportata nello schema allegato al mio messaggio
...
Roberto, dallo schema che ho postato io, sul secondo pin, negativo in ingresso, va direttamente alla EBL, mentre i neg delle batterie vanno nelle uscite

ScreenHunter%20616.jpg
 
19
et4beta
et4beta
28/02/2007 1190
Rispondi Abuso
Inserito il 24/05/2021 alle: 16:39:02
In risposta al messaggio di mrsv del 24/05/2021 alle 10:50:05

Quindi si tratta di un errore di Hymer in fase di costruzione che ha messo due cavi su quel morsetto, corretto? Per installare Il DC-DC sfrutterò quindi la presenza dei due cavi di massa, utilizzando questo schema: dove
in ingresso (i primi due terminali da sx) ho + batteria motore (che trovo già sul retro EBL), un - da aggiungere da 16mm2; sulle uscite, terminali 3 e 4 da sx, i negativi già presenti sul retro ebl (da verificare quale servizi e quale motore) e sull'ultimo un cavo + da portare da booster a EBL, questo da aggiungere. Poi mi resta il problema, per me che sono un nubbione, di rubare il d+, presente su block1 pin2 o block 2 pin 3, ma non ho molta manualità in tal proposito. Qualcuno ha suggerimenti?
...
Non direi che sia un "errore", hanno solo omesso di mettere una giunzione a tre vie(meglio se stagna) a monte del centrale del morsetto a vite, preferendo fare un "ciuccio" dei due negativi.
Prova con un tester in Ω i terminali 2-3-4 del DC DC perché a mio parere, ma potrei anche sbagliare, quei tre sono in corto tra loro e fanno la funzione della giunzione di cui sopra.
15
mrsv
mrsv
28/07/2010 235
Rispondi Abuso
Inserito il 24/05/2021 alle: 16:55:16
In risposta al messaggio di et4beta del 24/05/2021 alle 16:39:02

Non direi che sia un errore, hanno solo omesso di mettere una giunzione a tre vie(meglio se stagna) a monte del centrale del morsetto a vite, preferendo fare un ciuccio dei due negativi. Prova con un tester in Ω i terminali
2-3-4 del DC DC perché a mio parere, ma potrei anche sbagliare, quei tre sono in corto tra loro e fanno la funzione della giunzione di cui sopra.
...
Effettivamente avrebbe un senso...manca solo una soluzione semplice, per un inetto, per rubare un d+
19
IZ4DJI
IZ4DJI
rating

12/11/2006 58425
Rispondi Abuso
Inserito il 24/05/2021 alle: 19:06:04
In risposta al messaggio di mrsv del 24/05/2021 alle 16:55:16

Effettivamente avrebbe un senso...manca solo una soluzione semplice, per un inetto, per rubare un d+
Hai...hai...hai...allora non hai letto attentamente il link che ti ho messo piu sopra wink

Nel PDF è chiaramente scritto dove prelevare il D+

" Nella centralina SCHAUDT EBL 29 il D+ si trova sul Pin 2 del connettore Block 1 (cavo giallo). "

e ci sono anche le foto che fanno vedere come mi sono collegato ai cavi esistenti....ma se non si capisce bene, posso sempre dare spiegazione piu dettagliata.

Non so come siano collegati di due cavi dei due negativi BS e BM alla centralina, cioè se entrambi i cavi siano crimpati in unico capocorda a puntale, o se siano su due differenti capocorda a puntale infilati nello stesso morsetto.

Secondo me, dallo schema che hai postato, dovresti separare i due cavi -BM e -BS e poi infilarli nei relativi morsetti del booster, e poi spezzone di cavo (sempre marrone per non fare confusione) che unisce il morsetto negativo della centralina al relativo morsetto del booster.

Però, anch'io ho il sospetto che i tre  morsetti negativi del booster siano tutti collegati assieme, ma per non rischiare problemi, tanto vale collegare i cavi separati che è sempre meglio.

Smontare il sedile in blocco con la piastra girevole, è una cosa semplicissima, sono 4 bulloni torx, roba da due minuti, però è piu pesante di quanto si possa pensare e quindi fare poi attenzione a toglierlo che non scappi di mano e faccia danni sbattendo da qualche parte.  Se i bulloni non si riescono a raggiungere bene, basta scorrere il sedile sulle guuide o ruotarlo sulla piastra per avere facile acceso, ma quello direi che è evidente.
 
____________________________________

Tommaso IZ4DJI

www.iz4dji.it




15
mrsv
mrsv
28/07/2010 235
Rispondi Abuso
Inserito il 24/05/2021 alle: 21:57:23
In risposta al messaggio di IZ4DJI del 24/05/2021 alle 19:06:04

Hai...hai...hai...allora non hai letto attentamente il link che ti ho messo piu sopra Nel PDF è chiaramente scritto dove prelevare il D+ Nella centralina SCHAUDT EBL 29 il D+ si trova sul Pin 2 del connettore Block 1
(cavo giallo). e ci sono anche le foto che fanno vedere come mi sono collegato ai cavi esistenti....ma se non si capisce bene, posso sempre dare spiegazione piu dettagliata. Non so come siano collegati di due cavi dei due negativi BS e BM alla centralina, cioè se entrambi i cavi siano crimpati in unico capocorda a puntale, o se siano su due differenti capocorda a puntale infilati nello stesso morsetto. Secondo me, dallo schema che hai postato, dovresti separare i due cavi -BM e -BS e poi infilarli nei relativi morsetti del booster, e poi spezzone di cavo (sempre marrone per non fare confusione) che unisce il morsetto negativo della centralina al relativo morsetto del booster. Però, anch'io ho il sospetto che i tre  morsetti negativi del booster siano tutti collegati assieme, ma per non rischiare problemi, tanto vale collegare i cavi separati che è sempre meglio. Smontare il sedile in blocco con la piastra girevole, è una cosa semplicissima, sono 4 bulloni torx, roba da due minuti, però è piu pesante di quanto si possa pensare e quindi fare poi attenzione a toglierlo che non scappi di mano e faccia danni sbattendo da qualche parte.  Se i bulloni non si riescono a raggiungere bene, basta scorrere il sedile sulle guuide o ruotarlo sulla piastra per avere facile acceso, ma quello direi che è evidente.  
...
Ti pare che non l'ho letto?  Salvato nel mio drive da quel dì. 
Però mi servirebbe proprio una guida tecnica. So che hai saldato ma io non sono tanto capace. Mi piacerebbe un metodo a prova di pirla... Screenshot_20210524_215418.jpg
15
mrsv
mrsv
28/07/2010 235
Rispondi Abuso
Inserito il 24/05/2021 alle: 21:59:32
Tra l'altro Tommaso, i cavi sulla centralina sono messi solo così, non sono crimpati 
19
IZ4DJI
IZ4DJI
rating

12/11/2006 58425
Rispondi Abuso
Inserito il 25/05/2021 alle: 08:25:14
In risposta al messaggio di mrsv del 24/05/2021 alle 21:57:23

Ti pare che non l'ho letto?  Salvato nel mio drive da quel dì.  Però mi servirebbe proprio una guida tecnica. So che hai saldato ma io non sono tanto capace. Mi piacerebbe un metodo a prova di pirla... 
allora, se hai gia capito quale è il cavo a cui collegarsi, puoi sempre utilizzare un rubacorrente come QUESTI . Per il diametro sottile di quel cavetto giallo, dovrebbe andare bene quello rosso. Io ero indeciso se usare il rubacorrente o stagnare il cavo, penso che per correnti così modeste non ci sia particolare differenza.
La applicazione del rubacorrente è molto semplice, abbracci il cavetto giallo con la parte passante, e inseerisci un altro cavetto (meglio sempre giallo) nella parte cieca, chiudi il rubacorrente e lo schiacci con una pinza così che le punte metalliche perforino i cavi facendo contatto, e poi chudi la patta di chiusura.

____________________________________

Tommaso IZ4DJI

www.iz4dji.it




19
IZ4DJI
IZ4DJI
rating

12/11/2006 58425
Rispondi Abuso
Inserito il 25/05/2021 alle: 08:26:31
In risposta al messaggio di mrsv del 24/05/2021 alle 21:59:32

Tra l'altro Tommaso, i cavi sulla centralina sono messi solo così, non sono crimpati 
non ho capito a quali cavi ti riferisci?  I cavi delle batterie dietro?
____________________________________

Tommaso IZ4DJI

www.iz4dji.it





Modificato da IZ4DJI il 25/05/2021 alle 08:28:11
15
mrsv
mrsv
28/07/2010 235
Rispondi Abuso
Inserito il 25/05/2021 alle: 08:50:02
In risposta al messaggio di IZ4DJI del 25/05/2021 alle 08:26:31

non ho capito a quali cavi ti riferisci?  I cavi delle batterie dietro?
Si Tommaso. Semplicemente infilati e avvitato. 
15
mrsv
mrsv
28/07/2010 235
Rispondi Abuso
Inserito il 25/05/2021 alle: 08:50:52
In risposta al messaggio di IZ4DJI del 25/05/2021 alle 08:25:14

allora, se hai gia capito quale è il cavo a cui collegarsi, puoi sempre utilizzare un rubacorrente come QUESTI. Per il diametro sottile di quel cavetto giallo, dovrebbe andare bene quello rosso. Io ero indeciso se usare
il rubacorrente o stagnare il cavo, penso che per correnti così modeste non ci sia particolare differenza. La applicazione del rubacorrente è molto semplice, abbracci il cavetto giallo con la parte passante, e inseerisci un altro cavetto (meglio sempre giallo) nella parte cieca, chiudi il rubacorrente e lo schiacci con una pinza così che le punte metalliche perforino i cavi facendo contatto, e poi chudi la patta di chiusura.
...
Grazie! 
19
IZ4DJI
IZ4DJI
rating

12/11/2006 58425
Rispondi Abuso
Inserito il 25/05/2021 alle: 12:19:41
In risposta al messaggio di mrsv del 25/05/2021 alle 08:50:02

Si Tommaso. Semplicemente infilati e avvitato. 
Da me la Hymer ha intestato i tre cavi con questi capocorda a puntale:

immagine(4051).png

però, ho letto che il contatto migliore nei morsetti si ha con il cavo nudo infilato e stretto bene, quindi elettricamente è meglio da te.
____________________________________

Tommaso IZ4DJI

www.iz4dji.it




21
gieffe
gieffe
15/10/2004 1276
Rispondi Abuso
Inserito il 26/05/2021 alle: 21:32:50
In risposta al messaggio di gieffe del 13/05/2021 alle 12:21:28

Allora ho controllato stamattina. Premesso che la batteria motore era a 12.6 V e il pannello DT201 segnava abbastanza correttamente 12.5 V, ho controllato i 2 fusibili vicino alla BM e sono uno da 50 A (a posto) ed uno da
20 A, non interrotto ma conciato male. Anche il relativo portafusibile non è messo bene e dovrò cambiarlo. Comunque sostituito il fusibile da 20 A con uno nuovo stesso amperaggio e funziona tutto. Ho comunque spruzzato un po' di spray per pulire i contatti sia lì che sui connettori della centralina EBL. Grazie 
...
Aggiornamento e ulteriori problemi: ieri ho sostituito il portafusibile da 20 A che è proprio quello di alimentazione del frigo da BM quando in marcia. Per farlo ho prima scollegato tutte le batterie per non avere problemi sulla linea +12V. Quando ho ricollegato il tutto e reimpostato un po' di dati sul pannello DT 201, questo mi dava qualche segnale strano. Ho controllato un po' in giro e trovato il fusibile da 2 A vicino alle batterie servizi (che dovrebbe dare alimentazione al pannello) un po' ossidato e l'ho sostituito con uno da 5 A perché più piccolo non l'avevo sottomano. Ho poi collegato il camper alla 220 V ed il pannello mi dava correttamente qualche A di carica.
Oggi, dopo 24 ore in carica da 220, sono tornato per scollegarlo e ho trovato questa situazione:

con 220 collegata

IMG_20210526_183926.jpg
3 Ah sulle BS come se fossero completamente scariche e -50 A di carica.

Scollegata la 220 questi sono i voltaggi rilevati dal pannello, compatibili con batterie correttamente caricate

IMG_20210526_184252.jpg

cosa dite, ho di nuovo qualche problema sulla centralina EBL 101 o c'è qualcos'altro che posso controllare in giro?
grazie e buona serata
 
Gieffe
16
cristiano1973
cristiano1973
05/02/2010 1028
Rispondi Abuso
Inserito il 27/05/2021 alle: 08:29:30
Buon giorno, sul manuale Hymer la casa consiglia per il MH Bmc una pressione di 3.5 Bar per le ruote anteriori e 4.8 per le posteriori, nella misura 225/75R16CP. Voi come vi comportate? Grazie
SostaGruppiCompagniItaliaEsteroMarchiMeccanicaCellulaAccessoriEventiLeggiComportamentiDisabiliIn camper perAltro CamperAltroExtra Attivi
Argomenti recenti dal forum
Compagni di viaggio
Compagni di viaggio 30 45 anni Milano
Ciao Sono sergio ho 36 anni, vivo a milano e sono camperista alle prime armi e lavoro spes...
Sgull
42 minuti fa
Viaggi all'estero
Svizzera , domanda per chi ci vive
Mi sembra di ricordare che qualche utente vive in Svizzera e vorrei avere delucidazioni ch...
sport15
48 minuti fa
Accessori
polo batteria
ho cambiato la batteria motore ed il polo + è un po' più piccolo del morsetto:ho risolto i...
pino1957
30/04/26 - 17:59
Marchi
Sondaggio Detfless Globetrail
Buongiorno, fatta la ricerca vedo che non c'è una sezione dedicata ai furgonati Dethfless ...
costantino64
30/04/26 - 17:40
Cellula abitativa
Che materiale è?
Salute a tutti. Sono neofita. Sto sistemando un Rimor brig del 1992. Per verificare condiz...
Gimmo_rm
30/04/26 - 17:07
Cellula abitativa
Fulcro?
Buona sera, secondo voi il Fulcron della Arexon è utilizzabile per togliere le macchie sul...
P1950
30/04/26 - 15:26
Viaggi all'estero
Sosta Spielberg Austria gran premio moto
Buongiorno a tutto il forum,stiamo cercando informazioni per una sosta di 3gg in occasione...
manife666
30/04/26 - 10:32
Aree di sosta e campeggi
Posti auto coperti a Roma in zona Fidene
I curatori del Fallimento della società ILOCSA Srl in liquidazione (Tribunale di Ascoli Pi...
robaro
30/04/26 - 09:33
Meccanica
50% gasolio + 50% HVO
Potrebbe essere interessante usare 50% gasolio + 50% HVO v... ......
franco49tn
30/04/26 - 09:19
Disabilità
Consigli per scelta modello
Buongiorno, dovrei comprare un camper MA necessita abbia alcune caratteristiche anche perc...
Alalal
29/04/26 - 20:18
Meccanica
Installazione sospensioni VB -semiair su Mlt 570
Buongiorno, chiedo a chi già possiede queste sospensioni sul Hymer MLT 570 , si sia trova...
laurarem
29/04/26 - 14:26
Cellula abitativa
Frigorifero a compressore Dometic RCS 10.5T 12 V
Buongiorno a tutti, ho un van con Frigorifero a compressore Dometic RCS 10.5T 12 V con dop...
EVM480
29/04/26 - 13:56
168k Facebook
343k Instagram
42,6k TikTok
73,6K Youtube
CamperOnLine - Copyright © 1998-2026 - P.Iva 06953990014
Informativa privacy
Loading...

Accedi

Recupera Password
Nuovo utente

Vuoi eliminare il messaggio?

Sottoscrizione

Anteprima

PREFERENZA

Il messaggio è in fase di inserimento.

loading

CamperOnLine

Buongiorno gentile utente,

da oltre 20 anni Camperonline offre gratuitamente tutti i suoi servizi
grazie agli inserzionisti che ci hanno dato la loro fiducia, permettici di continuare il nostro lavoro disattivando il blocco delle pubblicità.

Grazie della collaborazione.

Azione eseguita con successo

Azione Fallita

Condividi

Condividi questa pagina con:

O copia il link