CamperOnLine
  • Camper
    • Camper usati
    • Camper nuovi
    • Produttori
    • Listino
    • Cataloghi
    • Concessionari e rete vendita
    • Noleggio
    • Van
    • Caravan
    • Fiere
    • Rimessaggi
    • Le prove di CamperOnLine
    • Provati da voi
    • Primo acquisto
    • Area professionisti
  • Accessori
    • Accessori e Prodotti
    • Camping Sport Magenta accessori
    • Produttori
    • Antenne TV
    • Ammortizzatori
    • GPS
    • Pneumatici
    • Rimorchi
    • Provati da Voi
    • Fai da te
  • Viaggi
    • Diari di viaggi in camper
    • Eventi
    • Foto
    • Check list
    • Traghetti
    • Trasporti
  • Sosta
    • Cerca Strutture
    • Sosta
    • Aree sosta camper
    • Campeggi
    • Agriturismi con sosta camper
    • App Camperonline App
    • 10 Consigli utili per la sosta
    • Area strutture
  • Forum
    • Tutti i Forum
    • Sosta
    • Gruppi
    • Compagni
    • Italia
    • Estero
    • Marchi
    • Meccanica
    • Cellula
    • Accessori
    • Eventi
    • Leggi
    • Comportamenti
    • Disabili
    • In camper per
    • Altro Camper
    • Altro
    • Extra
    • FAQ
    • Regolamento
    • Attivi
    • Preferiti
    • Cerca
  • Community
    • COL
    • CamperOnFest
    • Convenzioni Convenzioni
    • Amici
    • Furti
    • Informativa Privacy
    • Lavoro
  • COL
    • News
    • Newsletter
    • Pubblicità
    • Contatto
    • Ora
    • RSS RSS
    • Video
    • Facebook
    • Instagram
  • Magazine
  • Italiano
    • Bienvenue
    • Welcome
    • Willkommen
  • Accedi
CamperOnLine
Camping Sport Magenta
  1. Forum
  2. Tecnica
  3. Accessori
Galleria

Batteria a fuoco

Rispondi
Cerca
Berger Camping
SostaGruppiCompagniItaliaEsteroMarchiMeccanicaCellulaAccessoriEventiLeggiComportamentiDisabiliIn camper perAltro CamperAltroExtra Attivi
5 20 87
6
Szopen
Szopen
rating

06/09/2019 6147
Rispondi Abuso
Inserito il 18/02/2022 alle: 12:48:40
In risposta al messaggio di Steu851 del 18/02/2022 alle 12:13:27

Il limite di avere il DC-DC in serie alla centralina è che quello che assorbe il frigo non va a ricaricare la batteria. Forse il tuo frigo fa pena a 12V perchè forse a lui non arrivano i 14V del DC-DC ma meno per via di
cavi sottodimensionati. Io mi rendo conto di essere una eccezione, d'estate ok che lo accendo ore prima a 220V e lo riempio con roba fresca presa dal frigo di casa (ma che almeno 15 minuti fuori frigo nel viaggio casa/rimessaggio se li fa) ma arrivo sempre a destinazione con una temperatura all'interno del frigo inferiore a quella della partenza. Per me il passaggio al Litio è stata una scelta obbligata, ho la necessità di poter ricaricare in orario serale 2 ebike con prelievo fino a 1000 Wh, ho poco spazio ed ho messo la 200 Ah DIY al posto della AGM
...
Chiedo a tutti di perdonare l'OT ma è abbastanza importante e non voglio aprire ulteriori discussioni.

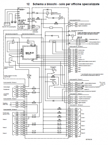
Rispondo a te e a Tommaso, il problema circa la mia richiesta non verte sul frigo ma sulla centralina EBL.

In altro 3d un utente afferma (postando tanto di schema) che il frigo viene alimentato in viaggio a 12V dai cavi escono dal Blok 1 e fin qui ci siamo ma, al Blok 2 l'alimentazione arriva direttamente dalla BM/Alternatore.

Secondo me invece, l'alimentazione arriva comunque dalla morsettiera dietro la centralina, non avendo questo tipo di centralina non posso esserne certo e dunque chiedo a voi, sbaglio io, oppure lui?

Ciro.

Questo lo schema, prima che andate a cercalo voi. 

image(3528).png
 
nomade analogico e fanciulla all'imbrunire. Non ho nulla da vendere nè consigli da dare, solo qualche piccolo suggerimento da prendere con le pinze, possibilmente, amperometriche. Buoni Km a tutti e......... rammentate sempre che....... TESTAR NON NUOCE!
22
Laikone
Laikone
rating

31/03/2004 19962
Rispondi Abuso
Inserito il 18/02/2022 alle: 12:51:19
In risposta al messaggio di IZ4DJI del 18/02/2022 alle 00:33:48

Il sistema ibrido della Hymer non lo conosco nel dettaglio, e anche a me piacerebbe sapere con che logica funziona (parlano di un computer che gestisce tutto) e quali vantaggi potrebbe avere. La posizione non è male, perchè
la centralina è li a 20cm subito poco piu avanti, e la BM è sotto i piedi del conducente e quindi in un mezzo di 5,90, saranno 3m dalla centralina. La Hymer installa solitamente cavi da 16mm2, ma in questo caso potrebbe anche installare tra BM e centralina (o meglio booster) un cavo da 25 o 35mm2, ma non lo so, ma lo suppongo in quanto di serie dovrebbe esserci un booster da 70A. Quel furgonato comunque alla fine va attorno a 110/120mila con qualche accessorio, e quindi anche un accessorio costoso, scompare quasi nel conto totale. Loro dicono autonomia 10 giorni con 150Ah litio+AGM ma a me sembra tanto, ma anche fossero 3 giorni reali, io difficilmente non mi muovo per piu di tre giorni e quindi potrebbe darmi cio che mi serve. E ppoi con un grosso booster basta muoversi anche poco che da una bella carica. L unico punto che trovo a sfavore dell EFOY è la estrema delicatezza che puo portare anche guastarsi in maniera ireparabile con una gelata e comunque perde efficenza con gli anni (il mio funziona da 13 anni ma ha perso abbastanza). E quindi se un sistema Lifepo4 affidabile mi desse cio che mi serve a parità di costo con Efoy, forse valuterei la cosa.
...
una autonomia di 10gg fa quasi ridere se non è rapportata alla situazione che si va a creare; ad esempio fuori che temperatura c'è? con 14-15° forse è possibile, sempre che non si guarda TV ecc. ecc.un dato che così non dice nulla.

Credo che la scelta di darti una litio e una AGM sia dettata dal fatto che, con la litio incrementi comunque l'autonomia aggiungendo pochissimo peso, poi ti ritrovi la riserva della AGM. Perchè allora non mettere 2 litio? perchè dovrebbero chiederti 1200€ in più e a livello commerciale può fare la differenza.
Credo sia molto complesso per un'azienda che produce camper prendere decisioni in tal senso, viste le tante possibilità di utilizzo. Perchè poi, c'è quello che vuole le litio, ma c'è anche chi non le vuole, oppure non le sfrutta perchè sta sempre o quasi in AA.
Ora non vorrei offenderti Tom laughlaugh ma la fascia di prezzo nella quale si va a collocare quel mezzo, non è alla portata delle persone più giovani e nel tempo credo sia molto più probabile trovare una persona diversamente giovane che va in AA rispetto a quella che sta in libera...
L'iperlessia e l'analfabetismo funzionale sono una piaga sociale
19
IZ4DJI
IZ4DJI
rating

12/11/2006 58477
Rispondi Abuso
Inserito il 18/02/2022 alle: 20:21:36
In risposta al messaggio di Szopen del 18/02/2022 alle 12:48:40

Chiedo a tutti di perdonare l'OT ma è abbastanza importante e non voglio aprire ulteriori discussioni. Rispondo a te e a Tommaso, il problema circa la mia richiesta non verte sul frigo ma sulla centralina EBL. In altro
3d un utente afferma (postando tanto di schema) che il frigo viene alimentato in viaggio a 12V dai cavi escono dal Blok 1 e fin qui ci siamo ma, al Blok 2 l'alimentazione arriva direttamente dalla BM/Alternatore. Secondo me invece, l'alimentazione arriva comunque dalla morsettiera dietro la centralina, non avendo questo tipo di centralina non posso esserne certo e dunque chiedo a voi, sbaglio io, oppure lui? Ciro. Questo lo schema, prima che andate a cercalo voi.   
...
Ho riguardato lo schema della mia EBL-29, e penso di dovere ammettere che ho preso una bella cantonata riguardo a cio che ho detto poco sopra.
Ha ragione l altro utente, che cìè una apposita linea con fusibile da 20A che va da BM a centralina solo per l alimentazione del frigo, che quindi non si alimenta in marcia dai morsetti posteriori e quindi non risente del beneficio del booster.

Ora ho anche capito perchè il mio frigo, in marcia a 12v fa veramente pietà.
____________________________________

Tommaso IZ4DJI

www.iz4dji.it




19
IZ4DJI
IZ4DJI
rating

12/11/2006 58477
Rispondi Abuso
Inserito il 18/02/2022 alle: 20:23:56
In risposta al messaggio di Laikone del 18/02/2022 alle 12:51:19

una autonomia di 10gg fa quasi ridere se non è rapportata alla situazione che si va a creare; ad esempio fuori che temperatura c'è? con 14-15° forse è possibile, sempre che non si guarda TV ecc. ecc.un dato che così
non dice nulla. Credo che la scelta di darti una litio e una AGM sia dettata dal fatto che, con la litio incrementi comunque l'autonomia aggiungendo pochissimo peso, poi ti ritrovi la riserva della AGM. Perchè allora non mettere 2 litio? perchè dovrebbero chiederti 1200€ in più e a livello commerciale può fare la differenza. Credo sia molto complesso per un'azienda che produce camper prendere decisioni in tal senso, viste le tante possibilità di utilizzo. Perchè poi, c'è quello che vuole le litio, ma c'è anche chi non le vuole, oppure non le sfrutta perchè sta sempre o quasi in AA. Ora non vorrei offenderti Tom  ma la fascia di prezzo nella quale si va a collocare quel mezzo, non è alla portata delle persone più giovani e nel tempo credo sia molto più probabile trovare una persona diversamente giovane che va in AA rispetto a quella che sta in libera...
...
Si, detta così non ha nessun significato. Per avere 10 giorni di autonomia con stufa accesa, servirebbe un rimorchio pieno di batterie Litio.

In effetti la Hymer , con 2760 euro, mette tre batterie Litio ma da 50Ah ognuna + la AGM. e il computer che gestisce tutto.

Mah, guarda, nei miei viaggi se comodo vado anche in AA, ma non ne ho mai incontrata una con la 220, io non uso quasi mai il camper in Italia, dove non è che mi trovi a mio agio, ma in Francia per esempio nessuna AA ha la 220, forse salvo qualcuna ma mai trovate. Quindi il problema energgia non cambia tra libera e AA. 
Hai ragione e non mi offendo, gli anni passano, ma cio fa si che io diventi sempre piu orso e solitario, e che non sopporti il prossimo, e quindi preferisco di gran lunga sostare lontano da altri camper  e vado in AA tutti ammassati solo se non c'è altra possibilità. Tra AA e campeggio, quasi quasi preferisco il campeggio, lo uso come AA, in quanto non ne uso i servizi, ma almeno ho il mio pezzo di terreno e gli altri stanno nel loro. Poi la mattina mi alzo e riparto.

Lo scorso Agosto, 38 giorni sul oceano, e collegato a 220 penso solo due o tre notti.  Certo che in inverno cambia, ma spostandomi sempre e sosto solo dalle 17 alle 9, alla fine con il booster mi fermo la sera con l AGM bella carica e a mattina si riparte.
____________________________________

Tommaso IZ4DJI

www.iz4dji.it





Modificato da IZ4DJI il 18/02/2022 alle 20:32:55
Finlandia in camper
Finlandia in camper
Viitasaari, il comune dei 630 laghi
Viitasaari, il comune dei 630 laghi
Viaggio in camper 2025 nel Perigord
Viaggio in camper 2025 nel Perigord
Alla scoperta della Polonia, in camper
Alla scoperta della Polonia, in camper
Pirenei Verdon in camper - settembre 202
Pirenei Verdon in camper - settembre 202
Previous Next
6
Szopen
Szopen
rating

06/09/2019 6147
Rispondi Abuso
Inserito il 18/02/2022 alle: 20:33:54
In risposta al messaggio di IZ4DJI del 18/02/2022 alle 20:21:36

Ho riguardato lo schema della mia EBL-29, e penso di dovere ammettere che ho preso una bella cantonata riguardo a cio che ho detto poco sopra. Ha ragione l altro utente, che cìè una apposita linea con fusibile da 20A che
va da BM a centralina solo per l alimentazione del frigo, che quindi non si alimenta in marcia dai morsetti posteriori e quindi non risente del beneficio del booster. Ora ho anche capito perchè il mio frigo, in marcia a 12v fa veramente pietà.
...
Grazie Tommaso, ho voluto sincerarmi della cosa, quindi come ben dici, lo scarso funzionamento del frigo a 12V, il quale sta interessando molte persone, anche al di fuori del forum, può essere causato da una sostanziosa caduta di tensione.

Ciro.

 
nomade analogico e fanciulla all'imbrunire. Non ho nulla da vendere nè consigli da dare, solo qualche piccolo suggerimento da prendere con le pinze, possibilmente, amperometriche. Buoni Km a tutti e......... rammentate sempre che....... TESTAR NON NUOCE!
19
IZ4DJI
IZ4DJI
rating

12/11/2006 58477
Rispondi Abuso
Inserito il 18/02/2022 alle: 21:50:11
In risposta al messaggio di Szopen del 18/02/2022 alle 20:33:54

Grazie Tommaso, ho voluto sincerarmi della cosa, quindi come ben dici, lo scarso funzionamento del frigo a 12V, il quale sta interessando molte persone, anche al di fuori del forum, può essere causato da una sostanziosa caduta di tensione. Ciro.  
Si, se il frigo è alimentato con linea diretta da BM, riceve i 12,8v che ha la BM con alternatore intelligente,  mentre se fosse alimentato a valle del booster o da BS, riceverebbe i 14,5v e la cosa cambierebbe sostanzialmente.

Vedo ora però Nello schema della EBL-29  l ingresso diretto da BM è indicato come  "solo per EBL 29 con OVP" e quindi nulla è piu cosi certo ma si complica e andrebbe verificato. La mia è senza OVP (che ho aggiunto esterno).
Basterebbe misurare la tensione a motore acceso sul cavo che da EBL va al frigo. Se piu o meno 12,8, allora si alimenta da BM (qiondi a monte del booster) mentre se fosse 14,5 circa, allora si alimenterebbe da BS o comunque a valle del booster.
____________________________________

Tommaso IZ4DJI

www.iz4dji.it




6
Szopen
Szopen
rating

06/09/2019 6147
Rispondi Abuso
Inserito il 18/02/2022 alle: 22:59:58
In risposta al messaggio di IZ4DJI del 18/02/2022 alle 21:50:11

Si, se il frigo è alimentato con linea diretta da BM, riceve i 12,8v che ha la BM con alternatore intelligente,  mentre se fosse alimentato a valle del booster o da BS, riceverebbe i 14,5v e la cosa cambierebbe sostanzialmente.
Vedo ora però Nello schema della EBL-29  l ingresso diretto da BM è indicato come  solo per EBL 29 con OVP e quindi nulla è piu cosi certo ma si complica e andrebbe verificato. La mia è senza OVP (che ho aggiunto esterno). Basterebbe misurare la tensione a motore acceso sul cavo che da EBL va al frigo. Se piu o meno 12,8, allora si alimenta da BM (qiondi a monte del booster) mentre se fosse 14,5 circa, allora si alimenterebbe da BS o comunque a valle del booster.
...
Credo che una prova veloce si possa fare togliendo per un momento il fusibile sul cavo che parte dalla BM e và alla centralina (anche se c'è un DC di mezzo) e controllare se il frigo si accende, ovviamente a motore acceso.

Ciro.

 
nomade analogico e fanciulla all'imbrunire. Non ho nulla da vendere nè consigli da dare, solo qualche piccolo suggerimento da prendere con le pinze, possibilmente, amperometriche. Buoni Km a tutti e......... rammentate sempre che....... TESTAR NON NUOCE!
SostaGruppiCompagniItaliaEsteroMarchiMeccanicaCellulaAccessoriEventiLeggiComportamentiDisabiliIn camper perAltro CamperAltroExtra Attivi
Argomenti recenti dal forum
Accessori
Problemi con la suoneria Antifurto Sikura CA0002
Ciao a tutti scusate per la ripetizione del post, ma ho necessità di informazioni, volevo ...
Davo
Ieri alle: 18:08
Meccanica
cambio gomme per daily 35C18
salve a tutti devo sostituire le 6 gomme del mio camper Arca su daily, ho pensato di mette...
maurizio970
Ieri alle: 17:58
Cellula abitativa
Mancanza acqua in Hymer Bmc
Buon giorno a tutti, sono possessore di un Hymer bmct 680 da 5 anni. Oggi ho un problema c...
?????
Ieri alle: 14:55
Accessori
Boiler Truma B10 e scheda
Ciao a tutti sono nuovo del forum e sono anche nuovo nel mondo dei camper, spero di poter ...
Mailus76
Ieri alle: 12:35
Viaggi in Italia
Rumorosità Adria Matrix anno 2023
salve abbiamo acquistato da poco un camper Adria Matrix anno 2023 con meccanica Citroen, i...
Annagae
Ieri alle: 09:47
Accessori
Truma combi 6 gas
Ciao a tutti sono Michele nuovo del gruppo, purtroppo la mia truma non funziona più, quan...
Mikwing
Ieri alle: 08:08
Accessori
Truma combi T6
Purtroppo la mia truma non funziona più, quando l accendo parte la ventola poi va in blocc...
Mikwing
15/05/26 - 19:39
Accessori
Montaggio portamoto Speedy System
Buonasera a tutti essendo nuovo sul forum mi presento,sono Alessandro e da poco sono posse...
Ale9671
15/05/26 - 19:13
Cellula abitativa
Perdita gas raccordo fornello: aiuto riparazione
Ciao a tutti, ho smontato il piano cottura del camper perché sentivo odore di gas e facend...
Stegiaco
15/05/26 - 17:58
Viaggi in Italia
Sosta per Marmarole
Cerco campeggio, anche essenziale, per visitare le Marmarole. Grazie ......
rlui
15/05/26 - 17:35
Aree di sosta e campeggi
Consiglio su percorso camper verso la Francia
Salve a tutti colleghi camperisti, avrei bisogno di un vostro consiglio. Quest’estate dovr...
robysun1
15/05/26 - 17:13
Accessori
Trivalente Dometic RMD 8505 problemi a gas
Il mio Dometic 3505 non raffredda a gas, ovvero parte regolarmente la fiammella resta pre...
Valente69
15/05/26 - 16:40
168k Facebook
343k Instagram
42,6k TikTok
73,6K Youtube
CamperOnLine - Copyright © 1998-2026 - P.Iva 06953990014
Informativa privacy
Loading...

Accedi

Recupera Password
Nuovo utente

Vuoi eliminare il messaggio?

Sottoscrizione

Anteprima

PREFERENZA

Il messaggio è in fase di inserimento.

loading

CamperOnLine

Buongiorno gentile utente,

da oltre 20 anni Camperonline offre gratuitamente tutti i suoi servizi
grazie agli inserzionisti che ci hanno dato la loro fiducia, permettici di continuare il nostro lavoro disattivando il blocco delle pubblicità.

Grazie della collaborazione.

Azione eseguita con successo

Azione Fallita

Condividi

Condividi questa pagina con:

O copia il link