CamperOnLine
  • Camper
    • Camper usati
    • Camper nuovi
    • Produttori
    • Listino
    • Cataloghi
    • Concessionari e rete vendita
    • Noleggio
    • Van
    • Caravan
    • Fiere
    • Rimessaggi
    • Le prove di CamperOnLine
    • Provati da voi
    • Primo acquisto
    • Area professionisti
  • Accessori
    • Accessori e Prodotti
    • Camping Sport Magenta accessori
    • Produttori
    • Antenne TV
    • Ammortizzatori
    • GPS
    • Pneumatici
    • Rimorchi
    • Provati da Voi
    • Fai da te
  • Viaggi
    • Diari di viaggi in camper
    • Eventi
    • Foto
    • Check list
    • Traghetti
    • Trasporti
  • Sosta
    • Cerca Strutture
    • Sosta
    • Aree sosta camper
    • Campeggi
    • Agriturismi con sosta camper
    • App Camperonline App
    • 10 Consigli utili per la sosta
    • Area strutture
  • Forum
    • Tutti i Forum
    • Sosta
    • Gruppi
    • Compagni
    • Italia
    • Estero
    • Marchi
    • Meccanica
    • Cellula
    • Accessori
    • Eventi
    • Leggi
    • Comportamenti
    • Disabili
    • In camper per
    • Altro Camper
    • Altro
    • Extra
    • FAQ
    • Regolamento
    • Attivi
    • Preferiti
    • Cerca
  • Community
    • COL
    • CamperOnFest
    • Convenzioni Convenzioni
    • Amici
    • Furti
    • Informativa Privacy
    • Lavoro
  • COL
    • News
    • Newsletter
    • Pubblicità
    • Contatto
    • Ora
    • RSS RSS
    • Video
    • Facebook
    • Instagram
  • Magazine
  • Italiano
    • Bienvenue
    • Welcome
    • Willkommen
  • Accedi
CamperOnLine
Camping Sport Magenta
  1. Forum
  2. Tecnica
  3. Accessori
Galleria

Batterie al litio

Rispondi
Cerca
Berger Camping
SostaGruppiCompagniItaliaEsteroMarchiMeccanicaCellulaAccessoriEventiLeggiComportamentiDisabiliIn camper perAltro CamperAltroExtra Attivi
16 20 428
19
Topolone
Topolone
rating

19/12/2006 12096
Rispondi Abuso
Inserito il 16/03/2018 alle: 18:17:37
In risposta al messaggio di franco49tn del 16/03/2018 alle 17:25:11

Mi sembra un normalissimo ma grande relè magnetico  Ma sempre con un suo CONSUMO assai elevato Avrei preferito un Cirix Victron Lithio ma il modello da 230 A con comando a distanza e consumo assai irrisorio. E un tale Bms
Il Cyrix-ct non va bene ...è un relè ( intelligente ) parallelatore che si usa tra due batterie.
Ci sono sicuramente relè della Victron idonei ma non sono i CT .
Quello che serve a Blessyou è un relè bistabile pilotabile da segnali esterni cosa che non credo possa fare il relè scelto a meno di interfacciarlo con una schedina auto costruita  che trasforma il cambio di stato dei mini relè sullo Smart 123 in impulso di corrente.
Mi auguro che non abbiano pensato di tenere quel grosso relè sempre alimentato...Sarebbe follia pura.
I relè non bistabili di quella stazza arrivano a consumare 600 mA e oltre.
Il Philippi ha un circuito elettronico dove basta mettere in corto 2 morsetti per tenerlo attivo. L'apertura di quel corto tramite i relè del bms sgancia il relè. Quel circuito consuma 2,5 mA, ossia praticamente niente .Sulla scheda del Philippi c'è anche un controllo suo interno di minima e massima tensione con isteresi. Doppia sicurezza ...che male non fa.
Conosco decine di installazioni di Lifepo4 e nessuna usa relè alimentati in continuo.
 

Modificato da Topolone il 16/03/2018 alle 18:22:50
18
ppjazz
ppjazz
27/11/2007 280
Rispondi Abuso
Inserito il 16/03/2018 alle: 18:21:19
In risposta al messaggio di Blessyou del 16/03/2018 alle 15:23:58

No, farò montare il tutto dal tecnico dell’officina dove attualmente mi servo – il quale mi ha consigliato questo anziché il Philippi Nel frattempo, mi hanno già piazzato le due AGM da 100Ah
La mia incompetenza mi porta a chiedere se quello che ha consigliato il tecnico serva per le sovra e sotto tensioni. Idem per il Cyrix proposto Franco49tn.

Lo stesso propone anche un ulteriore BMS sempre Victron, ma non comprendo se debba aggiungersi agli SmartBMS oppure in sostituzione di questi ultimi.

Inoltre sarei curioso di capire se la prima carica della batteria, che ho letto essere molto importante, venga effettuata montata sul camper oppure si proceda con altro caricabatteria professionale.

Qualcuno sa dirmi ancora se queste Winston si possano montare coricate?
Saluti a tutti.
Paolo
18
ppjazz
ppjazz
27/11/2007 280
Rispondi Abuso
Inserito il 16/03/2018 alle: 18:35:35
In risposta al messaggio di Topolone del 16/03/2018 alle 18:17:37

Il Cyrix-ct non va bene ...è un relè ( intelligente ) parallelatore che si usa tra due batterie. Ci sono sicuramente relè della Victron idonei ma non sono i CT . Quello che serve a Blessyou è un relè bistabile pilotabile
da segnali esterni cosa che non credo possa fare il relè scelto a meno di interfacciarlo con una schedina auto costruita  che trasforma il cambio di stato dei mini relè sullo Smart 123 in impulso di corrente. Mi auguro che non abbiano pensato di tenere quel grosso relè sempre alimentato...Sarebbe follia pura. I relè non bistabili di quella stazza arrivano a consumare 600 mA e oltre. Il Philippi ha un circuito elettronico dove basta mettere in corto 2 morsetti per tenerlo attivo. L'apertura di quel corto tramite i relè del bms sgancia il relè. Quel circuito consuma 2,5 mA, ossia praticamente niente .Sulla scheda del Philippi c'è anche un controllo suo interno di minima e massima tensione con isteresi. Doppia sicurezza ...che male non fa. Conosco decine di installazioni di Lifepo4 e nessuna usa relè alimentati in continuo.  
...
A te come esperto, anche per il fatto che hai studiato  e sperimentato a fondo tali batterie, vorrei chiedere se il Philippi che come dici già controlla le sovra e sotto tensioni, perché sarebbe consigliabile addirittura metterne 2, come mi pare tu abbia citato in un altro post?
Grazie!
 
Saluti a tutti.
Paolo

Modificato da ppjazz il 16/03/2018 alle 18:38:13
19
Topolone
Topolone
rating

19/12/2006 12096
Rispondi Abuso
Inserito il 16/03/2018 alle: 22:30:40
In risposta al messaggio di ppjazz del 16/03/2018 alle 18:35:35

A te come esperto, anche per il fatto che hai studiato  e sperimentato a fondo tali batterie, vorrei chiedere se il Philippi che come dici già controlla le sovra e sotto tensioni, perché sarebbe consigliabile addirittura metterne 2, come mi pare tu abbia citato in un altro post? Grazie!  
Se vai in sotto tensione devi scollegare i carichi ma non i generatori.
Se vai in sovra tensione devi scollegare i generatori e non i carichi.
Per questo motivo sarebbero necessari due relè e non uno.
La cosa è fattibile teoricamente ma difficile da realizzare in pratica senza rifare tutto l'impianto elettrico.
Sui nostri camper i cavi vengono quasi sempre usati sia per prelevare corrente che per mandarne.
 
Luglio 2022: Alsazia, Lorena e Normandia
Luglio 2022: Alsazia, Lorena e Normandia
Finlandia in camper
Finlandia in camper
Viitasaari, il comune dei 630 laghi
Viitasaari, il comune dei 630 laghi
Viaggio in camper 2025 nel Perigord
Viaggio in camper 2025 nel Perigord
Alla scoperta della Polonia, in camper
Alla scoperta della Polonia, in camper
Previous Next
18
ppjazz
ppjazz
27/11/2007 280
Rispondi Abuso
Inserito il 16/03/2018 alle: 22:33:45
In risposta al messaggio di Topolone del 16/03/2018 alle 22:30:40

Se vai in sotto tensione devi scollegare i carichi ma non i generatori. Se vai in sovra tensione devi scollegare i generatori e non i carichi. Per questo motivo sarebbero necessari due relè e non uno. La cosa è fattibile
teoricamente ma difficile da realizzare in pratica senza rifare tutto l'impianto elettrico. Sui nostri camper i cavi vengono quasi sempre usati sia per prelevare corrente che per mandarne.  
...
... quindi Tu come hai risolto?
 
Saluti a tutti.
Paolo
19
Topolone
Topolone
rating

19/12/2006 12096
Rispondi Abuso
Inserito il 16/03/2018 alle: 22:49:06
In risposta al messaggio di ppjazz del 16/03/2018 alle 22:33:45

... quindi Tu come hai risolto?  
Usando 1 solo relè di potenza pilotato dai 2 relè del BMS ( OV e LV ) collegati in serie.
12
MisterX1
MisterX1
09/04/2014 1330
Rispondi Abuso
Inserito il 17/03/2018 alle: 10:28:50
In risposta al messaggio di Topolone del 16/03/2018 alle 22:49:06

Usando 1 solo relè di potenza pilotato dai 2 relè del BMS ( OV e LV ) collegati in serie.
Buongiorno,
Ripropongo al posto del philippi un pò meno costoso mi fu detto che poteva essere utilizzato ma non so con che pro e quali contro.

https://www.victronenergy.it/up...


Saluti
 
Keep ca(L)m..per
19
Topolone
Topolone
rating

19/12/2006 12096
Rispondi Abuso
Inserito il 17/03/2018 alle: 11:08:12
In risposta al messaggio di MisterX1 del 17/03/2018 alle 10:28:50

Buongiorno, Ripropongo al posto del philippi un pò meno costoso mi fu detto che poteva essere utilizzato ma non so con che pro e quali contro. Saluti  
Il Victron BP 220 sembra nettamente meglio del Philippi ;
PRO
1) Costa molto meno
2) le soglie sono programmabili
3) consuma meno del Philippi ( 1,5 mA quando ON contro i 2,5 mA del Philippi )
CONTRO
1) Il Philippi è un relè da 265 A continui contro i 220 del Victron
2) Il Philippi regge 1500 A per 0,2 Secondi
3) Il Philippi ha dei pulsanti fisici ON OFF sul relè

Tutti e due sono pilotabili da REMOTE tramite altri relè e/o interruttori.

Rimetto lo schema di pilotaggio per evitare che un mio amico faccia pasticci con "strani" relè .

Collegamenti%20scheda%20out(2).jpg 
In pratica è solo una implementazione del circuito dove si collega l'interruttore remoto .
Quando il circuito è chiuso il relè è agganciato. Se si apre il circuito il relè stacca.

Philippi%20con%20circuito%20bmse.jpg
Sul Victron "forse"  funziona al contrario .





 

Modificato da Topolone il 17/03/2018 alle 11:15:00
12
MisterX1
MisterX1
09/04/2014 1330
Rispondi Abuso
Inserito il 17/03/2018 alle: 11:57:28
Grazie della guida yes so che prima o poi mi tornerà utile.
 
Keep ca(L)m..per
10
Blessyou
Blessyou
28/10/2015 5016
Rispondi Abuso
Inserito il 18/03/2018 alle: 10:05:56
In risposta al messaggio di Topolone del 17/03/2018 alle 11:08:12

Il Victron BP 220 sembra nettamente meglio del Philippi ; PRO 1) Costa molto meno 2) le soglie sono programmabili 3) consuma meno del Philippi ( 1,5 mA quando ON contro i 2,5 mA del Philippi ) CONTRO 1) Il Philippi è un
relè da 265 A continui contro i 220 del Victron 2) Il Philippi regge 1500 A per 0,2 Secondi 3) Il Philippi ha dei pulsanti fisici ON OFF sul relè Tutti e due sono pilotabili da REMOTE tramite altri relè e/o interruttori. Rimetto lo schema di pilotaggio per evitare che un mio amico faccia pasticci con strani relè .   In pratica è solo una implementazione del circuito dove si collega l'interruttore remoto . Quando il circuito è chiuso il relè è agganciato. Se si apre il circuito il relè stacca. Sul Victron forse  funziona al contrario .  
...
Se ho capito bene:
  • se il BMS dovesse staccare il circuito per alta/bassa tensione, per riattivare il circuito basta “riarmare” il Philippi tramite l’interruttore incorporato, corretto ??
Grazie wink
Ciao a tücc

___________________________________

vâr pussée la tòlla de l'òr

19
Topolone
Topolone
rating

19/12/2006 12096
Rispondi Abuso
Inserito il 18/03/2018 alle: 16:35:08
In risposta al messaggio di Blessyou del 18/03/2018 alle 10:05:56

Se ho capito bene:se il BMS dovesse staccare il circuito per alta/bassa tensione, per riattivare il circuito basta “riarmare” il Philippi tramite l’interruttore incorporato, corretto ??Grazie
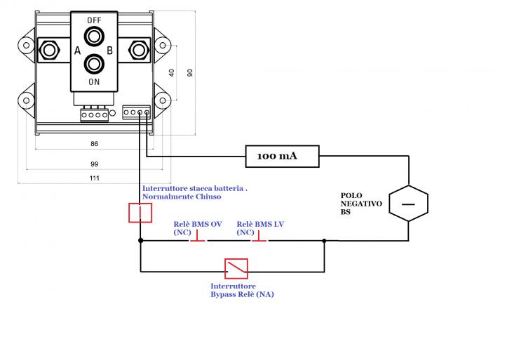
No, lo devi riarmare tramite l'interruttore che ho messo sul circuito disegnato sopra ( Bypass relè )
Se i due morsetti del Philippi non sono cortocircuitati il relè non si riarma.
I morsetti che devono essere ponticellati sono il C e il - ( i due a destra )
SchemaPhilippi2.jpg
Quando i relè del BMS scattano per Batteria piena e tutte le celle sono al valore settato ( esempio 3,65 V ) è necessario bypassare i relè in quanto non potresti riarmare il Philippi.
Per questo motivo l'interruttore di bypass è importante.
C'è un'altro modo di fare ripartire il tutto. Dallo smartphone alzi la capacità della batteria . Ad esempio da 2,5 a 2,7 kw e inganni il BMS che crederà che la batteria non è al 100% ma al 90 e rotti e richiuderà il relè che riarmerà il Philippi.
Più difficile da spiegare che da fare...
mario nicosia
mario nicosia
-
Rispondi Abuso
Inserito il 18/03/2018 alle: 17:08:32
Più difficile da spiegare che da fare...

...infatti!!
10
Blessyou
Blessyou
28/10/2015 5016
Rispondi Abuso
Inserito il 18/03/2018 alle: 18:19:05
In risposta al messaggio di Topolone del 18/03/2018 alle 16:35:08

No, lo devi riarmare tramite l'interruttore che ho messo sul circuito disegnato sopra ( Bypass relè ) Se i due morsetti del Philippi non sono cortocircuitati il relè non si riarma. I morsetti che devono essere ponticellati
sono il C e il - ( i due a destra ) Quando i relè del BMS scattano per Batteria piena e tutte le celle sono al valore settato ( esempio 3,65 V ) è necessario bypassare i relè in quanto non potresti riarmare il Philippi. Per questo motivo l'interruttore di bypass è importante. C'è un'altro modo di fare ripartire il tutto. Dallo smartphone alzi la capacità della batteria . Ad esempio da 2,5 a 2,7 kw e inganni il BMS che crederà che la batteria non è al 100% ma al 90 e rotti e richiuderà il relè che riarmerà il Philippi. Più difficile da spiegare che da fare...
...
Grazie mille della delucidazione yesyesyes
Ciao a tücc

___________________________________

vâr pussée la tòlla de l'òr

10
Blessyou
Blessyou
28/10/2015 5016
Rispondi Abuso
Inserito il 19/03/2018 alle: 08:39:21
Pur masticando l’ingleSS ...  ho tradotto il manuale del BMS, aggiungendo (grazie Topolone) le note del Philippi & riarmo yes
 
Se interessa il pdf, inviatemi una mail wink
Ciao a tücc

___________________________________

vâr pussée la tòlla de l'òr

mario nicosia
mario nicosia
-
Rispondi Abuso
Inserito il 19/03/2018 alle: 08:46:27
In risposta al messaggio di Blessyou del 19/03/2018 alle 08:39:21

Pur masticando l’ingleSS ...  ho tradotto il manuale del BMS, aggiungendo (grazie Topolone) le note del Philippi & riarmo   Se interessa il pdf, inviatemi una mail
a cesareeeee... la mia ce l'hai già; che ci aspetti?!? laugh
10
Blessyou
Blessyou
28/10/2015 5016
Rispondi Abuso
Inserito il 19/03/2018 alle: 08:53:22
In risposta al messaggio di mario nicosia del 19/03/2018 alle 08:46:27

a cesareeeee... la mia ce l'hai già; che ci aspetti?!? 
mail inviata wink
Ciao a tücc

___________________________________

vâr pussée la tòlla de l'òr

mario nicosia
mario nicosia
-
Rispondi Abuso
Inserito il 19/03/2018 alle: 09:14:11
In risposta al messaggio di mario nicosia del 19/03/2018 alle 08:46:27

a cesareeeee... la mia ce l'hai già; che ci aspetti?!? 
gentilissimo wink
mario nicosia
mario nicosia
-
Rispondi Abuso
Inserito il 20/03/2018 alle: 17:06:08
secondo voi, perché oggi (martedì) dopo che domenica ho camminato col camper per quasi tutto il giorno ho trovato la batteria a 13,2v con lo stato della carica al 32%?
19
Topolone
Topolone
rating

19/12/2006 12096
Rispondi Abuso
Inserito il 20/03/2018 alle: 17:41:59
In risposta al messaggio di mario nicosia del 20/03/2018 alle 17:06:08

secondo voi, perché oggi (martedì) dopo che domenica ho camminato col camper per quasi tutto il giorno ho trovato la batteria a 13,2v con lo stato della carica al 32%?
Sei sicuro di non avere invertito i sensori carichi-generatori ?
Se sei sicuro di non averli invertiti significa che la tua BS ha una tensione maggiore di quella che fornisce l'alternatore ed è lei che alimenta le utenze del camper anche quando sei in moto scaricandosi invece che caricarsi.
L'alternatore se funziona bene deve mantenere una tensione intorno ai 14 V se non di più.

 
mario nicosia
mario nicosia
-
Rispondi Abuso
Inserito il 20/03/2018 alle: 17:52:46
In risposta al messaggio di Topolone del 20/03/2018 alle 17:41:59

Sei sicuro di non avere invertito i sensori carichi-generatori ? Se sei sicuro di non averli invertiti significa che la tua BS ha una tensione maggiore di quella che fornisce l'alternatore ed è lei che alimenta le utenze
del camper anche quando sei in moto scaricandosi invece che caricarsi. L'alternatore se funziona bene deve mantenere una tensione intorno ai 14 V se non di più.  
...
cosa intendi per sensori carichi-generatori?
mi sono da subito dato la spiegazione che potrebbe essere stato il frigo a funzionare con la 12v della bs piuttosto che con quella della bm, ma non volevo dire una casssata...
SostaGruppiCompagniItaliaEsteroMarchiMeccanicaCellulaAccessoriEventiLeggiComportamentiDisabiliIn camper perAltro CamperAltroExtra Attivi
Argomenti recenti dal forum
Altro sui camper
Rimessaggio in zona Lecco
Buona sera a tutti mi chiamo Cesare e sono nuovo nel.forum Vi ringrazio per avermi accetta...
Esatto
Ieri alle: 21:51
Altro non sui camper
Problema alzacristalli ducato X250
Buongiorno a tutti, a qualcuno è mai capitato che il pulsante dell'alzavetro lato passegge...
Semoi
Ieri alle: 17:05
Meccanica
Cercasi cambio per Ducato 1.9 del 1998
Cerco un cambio nuovo o revisionato, magari con garanzia per un Fiat Ducato 19TD DEL 1998 ...
Makkarone
Ieri alle: 16:05
Marchi
Transit 2026 rinnovato
Nuovo muso e moderno , vedremo quando arriva ! ......
franco49tn
Ieri alle: 09:49
Accessori
Forte vibrazione Tendalino a 80km/h
Ciao, nel weekend abbiamo inaugurato il camper nuovo (MH itineo SBD700 di 699cm) che ha mo...
sicce
Ieri alle: 09:19
Accessori
Rimessaggio camper vicino a Lecco
Buona sera a tutti mi chiamo Cesare e sono nuovo nel.forum Vi ringrazio per avermi accetta...
Esatto
25/05/26 - 23:23
Meccanica
Continental Vancontact 4 season
Buonasera, devo effettuare il cambio gomme, e vorrei passare alle 4 stagioni. Leggendo neg...
Dbdcm 5
25/05/26 - 22:34
Accessori
Adria Matrix 670sl 50°
Buongiorno, chiedo gentilmente se qualcuno sa dove arrivano i cavi di predisposizione degl...
fly73wind
25/05/26 - 20:28
Altro sui camper
DELUSO ED AMAREGGIATO
Dopo diversi anni. Prima caravan nel 1979 sto iniziando al pensiero di vendere tutto e dir...
orso innamorato
25/05/26 - 19:07
Compagni di viaggio
Cerchiamo Donna o Coppia per unirsi a noi
Donna o Coppia non fumatori per unirsi a noi per andare in vacanza in sicilia nel periodo ...
Gianni Girardi
25/05/26 - 14:23
Accessori
Condizionatore su Elnagh T-loft 529
Buongiorno a tutti Sono veramente un principiante di Camper, anche sé è sempre stato un m...
Luc77
25/05/26 - 12:35
Altro sui camper
Solo 540 permutando auto?
Se procedo con il VAN l'idea è di stare fuori spesso, non full timer ma spesso. Già ora l'...
al404
25/05/26 - 12:26
168k Facebook
343k Instagram
42,6k TikTok
73,6K Youtube
CamperOnLine - Copyright © 1998-2026 - P.Iva 06953990014
Informativa privacy
Loading...

Accedi

Recupera Password
Nuovo utente

Vuoi eliminare il messaggio?

Sottoscrizione

Anteprima

PREFERENZA

Il messaggio è in fase di inserimento.

loading

CamperOnLine

Buongiorno gentile utente,

da oltre 20 anni Camperonline offre gratuitamente tutti i suoi servizi
grazie agli inserzionisti che ci hanno dato la loro fiducia, permettici di continuare il nostro lavoro disattivando il blocco delle pubblicità.

Grazie della collaborazione.

Azione eseguita con successo

Azione Fallita

Condividi

Condividi questa pagina con:

O copia il link