CamperOnLine
  • Camper
    • Camper usati
    • Camper nuovi
    • Produttori
    • Listino
    • Cataloghi
    • Concessionari e rete vendita
    • Noleggio
    • Van
    • Caravan
    • Fiere
    • Rimessaggi
    • Le prove di CamperOnLine
    • Provati da voi
    • Primo acquisto
    • Area professionisti
  • Accessori
    • Accessori e Prodotti
    • Camping Sport Magenta accessori
    • Produttori
    • Antenne TV
    • Ammortizzatori
    • GPS
    • Pneumatici
    • Rimorchi
    • Provati da Voi
    • Fai da te
  • Viaggi
    • Diari di viaggi in camper
    • Eventi
    • Foto
    • Check list
    • Traghetti
    • Trasporti
  • Sosta
    • Cerca Strutture
    • Sosta
    • Aree sosta camper
    • Campeggi
    • Agriturismi con sosta camper
    • App Camperonline App
    • 10 Consigli utili per la sosta
    • Area strutture
  • Forum
    • Tutti i Forum
    • Sosta
    • Gruppi
    • Compagni
    • Italia
    • Estero
    • Marchi
    • Meccanica
    • Cellula
    • Accessori
    • Eventi
    • Leggi
    • Comportamenti
    • Disabili
    • In camper per
    • Altro Camper
    • Altro
    • Extra
    • FAQ
    • Regolamento
    • Attivi
    • Preferiti
    • Cerca
  • Community
    • COL
    • CamperOnFest
    • Convenzioni Convenzioni
    • Amici
    • Furti
    • Informativa Privacy
    • Lavoro
  • COL
    • News
    • Newsletter
    • Pubblicità
    • Contatto
    • Ora
    • RSS RSS
    • Video
    • Facebook
    • Instagram
  • Magazine
  • Italiano
    • Bienvenue
    • Welcome
    • Willkommen
  • Accedi
CamperOnLine
Camping Sport Magenta
  1. Forum
  2. Tecnica
  3. Accessori
Galleria

Collegamento navigatore a CAN BUS Ducato X250

Rispondi
Cerca
Berger Camping
SostaGruppiCompagniItaliaEsteroMarchiMeccanicaCellulaAccessoriEventiLeggiComportamentiDisabiliIn camper perAltro CamperAltroExtra Attivi
1 20 8
6
Franco81
Franco81
29/09/2019 18
Rispondi Abuso
Inserito il 31/01/2026 alle: 21:27:36
Buonasera a tutti,
mi accingo a montare sul mio camper con meccanica Ducato X250 del 2014 un navigatore che prevede il collegamento al CAN BUS, però sul mio nel connettore ISO non sono presenti i due cavi CAN-H e CAN-L, questi sono presenti nella linea che collega il quadro strumenti al BODY COMPUTER. 
Vorrei collegare 2 cavi a questa linea per farli arrivare al connettore ISO e conseguentemente al navigatore
La mia domanda é: sto sbagliando?
Ho letto anche di chi a installato after market il cruise controll ed ha effettuato lo stesso tipo di collegamento che voglio realizzare io.
Grazie in anticipo a chi voglia aiutarmi
Salve
 
19
domiziano
domiziano
27/03/2007 1834
Rispondi Abuso
Inserito il 01/02/2026 alle: 09:11:14
In risposta al messaggio di Franco81 del 31/01/2026 alle 21:27:36

Buonasera a tutti, mi accingo a montare sul mio camper con meccanica Ducato X250 del 2014 un navigatore che prevede il collegamento al CAN BUS, però sul mio nel connettore ISO non sono presenti i due cavi CAN-H e CAN-L,
questi sono presenti nella linea che collega il quadro strumenti al BODY COMPUTER.  Vorrei collegare 2 cavi a questa linea per farli arrivare al connettore ISO e conseguentemente al navigatore La mia domanda é: sto sbagliando? Ho letto anche di chi a installato after market il cruise controll ed ha effettuato lo stesso tipo di collegamento che voglio realizzare io. Grazie in anticipo a chi voglia aiutarmi Salve  
...
chi a installato la a si scrive con l'h
Scusate se ogni tanto parlo da solo, è che sento il bisogno di parlare con una persona intelligente
maaaxxx
maaaxxx
15/02/2025 54
Rispondi Abuso
Inserito il 01/02/2026 alle: 12:19:27
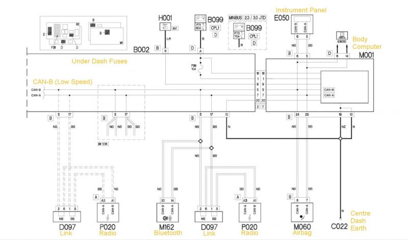
Il connettore ISO sul X250 a mia memoria.... ha sempre il CAN a-b, senza quello, nemmeno l'autoradio di serie si accenderebbe, tutto é gestito dalla linea CAN, acc, steering wheel controls, ignition power, ecc.
Se si parla di un navi android non puó essere collegato direttamente, serve un canbus decoder che preleva i segnali dal connettore iso e li converte, hanno standard e protocolli differenti. Quando si acquista un Navi da installare su Ducato é sempre opportuno acquistarlo con il cablaggio predisposto che include anche il decoder. Le linee can che scorrono per il mezzo hanno funzioni differenti, é bene non prelevarla a caso anche perché non sarebbe in grado direttamente di "parlare" con il navigatore senza il suo decoder dedicato...Protocolli diversi. 
Prendi il suo cablaggio dedicato e sei a posto

X250%20CAN%202.jpg
maaaxxx
maaaxxx
maaaxxx
15/02/2025 54
Rispondi Abuso
Inserito il 01/02/2026 alle: 12:21:39
per il cruise control...qui trovi tutto...ma proprio tutto
https://www.camperonline.it/for...
 
maaaxxx
6
Franco81
Franco81
29/09/2019 18
Rispondi Abuso
Inserito il 03/02/2026 alle: 07:57:22
In risposta al messaggio di domiziano del 01/02/2026 alle 09:11:14

chi a installato la a si scrive con l'h
Grazie della correzione
In camper nel centro Italia: tra sacro e
In camper nel centro Italia: tra sacro e
Le statue di legno di Kivijärvi
Le statue di legno di Kivijärvi
Napoli & Caserta in camper
Napoli & Caserta in camper
Natale 2025 in centro Italia
Natale 2025 in centro Italia
Asturia, Cantabria e Paesi Baschi in cam
Asturia, Cantabria e Paesi Baschi in cam
Previous Next
6
Franco81
Franco81
29/09/2019 18
Rispondi Abuso
Inserito il 03/02/2026 alle: 08:13:11
In risposta al messaggio di maaaxxx del 01/02/2026 alle 12:19:27

Il connettore ISO sul X250 a mia memoria.... ha sempre il CAN a-b, senza quello, nemmeno l'autoradio di serie si accenderebbe, tutto é gestito dalla linea CAN, acc, steering wheel controls, ignition power, ecc. Se si parla
di un navi android non puó essere collegato direttamente, serve un canbus decoder che preleva i segnali dal connettore iso e li converte, hanno standard e protocolli differenti. Quando si acquista un Navi da installare su Ducato é sempre opportuno acquistarlo con il cablaggio predisposto che include anche il decoder. Le linee can che scorrono per il mezzo hanno funzioni differenti, é bene non prelevarla a caso anche perché non sarebbe in grado direttamente di parlare con il navigatore senza il suo decoder dedicato...Protocolli diversi.  Prendi il suo cablaggio dedicato e sei a posto
...
Grazie per la risposta.
Il mio connettore ISO non ha il CAN a-b, non era montata un autoradio di serie, anche se il camper l'ho acquistato nuovo, mi trovo propio nella condizione dello schema che hai allegato, dove le linee che portano al connettore P020 (connettore ISO) sono tratteggiate.
Io ho già il connettore predisposto per il CAN-BUS che si collega dal P020 al navi, come nello schema, mi trovo che le linee CAN-A e CAN-B non arrivano al P020, la mia domanda é: posso mettere 2 fili che dalle 2 linee mi arrivano al connettore P020 senza fare danni?
maaaxxx
maaaxxx
15/02/2025 54
Rispondi Abuso
Inserito il 03/02/2026 alle: 12:20:04
In risposta al messaggio di Franco81 del 03/02/2026 alle 08:13:11

Grazie per la risposta. Il mio connettore ISO non ha il CAN a-b, non era montata un autoradio di serie, anche se il camper l'ho acquistato nuovo, mi trovo propio nella condizione dello schema che hai allegato, dove le linee
che portano al connettore P020 (connettore ISO) sono tratteggiate. Io ho già il connettore predisposto per il CAN-BUS che si collega dal P020 al navi, come nello schema, mi trovo che le linee CAN-A e CAN-B non arrivano al P020, la mia domanda é: posso mettere 2 fili che dalle 2 linee mi arrivano al connettore P020 senza fare danni?
...
no non succede nulla rispetta i livelli hi/low sennó potrebbe non funzionare tutto il sistema
maaaxxx
6
Franco81
Franco81
29/09/2019 18
Rispondi Abuso
Inserito il 03/02/2026 alle: 15:14:44
In risposta al messaggio di maaaxxx del 03/02/2026 alle 12:20:04

no non succede nulla rispetta i livelli hi/low sennó potrebbe non funzionare tutto il sistema
Grazie
killkenny
killkenny
19/01/2026 1
Rispondi Abuso
Inserito il 10/02/2026 alle: 22:37:57
In risposta al messaggio di maaaxxx del 03/02/2026 alle 12:20:04

no non succede nulla rispetta i livelli hi/low sennó potrebbe non funzionare tutto il sistema
Scusate se mi intrometto, pero ho anche io un dubbio e vedo che forse qui mi potete aiutare.
Ho un Ducato 250 2.3 140cv del 2021, ho smontato la radio che ha adesso da 1 din e mi trovo solo il connettore iso (potenza + casse), cavo antenna DAB (spinotto Fakra) e antenna classica. Non ho comandi sul volante.

Siccome vorrei installare una radio 2 DIN e alcune marche ti danno la possibilita di vedere i dati del veicolo, mi stanno dicendo che non posso, propio perche il mio Ducato non ha la predisposizione.
Effettivamente lo capisco: immagino che per decifrare qualcosa, il segnale (can bus) devi prima arrivare!

Sapete se esiste qualche possiblita per installare questo tipo di radio sul mio Ducato?

Grazie!
SostaGruppiCompagniItaliaEsteroMarchiMeccanicaCellulaAccessoriEventiLeggiComportamentiDisabiliIn camper perAltro CamperAltroExtra Attivi
Argomenti recenti dal forum
Altro sui camper
Che botta!
Posto queste foto di un van Ducato tedesco coinvolto in un tamponamento a catena (Instagra...
Furio59
Oggi alle 10:51
Meccanica
Domanda tecnica contachilometri
Il mio camper nuovo su Fiat Ducato light 35 ql 2200 cc e 140 cv € 6 ... è arrivato dalla f...
maxime
Oggi alle 07:56
Accessori
Preparazione impianto per Batteria Litio
Chiedo consigli / aiuto. Sto preparando l'impianto elettrico del mio camper per poter ins...
Giusassi54
Ieri alle: 21:14
Altro sui camper
Consiglio per gli eterni indecisi
Qualche numero in premessa : 28 anni di camperismo, prima con la famiglia cresciuta in cam...
vale64
Ieri alle: 18:09
Cellula abitativa
Smontaggio serbatoio acque chiare
Salve a tutti, qualcuno sa dirmi come si smonta questo tipo di serbatoio ? Non riesco a ca...
Magne84
Ieri alle: 11:30
Meccanica
Ammortizzatori e balestre per un LT28 Volkswagen
Ciao a tutti! Abbiamo un LT28 Volkswagen D 281 2.4 75cv dell’81. Avremmo bisogno di un aiu...
Babo91
Ieri alle: 08:18
Aree di sosta e campeggi
Sosta libera a Roma (aggiornamento)
Trattandosi di vecchio topic chiuso nel 2016 aggiorno qui. BICICLETTA Non è vero che è pe...
Itinerante15
Ieri alle: 02:19
Altro sui camper
Camperizzazione furgone o pulmino?
Buongiorno, sono uno studente e l'anno prossimo sarà il mio ultimo anno di università. Pro...
AleAbba03
13/04/26 - 23:18
In camper per
Passaggio da super sportiva a camper
Buona sera ragazzi .. stavo valutando di vendere la mia amata s1000rr del 2017 per provar...
Mic86
13/04/26 - 23:04
Cellula abitativa
Portata garage Giottiline Sunny 200
Buonasera, ualcuno di voi sa quanto porta il garage del GIottiline Sunny 200? Il garage è ...
ciuccio57
13/04/26 - 21:10
Cellula abitativa
Perdita miscelatore
Buoasera, sono stato fuori alcuni giorni e ho constatato che dal miscelatore, esattamente ...
invio
13/04/26 - 19:43
Meccanica
Devioluci Ducato x244
Buonasera a tutti camperisti. So che leggendo il titolo sembra l'ennesimo post ma la mia d...
Loris984
13/04/26 - 18:14
167k Facebook
343k Instagram
42,6k TikTok
73,3k Youtube
CamperOnLine - Copyright © 1998-2026 - P.Iva 06953990014
Informativa privacy
Loading...

Accedi

Recupera Password
Nuovo utente

Vuoi eliminare il messaggio?

Sottoscrizione

Anteprima

PREFERENZA

Il messaggio è in fase di inserimento.

loading

CamperOnLine

Buongiorno gentile utente,

da oltre 20 anni Camperonline offre gratuitamente tutti i suoi servizi
grazie agli inserzionisti che ci hanno dato la loro fiducia, permettici di continuare il nostro lavoro disattivando il blocco delle pubblicità.

Grazie della collaborazione.

Azione eseguita con successo

Azione Fallita

Condividi

Condividi questa pagina con:

O copia il link