CamperOnLine
  • Camper
    • Camper usati
    • Camper nuovi
    • Produttori
    • Listino
    • Cataloghi
    • Concessionari e rete vendita
    • Noleggio
    • Van
    • Caravan
    • Fiere
    • Rimessaggi
    • Le prove di CamperOnLine
    • Provati da voi
    • Primo acquisto
    • Area professionisti
  • Accessori
    • Accessori e Prodotti
    • Camping Sport Magenta accessori
    • Produttori
    • Antenne TV
    • Ammortizzatori
    • GPS
    • Pneumatici
    • Rimorchi
    • Provati da Voi
    • Fai da te
  • Viaggi
    • Diari di viaggi in camper
    • Eventi
    • Foto
    • Check list
    • Traghetti
    • Trasporti
  • Sosta
    • Cerca Strutture
    • Sosta
    • Aree sosta camper
    • Campeggi
    • Agriturismi con sosta camper
    • App Camperonline App
    • 10 Consigli utili per la sosta
    • Area strutture
  • Forum
    • Tutti i Forum
    • Sosta
    • Gruppi
    • Compagni
    • Italia
    • Estero
    • Marchi
    • Meccanica
    • Cellula
    • Accessori
    • Eventi
    • Leggi
    • Comportamenti
    • Disabili
    • In camper per
    • Altro Camper
    • Altro
    • Extra
    • FAQ
    • Regolamento
    • Attivi
    • Preferiti
    • Cerca
  • Community
    • COL
    • CamperOnFest
    • Convenzioni Convenzioni
    • Amici
    • Furti
    • Informativa Privacy
    • Lavoro
  • COL
    • News
    • Newsletter
    • Pubblicità
    • Contatto
    • Ora
    • RSS RSS
    • Video
    • Facebook
    • Instagram
  • Magazine
  • Italiano
    • Bienvenue
    • Welcome
    • Willkommen
  • Accedi
CamperOnLine
Camping Sport Magenta
  1. Forum
  2. Tecnica
  3. Accessori
Galleria

Nuova batteria con Power Switch

Rispondi
Cerca
Berger Camping
SostaGruppiCompagniItaliaEsteroMarchiMeccanicaCellulaAccessoriEventiLeggiComportamentiDisabiliIn camper perAltro CamperAltroExtra Attivi
1 20 44
Spaggi
Spaggi
02/03/2026 11
Rispondi Abuso
Inserito il 02/03/2026 alle: 17:22:52
PXL_20260228_072813884.jpgBuongiorno sono nuovo del forum ma vi seguivo già da tempo
Volevo chiedervi due cose perché mi hanno montato una seconda batteria + Power Switch (vedi foto)
1) Ieri usando il camper ho sentito dei tic tac provenienti da dove è montata la seconda batteria... è normale?...sono i relè?
2) Avendo il pannello fotovoltaico mi carica la prima batteria e poi è il Power Switch pensa lui a caricare la seconda?

Grazie ma sono molto ignorante in materia

Modificato da Spaggi il 02/03/2026 alle 17:32:57
22
Giovanni
Giovanni
rating

28/08/2003 13375
Rispondi Abuso
Inserito il 02/03/2026 alle: 18:18:29
In risposta al messaggio di Spaggi del 02/03/2026 alle 17:22:52

Buongiorno sono nuovo del forum ma vi seguivo già da tempo Volevo chiedervi due cose perché mi hanno montato una seconda batteria + Power Switch (vedi foto) 1) Ieri usando il camper ho sentito dei tic tac provenienti
da dove è montata la seconda batteria... è normale?...sono i relè? 2) Avendo il pannello fotovoltaico mi carica la prima batteria e poi è il Power Switch pensa lui a caricare la seconda? Grazie ma sono molto ignorante in materia
...

Ci sono due scuole di pensiero a proposito di quel coso: l'una che sia miracoloso, l'altra (alla quale io appartengo) che sia dannoso. Su questo forum abbiamo spesso parlato di questi cosi, dibattendo sulle varie tesi.

Facendo lavorare una batteria alla volta, sia in carica che in scarica, le potenze in gioco sono doppie rispetto a farle lavorare in parallelo con evidenti ripercussioni sulle batterie.

Giovanni
20
Emme48
Emme48
rating

13/01/2006 24599
Rispondi Abuso
Inserito il 02/03/2026 alle: 20:08:12
In risposta al messaggio di Spaggi del 02/03/2026 alle 17:22:52

Buongiorno sono nuovo del forum ma vi seguivo già da tempo Volevo chiedervi due cose perché mi hanno montato una seconda batteria + Power Switch (vedi foto) 1) Ieri usando il camper ho sentito dei tic tac provenienti
da dove è montata la seconda batteria... è normale?...sono i relè? 2) Avendo il pannello fotovoltaico mi carica la prima batteria e poi è il Power Switch pensa lui a caricare la seconda? Grazie ma sono molto ignorante in materia
...
Sarebbe stato molto meglio che ti avessero messo dei fusibili vicinissimi ai poli positivi di ciascuna batteria.
 
Power switch?
Non so cosa fa, magari chiedi al tecnico progettista (esterno e disinteressato) che ha deciso di installarlo, lui saprà sicuramente quale problema tecnico risolve e che vantaggi ci sono a possederlo.

Perchè non ti hanno montato il Power Switch della Victron?
Marco

http://www.m48.it

Spaggi
Spaggi
02/03/2026 11
Rispondi Abuso
Inserito il 02/03/2026 alle: 20:25:42
In risposta al messaggio di Emme48 del 02/03/2026 alle 20:08:12

Sarebbe stato molto meglio che ti avessero messo dei fusibili vicinissimi ai poli positivi di ciascuna batteria.   Power switch? Non so cosa fa, magari chiedi al tecnico progettista (esterno e disinteressato) che ha deciso
di installarlo, lui saprà sicuramente quale problema tecnico risolve e che vantaggi ci sono a possederlo. Perchè non ti hanno montato il Power Switch della Victron?
...
sinceramente non sono molto competente.... so solo che è della Dometic (

https://www.dometic.com/it-it/p...

)
Dici che non era da montare?...fa dei danni?surprise
20
Emme48
Emme48
rating

13/01/2006 24599
Rispondi Abuso
Inserito il 02/03/2026 alle: 20:58:51
In risposta al messaggio di Spaggi del 02/03/2026 alle 20:25:42

sinceramente non sono molto competente.... so solo che è della Dometic ( Dici che non era da montare?...fa dei danni?
Non so come ha ragionato il tecnico che ha progettato l'impianto.

... dimmi, esiste un tecnico di tua fiducia che ha deciso cosa ti serviva?
Mi spiego... un problema tecnico, ad esempio poca energia disponibile, richiede:
1) Capire quello che serve valutando tutto.
2) Eseguire quanto stabilito.

I numeri non sono a caso, prima viene 1 (tizio) e poi 2 (caio)... 
Tu sei già al 2...

Il tic tic che senti sono i relè che attaccano e staccano le batterie usando a volte l'una a volte l'altra, ogni tanto entrambe insieme... è il funzionamento di quell'oggetto.
Marco

http://www.m48.it

In camper nel centro Italia: tra sacro e
In camper nel centro Italia: tra sacro e
Le statue di legno di Kivijärvi
Le statue di legno di Kivijärvi
Napoli & Caserta in camper
Napoli & Caserta in camper
Natale 2025 in centro Italia
Natale 2025 in centro Italia
Asturia, Cantabria e Paesi Baschi in cam
Asturia, Cantabria e Paesi Baschi in cam
Previous Next
Spaggi
Spaggi
02/03/2026 11
Rispondi Abuso
Inserito il 02/03/2026 alle: 21:12:34
In risposta al messaggio di Emme48 del 02/03/2026 alle 20:58:51

Non so come ha ragionato il tecnico che ha progettato l'impianto. ... dimmi, esiste un tecnico di tua fiducia che ha deciso cosa ti serviva? Mi spiego... un problema tecnico, ad esempio poca energia disponibile, richiede:
1) Capire quello che serve valutando tutto. 2) Eseguire quanto stabilito. I numeri non sono a caso, prima viene 1 (tizio) e poi 2 (caio)...  Tu sei già al 2... Il tic tic che senti sono i relè che attaccano e staccano le batterie usando a volte l'una a volte l'altra, ogni tanto entrambe insieme... è il funzionamento di quell'oggetto.
...
hai ragione...
ma mi sono affidato a un "tecnico" chiedendogli di aumentarmi l'autonomia aggiungendo una seconda batteria...lui da "tecnico" mi ha suggerito di inserire anche il Power Switch che provvedeva a regolare la carica delle due batterie (non essendo uguali)
...io da ignorante nel settore mi sono fidato del "tecnico"...spero solo di non aver fatto dei danni (per la spesa me ne farò una ragione)
20
Emme48
Emme48
rating

13/01/2006 24599
Rispondi Abuso
Inserito il 02/03/2026 alle: 21:42:11
In risposta al messaggio di Spaggi del 02/03/2026 alle 21:12:34

hai ragione... ma mi sono affidato a un tecnico chiedendogli di aumentarmi l'autonomia aggiungendo una seconda batteria...lui da tecnico mi ha suggerito di inserire anche il Power Switch che provvedeva a regolare la carica
delle due batterie (non essendo uguali) ...io da ignorante nel settore mi sono fidato del tecnico...spero solo di non aver fatto dei danni (per la spesa me ne farò una ragione)
...
Danni no, i pareri contrastanti su quell'oggetto partono tutti dal presupposto che sia molto sicuro... ma i fusibili ci vogliono.
Le idee divergono sul fatto che sia meglio o peggio del parallelo.

Magari potevi aprire il 3D prima, forse ti servivano più Watt fotovoltaici che Amperora di accumulo.

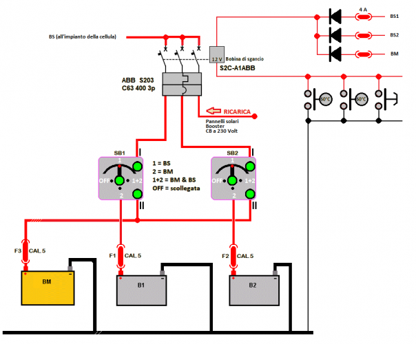
Io ho due BS come te, ecco lo schema ultra semplificato.
Power%20-%20Batterie(3).png
Parallelo fisso e commutatori per manutenzione e backup della BM.
... ma ho anche 760 Watt solari.


P.S. sia il punto 1 che 2 sono sempre io.
Marco

http://www.m48.it

Spaggi
Spaggi
02/03/2026 11
Rispondi Abuso
Inserito il 02/03/2026 alle: 21:54:04
In risposta al messaggio di Emme48 del 02/03/2026 alle 21:42:11

Danni no, i pareri contrastanti su quell'oggetto partono tutti dal presupposto che sia molto sicuro... ma i fusibili ci vogliono. Le idee divergono sul fatto che sia meglio o peggio del parallelo. Magari potevi aprire il
3D prima, forse ti servivano più Watt fotovoltaici che Amperora di accumulo. Io ho due BS come te, ecco lo schema ultra semplificato. Parallelo fisso e commutatori per manutenzione e backup della BM. ... ma ho anche 760 Watt solari. P.S. sia il punto 1 che 2 sono sempre io.
...
Grazie Marco
probabilmente era meglio davvero aprissi prima il 3d...ormai mi tengo il tic tac e me lo faccio andare beneblush
6
Szopen
Szopen
rating

06/09/2019 6083
Rispondi Abuso
Inserito il 03/03/2026 alle: 01:09:16
In risposta al messaggio di Spaggi del 02/03/2026 alle 21:54:04

Grazie Marco probabilmente era meglio davvero aprissi prima il 3d...ormai mi tengo il tic tac e me lo faccio andare bene
Ricorda che ha i 14 giorni di tempo per recedere dall'acquisto.

Ciro
nomade analogico e fanciulla all'imbrunire. Non ho nulla da vendere nè consigli da dare, solo qualche piccolo suggerimento da prendere con le pinze, possibilmente, amperometriche. Buoni Km a tutti e......... rammentate sempre che....... TESTAR NON NUOCE!
22
Laikone
Laikone
rating

31/03/2004 19735
Rispondi Abuso
Inserito il 03/03/2026 alle: 08:48:00
In risposta al messaggio di Spaggi del 02/03/2026 alle 17:22:52

Buongiorno sono nuovo del forum ma vi seguivo già da tempo Volevo chiedervi due cose perché mi hanno montato una seconda batteria + Power Switch (vedi foto) 1) Ieri usando il camper ho sentito dei tic tac provenienti
da dove è montata la seconda batteria... è normale?...sono i relè? 2) Avendo il pannello fotovoltaico mi carica la prima batteria e poi è il Power Switch pensa lui a caricare la seconda? Grazie ma sono molto ignorante in materia
...
se i collegamenti in foto sono definitivi non vanno assolutamente bene.
L'iperlessia e l'analfabetismo funzionale sono una piaga sociale
Spaggi
Spaggi
02/03/2026 11
Rispondi Abuso
Inserito il 03/03/2026 alle: 09:10:53
In risposta al messaggio di Laikone del 03/03/2026 alle 08:48:00

se i collegamenti in foto sono definitivi non vanno assolutamente bene.
surprise come mai mi dici così??surprise
22
B747
B747
22/08/2003 3253
Rispondi Abuso
Inserito il 03/03/2026 alle: 09:24:51
In risposta al messaggio di Spaggi del 03/03/2026 alle 09:10:53

 come mai mi dici così??
confermo e sono incredulo nel vedere come è stato collegato. La morsettiera verde ha 3 morsetti, quelli ai due estremi sono dedicati alle due BS da gestire (input), quello centrale porta la tensione verso la cellula (output) utilizzando le 2 bs secondo le sue logiche (parallelo oppure l'una o l'altra).
Da quel che si vede nella tua foto il polo di uscita è libero (a cosa serrvirebbe il coso?) e c'è un secondo cavo (in parallelo) che parte dalla batteria visibile (verso la cellula?). Messa così è un nonsense enorme :-O
Ciao! Gianluca
Hymer Ayers Rock su Ducato 540 140cv

Modificato da B747 il 03/03/2026 alle 10:29:52
Spaggi
Spaggi
02/03/2026 11
Rispondi Abuso
Inserito il 03/03/2026 alle: 09:28:44
In risposta al messaggio di B747 del 03/03/2026 alle 09:24:51

confermo e sono incredulo nel vedere come è stato collegato. La morsettiera verde ha 3 morsetti, quelli ai due estremi sono dedicati alle due BS da gestire (input), quello centrale porta la tensione verso la cellula (output)
utilizzando le 2 bs secondo le sue logiche (parallelo oppure l'una o l'altra). Da quel che si vede nella tua foto il polo di uscita è libero (a cosa serrvirebbe il coso?) e c'è un secondo cavo (in parallelo) che parte dalla batteria visibile (verso la cellula?). Messa così è un nonsense enorme :-O
...
Il secondo cavo va ad alimentare un riscaldamento gasolio Vevor...
22
B747
B747
22/08/2003 3253
Rispondi Abuso
Inserito il 03/03/2026 alle: 09:43:52
In risposta al messaggio di Spaggi del 03/03/2026 alle 09:28:44

Il secondo cavo va ad alimentare un riscaldamento gasolio Vevor...
e allora da cellula da dove viene alimentata? VIsto così sembrerebbe assolutamente inutile
Ciao! Gianluca
Hymer Ayers Rock su Ducato 540 140cv

Modificato da B747 il 03/03/2026 alle 09:44:28
6
Szopen
Szopen
rating

06/09/2019 6083
Rispondi Abuso
Inserito il 03/03/2026 alle: 09:44:45
In risposta al messaggio di Spaggi del 03/03/2026 alle 09:10:53

 come mai mi dici così??
Perchè per com'è montato adesso non serve a niente, quei 2 cavi rossi, peraltro si sezione diversa tra loro, devono andare singolarmente uno ad ogni batteria, subito appena prima di collegarli ai poli positivi delle batterie va inserito in idoneo fusibile che protegga quei cavi.

Al morsetto centrale che in foto risulta essere vuoto vanno collegati tutti gli altri positivi, vale a dire quelli dei vari caricatori presenti a bordo (caricabatterie 230V, caricabatterie DC-DC, regolatore di carica solare, efoy, omino che pedalata.),oltre ovviamente all'eventuale centralina dei servizi, frigorifero se separato dalla stessa e/o qualunque altro carico.

Non so a chi ti sei dovuto rivolgere ma sinceramente da quel tipo di tecnico ne starei lontano, molto lontano, quindi se proprio decidi di volerlo tenere che almeno venga installato correttamente, del resto non credo che fare quel lavoro ti sia stato regalato,  per come stanno ora le cose ti ritroverai ben presto con entrambe le batterie andate farsi benedire.

Ciro.
nomade analogico e fanciulla all'imbrunire. Non ho nulla da vendere nè consigli da dare, solo qualche piccolo suggerimento da prendere con le pinze, possibilmente, amperometriche. Buoni Km a tutti e......... rammentate sempre che....... TESTAR NON NUOCE!
20
Emme48
Emme48
rating

13/01/2006 24599
Rispondi Abuso
Inserito il 03/03/2026 alle: 09:45:28
In risposta al messaggio di Spaggi del 03/03/2026 alle 09:28:44

Il secondo cavo va ad alimentare un riscaldamento gasolio Vevor...

I riscaldatori a gasolio vanno collegati direttamente alla batteria, niente interruttori o relè perhè se gli togli corrente quando sono in funzione, bruci la scheda e deformi la caldaia.

Togli quel coso la cui uscia non è collegata (è li per finta pagato con soldi veri) e procurati una bus.bar e due fusibili a vite da 80A da mettere sui poli positivi delle BS.
Se non te la senti vai da un tecnico, non lo stesso...

 
Marco

http://www.m48.it


Modificato da Emme48 il 03/03/2026 alle 09:50:23
6
Szopen
Szopen
rating

06/09/2019 6083
Rispondi Abuso
Inserito il 03/03/2026 alle: 09:54:20
In risposta al messaggio di Spaggi del 03/03/2026 alle 09:28:44

Il secondo cavo va ad alimentare un riscaldamento gasolio Vevor...
Attento,, evita di utilizzare il riscaldatore a gasolio collegato ed alimentato in quel modo, rischia di spegnersi mentre lavora alla massima potenza con seri rischi per tutto il camper.

Scollega prima possibile il cavo del riscaldatore da quel "coso"  e collegarlo previo fusibile da 20A direttamente alla batteria.

Poi torni dl "tecnico"  e gli chiedi di farti sistemare correttamente i collegamenti, sempre ammesso che lo sappia fare, personalmente ne dubito molto.

Ciro.
nomade analogico e fanciulla all'imbrunire. Non ho nulla da vendere nè consigli da dare, solo qualche piccolo suggerimento da prendere con le pinze, possibilmente, amperometriche. Buoni Km a tutti e......... rammentate sempre che....... TESTAR NON NUOCE!
Spaggi
Spaggi
02/03/2026 11
Rispondi Abuso
Inserito il 03/03/2026 alle: 09:57:25
surpriseangry che disastro!
Volevo andare via questo week, ma se è pericoloso non parto. (o posso avere speranze di partire non utilizzando il riscaldatore? e utilizzando ancora la Combi)
...poi lo dovrò far mettere a posto...
Spaggi
Spaggi
02/03/2026 11
Rispondi Abuso
Inserito il 03/03/2026 alle: 09:58:51
In risposta al messaggio di Szopen del 03/03/2026 alle 09:54:20

Attento,, evita di utilizzare il riscaldatore a gasolio collegato ed alimentato in quel modo, rischia di spegnersi mentre lavora alla massima potenza con seri rischi per tutto il camper. Scollega prima possibile il cavo
del riscaldatore da quel coso  e collegarlo previo fusibile da 20A direttamente alla batteria. Poi torni dl tecnico  e gli chiedi di farti sistemare correttamente i collegamenti, sempre ammesso che lo sappia fare, personalmente ne dubito molto. Ciro.
...
...farò come mi dici.
Grazie
6
Szopen
Szopen
rating

06/09/2019 6083
Rispondi Abuso
Inserito il 03/03/2026 alle: 10:00:38
In risposta al messaggio di Emme48 del 03/03/2026 alle 09:45:28

I riscaldatori a gasolio vanno collegati direttamente alla batteria, niente interruttori o relè perhè se gli togli corrente quando sono in funzione, bruci la scheda e deformi la caldaia. Togli quel coso la cui uscia non
è collegata (è li per finta pagato con soldi veri) e procurati una bus.bar e due fusibili a vite da 80A da mettere sui poli positivi delle BS. Se non te la senti vai da un tecnico, non lo stesso...  
...
Forse OT,  anzi sicuramente ma, sto utilizzando una SIM spagnola in roaming per non perderla e le connessioni vanno un pò rilento. 
Comunque, mi hai preceduto nel pensiero.

Ciro. 

 
nomade analogico e fanciulla all'imbrunire. Non ho nulla da vendere nè consigli da dare, solo qualche piccolo suggerimento da prendere con le pinze, possibilmente, amperometriche. Buoni Km a tutti e......... rammentate sempre che....... TESTAR NON NUOCE!
22
B747
B747
22/08/2003 3253
Rispondi Abuso
Inserito il 03/03/2026 alle: 10:32:17
In risposta al messaggio di Emme48 del 03/03/2026 alle 09:45:28

I riscaldatori a gasolio vanno collegati direttamente alla batteria, niente interruttori o relè perhè se gli togli corrente quando sono in funzione, bruci la scheda e deformi la caldaia. Togli quel coso la cui uscia non
è collegata (è li per finta pagato con soldi veri) e procurati una bus.bar e due fusibili a vite da 80A da mettere sui poli positivi delle BS. Se non te la senti vai da un tecnico, non lo stesso...  
...
non so se "per secondo cavo" intendesse quello collegato in parallelo alla BS visibile in foto, se invece fosse quello (di sezione più piccola) collegato all'altro ingresso del coso, saremmo di fronte ad una installazione ancora più demenziale! :-O
Ciao! Gianluca
Hymer Ayers Rock su Ducato 540 140cv
SostaGruppiCompagniItaliaEsteroMarchiMeccanicaCellulaAccessoriEventiLeggiComportamentiDisabiliIn camper perAltro CamperAltroExtra Attivi
Argomenti recenti dal forum
Altro sui camper
Dubbio su cambio Camper
Ciao a tutti spero di aver azzeccato la pagina giusta per esporre questo quesito, ho un Fr...
Pugilato1
53 minuti fa
Meccanica
Molle anteriori MAD HV058158 per Ducato 244
Salve a tuti. Ho letto quasi tutte le discussioni in merito ma non ho trovato riferimenti ...
dekracap
Ieri alle: 23:15
Meccanica
Sostituzione radiatore refrigerante
Salve ,devo sostituire il radiatore , al ducato2800jtd 127 CV perche perde liquido ,sicco...
giuvanella
Ieri alle: 19:58
Cellula abitativa
Wi-Fi nel camper
Salve a tutti ! E' da un po' che ci penso ma non so nemmeno io se poi è così importante av...
flo1
Ieri alle: 19:06
Normative
Camper del 2001: modifica da N1 a M1 a libretto
Ciao a tutti, circa un anno fa ho acquistato un camper usato del 2001 (Ducato Mobilvetta)....
wyominger
Ieri alle: 18:08
Altro sui camper
Dilemma - Il primo camper
Ciao a tutti! È il mio post e spero di aver selezionato la categoria giusta. Tra qualche ...
Cappino
Ieri alle: 15:49
Accessori
Odore brutto
Buongiorno, quando accendo la Truma Combi 4 a gas per scaldare l'acqua si sente un forte o...
garrincia
Ieri alle: 15:44
Accessori
Batteria servizi carica ma sempre in Scarica
Buongiorno, ho acquistato una nuova batteria dei servizi AGM 12 100 mh per sostituire una ...
dariods92
Ieri alle: 15:00
Meccanica
Consiglio assetto per Hymer MLT 570 Mercedes 419
Buongiorno, chiedo un consiglio a chi già possiede questo camper Hymer mlt 570 se è necess...
laurarem
Ieri alle: 14:07
Altro sui camper
Che botta!
Posto queste foto di un van Ducato tedesco coinvolto in un tamponamento a catena (Instagra...
Furio59
Ieri alle: 10:51
Meccanica
Domanda tecnica contachilometri
Il mio camper nuovo su Fiat Ducato light 35 ql 2200 cc e 140 cv € 6 ... è arrivato dalla f...
maxime
Ieri alle: 07:56
Accessori
Preparazione impianto per Batteria Litio
Chiedo consigli / aiuto. Sto preparando l'impianto elettrico del mio camper per poter ins...
Giusassi54
14/04/26 - 21:14
167k Facebook
343k Instagram
42,6k TikTok
73,3k Youtube
CamperOnLine - Copyright © 1998-2026 - P.Iva 06953990014
Informativa privacy
Loading...

Accedi

Recupera Password
Nuovo utente

Vuoi eliminare il messaggio?

Sottoscrizione

Anteprima

PREFERENZA

Il messaggio è in fase di inserimento.

loading

CamperOnLine

Buongiorno gentile utente,

da oltre 20 anni Camperonline offre gratuitamente tutti i suoi servizi
grazie agli inserzionisti che ci hanno dato la loro fiducia, permettici di continuare il nostro lavoro disattivando il blocco delle pubblicità.

Grazie della collaborazione.

Azione eseguita con successo

Azione Fallita

Condividi

Condividi questa pagina con:

O copia il link