https://www.lifepo4.eu/it/shop/...
In risposta al messaggio di LaJena del 24/11/2021 alle 16:48:21sono felice che da una semplice riflessione si sia poi deciso per ciò che ho proposto. Non te ne pentirai.
Dato ok per Efoy 80.
In risposta al messaggio di Emme48 del 24/11/2021 alle 17:36:07Il vero vantaggio dell'efoy pro 900 dovrebbe essere che dura molto piu' a lungo (6000 ore di funzionamento) prima di venire rottamato.
L'Efoy produce energia, una litio accumula energia, sono due cose ben diverse. Ottima scelta... Quando viaggi ricarichi, quando c'è il sole ricarichi, se mancano entrambi c'è l'Efoy e quando segnala tanica esaurita nemetti un'altra. Nulla da gestire, nessuna tensione o percentuale di carica da considerare. ... dobbiamo indagare sull'Efoy Pro 900 che dalle caratteristiche sembra migliore dell'80, pur avendo la stessa potenza. Passare da temporary applicatios fino a 40 gradi dell'80 a contnuous applications fino a 50 gradi del 900 Pro dovrebbe indicare un prodotto migliore, entrambi da 40 Watt. Marco.
https://www.efoy-pro.com/wp-con...
In risposta al messaggio di jana del 25/11/2021 alle 15:20:05Grazie per il contributo.
Ho scritto nell'altro 3D su perfetta assistenza della casa madre per quanto riguarda efoy. Piu meno costosa secondo quale e' il problema ma perfetta. Utima volta andando in errore il software mi hanno mandato aggegginoper ricaricare efoy, fatto, funziona perfettamente din uiovo, entro 4 settimane devo restituire apparecchietto dentro la busta inviatami con ò'indirizzo senza paagre bulla. Nostro w' un 1300 del 2008, il camepr ha cca 275 mila km, efoy ha lavorato di coseguenza. Non saprei come fare senza. (Io ormai mi rovolgo direttamente alla casa madre senza passare dal conce... scrivo in italiano e mi rispondono in italiano.)
In risposta al messaggio di Max TO del 25/11/2021 alle 10:15:00Premesso che il 100% delle celle e dei Bms è prodotto in Cina (salvo smentite), quello a cui ti riferisci è una batteria assemblata in Europa. Cioè un contenitore dove sono state inserite 4 celle e un BMS.
Mi inserisco in questo post che il mio era quasi un doppione. Qualcuno ha esperienza su una Litio 100ah cinese brandizzata che sia affidabile? NDS, la recente Carbest ruotano attorno ai 1.000€, io per ora stavo valutando questa: Lifepo4+12V+100Ah-6
In risposta al messaggio di Subalpino del 25/11/2021 alle 16:07:10Ok, chiarissimo, grazie...!
Premesso che il 100% delle celle e dei Bms è prodotto in Cina (salvo smentite), quello a cui ti riferisci è una batteria assemblata in Europa. Cioè un contenitore dove sono state inserite 4 celle e un BMS. Quello che differenziala qualità dell’oggetto assemblato è ovviamente la qualità dei componenti utilizzati visto che l’assemblaggio è un’attività elementare e si presuppone che chiunque possa farla correttamente. Purtroppo quasi mai si riesce a sapere cosa contiene la scatola. Per questo molti noi hanno preferito la strada dell’auto costruzione. Il valore di un etichetta appiccicata sopra può paragonarsi ad una sorta di assicurazione sul guasto. Considerando che il valore di materiale inportato per una 100 Ah (celle Eve e Bms Daly) sta sotto i 400€, puoi valutare quanto costa questa assicurazione. Io ho preferito comprare 2 sistemi confidando che almeno uno sopravviva.
In risposta al messaggio di LaJena del 25/11/2021 alle 15:44:44Io ti auguro di fare 275 mila km con questo efoy, poi probabilmente qualche inghippo ci sara... Come con tutto. Importante che ti risolvono il problema. Conce ci ha detto meglio la nuova batteria qualla da forse 800 euro? Non ricordo, scartato subito. perche no riparare secondo conce? Efoy, loro ci mandano un coso, poi a volte non aggiusta invece rovina definitivamente efoy... (e si... allora me lo mando in germania no?) E si fanno pure pagare se va male. Fatto da noi ampiamente soddisfatti. Buoni viaggi!
Grazie per il contributo. Anche se spero di non averne mai bisogno ;)
In risposta al messaggio di Fran50 del 25/11/2021 alle 19:02:23Nello schema c’è a mio parere un loop sul circuito dell’ alternatore ma onestamente non capisco il vantaggio di un impianto così complicato.
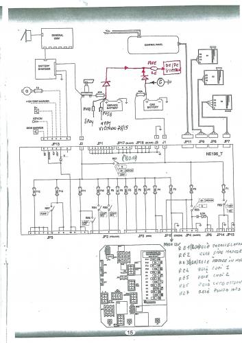
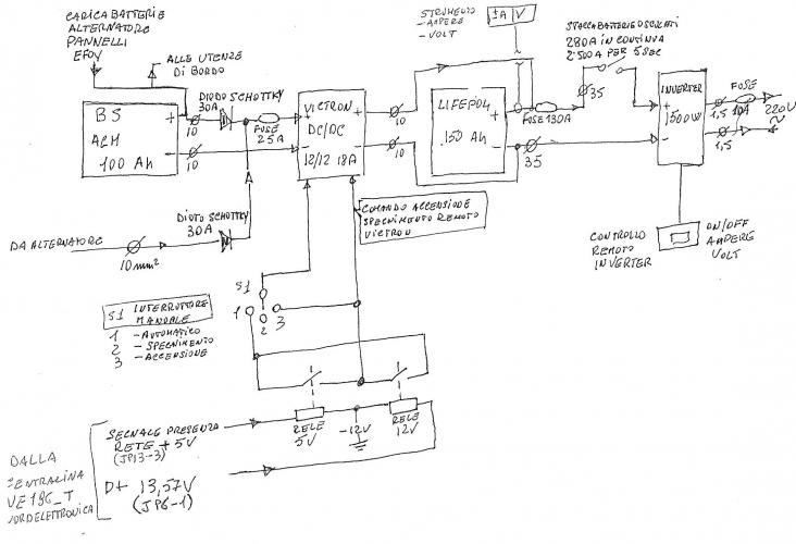
Salve Ho la necessità di caricare, saltuariamente, le batterie di due E-bike per un totale se completamente scariche di 1675W comprese le perdite inverter/caricabatterie. Attualmente ho già installato a bordo un inverterda 1500W, collegato all'unica BS da 100Ah, che ho raramente utilizzato. Volevo installare una batteria lifepo4, completamente dedicata all'inverter, che possa servire oltre che per ricaricare le E-bike (necessità prioritaria) anche per eventuale phon e ormai che ci siamo anche per la famigerata nespresso. Premetto che avendo il camper, quando fermo, continuamente collegato alla 230V, partirei quindi con le batterie cariche. Per evitare di le note problematiche della sostituzione della BS con la litio (relè parallelatore, cavi di grossa sezione, nuovo caricabatteria ecc.) ho pensato di fare un circuito come da schema allegato. Avevo già postato questo concetto in un atro tread ma la moderazione lo ha seccato invitandomi a inserire la domanda quì. Avrei piacere di sapere: - Se secondo voi quello che ho pensato possa funzionare o se secondo voi ci sono controindicazioni. - Eventualmente se mi potete indicare la marca di una batteria lifepo4 da 150Ah o da 200Ah che potrei installare. Premetto che, se non uso l'inverter, non ho mai avuto problemi energetici. Grazie Francesco
In risposta al messaggio di Subalpino del 25/11/2021 alle 19:51:57Grazie delle considerazioni
Nello schema c’è a mio parere un loop sul circuito dell’ alternatore ma onestamente non capisco il vantaggio di un impianto così complicato. Se compri il DCDC e la batteria e realizzi il relativo circuito diretto non vedo perché tenere la agm.

In risposta al messaggio di Fran50 del 25/11/2021 alle 22:26:44La centralina è il modello più vecchio della mia, se ne è parlato in altri thread. A me sembra che la corrente dall’ alternatore passi anche attraverso la centralina per alimentare il DcDc.
Grazie delle considerazioni Volevo realizzare questo circuito perchè l'idea era di lasciare inalterato il circuito esistente. Cioè: - Non sostituire il carica batteria, che dialoga con la centralina (+5V su jp13-3). - Nonpreoccuparmi di far transitare correnti eccessive sul relè parallelatore (RE1). - Evitare (con motore acceso o con caricabatterie alimentato di mettere in parallelo due batterie con caratteristiche differenti (BM con la nuova BS se questa venisse sostituita). Per quanto riguarda il loop non mi sembra che ci sia, in caso di motore in moto o in caso di caricabatteria alimentato otterrei che il DC/DC venga alimentato dal relè parallelatore della centralina e dal nuovo circuito,riducendo in questo modo la corrente a carico del relè parallelatore. Ti allego lo schema della mia centralina dove in rosso sono evidenziati i collegamenti che volevo fare. Questo è il mio pensiero, non sostengo di avere ragione, anzi sarei contento di ulteriori considerazioni anche critiche Saluti Francesco
In risposta al messaggio di Subalpino del 25/11/2021 alle 22:50:21Hai perfettamente ragione, quando il motore è in moto o quando il caricabatteria è alimentato la corrente passa anche dalla centralina in quanto i due circuiti vengono, con la chiusura del relè parallelatore, a trovarsi in parallelo, per alimentare il dc/dc dividendosi la corrente da questo richiesta (18A) per caricare, la litio
La centralina è il modello più vecchio della mia, se ne è parlato in altri thread. A me sembra che la corrente dall’ alternatore passi anche attraverso la centralina per alimentare il DcDc. Comunque ci sono a mio parereconsiderazioni non corrette, se viene realizzato un impianto standard: . Il relè va scollegato come è stato scritto in altro thread . A motore acceso la BM viene caricata direttamente dall alternatore mentre la BS attraverso il DcDc quindi non sono in parallelo . Nella centralina dovrebbe esserci un diodo che consente la ricarica della BS da 220 a 2A L’unica cosa che effettivamente va modificata è il CB per la litio. Io per ora ho scelto di affiancarne uno a quello esistente e scollego la BS dalla centralina quando sono in sosta.
In risposta al messaggio di LaJena del 20/12/2021 alle 12:18:36sono due batterie di marchio e costruzione cinesissima. Non giudico la qualità, ma la scoprirai...
Ritirato sabato il mezzo. Montato l'efoy80 con 2 AGM da 125Ah oltre al webasto ed altri interventi di contorno. Le batterie montate non mi entusiasmano un granché ma sono le uniche che ha trovato che, senza far modifiche,stavano nello stesso vano ma con maggior capacità. Sono 2 TN Power Deep da 125Ah. Staremo a vedere. Efoy montato nella cassapanca difronte a quella delle batterie, con la sua tanica da 10. Pannello di controllo montato in posizione comoda. Testato anche il funzionamento via bt. Al momento ho visto che ha girato un paio d'ore circa in autoprotezione visto che sia sabato sia domenica la notte ha fatto piuttosto fresco. Ora mi leggo per bene il manuale visto che che ci sono un po' di settaggi che si possono variare. Inoltre valuterò l'aggiunta di una seconda sella di ancoraggio per una tanica di scorta.
In risposta al messaggio di LaJena del 20/12/2021 alle 12:18:36Ottima scelta.
Ritirato sabato il mezzo. Montato l'efoy80 con 2 AGM da 125Ah oltre al webasto ed altri interventi di contorno. Le batterie montate non mi entusiasmano un granché ma sono le uniche che ha trovato che, senza far modifiche,stavano nello stesso vano ma con maggior capacità. Sono 2 TN Power Deep da 125Ah. Staremo a vedere. Efoy montato nella cassapanca difronte a quella delle batterie, con la sua tanica da 10. Pannello di controllo montato in posizione comoda. Testato anche il funzionamento via bt. Al momento ho visto che ha girato un paio d'ore circa in autoprotezione visto che sia sabato sia domenica la notte ha fatto piuttosto fresco. Ora mi leggo per bene il manuale visto che che ci sono un po' di settaggi che si possono variare. Inoltre valuterò l'aggiunta di una seconda sella di ancoraggio per una tanica di scorta.
In risposta al messaggio di LaJena del 20/12/2021 alle 15:20:05esatto, non sono quelle il "problema" tanto ora avendo l'Efoy se anche non sono performanti al massimo ci penserà l'efoy stesso a sopperire alla mancanza di energia.
Il camper lo ho... davanti a casa e collegato alla 220 Appena ho un minuto vedo di capire come smontarlo e rincasarlo. Per le batterie... temevo fossero delle cinesate e così è. Sul sito le descrivono come suppppperipppppper mega performanti... vabbè... staremo a vedere. Male che vada (appena recupero un po' di euri) ripasso alle GreenPower oppure alle victron