
In risposta al messaggio di Emme48 del 20/02/2016 alle 09:32:08
Se vi becco a disegnare circuiti elettrici senza fusibili immediatamente all'uscita delle fonti di alimentazione (batterie)..... Marco.
Ciao Emme48,
In risposta al messaggio di enzo44 del 20/02/2016 alle 09:27:51
Ciao, il collegamento idraulico va bene, hai fatto il classico parallelo, per il solo motore potevi interrompere un solo tubo, collegamento in serie, un pò piu' semplice, in questo caso la temperatura motore e radiatorino cabina è la stessa.Un saluto Enzo
Ok grazie
.......
.......sono soddisfatto
adesso vorrei migliorarlo.
In risposta al messaggio di enzo44 del 23/02/2016 alle 23:16:32
Ciao, l'impianto idraulico, come da schema, va bene, ed l'unico modo, almeno il piu' semplice, che ti permetterà di gestire ed eventualmente separare il riscaldamento abitacolo da quello della meccanica, il liquido non vane in conflitto ne in corto, i radiatori di casa al 99% sono in parallelo e mi sembra che funzionino benissimo, mi preoccuparei della vibrazione sotto il sedile, che potrebbe essere causata da un problema alla pompa dell'acqua, se tutto è a posto il Webasto non vibra, certo il montaggio dei silet bloc è auspicabile in quanto evita il progagarsi del rumore nella cellula ed evidentemente le micro vibrazioni degli organi in movimento. Un saluto Enzo
Ok mi hai confermato ciò che pensavo, infatti come ho già scritto ho messo due rubinetti per escludere il web se mai vi vosse la necessità..........ma ancora un dubbio mi attanaglia
..............é normale che si scalda il manicotto grosso inferiore che va al radiatore e il superiore rimane freddo?? Quando ho installato i tubi sono stato attento alla mandata e ritorno però avrei potuto fare un po' di confusione!! Ora smontare il tutto sarebbe un po complicato e al tatto " quello che scalda prima e dopo" non ha abuto risultati In risposta al messaggio di Lupoartico del 24/02/2016 alle 01:06:54
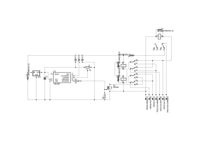
Salve a tutti… sono disperato non riesco a far funzionare la ventola cruscotto indipendentemente dalla chiave sul mio Ducato x 250 …. qualcuno mi spieghi come risolvere il problema per favore. Ecco ciò che cosa hofattoPrelevato alimentazione BM e positivo motore ventola dalla scatola fusibili con i faston maschi (come suggerito da Enzo 44) Fatto eccitare bobina con + sottochiave BM e un negativo Collegato nel comune il positivo della ventola Collegato il positivo BS al 87 (il carico )Funziona solo con la chiave inserita!!! Devo collegare l’ 87b con un altro positivo BM diretto? Grazie Sandro
Ciao, come ti ha suggerito l'amico Finnico, dovrai collegare la BM sul contatto 87, normalmenta aperto, e la BS sul contatto 87b, normalmente chiuso, va da se che senza accendere il motore la ventola sarà alimentata dalla BS, con motore acceso, chiave girata, la ventola sarà alimentata dalla BM, come lo hai collegato la ventola, anche con chiave girata, è alimentata dalla BS, un saluto Enzo