CamperOnLine
  • Camper
    • Camper usati
    • Camper nuovi
    • Produttori
    • Listino
    • Cataloghi
    • Concessionari e rete vendita
    • Noleggio
    • Van
    • Caravan
    • Fiere
    • Rimessaggi
    • Le prove di CamperOnLine
    • Provati da voi
    • Primo acquisto
    • Area professionisti
  • Accessori
    • Accessori e Prodotti
    • Camping Sport Magenta accessori
    • Produttori
    • Antenne TV
    • Ammortizzatori
    • GPS
    • Pneumatici
    • Rimorchi
    • Provati da Voi
    • Fai da te
  • Viaggi
    • Diari di viaggi in camper
    • Eventi
    • Foto
    • Check list
    • Traghetti
    • Trasporti
  • Sosta
    • Cerca Strutture
    • Sosta
    • Aree sosta camper
    • Campeggi
    • Agriturismi con sosta camper
    • App Camperonline App
    • 10 Consigli utili per la sosta
    • Area strutture
  • Forum
    • Tutti i Forum
    • Sosta
    • Gruppi
    • Compagni
    • Italia
    • Estero
    • Marchi
    • Meccanica
    • Cellula
    • Accessori
    • Eventi
    • Leggi
    • Comportamenti
    • Disabili
    • In camper per
    • Altro Camper
    • Altro
    • Extra
    • FAQ
    • Regolamento
    • Attivi
    • Preferiti
    • Cerca
  • Community
    • COL
    • CamperOnFest
    • Convenzioni Convenzioni
    • Amici
    • Furti
    • Informativa Privacy
    • Lavoro
  • COL
    • News
    • Newsletter
    • Pubblicità
    • Contatto
    • Ora
    • RSS RSS
    • Video
    • Facebook
    • Instagram
  • Magazine
  • Italiano
    • Bienvenue
    • Welcome
    • Willkommen
  • Accedi
CamperOnLine
Camping Sport Magenta
  1. Forum
  2. Tecnica
  3. Cellula abitativa
Galleria

frigorifero thetford con problema

Nuovo
Cerca
SostaGruppiCompagniItaliaEsteroMarchiMeccanicaCellulaAccessoriEventiLeggiComportamentiDisabiliIn camper perAltro CamperAltroExtra Attivi
1 20 3
elCetti
elCetti
-
Inserito il 17/12/2016 alle: 19:21:51
Ciao a tutti
il mio frigo thetford modello N100E ( con selettore fonte  energetica manuale) di 12 anni
è sempre stato "lunatico" ...a gas tante volte difficoltà a tenere la fiamma seguito da lunghi periodi senza problemi. 
2 anni fa cambiato bruciatore e piezo.
Questa estate a gas mi ha dato dei problemi poi tutto ha ricominciato a funzionare perfettamente.
Ora non mi funziona più a 220 volts.
Pensavo di sostituire il selettore di alimentazione,ho letto nel forum che altri hanno risolto cosi.
Che ne dite?
Consigli?
Comefaccio a capire se è il selettore che ha problemi?
Ciao a tutti e grazie per le risposte....Sandro
costo???





 
il viaggio non soltanto allarga la mente: le da forma ... Bruce Chatwin
15
renzo07
renzo07
rating

16/11/2010 4080
Inserito il 17/12/2016 alle: 19:48:47
In risposta al messaggio di elCetti del 17/12/2016 alle 19:21:51

Ciao a tutti il mio frigo thetford modello N100E ( con selettore fonte  energetica manuale) di 12 anni è sempre stato lunatico ...a gas tante volte difficoltà a tenere la fiamma seguito da lunghi periodi senza problemi. 
2 anni fa cambiato bruciatore e piezo. Questa estate a gas mi ha dato dei problemi poi tutto ha ricominciato a funzionare perfettamente. Ora non mi funziona più a 220 volts. Pensavo di sostituire il selettore di alimentazione,ho letto nel forum che altri hanno risolto cosi. Che ne dite? Consigli? Comefaccio a capire se è il selettore che ha problemi? Ciao a tutti e grazie per le risposte....Sandro costo???   il viaggio non soltanto allarga la mente: le da forma ... Bruce Chatwin
...

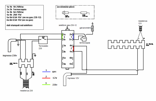
Ciao,
va seguito con il tester il percorso del 230V
Ti metto uno schema che ho  ricondizionato io prendendolo dalla doc thetford, per cui spero sia corretto.
Il 230V prima di andare alla resistenza passa dal selettore e dal termostato.
I selettore costa sui 22 euro da campinglife, almeno l'ho visto li ma senz'altro lo trovi da altre parti.
Renzo.

elCetti
elCetti
-
Inserito il 17/12/2016 alle: 19:59:58
Grazie..
..quindi pensi che possa essere il selettore...
seguirò la 220


Ciao Sandro


 
il viaggio non soltanto allarga la mente: le da forma ... Bruce Chatwin
15
renzo07
renzo07
rating

16/11/2010 4080
Inserito il 18/12/2016 alle: 00:36:02
In risposta al messaggio di elCetti del 17/12/2016 alle 19:59:58

Grazie.. ..quindi pensi che possa essere il selettore... seguirò la 220 Ciao Sandro   il viaggio non soltanto allarga la mente: le da forma ... Bruce Chatwin

Potrebbe essere il selettore, il termostato, oppure la stessa resistenza che e' bruciata.
Hai detto che ha fatto le bizze anche a gas, per cui tieni conto che il circuito della termocoppia che fa tenere la fiammella accesa, passa dal selettore.
Per il selettore guarda qui: https://www.camperonline.it/fai...
L'autore e' riuscito ad aprire il selettore credo per pulirlo, non dice che frigo e' ma il selettore sembra lo stesso.
Renzo.
SostaGruppiCompagniItaliaEsteroMarchiMeccanicaCellulaAccessoriEventiLeggiComportamentiDisabiliIn camper perAltro CamperAltroExtra Attivi
Argomenti recenti dal forum
Accessori
Riduttore per ricarica gpl ford rimor
Salve, qualcuno sa dove posso procurare un riduttore esterno per riempire la bombola gpl? ...
Jessyteo
Ieri alle: 19:13
Accessori
interruttore per DC-DC NE325 40A
Ciao, devo predisporre un interruttore del DC-DC del camper nuovo visto che avra' batteria...
sicce
Ieri alle: 18:46
Altro non sui camper
Bicletta elettrica
Vorrei chiedere informazioni su biciclette elettriche pro e contro, siamo due quasi vecch...
lena
Ieri alle: 18:00
Accessori
Cuffia / Cover per staffe scaletta e portapacchi.
Buongiorno a tutti , chiedo aiuto della community perchè ho provato a cercare un pò ovunqu...
DarioCoral660sp
Ieri alle: 10:11
Meccanica
Cerco 1 cerchio MAK Fuoco
Buongiorno camperisti, Sono alla ricerca da.mesi di 1 cerchio MAK Fuoco x Ducato da 15. P...
Pat80
Ieri alle: 10:11
Cellula abitativa
Problema luci ingombro su Laika Kreos 3001
Buongiorno a tutti, da 2 settimane ho acquistato un Laika Kreos 3001 da un privato. Premet...
corsaro81
Ieri alle: 07:23
Accessori
Tenda a binario per abitacolo guida
ciao ho provato a far una ricerca ma non ho trovato, magari, sicuramente, sbaglio anyway, ...
el biso
11/05/26 - 22:50
Meccanica
Chiave abbassa batteria servizi
Ciao a tutti, io mi chiedo chi è quell' ingegnere che ha progettato e messo la batteria de...
Massi77massi
11/05/26 - 22:05
Meccanica
Motorino tergicristallo Laika Ecovip 200
Ciao! Sono possessore di un Laika Ecovip 200 su base Ford Transit 190 del 1994. Purtroppo ...
rockford
11/05/26 - 21:10
Viaggi all'estero
Parigi per Disneyland
Buonasera , chiedo sempre voi esperti piu' di me. Vorremmo portare ad agosto il bambino a...
PieroneRM80
11/05/26 - 19:16
Marchi
Scelta veicolo per famiglia: van o camper?
Ciao a tutti, dopo mille idee per prendere un Ford Transit Custom (da usare al posto dell...
corbergio
11/05/26 - 17:31
Meccanica
Tagliando Mercedes Sprinter 316
Buongiorno, c’è qualcuno che mi sa indicare una buona officina con prezzi onesti per tagl...
aquila56
11/05/26 - 15:22
168k Facebook
343k Instagram
42,6k TikTok
73,6K Youtube
CamperOnLine - Copyright © 1998-2026 - P.Iva 06953990014
Informativa privacy
Loading...

Accedi

Recupera Password
Nuovo utente

Vuoi eliminare il messaggio?

Sottoscrizione

Anteprima

PREFERENZA

Il messaggio è in fase di inserimento.

loading

CamperOnLine

Buongiorno gentile utente,

da oltre 20 anni Camperonline offre gratuitamente tutti i suoi servizi
grazie agli inserzionisti che ci hanno dato la loro fiducia, permettici di continuare il nostro lavoro disattivando il blocco delle pubblicità.

Grazie della collaborazione.

Azione eseguita con successo

Azione Fallita

Condividi

Condividi questa pagina con:

O copia il link