In risposta al messaggio di fiorevale del 28/01/2026 alle 16:13:48Dipende cosa hai fatto per bypassare la centralina, potresti aver fatto quello che dici oppure hai in qualche modo disattivato il D+/sotto chiave che permetteva di far salire il gradino e commutare a 12v il frigo.
Buongiorno a tutti, ho un SUNLIVING A45DK con un problema al gradino del camper. Premetto che il problema ce l'ho da quando ho sostituito il frigo trivalente con uno a compressore e, per far funzionare quest'ultimo anchea motore spento, ho dovuto bypassare la centralina perchè attivava il funzionamento a batteria solo con motore acceso. Tutto bene, il frigo collegato direttamente alla batteria funziona e non ci sono problemi, ho notato però che il rientro automatico in sede del gradino esterno non funziona più. Aggiungo che, il rientro manuale del gradino non ha nessun problema. Non è che il gradino era collegato e quindi veniva azionato dalla centralina attraverso la linea frigo che adesso non è più collegata? Non so se mi sono spiegato, del resto capisco che la questione è un pochino ingarbugliata, però mi viene questo dubbio! Grazie 4 veicoli diversi in 8 anni. Sto facendo pratica...
In risposta al messaggio di fiorevale del 28/01/2026 alle 16:13:48Ciao! Il tuo sospetto è giustissimo: nei mezzi Trigano/Sunliving, il segnale D+ (motore acceso) è spesso condiviso tra la logica del frigo e il rientro del gradino. Facendo il bypass per il frigo a compressore, hai probabilmente interrotto questa linea, lasciando il gradino "al buio". Ti basta individuare il comando D+ rimosso e ricollegarlo al relè del gradino per risolvere. Spesso queste modifiche creano una vera giungla di cavi, quindi usa un tester a motore acceso per trovare il segnale perduto e ripristinare l'automatismo in sicurezza.
Buongiorno a tutti, ho un SUNLIVING A45DK con un problema al gradino del camper. Premetto che il problema ce l'ho da quando ho sostituito il frigo trivalente con uno a compressore e, per far funzionare quest'ultimo anchea motore spento, ho dovuto bypassare la centralina perchè attivava il funzionamento a batteria solo con motore acceso. Tutto bene, il frigo collegato direttamente alla batteria funziona e non ci sono problemi, ho notato però che il rientro automatico in sede del gradino esterno non funziona più. Aggiungo che, il rientro manuale del gradino non ha nessun problema. Non è che il gradino era collegato e quindi veniva azionato dalla centralina attraverso la linea frigo che adesso non è più collegata? Non so se mi sono spiegato, del resto capisco che la questione è un pochino ingarbugliata, però mi viene questo dubbio! Grazie 4 veicoli diversi in 8 anni. Sto facendo pratica...
https://orizzontenomade.it/
In risposta al messaggio di fiorevale del 29/01/2026 alle 08:23:16Il pin7 è la 12V che proviene dalla BM e che alimenta il frigo tramite il contatto del relè, il relè è controllato dal D+.
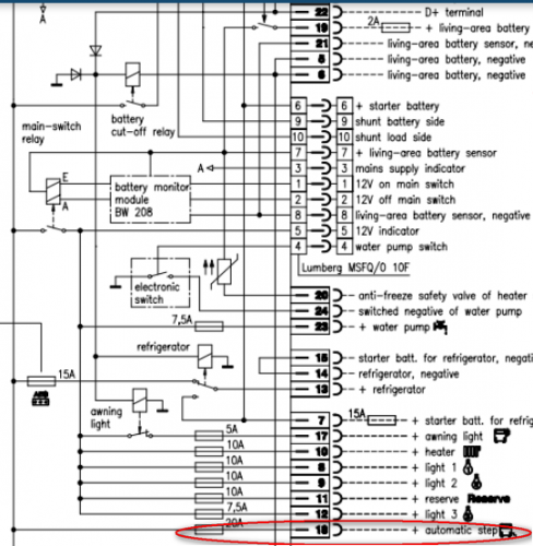
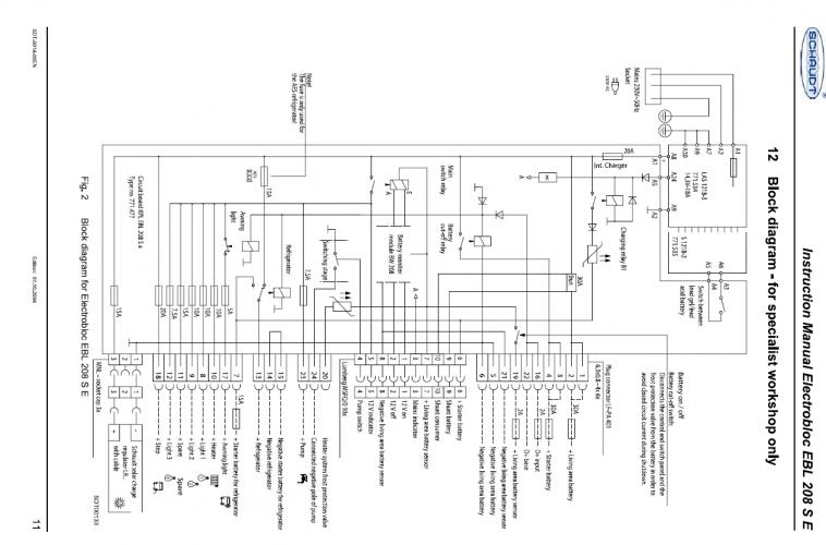
Grazie a entrambi! Purtroppo queste cose, vanno risolte appena si notano perchè (nel mio caso il frigo l'ho cambiato a giugno) il problema l'ho riscontrato subito ma ho aspettato fino ad ora per metterci mano. E quindinon è che mi ricordo proprio bene bene bene cosa ho fatto! Comunque allego sia la fotografia con la descrizione delle connessioni della centralina, che è una EBL208 S e una parte dello schema elettrico. Per certo so di aver scollegato un filo verde che dalla batteria arrivava al frigo e a questo punto, credo che fosse collegato alla connessione numero 7, è corretto?

In risposta al messaggio di fiorevale del 29/01/2026 alle 15:46:03Verifica se quel filo é proprio il D+, prendi un tester e verifica se, dopo qualche secondo che il camper é in moto su quel filo arriva il 12 volt
Hai ragione, probabilmente non ricordo bene e sono andato a verificare meglio (tramite fotografia fatta da mia moglie visto che io adesso non sono a casa). Nel frattempo ho cercato di farmi aiutare dalla AI ma non so sefidarmi o meno... In breve, ho notato che il pin 16 non ha cavi collegati e il suggerimento (con spiegazione) della AI è il seguente: scollegando il cavo dal pin 16 (D+ input) la centralina non riceve più il segnale D+ e quindi non può comandare le varie utenze che necessitano di questo segnale di consenso. Ricollegando il cavo al PIN 16 daresti nuovamente il segnale e tutto torna a posto Però non mi fido molto in quanto, pur ricollegando il cavo D+ al PIN, non capisco quale potrebbe essere il cavo che porta il D+ allo scalino. Comunque proverò a motore spento a verifcare che il cavo scollegato non abbia tensione, e se dovesse averne a motore acceso potrei provare a ricollegarlo al PIN 16. Dite che rischio di combinare casini? Per quanto riguarda i cavi che erano collegati al 13 e al 14, sono stati tolti e collegati direttamente alla batteria (con fusibile sul +) per bypassare il controllo motore acceso/spento della centralina.
In risposta al messaggio di fiorevale del 29/01/2026 alle 15:46:03Il D+ entra in centralina nel pin 16, poi esce dal pin 22, dove va non lo so, ma potrebbe essere utilizzato per il gradino.
Hai ragione, probabilmente non ricordo bene e sono andato a verificare meglio (tramite fotografia fatta da mia moglie visto che io adesso non sono a casa). Nel frattempo ho cercato di farmi aiutare dalla AI ma non so sefidarmi o meno... In breve, ho notato che il pin 16 non ha cavi collegati e il suggerimento (con spiegazione) della AI è il seguente: scollegando il cavo dal pin 16 (D+ input) la centralina non riceve più il segnale D+ e quindi non può comandare le varie utenze che necessitano di questo segnale di consenso. Ricollegando il cavo al PIN 16 daresti nuovamente il segnale e tutto torna a posto Però non mi fido molto in quanto, pur ricollegando il cavo D+ al PIN, non capisco quale potrebbe essere il cavo che porta il D+ allo scalino. Comunque proverò a motore spento a verifcare che il cavo scollegato non abbia tensione, e se dovesse averne a motore acceso potrei provare a ricollegarlo al PIN 16. Dite che rischio di combinare casini? Per quanto riguarda i cavi che erano collegati al 13 e al 14, sono stati tolti e collegati direttamente alla batteria (con fusibile sul +) per bypassare il controllo motore acceso/spento della centralina.