CamperOnLine
  • Camper
    • Camper usati
    • Camper nuovi
    • Produttori
    • Listino
    • Cataloghi
    • Concessionari e rete vendita
    • Noleggio
    • Van
    • Caravan
    • Fiere
    • Rimessaggi
    • Le prove di CamperOnLine
    • Provati da voi
    • Primo acquisto
    • Area professionisti
  • Accessori
    • Accessori e Prodotti
    • Camping Sport Magenta accessori
    • Produttori
    • Antenne TV
    • Ammortizzatori
    • GPS
    • Pneumatici
    • Rimorchi
    • Provati da Voi
    • Fai da te
  • Viaggi
    • Diari di viaggi in camper
    • Eventi
    • Foto
    • Check list
    • Traghetti
    • Trasporti
  • Sosta
    • Cerca Strutture
    • Sosta
    • Aree sosta camper
    • Campeggi
    • Agriturismi con sosta camper
    • App Camperonline App
    • 10 Consigli utili per la sosta
    • Area strutture
  • Forum
    • Tutti i Forum
    • Sosta
    • Gruppi
    • Compagni
    • Italia
    • Estero
    • Marchi
    • Meccanica
    • Cellula
    • Accessori
    • Eventi
    • Leggi
    • Comportamenti
    • Disabili
    • In camper per
    • Altro Camper
    • Altro
    • Extra
    • FAQ
    • Regolamento
    • Attivi
    • Preferiti
    • Cerca
  • Community
    • COL
    • CamperOnFest
    • Convenzioni Convenzioni
    • Amici
    • Furti
    • Informativa Privacy
    • Lavoro
  • COL
    • News
    • Newsletter
    • Pubblicità
    • Contatto
    • Ora
    • RSS RSS
    • Video
    • Facebook
    • Instagram
  • Magazine
  • Italiano
    • Bienvenue
    • Welcome
    • Willkommen
  • Accedi
CamperOnLine
Camping Sport Magenta
  1. Forum
  2. Tecnica
  3. Cellula abitativa
Galleria

Laika Ecovip 2 anno 1996, impianto litio

Rispondi
Cerca
SostaGruppiCompagniItaliaEsteroMarchiMeccanicaCellulaAccessoriEventiLeggiComportamentiDisabiliIn camper perAltro CamperAltroExtra Attivi
1 20 1
9
sharkmiki
sharkmiki
26/03/2017 1
Rispondi Abuso
Inserito il 14/12/2024 alle: 13:53:24
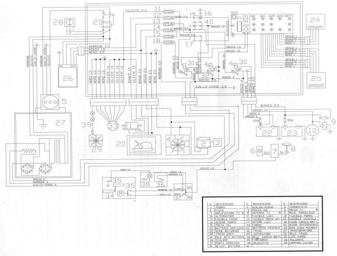
Salve a tutti.
Chiedo agli esperti: il file mostra lo schema elettrico del Laika Ecovip2.
Nella parte anteriore del cofano motore trovano posto sia la bs da 100ah che bm entrambe al piombo acido che da ricarica alternatore sono collegate con un parallelatore. Per quanto riguarda la ricarica da 220 volt la presa è situata in coda e come da schema passa da un trasformatore cbe (non idoneo alle litio) che si collega alla vecchia centralina che alimenta tutte le utenze [entra con un faston con due cavi positivi (1 per segnalare la presenza di rete non presente in altri caricabatteria) e un negativo] e mediante interruttori può caricare a scelta le due batterie come si intuisce con uscita/ingresso del fast-on a 4 fili della centralina-batterie. Al momento proprio questo faston è stato modificato per inserire sui cavi nero/rosso l'uscita di un mppt 100/30 victron settato per caricare la bs piombo con pannelli da 400w. È possibile creare un sistema litio parallelo che non sostituisca quello attuale? Vorrei essere il meno invasivo possibile e lasciare l'impianto originale.
Avevo pensato di usare l'uscita CA del multiplus 3000 120/50 per collegare il caricabatteria originale cbe che continuerebbe ad alimentare la vecchia centralina mentre l'uscita 12v collegata al lynx distributor alla bs litio da almeno 200ah il tutto posizionato nella dinette . Mppt 100/30 sarebbe collegato al lynx e da alternatore collegherei xs50 a monte della bs piombo in modo che l'alternatore carichi prima la bm poi la bs piombo collegata col parallelatore e poi orion dc dc che assorbe per la bs litio. Da lynx uscita per i carichi e rientrare nella centralina... ma dallo stesso faston  con battery protect / argofet? per alimentate i dispositivi... e qui non ci capisco più nulla... chi può essermi d'aiuto?
 
9
sharkmiki
sharkmiki
26/03/2017 1
Rispondi Abuso
Inserito il 14/12/2024 alle: 13:56:17
In risposta al messaggio di sharkmiki del 14/12/2024 alle 13:53:24

Salve a tutti. Chiedo agli esperti: il file mostra lo schema elettrico del Laika Ecovip2. Nella parte anteriore del cofano motore trovano posto sia la bs da 100ah che bm entrambe al piombo acido che da ricarica alternatore
sono collegate con un parallelatore. Per quanto riguarda la ricarica da 220 volt la presa è situata in coda e come da schema passa da un trasformatore cbe (non idoneo alle litio) che si collega alla vecchia centralina che alimenta tutte le utenze [entra con un faston con due cavi positivi (1 per segnalare la presenza di rete non presente in altri caricabatteria) e un negativo] e mediante interruttori può caricare a scelta le due batterie come si intuisce con uscita/ingresso del fast-on a 4 fili della centralina-batterie. Al momento proprio questo faston è stato modificato per inserire sui cavi nero/rosso l'uscita di un mppt 100/30 victron settato per caricare la bs piombo con pannelli da 400w. È possibile creare un sistema litio parallelo che non sostituisca quello attuale? Vorrei essere il meno invasivo possibile e lasciare l'impianto originale. Avevo pensato di usare l'uscita CA del multiplus 3000 120/50 per collegare il caricabatteria originale cbe che continuerebbe ad alimentare la vecchia centralina mentre l'uscita 12v collegata al lynx distributor alla bs litio da almeno 200ah il tutto posizionato nella dinette . Mppt 100/30 sarebbe collegato al lynx e da alternatore collegherei xs50 a monte della bs piombo in modo che l'alternatore carichi prima la bm poi la bs piombo collegata col parallelatore e poi orion dc dc che assorbe per la bs litio. Da lynx uscita per i carichi e rientrare nella centralina... ma dallo stesso faston  con battery protect / argofet? per alimentate i dispositivi... e qui non ci capisco più nulla... chi può essermi d'aiuto?  
...
IMG-20240810-WA0003.jpg
SostaGruppiCompagniItaliaEsteroMarchiMeccanicaCellulaAccessoriEventiLeggiComportamentiDisabiliIn camper perAltro CamperAltroExtra Attivi
Argomenti recenti dal forum
Accessori
Veranda per Adria altea 472 pu
Ciao a tutti avrei bisogno di un consiglio. Sto acquistando una veranda ma non sono molto ...
Pietro88
Ieri alle: 22:42
Accessori
Gancio porta del forno
Buongiorno a tutti,ho un laika Eccovip 2 ho smarrito il gancio della porta del forno che s...
Telcobac
Ieri alle: 15:14
Accessori
Pannelli in parallelo --> MPPT
buona domenica a tutti ho appena installato un secondo pannello da 100w in parallelo all'e...
AlbertoPD
Ieri alle: 14:51
Accessori
Copertura esterna parabrezza motorhome
Caio a tutti, a breve cambieremo il nostro mansardato con un MH su meccanica Ducato, con t...
sicce
Ieri alle: 11:14
Accessori
Suncontrol 360b
Ho notato che il tecnico ha montato questo tipo di cavi , secondo me sono da 2,5 , è norma...
Domenico83
Ieri alle: 01:34
Aree di sosta e campeggi
Area sosta comunale
Buongiorno, volevo segnalare che a Dolceacqua, provincia Imperia, è aperta un'area camper ...
Ciuspo
18/04/26 - 17:40
Viaggi all'estero
Roma - Praga per arrivare a Cracovia
Buonasera a tutti , sono Piero da Roma , spiego velocemente , sono un nuovo camperista , h...
PieroneRM80
18/04/26 - 15:40
Meccanica
Ad Blue Citroen 2179cc 165cv stranezza
Buongiorno, ieri facendo la strada per andare al mare probabilmente in fase di rigenerazio...
AntoAdriaHR
18/04/26 - 14:38
Marchi
Saldatura carrozzeria/scocca Wingamm Oasi 610 2000
Ciao a tutti,mi rifaccio vivo per chiedere consiglio sull'acquisto di un .Molti consigli c...
marcello.g
18/04/26 - 09:48
Cellula abitativa
Caduta di tensione su voltmetri centralina camper
Ciao a tutti, da un paio di giorni sto rilevando un notevole drop di tensione, nello shunt...
Grezz
17/04/26 - 20:28
Viaggi in Italia
4 giorni... che mare scegliere?
Ciao a tutti , nella seconda settimana di giugno vorrei fare qualche giorno al mare. Parte...
Mistral78
17/04/26 - 15:50
Cellula abitativa
Prevenzione strisce su pareti esterne cellula
Salve a tutti. Sono alla eterna ricerca di modalità per prevenire la comparsa delle strisc...
lenticchia
17/04/26 - 15:32
167k Facebook
343k Instagram
42,6k TikTok
73,3k Youtube
CamperOnLine - Copyright © 1998-2026 - P.Iva 06953990014
Informativa privacy
Loading...

Accedi

Recupera Password
Nuovo utente

Vuoi eliminare il messaggio?

Sottoscrizione

Anteprima

PREFERENZA

Il messaggio è in fase di inserimento.

loading

CamperOnLine

Buongiorno gentile utente,

da oltre 20 anni Camperonline offre gratuitamente tutti i suoi servizi
grazie agli inserzionisti che ci hanno dato la loro fiducia, permettici di continuare il nostro lavoro disattivando il blocco delle pubblicità.

Grazie della collaborazione.

Azione eseguita con successo

Azione Fallita

Condividi

Condividi questa pagina con:

O copia il link