CamperOnLine
  • Camper
    • Camper usati
    • Camper nuovi
    • Produttori
    • Listino
    • Cataloghi
    • Concessionari e rete vendita
    • Noleggio
    • Van
    • Caravan
    • Fiere
    • Rimessaggi
    • Le prove di CamperOnLine
    • Provati da voi
    • Primo acquisto
    • Area professionisti
  • Accessori
    • Accessori e Prodotti
    • Camping Sport Magenta accessori
    • Produttori
    • Antenne TV
    • Ammortizzatori
    • GPS
    • Pneumatici
    • Rimorchi
    • Provati da Voi
    • Fai da te
  • Viaggi
    • Diari di viaggi in camper
    • Eventi
    • Foto
    • Check list
    • Traghetti
    • Trasporti
  • Sosta
    • Cerca Strutture
    • Sosta
    • Aree sosta camper
    • Campeggi
    • Agriturismi con sosta camper
    • App Camperonline App
    • 10 Consigli utili per la sosta
    • Area strutture
  • Forum
    • Tutti i Forum
    • Sosta
    • Gruppi
    • Compagni
    • Italia
    • Estero
    • Marchi
    • Meccanica
    • Cellula
    • Accessori
    • Eventi
    • Leggi
    • Comportamenti
    • Disabili
    • In camper per
    • Altro Camper
    • Altro
    • Extra
    • FAQ
    • Regolamento
    • Attivi
    • Preferiti
    • Cerca
  • Community
    • COL
    • CamperOnFest
    • Convenzioni Convenzioni
    • Amici
    • Furti
    • Informativa Privacy
    • Lavoro
  • COL
    • News
    • Newsletter
    • Pubblicità
    • Contatto
    • Ora
    • RSS RSS
    • Video
    • Facebook
    • Instagram
  • Magazine
  • Italiano
    • Bienvenue
    • Welcome
    • Willkommen
  • Accedi
CamperOnLine
Camping Sport Magenta
  1. Forum
  2. Tecnica
  3. Cellula abitativa
Galleria

Rinnovo Impianto elettrico

Rispondi
Cerca
SostaGruppiCompagniItaliaEsteroMarchiMeccanicaCellulaAccessoriEventiLeggiComportamentiDisabiliIn camper perAltro CamperAltroExtra
2 20 158
8
musami
musami
13/08/2017 120
Rispondi Abuso
Inserito il 06/03/2023 alle: 14:03:19
In risposta al messaggio di rubylove del 06/03/2023 alle 07:59:05

I due collegamenti dalle due bs allo shunt sono errati  lo shunt BMV12 ha un conduttore di alimentazione che va collegato al busbar + con un fusibile in vetro 5x20 gia in dotazione  ma il BMV 712 ha anche due ingressi per
misurare le tensioni di bs e bm, quindi non vanno collegati entrambi alle due bs ma uno alla bs e uno alla bm oltretutto così se segui il collegamento, hai unito i due positivi delle due bs prima dello staccabatterie suggerisco lo smartshunt che è uguale ma leggi i dati solo sul telefono invece che sul display e il telefono ma costa meno   
...
ok, modificato anche questo pezzo del BMV-712: un cavo lo collego ad un positivo di una BS e un altro cavo al positivo dellaq BM. aggiunto anche fusibile 5x20.
 
Michele
8
musami
musami
13/08/2017 120
Rispondi Abuso
Inserito il 06/03/2023 alle: 14:05:44
In risposta al messaggio di camper66 del 06/03/2023 alle 08:54:41

La corrente tra BS e BM è limitata dalla caduta di tensione del diodo e dal valore della resistenza, tra le batterie si crea un equilibrio che comporta correnti bassissime, giusto per il mantenimento della BM. E' la legge di Ohm... Io ho un fusibile da 5A anziché 4 ma non credo faccia questa gran differenza
Ciao Luca,
ma allora la sequenza che ho riportato è corretta o no?
Cioè io ho siegnato: busbar - fusibile 4A - resistenza 10w - diodo 6A - positivo BM

grazie
ciao
michele
 
Michele
10
rubylove
rubylove
rating

09/06/2015 5663
Rispondi Abuso
Inserito il 06/03/2023 alle: 14:15:13
In risposta al messaggio di musami del 06/03/2023 alle 13:48:20

Faccio fare, ma voglio imparare e capire tutto prima di darlo in mano e incrociare le dita :-) abbi pazienda, penso che stiamo per arrivarci (vero!?!?!)
Certo che se chi lo farà ha bisogno che tu ricavi uno schema elettrico dalle opinioni di una decina o ventina di appassionati di un forum, vuol dire che ti stai affidando a qualcuno che non sà da dove iniziare.

Io potrei essere un c...ro se lo sono anche altri.. la summa teologica dei ca...ri è tuttta tua

 
l'analogico non è il vecchio e il digitale il nuovo, no, non è così! Il digitale è solo un modo per rappresentare l'analogico, la natura, è analogica
10
rubylove
rubylove
rating

09/06/2015 5663
Rispondi Abuso
Inserito il 06/03/2023 alle: 14:20:21
In risposta al messaggio di Szopen del 06/03/2023 alle 12:32:45

Ciao, rubylove ti ha gia` dato suggerimenti importanti per i collegamenti dell`Orion e dello SmartShunt tuttavia, rimangongono degli errori, riprendendo questo schema:   Sul cavo del circuito Diodo+Resistenza manca un fusibile da
4/5A subito in partenza dalla BM mentre l`altro capo del cavo puoi collegarlo al BusBar positivo se ti e` piu vicino/comodo. Per quanto riguarda l`Orion invece,  la versione ISOLATED e` inutile nonche` piu` costosa in un camper poiche i NEGATIVI verranno comunque in contatto tra loro, a questo punto conviene e non solo per il costo, mettere un Orion 12-12 / 30 NON ISOLATED, collega con cavi e fusibili come suggerito da rubylove, dal positivo BM ad ingresso ORION, da questo esci con cavo sempre protetto da fusibile e ti colleghi o al BusBar positivo oppure al contatto COM dello staccabatterie presente tra le 2 BS. Dall`unico contatto (centrale) negativo dell`Orion colleghi un cavo (della stessa sezione dei positivi) nel punto a te piu` vicino/comodo, cioe`, Negativo BM, Telaio o BusBar Negativo. Ciro.    
...
certo ci arriviamo un pò alla volta, ad esempio se Muasami volesse montare anche un rele tipo Cyrix per eventuali necessità di parallelamento manuale in emergenza, il diodo + resistenza si potrebbero eliminare perchè il cyrix farebbe anche quello

Certo, l'Orion isolato non serve ma non avevo ancora visto l'alternativa non isolata, spesso non c'è come taglia e allora lo prendi isolato

molti pensano che isolato serve a qualcosa ma quelli isolati si montano in nautica o in casi particolari di due masse a potenziale diverso, c'è il 30A non isolato?
l'analogico non è il vecchio e il digitale il nuovo, no, non è così! Il digitale è solo un modo per rappresentare l'analogico, la natura, è analogica
Sala Silvergruva, la miniera d'argento
Sala Silvergruva, la miniera d'argento
Folgaria d’inverno in camper
Folgaria d’inverno in camper
Francia 2025
Francia 2025
Eksjo, la città di legno
Eksjo, la città di legno
Viaggio in Umbria e dintorni
Viaggio in Umbria e dintorni
Previous Next
10
rubylove
rubylove
rating

09/06/2015 5663
Rispondi Abuso
Inserito il 06/03/2023 alle: 14:27:32
In risposta al messaggio di musami del 06/03/2023 alle 14:05:44

Ciao Luca, ma allora la sequenza che ho riportato è corretta o no? Cioè io ho siegnato: busbar - fusibile 4A - resistenza 10w - diodo 6A - positivo BM grazie ciao michele  
non è necessario arrivare alla batetria motore con il cavo del mantenimento (diodo resitenza) perchè ci arriva gia il cavo della ricarica, quello da 16 mmq

il circuito diodo+ resistenza lo collegherai tra il busbar + delle batterie servizi e l'ingresso dell'Orion che a sua volta è collegato alla BM. Questo se vuoi montare il diodo + resistenza

Se invece vuoi montare un rele di emergenza per eventuale messa in moto da batterie servizi, puoi installare un victron Cyrix da 230A (in questo caso il cavo da bm a orion cambia di sezione, 35 mmq) non hai bisogno del diodo + resitenza perchè il cyrix fa anche quello

In ogni caso il diodo + resistenza è meglio proteggerli da ambo i lati, cavo da 1,5mmq se max un metro altrimenti 2,5mmq e due fusibili uno lato BS e uno lato orion (cavo che va alla BM)

 
l'analogico non è il vecchio e il digitale il nuovo, no, non è così! Il digitale è solo un modo per rappresentare l'analogico, la natura, è analogica

Modificato da rubylove il 06/03/2023 alle 14:31:05
8
musami
musami
13/08/2017 120
Rispondi Abuso
Inserito il 06/03/2023 alle: 15:01:52
Ciao Ciro:
  •  ho sistemato il circuito fusibile (4A) + Resistenza (10w) + Diodo (6A) attestando tutto nella sequenza detta e vicino al positivo della BM (vedi disegno);
  • Orio: oltre alle modifiche tra BM e Orion suggeriti da Rubylove ho aggiunto anche i tuoi in uscita: cioè Orion - busbar positivo.
    Riguardo islated o no, mi fa (molto) piacere poter risparmiare, ma devo capire come collegarlo, se non ho capito male il cablaggio da voi suggerito è quello per la versione 'isolated'.
  • ho collegato il negativo dell'Orio al polo negativo della batteria motore, se è equivalente ad attestare il cavo al busbur negativo questa modalità verso la BM mi è più comoda
Grazie ancora!
Michele
8
musami
musami
13/08/2017 120
Rispondi Abuso
Inserito il 06/03/2023 alle: 15:03:26
In risposta al messaggio di rubylove del 06/03/2023 alle 14:15:13

Certo che se chi lo farà ha bisogno che tu ricavi uno schema elettrico dalle opinioni di una decina o ventina di appassionati di un forum, vuol dire che ti stai affidando a qualcuno che non sà da dove iniziare. Io potrei essere un c...ro se lo sono anche altri.. la summa teologica dei ca...ri è tuttta tua  
Ciao, capisco il tuo "discalimer", e ne sono consapevole. 
Come ti dicevo vorrei prima imparare, poi faccio fare ma non seguo in modalità zoombie, ma con qualche nozione che mi fa capire.
 
Michele

Modificato da musami il 06/03/2023 alle 15:39:40
6
Szopen
Szopen
rating

06/09/2019 5987
Rispondi Abuso
Inserito il 06/03/2023 alle: 15:32:17
In risposta al messaggio di musami del 06/03/2023 alle 15:01:52

Ciao Ciro: ho sistemato il circuito fusibile (4A) + Resistenza (10w) + Diodo (6A) attestando tutto nella sequenza detta e vicino al positivo della BM (vedi disegno);Orio: oltre alle modifiche tra BM e Orion suggeriti da
Rubylove ho aggiunto anche i tuoi in uscita: cioè Orion - busbar positivo. Riguardo islated o no, mi fa (molto) piacere poter risparmiare, ma devo capire come collegarlo, se non ho capito male il cablaggio da voi suggerito è quello per la versione 'isolated'. ho collegato il negativo dell'Orio al polo negativo della batteria motore, se è equivalente ad attestare il cavo al busbur negativo questa modalità verso la BM mi è più comodaGrazie ancora!
...
Dunque, nel tuo disegno/schema c`e` un cavo Negativo che dal polo Negativo della BM va` al BusBar Negativo, questo cavo lo puoi escludere se riesci a portare a questo BusBar Negativo un cavo piu` corto direttamente dal telaio ma sempre da almeno 16 mmq.

Il Negativo della BM e` sicuramente collegato al telaio e sempre con un cavo da 16 mmq puoi collegarlo al morsetto centrale (NEGATIVO COMUNE) dell`ORION TR-SMART 12-12 | 30 NON ISOLATED. 

Ottimo il suggerimento di inserire un Cyrix CT da 230A per l`avviamento del camper in caso di guasto della BM, certo ha il suo costo intorno ai 120 euro ma, se pensi che prendendo l`Orion NON ISOLATO il quale costa circa 70 euro in meno di quello ISOLATO e come se alla fine il Cyrix CT 230A in pratica ti viene a costare 50 euro.

Ciro.
nomade analogico e fanciulla all'imbrunire. Non ho nulla da vendere nè consigli da dare, solo qualche piccolo suggerimento da prendere con le pinze, possibilmente, amperometriche. Buoni Km a tutti e......... rammentate sempre che....... TESTAR NON NUOCE!
8
musami
musami
13/08/2017 120
Rispondi Abuso
Inserito il 06/03/2023 alle: 15:41:35
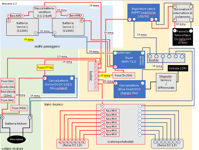
intanto inserisco il disegno aggiornato, sono indientro di due interventi... ora leggo e aggiorno di nuovo :)
in questo ho aggiunto anche la "doppia protezione" dei circuito diodo/resistenza tra BM e busbar positivo mettendo due fusibili da 4A. e ho ridotto il cavo da 6mmp a 2,5. 
impianto_v2_3(1).png
Michele

Modificato da musami il 06/03/2023 alle 15:46:05
8
musami
musami
13/08/2017 120
Rispondi Abuso
Inserito il 06/03/2023 alle: 16:00:55
Ciao
per riguardo l'ultimo intervento di Ciro:
  1. quindi la barbus negativa va collegata al telaio del camper?
    Per ora nel disegno ho lasciato il polo negativo della BM collegato alla barbus negativa. Poi appena capisco meglio vediamo, sicuramente riesco a collegare la burbar negativa al telaio, anzi è anche più facile che tirare un nuovo cavo da 16mmq tra BM e busbar negativa.
     
non sapevo che il negativo della BM andasse collegato al telaio. ok fatto nel nuovo disegno e ho anche aggiunto la comunicazione verso la porta COM dell'Orion non-isolato.

Per il Cyrix CT da 230A per l`avviamento del camper in caso di guasto della BM, ci devo pensare, non lo so usare ancora e ho timore di aggiungere troppe cose. Cerco di capire come deve essere collegato anzitutto e poi do una letta al manuale. La logica del risparmio con l'Orion non isolato non fa una piega, ma alla fine non so perchè ne esco sempre con qualcosa in più :-D

grazie mille ancora, davvero!!
impianto_v2_4.png
Michele
8
musami
musami
13/08/2017 120
Rispondi Abuso
Inserito il 06/03/2023 alle: 17:11:03
nuova versione dove ho "solo" modificato i busbar per usare quelli da 4 terminali:
- 1 terminale per tutti i caricatori
- 1 terminale per le batterie
- 1 terminale per shunt e scatola porta fusibili
- 1 terminale riservato per futuro inverter
quando ho visto il prezzo dei busbar a 8 terminali sono rimasto semi paralizzato per qualche secondo :-|
impianto_v2_5(1).png
Michele

Modificato da musami il 06/03/2023 alle 17:32:00
Argomenti recenti dal forum
Accessori
Dimensionamento nuovo DC-DC
Ciao a tutti, Premesso che l'impianto Litio terminato da qualche tem...
maaaxxx
53 minuti fa
Accessori
Mantenere la Batteria Motore carica con una PS
Siamo in tema di mantenimento della carica della BM. Si sta palesand...
Paolo62
Oggi alle 09:02
Altro non sui camper
Tiro al piccione
No, niente armi da fuoco, i simpatici pennuti sono salvi. È un nuov...
Emme48
Oggi alle 07:48
Viaggi in Italia
Giugno all'isola del Giglio
Buongiorno a tutti, sto valutando di trascorrere a fine giugno 4 gio...
Nanasso
Ieri alle: 21:16
Accessori
problema ds300 conversione al litio
Ciao a tutti ho montato due batterie al litio su elnagh big marlin ...
Mandracchio
Ieri alle: 19:19
Cellula abitativa
Rimozione cerniera porta cellula
Buongiorno, Ho la porta della cellula del mio mcluis steel 531g del...
Telix636
Ieri alle: 16:39
Viaggi all'estero
Ruta Jubierre in Spagna
Come da titolo, c’è qualcuno che si è già avventurato a fare questa ...
Sparty91
Ieri alle: 14:00
Viaggi all'estero
POLONIA viaggio Estivo
Ciao a tutti, che ne dite di un viaggio in Polonia per questa estate...
RMCamper2020
Ieri alle: 12:11
Viaggi in Italia
Raggiungere le 5 terre
Ciao a tutti, ho un dubbio riguardo la strada da fare per raggiunger...
Maiamaia4
Ieri alle: 07:58
Cellula abitativa
Indicatori di livello frigo Dometic
Ruotando la manopola di destra in senso orario del frigo DOMETIC si...
norbidic
Ieri alle: 03:44
Meccanica
Tappo di carico olio trasmissione cercasi
Su Ducato x244 anno 2004, prima di svuotare l’olio del cambio volevo...
norbidic
Ieri alle: 02:18
Meccanica
Acquisto ricambi usati (specchietto sinistro)
Ciao, mentre tornavamo da Valsesia camper per riparare la porta del ...
LaLory
11/03/26 - 22:15
Accessori
Istallazione dashcam anteriore su Ducato nuovo
Ciao a tutti ho un amico inglese che sta acquistando un campervan El...
solidsnork
11/03/26 - 16:50
Viaggi all'estero
Assicurazione viaggio x estero
Buongiorno a tutti, come da titolo volevo sapere se quando andate al...
cpuffo
11/03/26 - 16:20
Cellula abitativa
Luce cortesia Doral 161 - modello maxxima 063
Buongiorno a tutti, qualcuno di voi ha sostituito la lampada di cort...
daleo
11/03/26 - 13:22
6
Szopen
Szopen
rating

06/09/2019 5987
Rispondi Abuso
Inserito il 06/03/2023 alle: 18:02:27
La BM è naturalmente connessa al telaio e questo lo fa il costruttore della meccanica, te in questo caso non devi fare nulla. 

Devi eliminare gli inutili collegamenti positivi tra lo smartshunt e le BS, va lasciato solo quello collegato al Busbar Positivo inoltre, devi eliminare anche quello che va alla BM perché arrivando sempre a questa una tensione continua dalle BS leggerai sempre quasi lo stesso valore, la differenza saranno i pochi decimi di Volt naturalmente abbassati dal diodo altrimenti, inserisci il Cyrix CT con attivazione manuale a mezzo del comando remote ed in questo caso potrai collegare il cavetto già in dotazione (sono 2) dallo smartshunt alla BM e leggerne la corretta tensione. 

Ciro. 
nomade analogico e fanciulla all'imbrunire. Non ho nulla da vendere nè consigli da dare, solo qualche piccolo suggerimento da prendere con le pinze, possibilmente, amperometriche. Buoni Km a tutti e......... rammentate sempre che....... TESTAR NON NUOCE!
8
musami
musami
13/08/2017 120
Rispondi Abuso
Inserito il 06/03/2023 alle: 18:41:50
In risposta al messaggio di Szopen del 06/03/2023 alle 18:02:27

La BM è naturalmente connessa al telaio e questo lo fa il costruttore della meccanica, te in questo caso non devi fare nulla.  Devi eliminare gli inutili collegamenti positivi tra lo smartshunt e le BS, va lasciato solo
quello collegato al Busbar Positivo inoltre, devi eliminare anche quello che va alla BM perché arrivando sempre a questa una tensione continua dalle BS leggerai sempre quasi lo stesso valore, la differenza saranno i pochi decimi di Volt naturalmente abbassati dal diodo altrimenti, inserisci il Cyrix CT con attivazione manuale a mezzo del comando remote ed in questo caso potrai collegare il cavetto già in dotazione (sono 2) dallo smartshunt alla BM e leggerne la corretta tensione.  Ciro. 
...
Ciao Ciro,
elimino la connessione shunt - BS, mi torna, perchè leggo la tensione dal busbar.
Invece non mi torna il motivo per togliere il cavo tra shunt e BM, cioè lo hai spiegato, ma comunque non è comodo leggerne la tensione? magari capisci che si è rotto qualcosa nel circuito, no?
Comunque ora mi studio sto Cyrix, non volevo aggiungere troppe cose ma vabbè... 

grazie ancora!
ciao
Michele
 
Michele
7
Hunter85
Hunter85
15/06/2018 11024
Rispondi Abuso
Inserito il 06/03/2023 alle: 19:04:43
In risposta al messaggio di musami del 06/03/2023 alle 15:03:26

Ciao, capisco il tuo discalimer, e ne sono consapevole.  Come ti dicevo vorrei prima imparare, poi faccio fare ma non seguo in modalità zoombie, ma con qualche nozione che mi fa capire.  
La.di la di quanto detto da rubylove fai bene a fare vedere l impianto sul forum...ti assicuro che 80 su 100 capiti meglio di un installatore wink.
Se deve solo eseguire e non pensare già è un passo avanti laugh.

Non me ne vogliano gli installatori...ci sono le dovute eccezioni.
In un mondo dove il male è di casa e ha vinto sempre, Dove regna il capitale, oggi più spietatamente, Riusciranno questo brocco e questo inutile scudiero Al Potere dare scacco e salvare il mondo intero?
6
Szopen
Szopen
rating

06/09/2019 5987
Rispondi Abuso
Inserito il 06/03/2023 alle: 19:07:09
Leggere la tensione della BM a riposo è molto comodo ma, così com'è nel tuo schema questo non avverrà mai a meno che tu non voglia alzarti alle 3 di notte e controllare.

Ti spiego, la BM se ne sta buona buona a riposo nel cofano motore con i suoi 12,8V misurati col tester nel mentre le BS, grazie ad esempio alla ricarica dei pannelli ed alla bella giornata di sole, raggiungono la fase di assorbimento diciamo 14,4V ora, il collegamento del circuito diodo+resistenza porterà alla BM una tensione superiore a 13,5V (questa tensione varia in base al diodo utilizzato), anche quando le BS raggiungeranno la fase di mantenimento si avrà generalmente una tensione di 13,8V e sulla BM leggerai poco più di 13V.

In pratica, la reale tensione della BM non la leggi mai se non appunto di notte e con tutti i sistemi di ricarica disattivati o spenti.

Ciro.
nomade analogico e fanciulla all'imbrunire. Non ho nulla da vendere nè consigli da dare, solo qualche piccolo suggerimento da prendere con le pinze, possibilmente, amperometriche. Buoni Km a tutti e......... rammentate sempre che....... TESTAR NON NUOCE!
8
musami
musami
13/08/2017 120
Rispondi Abuso
Inserito il 06/03/2023 alle: 20:26:24
Grazie a tutti per tutti i vostri consigli e la vostra pazienza!
ecco la versione 2.6, non ditemi che solo dopo 26 versioni sono riuscito a disegnare qualcosa che non esplode!
impianto_v2_6(1).png

ciao
Michele
 
Michele

Modificato da musami il 06/03/2023 alle 20:29:33
6
Szopen
Szopen
rating

06/09/2019 5987
Rispondi Abuso
Inserito il 06/03/2023 alle: 22:35:04
In risposta al messaggio di musami del 06/03/2023 alle 20:26:24

Grazie a tutti per tutti i vostri consigli e la vostra pazienza! ecco la versione 2.6, non ditemi che solo dopo 26 versioni sono riuscito a disegnare qualcosa che non esplode! ciao Michele  
Quasi, 

image(4682).png

Ora devi eliminare:
Il cavo negativo da Alternatore a BM. 
Il cavo blu da BM a DC-DC Orion.
Il cavo blu tra BM e Busbar Negativo, meglio metterne uno anche da 35 mmq tra Busbar Negativo e telaio. 

A questo punto, sempre nel disegno in foto sul DC-DC Orion, stacca il cavo rosso (Positivo) tra il Busbar Positivo dal contatto che hai disegnato a sinistra è collegarlo al contatto disegnato a destra. 

Nel caso tu decidessi di inserire anche il Cyrix CT sarà opportuno mettere due staccabatterie, il primo tra il polo Negativo della BM ed il cavo attualmente collegato, questo ti consente di poterla escludere completamente in caso di avaria o guasto.

Il secondo staccabatterie andrà tra il Cyrix e le BS proprio per consentire la messa in moto per mezzo di quest'ultime, potrai utilizzare allo scopo ed in base alle caratteristiche delle batterie solo la BS1 o solo la BS2 oppure entrambe. 

Ciro.

P. S. La linea di cavo Negativo tra BS1 - > BS2 - > Morsetto Battery System sullo Smartshunt poi tra System Minus - > BusBar - > Telaio serve almeno da 35 mmq.
nomade analogico e fanciulla all'imbrunire. Non ho nulla da vendere nè consigli da dare, solo qualche piccolo suggerimento da prendere con le pinze, possibilmente, amperometriche. Buoni Km a tutti e......... rammentate sempre che....... TESTAR NON NUOCE!

Modificato da Szopen il 06/03/2023 alle 22:43:30
10
rubylove
rubylove
rating

09/06/2015 5663
Rispondi Abuso
Inserito il 06/03/2023 alle: 22:47:29
In risposta al messaggio di Szopen del 06/03/2023 alle 22:35:04

Quasi,  Ora devi eliminare: Il cavo negativo da Alternatore a BM.  Il cavo blu da BM a DC-DC Orion. Il cavo blu tra BM e Busbar Negativo, meglio metterne uno anche da 35 mmq tra Busbar Negativo e telaio.  A questo
punto, sempre nel disegno in foto sul DC-DC Orion, stacca il cavo rosso (Positivo) tra il Busbar Positivo dal contatto che hai disegnato a sinistra è collegarlo al contatto disegnato a destra.  Nel caso tu decidessi di inserire anche il Cyrix CT sarà opportuno mettere due staccabatterie, il primo tra il polo Negativo della BM ed il cavo attualmente collegato, questo ti consente di poterla escludere completamente in caso di avaria o guasto. Il secondo staccabatterie andrà tra il Cyrix e le BS proprio per consentire la messa in moto per mezzo di quest'ultime, potrai utilizzare allo scopo ed in base alle caratteristiche delle batterie solo la BS1 o solo la BS2 oppure entrambe.  Ciro. P. S. La linea di cavo Negativo tra BS1 - > BS2 - > Morsetto Battery System sullo Smartshunt poi tra System Minus - > BusBar - > Telaio serve almeno da 35 mmq.
...
Ciro non serve il parallelatore manuale perchè è proprio il cyrix che fa da paralleleatore manuale, il cyrix automatico sarebbe attivo solo a motore spento per il mantenimento della BM, il diodo+ resistenza non servirebbero in questo caso
 
l'analogico non è il vecchio e il digitale il nuovo, no, non è così! Il digitale è solo un modo per rappresentare l'analogico, la natura, è analogica
10
rubylove
rubylove
rating

09/06/2015 5663
Rispondi Abuso
Inserito il 06/03/2023 alle: 22:49:26
In risposta al messaggio di musami del 06/03/2023 alle 20:26:24

Grazie a tutti per tutti i vostri consigli e la vostra pazienza! ecco la versione 2.6, non ditemi che solo dopo 26 versioni sono riuscito a disegnare qualcosa che non esplode! ciao Michele  
Il conduttore da 2,5 mmq che alimenta il diodo + resistenza non serve portarlo fino alla batteria ma è sufficiente portarlo al positivo di ingresso dell?Orin che a sua volta è collegato con il cavo da 16 Alla bm, Lo vedi?
l'analogico non è il vecchio e il digitale il nuovo, no, non è così! Il digitale è solo un modo per rappresentare l'analogico, la natura, è analogica
10
rubylove
rubylove
rating

09/06/2015 5663
Rispondi Abuso
Inserito il 06/03/2023 alle: 22:53:44
In risposta al messaggio di musami del 06/03/2023 alle 17:11:03

nuova versione dove ho solo modificato i busbar per usare quelli da 4 terminali: - 1 terminale per tutti i caricatori - 1 terminale per le batterie - 1 terminale per shunt e scatola porta fusibili - 1 terminale riservato per futuro inverter quando ho visto il prezzo dei busbar a 8 terminali sono rimasto semi paralizzato per qualche secondo :-|
Hai disegnato ancora una volta il cavo da 16 che alimenta l'Orion che va anche alle batterie, quindi le hai messe di nuovo in parallel

il terminale in alto a destra dell'orion è un positivo non negativo e da quel punto disegni il conduttore da 16 mmq che va al busbar mentre sul positivo di sinistra rimane solo il positivo della bm (sempre da 16)
l'analogico non è il vecchio e il digitale il nuovo, no, non è così! Il digitale è solo un modo per rappresentare l'analogico, la natura, è analogica
SostaGruppiCompagniItaliaEsteroMarchiMeccanicaCellulaAccessoriEventiLeggiComportamentiDisabiliIn camper perAltro CamperAltroExtra
167k Facebook
343k Instagram
42,6k TikTok
73,3k Youtube
CamperOnLine - Copyright © 1998-2026 - P.Iva 06953990014
Informativa privacy
Loading...

Accedi

Recupera Password
Nuovo utente

Vuoi eliminare il messaggio?

Sottoscrizione

Anteprima

PREFERENZA

Il messaggio è in fase di inserimento.

loading

CamperOnLine

Buongiorno gentile utente,

da oltre 20 anni Camperonline offre gratuitamente tutti i suoi servizi
grazie agli inserzionisti che ci hanno dato la loro fiducia, permettici di continuare il nostro lavoro disattivando il blocco delle pubblicità.

Grazie della collaborazione.

Azione eseguita con successo

Azione Fallita

Condividi

Condividi questa pagina con:

O copia il link