CamperOnLine
  • Camper
    • Camper usati
    • Camper nuovi
    • Produttori
    • Listino
    • Cataloghi
    • Concessionari e rete vendita
    • Noleggio
    • Van
    • Caravan
    • Fiere
    • Rimessaggi
    • Le prove di CamperOnLine
    • Provati da voi
    • Primo acquisto
    • Area professionisti
  • Accessori
    • Accessori e Prodotti
    • Camping Sport Magenta accessori
    • Produttori
    • Antenne TV
    • Ammortizzatori
    • GPS
    • Pneumatici
    • Rimorchi
    • Provati da Voi
    • Fai da te
  • Viaggi
    • Diari di viaggi in camper
    • Eventi
    • Foto
    • Check list
    • Traghetti
    • Trasporti
  • Sosta
    • Cerca Strutture
    • Sosta
    • Aree sosta camper
    • Campeggi
    • Agriturismi con sosta camper
    • App Camperonline App
    • 10 Consigli utili per la sosta
    • Area strutture
  • Forum
    • Tutti i Forum
    • Sosta
    • Gruppi
    • Compagni
    • Italia
    • Estero
    • Marchi
    • Meccanica
    • Cellula
    • Accessori
    • Eventi
    • Leggi
    • Comportamenti
    • Disabili
    • In camper per
    • Altro Camper
    • Altro
    • Extra
    • FAQ
    • Regolamento
    • Attivi
    • Preferiti
    • Cerca
  • Community
    • COL
    • CamperOnFest
    • Convenzioni Convenzioni
    • Amici
    • Furti
    • Informativa Privacy
    • Lavoro
  • COL
    • News
    • Newsletter
    • Pubblicità
    • Contatto
    • Ora
    • RSS RSS
    • Video
    • Facebook
    • Instagram
  • Magazine
  • Italiano
    • Bienvenue
    • Welcome
    • Willkommen
  • Accedi
CamperOnLine
Camping Sport Magenta
  1. Forum
  2. Tecnica
  3. Cellula abitativa
Galleria

Riparazione Pannello Controllo CBE mod C962

Rispondi
Cerca
SostaGruppiCompagniItaliaEsteroMarchiMeccanicaCellulaAccessoriEventiLeggiComportamentiDisabiliIn camper perAltro CamperAltroExtra Attivi
1 20 2
pierocmp
pierocmp
05/09/2023 1
Rispondi Abuso
Inserito il 05/09/2023 alle: 08:22:02
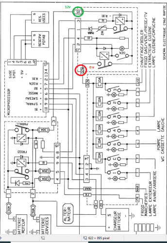
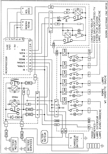
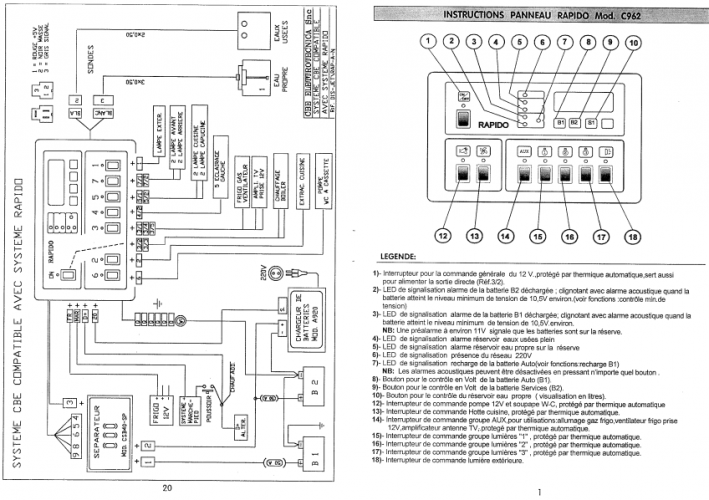
Salve, sono nuovo del forum, intanto grazie per i preziosi contributi che tutti date.

Ho un problema con pannello controllo in oggetto, dopo cambio batteria servizi la situazione è la seguente, all'accensione dell'interruttore generale ciò che osservo sul pannello è l'accensione di tutte le spie deli serbatoi e delle batterie B1 (motore) B2 servizi. queste 4 spie lampeggiano, nessun allarme sonoro, talvolta continuano a lampeggiare talvolta si spengono del tutto dopo una decina di secondi, non c'è consenso agli interruttori delle utenze. quindi non arriva 12v a nessuna utenza.

Premesso che ho davvero minime conoscenze elettroniche, ma riesco a testare passaggi elettrici e voltaggi con un tester. 

Qualcuno sa aiutarmi a leggere questi schemi elettrici?

image(5189).png
image(5190).png

In particolare questo gruppo di componenti cos'è?
image(5191).png

Ad interruttore generale acceso, ho questa situazione:

image(5192).png

che poi sarebbero questi..

image(5193).png

Grazie a chiunque potrà aiutarmi.
pierocmp
8
motociclista12
motociclista12
31/08/2017 1060
Rispondi Abuso
Inserito il 05/09/2023 alle: 08:37:48
Probabilmente, quando é stata cambiata BS, é saltato fusibile . Prova a controllare vicino alla batteria, polo positivo, una scatoletta nera ( solitamente) .
ciao.
Paolo
pierocmp
pierocmp
05/09/2023 1
Rispondi Abuso
Inserito il 05/09/2023 alle: 09:01:40
In risposta al messaggio di motociclista12 del 05/09/2023 alle 08:37:48

Probabilmente, quando é stata cambiata BS, é saltato fusibile . Prova a controllare vicino alla batteria, polo positivo, una scatoletta nera ( solitamente) . ciao.
Dici? nonostante arrivi 12 v fino al circuito dell'interruttore generale? In ogni caso controllo 
pierocmp
SostaGruppiCompagniItaliaEsteroMarchiMeccanicaCellulaAccessoriEventiLeggiComportamentiDisabiliIn camper perAltro CamperAltroExtra Attivi
Argomenti recenti dal forum
Altro sui camper
Camperista sprovveduto cerca aiuto
Preambolo: trovo un camper da un concessionario che vende camper usati. Il camper è del 20...
crucco_02
Oggi alle 15:45
Accessori
Batteria Litio per ADRIA TWIN SPORT 640 (2024)
Ho letto migliaia di post su questo argomento ma onestamente non ho le idee chiare su cosa...
mavalle
Oggi alle 14:23
Meccanica
Motore Ford 2200cdi 100cv
Buongiorno a tutti, sto acquistando un camper del 2007 semintegrale, allestimento MC Louis...
FM79
Oggi alle 09:04
Altro sui camper
Sabotaggio?
Ultimamente ho la sensazione che gli interventi sul forum siano diminuiti. I messaggi dell...
Giovanni
Ieri alle: 16:52
Meccanica
Aiuto ducato 230 anno 2000
Ho subito un danno al vano motore dove un gatto rimasto intrappolato ha strappato alcuni f...
antonio867
Ieri alle: 16:26
Cellula abitativa
Specchio retrovisore e remis ducato 8
Ciao a tutti, come da titolo sul mio van su Ducato 2025 non ho lo specchio retrovisore, ma...
volvo960
Ieri alle: 16:20
Accessori
copricerchi hymer b544 anno 1997
Ciao sto cercando senza fortuna i copricerchi quelli argentati e bombati per intenderci sa...
suoz
Ieri alle: 16:07
Cellula abitativa
Letti gemelli basculanti su Chausson 630 Welcome
Salve il mio camper è dotato di due letti gemelli basculanti che si abbassano e una person...
ernesto24
Ieri alle: 14:17
Accessori
Il frigo mi ha abbandonato...lo cambio?
Dopo poco più di 8 anni di onorato servizio, il mio Vitrifrigo a compressore mi ha abbando...
sport15
08/04/26 - 23:00
Cellula abitativa
Frigo 12v non friga!
Ciao a tutti, il mio frigo Dometic rm 7405l 90 litri su laika 595xr del 2009, quando vado ...
camperdavide
08/04/26 - 21:58
Meccanica
Ammortizzatori per Fiat Ducato x244
ciao a tutti… ho cercato e spulciato ma non trovo nulla di preciso… voglio cambiare ammort...
camperinosol...
08/04/26 - 18:08
Accessori
Dove trovo ricambi Remifront?
Buonasera, durante il tragitto di ritorno da Amsterdam a gennaio mi si è rotto un pezzo d...
camperistadoc
08/04/26 - 17:27
167k Facebook
343k Instagram
42,6k TikTok
73,3k Youtube
CamperOnLine - Copyright © 1998-2026 - P.Iva 06953990014
Informativa privacy
Loading...

Accedi

Recupera Password
Nuovo utente

Vuoi eliminare il messaggio?

Sottoscrizione

Anteprima

PREFERENZA

Il messaggio è in fase di inserimento.

loading

CamperOnLine

Buongiorno gentile utente,

da oltre 20 anni Camperonline offre gratuitamente tutti i suoi servizi
grazie agli inserzionisti che ci hanno dato la loro fiducia, permettici di continuare il nostro lavoro disattivando il blocco delle pubblicità.

Grazie della collaborazione.

Azione eseguita con successo

Azione Fallita

Condividi

Condividi questa pagina con:

O copia il link