CamperOnLine
  • Camper
    • Camper usati
    • Camper nuovi
    • Produttori
    • Listino
    • Cataloghi
    • Concessionari e rete vendita
    • Noleggio
    • Van
    • Caravan
    • Fiere
    • Rimessaggi
    • Le prove di CamperOnLine
    • Provati da voi
    • Primo acquisto
    • Area professionisti
  • Accessori
    • Accessori e Prodotti
    • Camping Sport Magenta accessori
    • Produttori
    • Antenne TV
    • Ammortizzatori
    • GPS
    • Pneumatici
    • Rimorchi
    • Provati da Voi
    • Fai da te
  • Viaggi
    • Diari di viaggi in camper
    • Eventi
    • Foto
    • Check list
    • Traghetti
    • Trasporti
  • Sosta
    • Cerca Strutture
    • Sosta
    • Aree sosta camper
    • Campeggi
    • Agriturismi con sosta camper
    • App Camperonline App
    • 10 Consigli utili per la sosta
    • Area strutture
  • Forum
    • Tutti i Forum
    • Sosta
    • Gruppi
    • Compagni
    • Italia
    • Estero
    • Marchi
    • Meccanica
    • Cellula
    • Accessori
    • Eventi
    • Leggi
    • Comportamenti
    • Disabili
    • In camper per
    • Altro Camper
    • Altro
    • Extra
    • FAQ
    • Regolamento
    • Attivi
    • Preferiti
    • Cerca
  • Community
    • COL
    • CamperOnFest
    • Convenzioni Convenzioni
    • Amici
    • Furti
    • Informativa Privacy
    • Lavoro
  • COL
    • News
    • Newsletter
    • Pubblicità
    • Contatto
    • Ora
    • RSS RSS
    • Video
    • Facebook
    • Instagram
  • Magazine
  • Italiano
    • Bienvenue
    • Welcome
    • Willkommen
  • Accedi
CamperOnLine
Camping Sport Magenta
  1. Forum
  2. Tecnica
  3. Marchi
Galleria

Possessori nuovo Laika Ecovip

Rispondi
Cerca
SostaGruppiCompagniItaliaEsteroMarchiMeccanicaCellulaAccessoriEventiLeggiComportamentiDisabiliIn camper perAltro CamperAltroExtra Attivi
426 20 12402
17
maxpd1
maxpd1
13/06/2008 1121
Inserito il 27/07/2015 alle: 17:54:30

Ma quindi hai tensione bassina con camper allacciato alla 220? e nella centralina l'icona della 220 è presente?
Strana 'sta cosa...
19
faboulos
faboulos
27/11/2006 1104
Inserito il 27/07/2015 alle: 20:59:59
Sulla centralina anche meno di 200 v. Indica tensione presente. Misura quanto è realmente la 220. Se è troppo bassa funziona solo gas e12. Claudio 
 
17
Redone
Redone
03/06/2008 2001
Inserito il 28/07/2015 alle: 09:57:50

Nel mio nuovo mezzo il frigo è diverso dal precedente ed ha l' allarme per bassa tensione 230V. queste ferie sono finito in un AA che dava tensione a caso da 200 a 170V e il frigo quando andava sotto la tensione minima di funzionamento emette una serie dei BEEP. fa lo stesso per porta aperta o passaggio all' alimentazione a GAS.
Il modello è 8505. penso tu abbia lo stesso. Quindi se lo senti suonare la 230V è troppo bassa per farlo funzionare.

 
Ciao
Andrea
11
Francesco1974
Francesco1974
11/12/2014 671
Inserito il 28/07/2015 alle: 11:02:51
In risposta al messaggio di Redone del 28/07/2015 alle 09:57:50

Nel mio nuovo mezzo il frigo è diverso dal precedente ed ha l' allarme per bassa tensione 230V. queste ferie sono finito in un AA che dava tensione a caso da 200 a 170V e il frigo quando andava sotto la tensione minima di
funzionamento emette una serie dei BEEP. fa lo stesso per porta aperta o passaggio all' alimentazione a GAS. Il modello è 8505. penso tu abbia lo stesso. Quindi se lo senti suonare la 230V è troppo bassa per farlo funzionare.   Ciao Andrea
...

Si, il frigo è lo stesso RMD 8505 ma ripeto che NON da' allarmi né per bassa tensione né di altro tipo.
Va' come 10 giorni fa. salvo la temperatura che è "ambiente", porca vacca...

Gas e batteria invece funzionano come 10 giorni fa.

Ho spento, riacceso, provato a mano, in automatico ma il risultato non cambia, resta senza errori e senza freddo.
A casa, fra l'altro, ho misurato i 225 volt in ingresso camper, al frigo onestamente non so.

Stasera lo devo portare al centro Dometic, che non conosco. Poi vediamo..
 
Francesco & Famiglia.
Napoli & Caserta in camper
Napoli & Caserta in camper
Natale 2025 in centro Italia
Natale 2025 in centro Italia
Asturia, Cantabria e Paesi Baschi in cam
Asturia, Cantabria e Paesi Baschi in cam
Sala Silvergruva, la miniera d'argento
Sala Silvergruva, la miniera d'argento
Folgaria d’inverno in camper
Folgaria d’inverno in camper
Previous Next
17
Redone
Redone
03/06/2008 2001
Inserito il 28/07/2015 alle: 14:52:28
In risposta al messaggio di Francesco1974 del 28/07/2015 alle 11:02:51

Si, il frigo è lo stesso RMD 8505 ma ripeto che NON da' allarmi né per bassa tensione né di altro tipo. Va' come 10 giorni fa. salvo la temperatura che è ambiente, porca vacca... Gas e batteria invece funzionano come
10 giorni fa. Ho spento, riacceso, provato a mano, in automatico ma il risultato non cambia, resta senza errori e senza freddo. A casa, fra l'altro, ho misurato i 225 volt in ingresso camper, al frigo onestamente non so. Stasera lo devo portare al centro Dometic, che non conosco. Poi vediamo..   Francesco & Famiglia.
...

Ma senti il calore della resistenza dietro le grate oppure no?.
Controlla la spina del 230V interna al frigo dietro la grata se è collegata e non si è sfilata la vada perché è tutta nera con scritto sopra N e L .
 
Ciao
Andrea
12
gandalf78
gandalf78
15/03/2014 64
Inserito il 29/07/2015 alle: 15:14:52
Ciao a tutti!
Ecovip 9 del 2008.
Dopo ogni uscita cerco di svuotare completamente i serbatoi acque chiare. Apro il rubinetto esterno del serbatoio ma rimane comunque acqua all'interno (lo vedo perchè se faccio delle curve con rubinetto ancora aperto esce ancora parecchia acqua).
Qualcuno con il mio stesso problema ha risolto?
Ho visto che se apro i rubinetti facendo pescare la pompa esce acqua ma non vorrei ogni volta arrivare a far pescare la pompa a vuoto
GRAZIEEEEE
11
Francesco1974
Francesco1974
11/12/2014 671
Inserito il 30/07/2015 alle: 14:42:12
In risposta al messaggio di Redone del 28/07/2015 alle 14:52:28

Ma senti il calore della resistenza dietro le grate oppure no?. Controlla la spina del 230V interna al frigo dietro la grata se è collegata e non si è sfilata la vada perché è tutta nera con scritto sopra N e L .   Ciao Andrea

Sentenza: resistenza "morta", esce corrente ma non scalda nulla...

Da sostituire... e che 2 palle, frigo da smontare, mi ha detto...o spostare solo, ho detto io...
Francesco & Famiglia.
16
sergio68
sergio68
01/02/2010 3467
Inserito il 31/07/2015 alle: 12:08:33
ciao a tutti; è da un po che manco, la malattia della mia mamma ha deciso di accelerare sad...e quindi le mie ferie si sono ridotte a tre giorni a Mirabilandia; pazienza la Mamma è la cosa più importante di tutte!
Ieri sera lavavo il mio Ecovip 9 del 2010 e mi sono accorto che la luce d'ingombro dx, posta sulla mansarda, ha la plastica esterna rotta; non sono riuscito a trovare il nome/sigla del ricambio, qualcuno può aiutarmi?? Grazie!
 
Sergio
17
MauriBetta
MauriBetta
30/11/2008 1250
Inserito il 31/07/2015 alle: 12:56:57

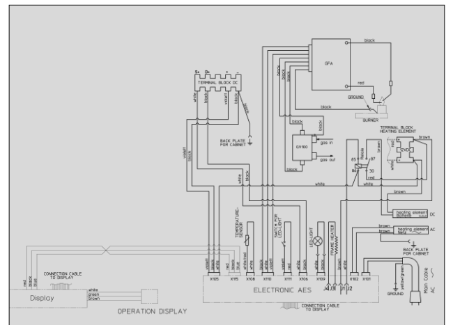
Francesco non si riesce ad accedere alla resistenza dalla griglia esterna..?
Non dovrebbe essere molto distante dal bruciatore a gas....
Secondo il manuale la schedina è qui..

La schedina comanda direttamente la resistenza. I morsetti dovrebbero essere quelli a fianco dell'alimentazione 230VAC dove è indicato riscaldatore rete..

Se segui il cavetto che parte da questo connettore, secondo lo schema dovresti arrivare alla resistenza..

 

Modificato da MauriBetta il 31/07/2015 alle 13:16:41
11
Francesco1974
Francesco1974
11/12/2014 671
Inserito il 31/07/2015 alle: 15:34:43
In risposta al messaggio di MauriBetta del 31/07/2015 alle 12:56:57

Francesco non si riesce ad accedere alla resistenza dalla griglia esterna..? Non dovrebbe essere molto distante dal bruciatore a gas.... Secondo il manuale la schedina è qui.. La schedina comanda direttamente la resistenza.
I morsetti dovrebbero essere quelli a fianco dell'alimentazione 230VAC dove è indicato riscaldatore rete.. Se segui il cavetto che parte da questo connettore, secondo lo schema dovresti arrivare alla resistenza..  
...

Ciao Maurizio, la posizione in effetti è "in bilico", le mani ce le metterà l'officina e non io per cui c'è la possibilità forse di arrivarci ma sicuramente il tecnico ha detto di voler provare a sfilare il frigo....

Purtroppo sono nelle sue mani, lunedì sera voglio chiamarlo per capire a che punto siamo.
Delle 2 avrei preferito cambiare la scheda di comando, questo è vero...

Lo schema l'avevo trovato, avevo anche i codici di ricambio dalla Vecam, ma dovendo essere tutto in garanzia, l'attività la devono fare loro a loro modo, che spero comunque essere il migliore, non sarà il primo frigo con resistenza cambiata... O si????
Francesco & Famiglia.
17
MauriBetta
MauriBetta
30/11/2008 1250
Inserito il 31/07/2015 alle: 19:52:06

.... hai ragione.... meglio far fare a loro, almeno fino a che è in garanzia...
Facci sapere come è andata..

Modificato da MauriBetta il 31/07/2015 alle 19:54:49
11
Mik Robby
Mik Robby
16/05/2014 18
Inserito il 01/08/2015 alle: 11:10:59
Buongiorno a tutti, siamo appena rientrati da 3 splendide settimane in giro per la Croazia a bordo del nostro "Patatone" (Ecovip1 2013). Avendolo preso usato ad ottobre era la prima volta che lo usavamo x così tanto tempo. Splendida esperienza! Solo una cosa non ho capito bene, come funziona il serbatoio supplementare delle acque chiare? Avevo riempito solo quello prima di partire perchè, soggiornando sempre in campeggi sapevo di non aver bisogno di "tanta" acqua nel camper. Il problema è che da quel serbatoio la pompa non ha mai pescato. Ho dovuto riempire anche il serbatoio principale per poter usare l'acqua in camper. Tanto che dopo 3 settimane il serbatoio supplementare era ancora pieno come quando siamo partiti. Qualcuno sa spiegarmi come funziona?
Grazie Michele.
12
piersimo
piersimo
28/05/2013 131
Inserito il 01/08/2015 alle: 16:13:12
Ciao per scambiare il serbatoio devi agire nel rubinetto che trovi dentro l'armadio vicino alla pompa almeno nel mio ec1 e girarla di 180°. Buoni km. Ciao
Piersimo
11
Francesco1974
Francesco1974
11/12/2014 671
Inserito il 01/08/2015 alle: 18:07:35
In risposta al messaggio di Mik Robby del 01/08/2015 alle 11:10:59

Buongiorno a tutti, siamo appena rientrati da 3 splendide settimane in giro per la Croazia a bordo del nostro Patatone (Ecovip1 2013). Avendolo preso usato ad ottobre era la prima volta che lo usavamo x così tanto tempo.
Splendida esperienza! Solo una cosa non ho capito bene, come funziona il serbatoio supplementare delle acque chiare? Avevo riempito solo quello prima di partire perchè, soggiornando sempre in campeggi sapevo di non aver bisogno di tanta acqua nel camper. Il problema è che da quel serbatoio la pompa non ha mai pescato. Ho dovuto riempire anche il serbatoio principale per poter usare l'acqua in camper. Tanto che dopo 3 settimane il serbatoio supplementare era ancora pieno come quando siamo partiti. Qualcuno sa spiegarmi come funziona? Grazie Michele.
...

CIao, sicuramente esiste un rubinetto che seziona i due serbatoi... Devi fare una caccia al tesoro x trovarlo, non ho mai avuto un eV 1 x cui non so dire altro, se non è nell'armadio potrebbe essere in un vano tecnico poco usato, ma vedrai che c'è.
Francesco & Famiglia.
19
faboulos
faboulos
27/11/2006 1104
Inserito il 01/08/2015 alle: 20:43:21

Non so come siete messi a ricambi dalle tue parti. Proprio un mese fa qui a Roma da un rivenditore di camper con molti ricambi ho acquistato quella sx per il camper di mio figlio. E' bastato dirgli il mezzo e l'ho presa. Claudio

Modificato da faboulos il 01/08/2015 alle 20:44:25
11
FGTO
FGTO
21/08/2014 224
Inserito il 02/08/2015 alle: 08:13:47
In risposta al messaggio di Mik Robby del 01/08/2015 alle 11:10:59

Buongiorno a tutti, siamo appena rientrati da 3 splendide settimane in giro per la Croazia a bordo del nostro Patatone (Ecovip1 2013). Avendolo preso usato ad ottobre era la prima volta che lo usavamo x così tanto tempo.
Splendida esperienza! Solo una cosa non ho capito bene, come funziona il serbatoio supplementare delle acque chiare? Avevo riempito solo quello prima di partire perchè, soggiornando sempre in campeggi sapevo di non aver bisogno di tanta acqua nel camper. Il problema è che da quel serbatoio la pompa non ha mai pescato. Ho dovuto riempire anche il serbatoio principale per poter usare l'acqua in camper. Tanto che dopo 3 settimane il serbatoio supplementare era ancora pieno come quando siamo partiti. Qualcuno sa spiegarmi come funziona? Grazie Michele.
...

Ciao,
confermo che anche nel mio EV1 il rubinetto e sotto il l'armadio per capi appesi (quello piu' piccolo sulla destra) .
Buon​a caccia al tesoro ... :=)
 
Franco
11
FGTO
FGTO
21/08/2014 224
Inserito il 02/08/2015 alle: 10:30:36
In risposta al messaggio di FGTO del 02/08/2015 alle 08:13:47

Ciao, confermo che anche nel mio EV1 il rubinetto e sotto il l'armadio per capi appesi (quello piu' piccolo sulla destra) . Buon​a caccia al tesoro ... :=)   Franco

Venerdì partenza per la prima vera vacanza con il mio EV1 ritirato ad aprile...smiley

Considerando che praticamente quasi vuoto pesavo circa 3400 kg in assetto vacanza a quanto consigliate di gonfiare le gomme 225/75/16 ?

siamo 2 adulti 3 bambini e porteremo anche 5 bici.....

ciao.


 
Franco
11
Mik Robby
Mik Robby
16/05/2014 18
Inserito il 02/08/2015 alle: 15:33:42
Ok, grazie per le dritte. Vado a cominciare la caccia al tesoro!laugh
16
sergio68
sergio68
01/02/2010 3467
Inserito il 02/08/2015 alle: 16:09:20
In risposta al messaggio di faboulos del 01/08/2015 alle 20:43:21

Non so come siete messi a ricambi dalle tue parti. Proprio un mese fa qui a Roma da un rivenditore di camper con molti ricambi ho acquistato quella sx per il camper di mio figlio. E' bastato dirgli il mezzo e l'ho presa. Claudio

ciao Claudio e grazie per la risposta! nel frattempo ho postato la domando anche su accessori e grazie ad un collega di forum sono arrivato a capire chi li produce e come si chiamano; così mi è stato più facile arrivare ad un grosso ricambista di Torino, in settimana vado a comprarlo! diciamo che non è proprio regalato, ma con quello rotto non ci voglio stare! Grazie ancora 
Sergio
13
Mark74xx
Mark74xx
11/08/2012 1778
Inserito il 03/08/2015 alle: 19:00:15
In risposta al messaggio di FGTO del 02/08/2015 alle 10:30:36

Venerdì partenza per la prima vera vacanza con il mio EV1 ritirato ad aprile... Considerando che praticamente quasi vuoto pesavo circa 3400 kg in assetto vacanza a quanto consigliate di gonfiare le gomme 225/75/16 ? siamo 2 adulti 3 bambini e porteremo anche 5 bici..... ciao.   Franco

Ciao Franco 
dai, non essere timido, dicci che gomme hai 
Mi, Pi, Co
sul fianco ci sono tutte le indicazioni del caso
alla voce max pressure psi
Dovrebbe essere 80psi
che equivale a 5,51 bar
ti direi metti tutto a 5,5 poi, se senti troppo rigido, prova a 5
francamente non andrei più giù
ovviamente sempre misurazione a gomme fredde
buona vacanza
Mark74
SostaGruppiCompagniItaliaEsteroMarchiMeccanicaCellulaAccessoriEventiLeggiComportamentiDisabiliIn camper perAltro CamperAltroExtra Attivi
Argomenti recenti dal forum
Cellula abitativa
Dove sono i fusibili
Buongiorno, ho una cellula Rimor su Ford Transit 1996, recentemente ho cambiato la batteri...
Gaetano61
Ieri alle: 17:05
Cellula abitativa
Pannello di controllo Laika Ecovip 1 Classic
Buongiorno a tutti e GRAZIE a chi vorrà aiutarmi. Una infiltrazione ha danneggiato il mio ...
archimistica
Ieri alle: 16:24
Compagni di viaggio
Amici di viaggio Varese
Coppia di 37 e 39 anni con due figli di 5 e 6 anni cerca compagni di weekend e di viaggio ...
Vale89
Ieri alle: 16:05
Accessori
Parallelatore Helios
Vorrei chiedere ai più esperti un parere su questo parallelatore, era già installato quand...
andreapodda
Ieri alle: 15:37
Accessori
Display nds
Qualcuno di voi mi può aiutare a capire cos’è questo segno?poi ho notato che i pannelli no...
Domenico83
Ieri alle: 14:54
Accessori
richiesta di aiuto per i più esperti
Buongiorno a tutti... ho un camper Arca America 745 glg del 2024. il camper monta due batt...
Adocaro
Ieri alle: 13:49
Accessori
Stabilizzatore tensione 12 Volt DC
Ciao a tutti, per questioni di comodità ho questa situazione : batterie al litio da 140Ah ...
Karbon17
06/04/26 - 20:40
Accessori
Perplessità collegamento Stacca Batteria
Ciao a tutti. Penso di aver letto tutti i post riguardanti lo stacca batterie presenti sul...
Tiberius
06/04/26 - 17:43
Cellula abitativa
Pompa dell'acqua in funzione quando scarico acqua
Buongiorno a tutti, sul mio Carthago ho il sistema di scarico dell'acqua chiara costituito...
The monk
06/04/26 - 15:24
Accessori
Cestello gancio traino
Buongiorno a tutti, Qualcuno saprebbe consigliarmi un cestello da gancio traino che (quan...
Anna b
06/04/26 - 10:38
Accessori
Plafoniera mansarda Elnagh Baron 48
non riesco a cambiare la lampadina anche dopo avere estratto il faretto: Elnagh Baron 48. ...
pino1957
06/04/26 - 10:26
Accessori
Ventole raffreddamento frigo dometic
Ciao a tutti! Vorrei fare una domanda che sarà già stata fatta 1000 volte. Ho un dometic 4...
Alessio 83
06/04/26 - 07:57
167k Facebook
343k Instagram
42,6k TikTok
73,3k Youtube
CamperOnLine - Copyright © 1998-2026 - P.Iva 06953990014
Informativa privacy
Loading...

Accedi

Recupera Password
Nuovo utente

Vuoi eliminare il messaggio?

Sottoscrizione

Anteprima

PREFERENZA

Il messaggio è in fase di inserimento.

loading

CamperOnLine

Buongiorno gentile utente,

da oltre 20 anni Camperonline offre gratuitamente tutti i suoi servizi
grazie agli inserzionisti che ci hanno dato la loro fiducia, permettici di continuare il nostro lavoro disattivando il blocco delle pubblicità.

Grazie della collaborazione.

Azione eseguita con successo

Azione Fallita

Condividi

Condividi questa pagina con:

O copia il link