CamperOnLine
  • Camper
    • Camper usati
    • Camper nuovi
    • Produttori
    • Listino
    • Cataloghi
    • Concessionari e rete vendita
    • Noleggio
    • Van
    • Caravan
    • Fiere
    • Rimessaggi
    • Le prove di CamperOnLine
    • Provati da voi
    • Primo acquisto
    • Area professionisti
  • Accessori
    • Accessori e Prodotti
    • Camping Sport Magenta accessori
    • Produttori
    • Antenne TV
    • Ammortizzatori
    • GPS
    • Pneumatici
    • Rimorchi
    • Provati da Voi
    • Fai da te
  • Viaggi
    • Diari di viaggi in camper
    • Eventi
    • Foto
    • Check list
    • Traghetti
    • Trasporti
  • Sosta
    • Cerca Strutture
    • Sosta
    • Aree sosta camper
    • Campeggi
    • Agriturismi con sosta camper
    • App Camperonline App
    • 10 Consigli utili per la sosta
    • Area strutture
  • Forum
    • Tutti i Forum
    • Sosta
    • Gruppi
    • Compagni
    • Italia
    • Estero
    • Marchi
    • Meccanica
    • Cellula
    • Accessori
    • Eventi
    • Leggi
    • Comportamenti
    • Disabili
    • In camper per
    • Altro Camper
    • Altro
    • Extra
    • FAQ
    • Regolamento
    • Attivi
    • Preferiti
    • Cerca
  • Community
    • COL
    • CamperOnFest
    • Convenzioni Convenzioni
    • Amici
    • Furti
    • Informativa Privacy
    • Lavoro
  • COL
    • News
    • Newsletter
    • Pubblicità
    • Contatto
    • Ora
    • RSS RSS
    • Video
    • Facebook
    • Instagram
  • Magazine
  • Italiano
    • Bienvenue
    • Welcome
    • Willkommen
  • Accedi
CamperOnLine
Camping Sport Magenta
  1. Forum
  2. Tecnica
  3. Meccanica
Galleria

Automatizzare scalino elettrico lato guida

Rispondi
Cerca
SostaGruppiCompagniItaliaEsteroMarchiMeccanicaCellulaAccessoriEventiLeggiComportamentiDisabiliIn camper perAltro CamperAltroExtra
1 20 22
17
arca 50
arca 50
27/10/2008 1109
Rispondi Abuso
Inserito il 16/02/2022 alle: 18:50:12
buona serata a tutti
comincio ad avere problemi nel salire dal lato guida  ed allora pensavo di mettere uno scalino elettrico,anzi se qualcuno di voi ne a uno usato ci sentiamo
 quando apro la porta lo scalino esca e quando la chiudo si chiuda lo scalino.
Qualcuno di voi mi può fare un o schemino in questo senso ringrazio e saluto
VOI AVETE GLI OROLOGI IO HO IL TEMPO ✴ OLIVER. ✴
19
anasta
anasta
rating

21/11/2006 2441
Rispondi Abuso
Inserito il 16/02/2022 alle: 19:55:06
In risposta al messaggio di arca 50 del 16/02/2022 alle 18:50:12

buona serata a tutti comincio ad avere problemi nel salire dal lato guida  ed allora pensavo di mettere uno scalino elettrico,anzi se qualcuno di voi ne a uno usato ci sentiamo  quando apro la porta lo scalino esca
e quando la chiudo si chiuda lo scalino. Qualcuno di voi mi può fare un o schemino in questo senso ringrazio e saluto VOI AVETE GLI OROLOGI IO HO IL TEMPO ✴ OLIVER. ✴
...
Certo qualche indicazione in più...
Non so se esiste qualcosa di già fatto, altrimenti da officina camper o da un fabbro ti fai fare lo scalino, movimenti meccanici tramite attuatore con opportuna escursione pilotato da rele per inversione polarità.
Andrea
17
arca 50
arca 50
27/10/2008 1109
Rispondi Abuso
Inserito il 16/02/2022 alle: 20:03:35
In risposta al messaggio di anasta del 16/02/2022 alle 19:55:06

Certo qualche indicazione in più... Non so se esiste qualcosa di già fatto, altrimenti da officina camper o da un fabbro ti fai fare lo scalino, movimenti meccanici tramite attuatore con opportuna escursione pilotato da rele per inversione polarità. Andrea
qualcosa din fatto non esiste pensavo a scalini gia esistenti  mi serviva uno schema
 
VOI AVETE GLI OROLOGI IO HO IL TEMPO ✴ OLIVER. ✴
8
Moby  Dick
Moby Dick
15/11/2017 623
Rispondi Abuso
Inserito il 17/02/2022 alle: 07:35:51
In risposta al messaggio di arca 50 del 16/02/2022 alle 18:50:12

buona serata a tutti comincio ad avere problemi nel salire dal lato guida  ed allora pensavo di mettere uno scalino elettrico,anzi se qualcuno di voi ne a uno usato ci sentiamo  quando apro la porta lo scalino esca
e quando la chiudo si chiuda lo scalino. Qualcuno di voi mi può fare un o schemino in questo senso ringrazio e saluto VOI AVETE GLI OROLOGI IO HO IL TEMPO ✴ OLIVER. ✴
...
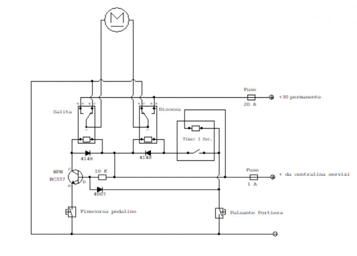
Ciao arca 50,
Potresti fare qualcosa del genere:
pedalino%20portiera.PNG
Il timer lo regolerai mezzo secondo in più dopo l'apertura totale del pedalino e se vuoi farlo funzionare sempre anche a centralina servizi spenta, colleghi i due positivi assieme sul +30
 
bongybongy

Modificato da Moby Dick il 17/02/2022 alle 07:36:52
20
Grinza
Grinza
rating

16/02/2006 63840
Rispondi Abuso
Inserito il 17/02/2022 alle: 10:44:18
Esistono scalini proprio da mettere sotto alla cabina con tanto di apertura automatica con la porta, ci sono di diverse marche  e costano circa 400-500 euro 
Mi sembra che bengalajoe ne ha fatto uno

Anche io, con le ruote da 16 ho difficoltà a salire…

FDC8918A-FE9E-4BA9-8051-9E07C52BE5D1.jpeg
Il problema non è la gente che non comprende ma la gente che giudica quello che nemmeno comprende

Modificato da Grinza il 17/02/2022 alle 10:46:29
Sala Silvergruva, la miniera d'argento
Sala Silvergruva, la miniera d'argento
Folgaria d’inverno in camper
Folgaria d’inverno in camper
Francia 2025
Francia 2025
Eksjo, la città di legno
Eksjo, la città di legno
Viaggio in Umbria e dintorni
Viaggio in Umbria e dintorni
Previous Next
10
BengalaJoe
BengalaJoe
28/07/2015 1504
Rispondi Abuso
Inserito il 18/02/2022 alle: 15:08:39
In risposta al messaggio di Grinza del 17/02/2022 alle 10:44:18

Esistono scalini proprio da mettere sotto alla cabina con tanto di apertura automatica con la porta, ci sono di diverse marche  e costano circa 400-500 euro  Mi sembra che bengalajoe ne ha fatto uno Anche io, con le ruote da 16 ho difficoltà a salire…
Si, io l'ho montato sulla porta cellula del Adria Compact SL. Quello in foto della Project 2000 è quello che ho io ma non ha finecorsa, quindi quando arriva a inizio e a fondo corsa assorbe l'impossibile e fa saltare il fusibile. Alla fine ho usato la centralina fornita dalla Project 2000 che non è la fine del mondo ma basta metterci una resistenza di potenza e quando arriva a fine corsa va a scaricare sulla resistenza. Non ricordo da quanto era e non posso andarla a leggere perchè l'ho sigillata, ma basta fare delle prove.
Per apertura e chiusura ho usato un interruttore magnetico.

 
O vieni con la soluzione o fai parte del problema !

Modificato da BengalaJoe il 18/02/2022 alle 15:10:27
19
anasta
anasta
rating

21/11/2006 2441
Rispondi Abuso
Inserito il 18/02/2022 alle: 15:44:14
In risposta al messaggio di Moby Dick del 17/02/2022 alle 07:35:51

Ciao arca 50, Potresti fare qualcosa del genere: Il timer lo regolerai mezzo secondo in più dopo l'apertura totale del pedalino e se vuoi farlo funzionare sempre anche a centralina servizi spenta, colleghi i due positivi assieme sul +30  
Pensandfoci (memoria remota) mi sono ricordato che avevo fatto, diversi anni fa, uno schemino che solo con switch fine corsa e diodi sui contatti dei 2  fine corsa si pilotava il motore, senza transistor che per chi non è pratico di elettronica sono la difficoltà difficile da superare. Se ci penso un po rifaccio lo schemino.
Altrimenti se si trova lo scalino senza motore io opterei per l'attuatore lineare, che ha già di suo i fine corsa, basta pilotarlo con un doppio deviatore.
In ogni caso i soldi della "centralina" si risparmiano.
Andrea

P.S. buttato giù lo schemino, stasera lo scannerizzo e lo posto, ora sto uscendo

Modificato da anasta il 18/02/2022 alle 15:51:42
17
arca 50
arca 50
27/10/2008 1109
Rispondi Abuso
Inserito il 18/02/2022 alle: 20:44:59
In risposta al messaggio di anasta del 18/02/2022 alle 15:44:14

Pensandfoci (memoria remota) mi sono ricordato che avevo fatto, diversi anni fa, uno schemino che solo con switch fine corsa e diodi sui contatti dei 2  fine corsa si pilotava il motore, senza transistor che per chi non
è pratico di elettronica sono la difficoltà difficile da superare. Se ci penso un po rifaccio lo schemino. Altrimenti se si trova lo scalino senza motore io opterei per l'attuatore lineare, che ha già di suo i fine corsa, basta pilotarlo con un doppio deviatore. In ogni caso i soldi della centralina si risparmiano. Andrea P.S. buttato giù lo schemino, stasera lo scannerizzo e lo posto, ora sto uscendo
...
grazie vediamo se mi riesce qualcosa
VOI AVETE GLI OROLOGI IO HO IL TEMPO ✴ OLIVER. ✴
19
anasta
anasta
rating

21/11/2006 2441
Rispondi Abuso
Inserito il 18/02/2022 alle: 22:41:05
In risposta al messaggio di anasta del 18/02/2022 alle 15:44:14

Pensandfoci (memoria remota) mi sono ricordato che avevo fatto, diversi anni fa, uno schemino che solo con switch fine corsa e diodi sui contatti dei 2  fine corsa si pilotava il motore, senza transistor che per chi non
è pratico di elettronica sono la difficoltà difficile da superare. Se ci penso un po rifaccio lo schemino. Altrimenti se si trova lo scalino senza motore io opterei per l'attuatore lineare, che ha già di suo i fine corsa, basta pilotarlo con un doppio deviatore. In ogni caso i soldi della centralina si risparmiano. Andrea P.S. buttato giù lo schemino, stasera lo scannerizzo e lo posto, ora sto uscendo
...
Premessa: so di non aver inventato niente di nuovo, solo cose ovvie per chi ha un minimo di dimestichezza.
Eccolo, più che semplice direi banale:
img20220218_22130360.jpg
Innanzitutto scusate per il disegno fatto veramente di corsa, ma cè poco da capire.
Per i negati di elettricità: il micro aperto è quello che ha determinato l'arresto della corsa, cioè il punto e la situazione da cui ripartirà il movimento opposto.
Nella prima riga, applicando le polarità come indicato, il diodo di sx permetterà il passaggio della corrente ed il diodo di dx sarà  ininfluente, fino a che a fine corsa il micro di dx si apre ed interrompe il circuito.
Nella seconda riga si vede come, invertendo le polarità, si ottiene il moto in direzione contraria.
In basso poi come invertire le polarità. Dando retta alla richiesta dell'autore del post quelli potrebbero essere i contatti di un relè la cui bobina è alimentata portando una massa dal pulsante dello sportello. Ma se si apre lo sportello solo per prendere un oggetto senza salire si rischia di beccarsi lo scalino negli stinchi.
Oppure si potrebbe utilizzare un doppio deviatore con ritorno a zero centrale ed un rele lato motore - azionato dal d+ - che stacca lato switch e collega direttamente il +12v per chiudere lo scalino, non sarà automatico ma gli stinchi ringraziano.
Se si usa un attuatore lineare il giochino di switch e diodi è già all'interno, basta fare l'invertitore di polarità.
Andrea

Modificato da anasta il 18/02/2022 alle 22:42:26
19
IZ4DJI
IZ4DJI
rating

12/11/2006 58356
Rispondi Abuso
Inserito il 19/02/2022 alle: 10:01:16
In risposta al messaggio di arca 50 del 16/02/2022 alle 18:50:12

buona serata a tutti comincio ad avere problemi nel salire dal lato guida  ed allora pensavo di mettere uno scalino elettrico,anzi se qualcuno di voi ne a uno usato ci sentiamo  quando apro la porta lo scalino esca
e quando la chiudo si chiuda lo scalino. Qualcuno di voi mi può fare un o schemino in questo senso ringrazio e saluto VOI AVETE GLI OROLOGI IO HO IL TEMPO ✴ OLIVER. ✴
...
Un amico ha fatto installare dalla MAPA di Altedo BO il gradino estraibile nella porta del MH, loro sono specializzati in certe modifiche anche artigianali. Il piu è costruire un telaio robusto attaccato alla parte di lamiera perchè il gradino di ingresso del MH è tutta plastica e non puo supportare il gradino estraibile.
Però, io metterei il solito pulsante così lo estrai solo quando vuoi. A volte in caso di marciapiede alto o altro ostacolo, se si apre automaticamente poi si incastra e fa un guaio. Tanto è un attimo premere il pulsante per aprirlo.
Ovviamente va messo cicalino ben udibile, come nel gradino cellula, all avvio del motore, per non dimenticarlo.
 
____________________________________

Tommaso IZ4DJI

www.iz4dji.it




19
anasta
anasta
rating

21/11/2006 2441
Rispondi Abuso
Inserito il 19/02/2022 alle: 11:18:11
In risposta al messaggio di IZ4DJI del 19/02/2022 alle 10:01:16

Un amico ha fatto installare dalla MAPA di Altedo BO il gradino estraibile nella porta del MH, loro sono specializzati in certe modifiche anche artigianali. Il piu è costruire un telaio robusto attaccato alla parte di lamiera
perchè il gradino di ingresso del MH è tutta plastica e non puo supportare il gradino estraibile. Però, io metterei il solito pulsante così lo estrai solo quando vuoi. A volte in caso di marciapiede alto o altro ostacolo, se si apre automaticamente poi si incastra e fa un guaio. Tanto è un attimo premere il pulsante per aprirlo. Ovviamente va messo cicalino ben udibile, come nel gradino cellula, all avvio del motore, per non dimenticarlo.  
...
Come ben sai si può farlo chiudere in automatico con il D+, se poi l'autore ci dice di che mezzo stiamo parlando..., altrimenti va bene così.
Andrea
latrofa124
latrofa124
-
Rispondi Abuso
Inserito il 19/02/2022 alle: 11:23:13
Hymer lo mette come opzional sui motorhome , sarebbe da indagare com'è fatto e quanto costa.
In realtà lo stavo valutando anche io, non è tanto lo scalino, ma per una maniglia come sui camion aiuterebbe molto, è una esigenza della moglie quando sale dalla porta passeggero del nuovo sprinter. 
Roberto 
Argomenti recenti dal forum
Accessori
Waeco cruiscontroll Ms 900
Chi lo ha montato su ducato 3000cc del 2010 mi spiega come funziona ...
flavius67
Ieri alle: 21:12
Accessori
Impianto 13 poli gancio traino schema
Ciao a tutti, Dubito di risolvere, ma la community qui é numerosa e ...
maaaxxx
Ieri alle: 18:27
Meccanica
Un aiutino da casa x Crossclimate
Mi sono un po perso sulle pressioni corrette , il mezzo è su Ducato ...
dadamazz
Ieri alle: 18:05
Aree di sosta e campeggi
Area sosta sul lago di Barcis
Ciao a tutti , qualcuno è stato a Pasqua nell'area sosta camper a Ba...
diabolik
Ieri alle: 16:14
Accessori
Interpretare smartshunt
Buongiorno, nel cammin di mezza via . . . Mi ritrovo con 2 BS 110AH ...
isauri
Ieri alle: 15:21
Accessori
monitoraggio pressione pneumatici
Buongiorno a tutti, volevo chiedere se qualcuno ha montato un TPMS d...
Walter62
Ieri alle: 14:11
Aree di sosta e campeggi
Area sosta a primaluna LECCO
Buongiorno chiedo x piacere,,qualcuno e stato recentemente all,area ...
giuvanella
Ieri alle: 13:26
Cellula abitativa
Cavi dietro sedile lato passeggero ducato 244
Buongiorno a tutti, sul mio ducato 244 esce dietro il sedile una lin...
CamperistaPN
Ieri alle: 08:55
In camper per
Studio di settore sulle aree camper
Buona sera a tutti Sono qua a chiedere qualche minuto del vostro tem...
kettyke
14/03/26 - 23:02
Meccanica
Arca america 2024
Buonasera a tutti, vorrei capire se il camper in oggetto può già ave...
Adocaro
14/03/26 - 19:14
Cellula abitativa
motorhome hymer 2003 non carica bs
Buongiorno a tutti, ho un problema e spero nel Vostro aiuto. Attacc...
salva56
14/03/26 - 14:29
Viaggi in Italia
Ciclabili Verona est
Abbiamo letto la pagina web dell'agricamping Oro verde a Verona. Sap...
rlui
14/03/26 - 14:28
Accessori
Installazione retrocamera posteriore
Ciao a tutti, ho acquistato un Krunia Schermo Portatile 8'' per Appl...
Karbon17
14/03/26 - 10:10
Cellula abitativa
Mercedes Viano Marco Polo allestito Westfalia
Buongiorno a tutti, per il mio Viano Marco Polo allestito Westfalia ...
Salo
14/03/26 - 09:31
Meccanica
Fanale opacizzato
Ciao, ho un Ducato i cui fanali anteriori sono opacizzati. Quest'ann...
Maiamaia4
14/03/26 - 08:35
19
IZ4DJI
IZ4DJI
rating

12/11/2006 58356
Rispondi Abuso
Inserito il 19/02/2022 alle: 18:24:13
In risposta al messaggio di anasta del 19/02/2022 alle 11:18:11

Come ben sai si può farlo chiudere in automatico con il D+, se poi l'autore ci dice di che mezzo stiamo parlando..., altrimenti va bene così. Andrea
secondo me la chiusura automatica a motore avviato non è comoda, perchè uno potrebbe dovere scendere un attimo anche a motore acceso, negli Hymer non c'è neppure nel gradino cellula, perchè puo capitare che qualcuno deva salire o scendere al volo a motore acceso. Però c'è un cicalino che a gradino estratto ti assorda e quindi non lo si puo dimenticare.
Secondo me tutto sommato sarebeb meglio questo suistema anche nella porta guida.
____________________________________

Tommaso IZ4DJI

www.iz4dji.it




17
arca 50
arca 50
27/10/2008 1109
Rispondi Abuso
Inserito il 19/02/2022 alle: 18:31:47
In risposta al messaggio di latrofa124 del 19/02/2022 alle 11:23:13

Hymer lo mette come opzional sui motorhome , sarebbe da indagare com'è fatto e quanto costa. In realtà lo stavo valutando anche io, non è tanto lo scalino, ma per una maniglia come sui camion aiuterebbe molto, è una esigenza della moglie quando sale dalla porta passeggero del nuovo sprinter.  Roberto 
in effetti lidea mi è venuta avendo visto un Hymer motorhomer 
 
VOI AVETE GLI OROLOGI IO HO IL TEMPO ✴ OLIVER. ✴
16
Apollo 13
Apollo 13
09/07/2009 3103
Rispondi Abuso
Inserito il 19/02/2022 alle: 20:20:07
Un interruttore per disattivare l'automatismo è sufficente per lasciare il gradino nella posizione chiuso o aperto serve complicare il circuito.
Nel caso di partenza con il gradino aperto un semplice cicalino collegato a D+.
Lo stolto non sa tacere
19
anasta
anasta
rating

21/11/2006 2441
Rispondi Abuso
Inserito il 19/02/2022 alle: 22:14:06
In risposta al messaggio di Apollo 13 del 19/02/2022 alle 20:20:07

Un interruttore per disattivare l'automatismo è sufficente per lasciare il gradino nella posizione chiuso o aperto serve complicare il circuito. Nel caso di partenza con il gradino aperto un semplice cicalino collegato a D+.
In effetti tutto si può fare, ognuno secondo le proprie preferenze.
Io ho solo fatto un paio di ipotesi.
Andrea
19
IZ4DJI
IZ4DJI
rating

12/11/2006 58356
Rispondi Abuso
Inserito il 20/02/2022 alle: 01:03:28
Nel mio che ha la cabina veramente altissima, per salire mi attacco al volante e poi mi tiro su, e per scendere , sempre attaccato al volante mi calo all indietro, non c'è altro modo. Dallato passegegro, invece è quasi impossibile salire ma tanto da li non sale e scende mai nessuno.
____________________________________

Tommaso IZ4DJI

www.iz4dji.it




20
Grinza
Grinza
rating

16/02/2006 63840
Rispondi Abuso
Inserito il 20/02/2022 alle: 05:38:35
In risposta al messaggio di anasta del 19/02/2022 alle 22:14:06

In effetti tutto si può fare, ognuno secondo le proprie preferenze. Io ho solo fatto un paio di ipotesi. Andrea
Meglio un cicalino che ti avverte attaccato al +12 sottochiave, il D+ da spento é d’impiccio…
 
Il problema non è la gente che non comprende ma la gente che giudica quello che nemmeno comprende
17
arca 50
arca 50
27/10/2008 1109
Rispondi Abuso
Inserito il 20/02/2022 alle: 10:27:15
In risposta al messaggio di IZ4DJI del 20/02/2022 alle 01:03:28

Nel mio che ha la cabina veramente altissima, per salire mi attacco al volante e poi mi tiro su, e per scendere , sempre attaccato al volante mi calo all indietro, non c'è altro modo. Dallato passegegro, invece è quasi impossibile salire ma tanto da li non sale e scende mai nessuno.
E' quello che capita anche me da quando ho sostituito le sospensioni , ora aspetto un po e vedo se trovo qualche usato 
VOI AVETE GLI OROLOGI IO HO IL TEMPO ✴ OLIVER. ✴
20
Grinza
Grinza
rating

16/02/2006 63840
Rispondi Abuso
Inserito il 20/02/2022 alle: 12:15:12
In risposta al messaggio di arca 50 del 20/02/2022 alle 10:27:15

E' quello che capita anche me da quando ho sostituito le sospensioni , ora aspetto un po e vedo se trovo qualche usato 
Io spesso entro dalla porta cellula…
Il problema non è la gente che non comprende ma la gente che giudica quello che nemmeno comprende
19
IZ4DJI
IZ4DJI
rating

12/11/2006 58356
Rispondi Abuso
Inserito il 20/02/2022 alle: 15:19:44
In risposta al messaggio di Grinza del 20/02/2022 alle 12:15:12

Io spesso entro dalla porta cellula…
Anche noi le porte cabina le usiamo pochissimo, al 99% si esce e entra dalla porta cellula, anche perchè spesso quando ci si ferma si va prima dietro a prendere giacca o zainetto, e a quel punto si scende da li, idem quando si sale.
Io uso la porta cabina quasi solo quando mi fermo a fare rifornimento di gasolio, o casomai se dirante una manovra devo scendere.
La moglie non ha mai usato la porta cabina, dice che è troppo pesante, e usa solo la porta cellula.
____________________________________

Tommaso IZ4DJI

www.iz4dji.it




SostaGruppiCompagniItaliaEsteroMarchiMeccanicaCellulaAccessoriEventiLeggiComportamentiDisabiliIn camper perAltro CamperAltroExtra
167k Facebook
343k Instagram
42,6k TikTok
73,3k Youtube
CamperOnLine - Copyright © 1998-2026 - P.Iva 06953990014
Informativa privacy
Loading...

Accedi

Recupera Password
Nuovo utente

Vuoi eliminare il messaggio?

Sottoscrizione

Anteprima

PREFERENZA

Il messaggio è in fase di inserimento.

loading

CamperOnLine

Buongiorno gentile utente,

da oltre 20 anni Camperonline offre gratuitamente tutti i suoi servizi
grazie agli inserzionisti che ci hanno dato la loro fiducia, permettici di continuare il nostro lavoro disattivando il blocco delle pubblicità.

Grazie della collaborazione.

Azione eseguita con successo

Azione Fallita

Condividi

Condividi questa pagina con:

O copia il link