CamperOnLine
  • Camper
    • Camper usati
    • Camper nuovi
    • Produttori
    • Listino
    • Cataloghi
    • Concessionari e rete vendita
    • Noleggio
    • Van
    • Caravan
    • Fiere
    • Rimessaggi
    • Le prove di CamperOnLine
    • Provati da voi
    • Primo acquisto
    • Area professionisti
  • Accessori
    • Accessori e Prodotti
    • Camping Sport Magenta accessori
    • Produttori
    • Antenne TV
    • Ammortizzatori
    • GPS
    • Pneumatici
    • Rimorchi
    • Provati da Voi
    • Fai da te
  • Viaggi
    • Diari di viaggi in camper
    • Eventi
    • Foto
    • Check list
    • Traghetti
    • Trasporti
  • Sosta
    • Cerca Strutture
    • Sosta
    • Aree sosta camper
    • Campeggi
    • Agriturismi con sosta camper
    • App Camperonline App
    • 10 Consigli utili per la sosta
    • Area strutture
  • Forum
    • Tutti i Forum
    • Sosta
    • Gruppi
    • Compagni
    • Italia
    • Estero
    • Marchi
    • Meccanica
    • Cellula
    • Accessori
    • Eventi
    • Leggi
    • Comportamenti
    • Disabili
    • In camper per
    • Altro Camper
    • Altro
    • Extra
    • FAQ
    • Regolamento
    • Attivi
    • Preferiti
    • Cerca
  • Community
    • COL
    • CamperOnFest
    • Convenzioni Convenzioni
    • Amici
    • Furti
    • Informativa Privacy
    • Lavoro
  • COL
    • News
    • Newsletter
    • Pubblicità
    • Contatto
    • Ora
    • RSS RSS
    • Video
    • Facebook
    • Instagram
  • Magazine
  • Italiano
    • Bienvenue
    • Welcome
    • Willkommen
  • Accedi
CamperOnLine
Camping Sport Magenta
  1. Forum
  2. Tecnica
  3. Meccanica
Galleria

Ducato 244 Relé max velocità ventola riscaldamento

Rispondi
Cerca
SostaGruppiCompagniItaliaEsteroMarchiMeccanicaCellulaAccessoriEventiLeggiComportamentiDisabiliIn camper perAltro CamperAltroExtra
1 20 17
13
Phaserit
Phaserit
21/10/2012 821
Rispondi Abuso
Inserito il 10/05/2017 alle: 16:26:29
Ciao a tutti,
Ho un Jumper furgonato 244 2.8 jtd e ho un problema con la ventola del riscaldamento che aveva smesso di funzionare su tutte le velocità, allora ho provato ad accendere l'aria condizionata e andava alla prima velocità poi dopo un po' di prove si è ripresa ma non va più la massima velocità.
Guardando sullo schema ho visto che c'è un relay che comanda la massima velocità ma non riesco a trovarlo, sapete qual'è?
Qualche idea sul perché sia successo?
Grazie
Ciao
Davide

Modificato da Phaserit il 10/05/2017 alle 16:29:16
19
Paolol
Paolol
24/07/2006 4683
Rispondi Abuso
Inserito il 11/05/2017 alle: 10:58:01
Ciao,sei sicuro che ci sia un relais e non una resistenza a determinare la velocità del ventilatore?Non faccio l'elettrauto,ma fino a poco tempo fa il relais c'era,ma per l'accensione del clima e non per il riscaldamento.Se ti ho scritto una scemata,fai finta di niente,altrimenti la resistenza la trovi in prossimità del ventilatore(è facile da trovare,basta cercare i fili in zona)
Ciao Paolo.
13
Phaserit
Phaserit
21/10/2012 821
Rispondi Abuso
Inserito il 11/05/2017 alle: 11:15:11
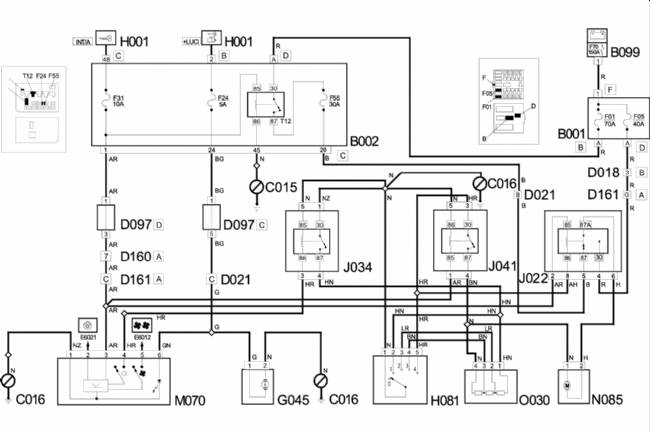
La resistenza c'è per le altre velocità, per la massima c'è il relay J041 che collega direttamente il motore.
O almeno così mi sembra di capire dallo schema:

Il relay J041 dovrebbe essere qui, ma non riesco a capire dovè:


Non so se intende nella scatola porta fusibili o se è da qualche altra parte...
Ciao
Davide
20
Vespa49
Vespa49
14/02/2006 3355
Rispondi Abuso
Inserito il 11/05/2017 alle: 21:39:16
Ho avuto lo stesso problema, a me non funzionavano più la 3 e 4 velocità. Ho risolto cambiando il seletore, nel quale si era fuso il contatto della 3 e per vicinanza ha danneggiato quello della 4. Tra seletore e ventola c'è il pacco resistenze ma nessun relè  ( altrimenti dovrebbero essere 4). Il dramma a parte il costo del pezzo 40  euri ( ma non ricordo bene) sono le parti di cruscotto che ho dovuto smontare e rimontare.
ciao e buon lavoro
22
B747
B747
22/08/2003 3236
Rispondi Abuso
Inserito il 11/05/2017 alle: 22:35:37
concordo, anche a me si ruppe il selettore, dovrei ancora avere le foto che dettagliano lo smontaggio della consolle centrale, se verifichi che il problema è quello cerco di trovarle e postare
______________
Ciao! Gianluca
Helix Izoard 555S
Asturia, Cantabria e Paesi Baschi in cam
Asturia, Cantabria e Paesi Baschi in cam
Sala Silvergruva, la miniera d'argento
Sala Silvergruva, la miniera d'argento
Folgaria d’inverno in camper
Folgaria d’inverno in camper
Francia 2025
Francia 2025
Eksjo, la città di legno
Eksjo, la città di legno
Previous Next
RobertoBcn
RobertoBcn
-
Rispondi Abuso
Inserito il 11/05/2017 alle: 23:47:25
Davide, scusa se mi intrometto, ma quelle immagini dove le hai trovate? Vengono sul tuo libretto di uso e manutenzione o le hai trovate online??
Lavorare é veramente uno schifº: per convincerti a farlo ti devono pagare.
13
Phaserit
Phaserit
21/10/2012 821
Rispondi Abuso
Inserito il 12/05/2017 alle: 13:24:36
Le immagini vengono dal manuale di officina, dove è specificato che c'è un relay per la quarta velocità, ricordo che stiamo parlando di un Jumper del 2005 quindi un 244.
Il pacco restenze è il componente O030 e ha solo 3 uscite e un ingresso quindi velocità 1 - 2 - 3

Se avete le foto del selettore sono molto gradite smiley
Ciao
Davide
RobertoBcn
RobertoBcn
-
Rispondi Abuso
Inserito il 12/05/2017 alle: 23:25:55
Ma lo hai trovato online? 
Lavorare é veramente uno schifº: per convincerti a farlo ti devono pagare.
13
Phaserit
Phaserit
21/10/2012 821
Rispondi Abuso
Inserito il 16/05/2017 alle: 10:31:11
In risposta al messaggio di RobertoBcn del 12/05/2017 alle 23:25:55

Ma lo hai trovato online?  Lavorare é veramente uno schifº: per convincerti a farlo ti devono pagare.

Me le ha passate un conoscente che ha il manuale.
Nessuno che sa aiutarmi?
Grazie
Ciao
Davide
15
massimo2020
massimo2020
23/07/2010 4687
Rispondi Abuso
Inserito il 16/05/2017 alle: 11:42:18
In risposta al messaggio di Phaserit del 16/05/2017 alle 10:31:11

Me le ha passate un conoscente che ha il manuale. Nessuno che sa aiutarmi? Grazie Ciao Davide

A me con Ducato 230 è successo che si è fusa la sede del fusibile (30A) che protegge la ventola, impedendo quindi il passaggio di corrente e quindi ventilazione ferma
Proprio in questi giorni ho controllato il connettore che entra nella resistenza ed anche li trovo connettori "riscaldati".
 
Saluti
Massimo

22
B747
B747
22/08/2003 3236
Rispondi Abuso
Inserito il 16/05/2017 alle: 13:56:03
In risposta al messaggio di Phaserit del 16/05/2017 alle 10:31:11

Me le ha passate un conoscente che ha il manuale. Nessuno che sa aiutarmi? Grazie Ciao Davide

secondo me prima di tutto devi appurare se il problema dipende dal selettore velocità (che non fa passare corrente alla 4° velocità) oppure no.
Appurato quello puoi andare oltre...
______________
Ciao! Gianluca
Helix Izoard 555S
13
Phaserit
Phaserit
21/10/2012 821
Rispondi Abuso
Inserito il 16/05/2017 alle: 22:38:24
In risposta al messaggio di B747 del 16/05/2017 alle 13:56:03

secondo me prima di tutto devi appurare se il problema dipende dal selettore velocità (che non fa passare corrente alla 4° velocità) oppure no. Appurato quello puoi andare oltre... Ciao! Gianluca Helix Izoard 555S

Infatti per quello cercavo il relay, così posso vedere cosa c'è sio contatti senza smontare il cruscotto..
Ciao
Davide
Argomenti recenti dal forum
Cellula abitativa
Comando Cp plus su Combi 6002
Buongiorno a tutti,volevo sapere se si può montare il comando cp plu...
Rickyge
Ieri alle: 16:00
Viaggi all'estero
Vignette/telepass oltre 35q in Cechia e Polonia
Buongiorno a tutti, stavo programmando un viaggio per vedere la Polo...
biomax
Ieri alle: 14:09
Cellula abitativa
Sportello presa cee
Lo sportello della presa del mio veicolo è mal ridotta, un paio di c...
gianninotopo
Ieri alle: 11:10
Altro sui camper
camper puro, furgonato x usarlo anche per lavori
buongiorno, mi frulla in testa la voglia anche se non per quest'anno...
vespucci
Ieri alle: 09:04
Altro sui camper
Cerco rimessaggio Arenzano,Genova,Savona,masone ec
Aiutoooo cerco rimessaggio nel raggio di 50km da Arenzano… grazie an...
Lelle007
Ieri alle: 01:19
Accessori
domanda secca su lifepo4
buonaser a tutti, prossimamente vorrei acquistare un box batteria d...
AlbertoPD
18/03/26 - 23:08
Cellula abitativa
Caricabatterie e colonnina 220v
Buonasera, non mi era mai capitato oppure non ci avevo fatto caso. S...
323232
18/03/26 - 20:17
Compagni di viaggio
Compagni viaggio Lombardia
Ciao, siamo una coppia di Milano, Matteo (34) e Angelica (40), con u...
Mario Dalgalla
18/03/26 - 17:16
Accessori
Striscia a led "d'atmosfera"
Salve vorrei mettere questa striscia (5mt. COB 45w) alla base dei ...
gianninotopo
18/03/26 - 16:43
Meccanica
Problema elettrico Fiat ducato X250 2.3 mjt 2012
Salve a tutti. Ho un grosso problema sul mio mezzo per quanto riguar...
Pizza77
18/03/26 - 10:30
Accessori
Impianto con lifepo4
Buongiorno a tutti, sono un novellino di questo fantastico mondo, ho...
The Box
18/03/26 - 09:16
Meccanica
Quantità olio circuito freni
Secondo voi, su un mezzo di 7 metri su telaio ALKO con interasse di ...
norbidic
18/03/26 - 06:57
Meccanica
luce fari ducato
Buonasera ragazzi, cruccio di Marzo. Volevo capire secondo le vostre...
fjordland
17/03/26 - 23:00
Aree di sosta e campeggi
Consigli soste
Buonasera, ad agosto partiremo da Napoli direzione Francia, vorremmo...
Mcar
17/03/26 - 22:42
Accessori
Scheda ne 185 .3
Buonasera sul pannello ne 268 non ho comunicazione con l' ne 185 , h...
mmazza
17/03/26 - 20:53
13
Phaserit
Phaserit
21/10/2012 821
Rispondi Abuso
Inserito il 31/05/2017 alle: 13:56:39
Allora, sono stato dal meccanico, ha smontato la copertura della ventola perché pensava fosse il selettore o il cablaggio, ha detto che non è così e quindi si torna alla ricerca di questo relay.
I fusibili sono ok.
Si deve informare anche in Fiat, speriamo...

Qui nessuno mi sa aiutare?
Ciao
Davide
13
Phaserit
Phaserit
21/10/2012 821
Rispondi Abuso
Inserito il 31/05/2017 alle: 14:24:02
Riguardando lo schema sembra che l'imputato sia J041 perché se fosse J022 andrebbe comunque forse si brucerebbe il relativo fusibile, oppure il selettore visto che ci fanno passare dentro decine di ampere angry

Questa la descrizione funzionale:
Descrizione Funzionale
La centralina climatizzazione M070 riceve un''alimentazione sotto chiave al pin 3 lungo la linea protetta dal fusibile F31 ubicato nella centralina di derivazione vano motore B001.Ruotando il selettore comando elettroventilatore climatizzazione H081 selezionando la prima, la seconda o la terza velocità viene fornito alla resistenza regolazione elettroventilatore aria abitacolo O030 un riferimento di massa.
Il teledeviatore J022 è posto a protezione dell''elettroventilatore aria abitacolo N085: quando viene inserita la massima velocità e il teledeviatore alta velocità J041 chiude il suo contatto, il teledevitatore comando elettroventilatore aria abitacolo J022 communta la posizione del suo contatto e l''elettroventilatore aria abitacolo N085, prima alimentato e protetto lungo la linea del fusibile F55 ubicato nella nella centralina di derivazione sotto plancia B002, viene alimentato e protetto lungo la linea del fusibile F05 ubicato nella centralina di derivazione vano motore B001.
All''inserimento del condizionatore la centralina climatizzazione M070 alimenta la luce comandi condizionatore / riscaldatore G045. La stessa centralina riceve un segnale di massa al pin 1.
Ciao
Davide
13
Phaserit
Phaserit
21/10/2012 821
Rispondi Abuso
Inserito il 07/06/2017 alle: 14:48:25
Aggiornamento...
Stamattina la ventola è ripartita da sola... surprise
Ciao
Davide
9
bimox
bimox
12/12/2016 325
Rispondi Abuso
Inserito il 27/06/2022 alle: 15:44:37
In risposta al messaggio di Phaserit del 11/05/2017 alle 11:15:11

La resistenza c'è per le altre velocità, per la massima c'è il relay J041 che collega direttamente il motore. O almeno così mi sembra di capire dallo schema: Il relay J041 dovrebbe essere qui, ma non riesco a capire dovè: Non so se intende nella scatola porta fusibili o se è da qualche altra parte... Ciao Davide
Io per il 244 ho uno schema diverso, diretto, senza rele'.
17
hotrod
hotrod
01/12/2008 1686
Rispondi Abuso
Inserito il 29/06/2022 alle: 09:06:32
In risposta al messaggio di Phaserit del 07/06/2017 alle 14:48:25

Aggiornamento... Stamattina la ventola è ripartita da sola...  Ciao Davide
Lo faceva anche a me, è il selettore da cambiare.
A me dava problemi anche sulle altre velocitò a volte, poi riprendeva a funzionare.
Non costa molto e poi un utente mi ha mandato gentilmente tutta la procedura per immagini, la procedura è un pò ostica e devi farlo ruotare nella sede per estrarlo.
andrix1988
andrix1988
19/08/2021 25
Rispondi Abuso
Inserito il 08/02/2026 alle: 01:16:24
In risposta al messaggio di RobertoBcn del 12/05/2017 alle 23:25:55

Ma lo hai trovato online?  Lavorare é veramente uno schifº: per convincerti a farlo ti devono pagare.
Lo riporto, per i posteri:

https://www.dropbox.com/scl/fi/...



Va scaricato, decompresso dal rar, e va installato il software eLearn di FIAT.

Ciao
Andrea
SostaGruppiCompagniItaliaEsteroMarchiMeccanicaCellulaAccessoriEventiLeggiComportamentiDisabiliIn camper perAltro CamperAltroExtra
167k Facebook
343k Instagram
42,6k TikTok
73,3k Youtube
CamperOnLine - Copyright © 1998-2026 - P.Iva 06953990014
Informativa privacy
Loading...

Accedi

Recupera Password
Nuovo utente

Vuoi eliminare il messaggio?

Sottoscrizione

Anteprima

PREFERENZA

Il messaggio è in fase di inserimento.

loading

CamperOnLine

Buongiorno gentile utente,

da oltre 20 anni Camperonline offre gratuitamente tutti i suoi servizi
grazie agli inserzionisti che ci hanno dato la loro fiducia, permettici di continuare il nostro lavoro disattivando il blocco delle pubblicità.

Grazie della collaborazione.

Azione eseguita con successo

Azione Fallita

Condividi

Condividi questa pagina con:

O copia il link