CamperOnLine
  • Camper
    • Camper usati
    • Camper nuovi
    • Produttori
    • Listino
    • Cataloghi
    • Concessionari e rete vendita
    • Noleggio
    • Van
    • Caravan
    • Fiere
    • Rimessaggi
    • Le prove di CamperOnLine
    • Provati da voi
    • Primo acquisto
    • Area professionisti
  • Accessori
    • Accessori e Prodotti
    • Camping Sport Magenta accessori
    • Produttori
    • Antenne TV
    • Ammortizzatori
    • GPS
    • Pneumatici
    • Rimorchi
    • Provati da Voi
    • Fai da te
  • Viaggi
    • Diari di viaggi in camper
    • Eventi
    • Foto
    • Check list
    • Traghetti
    • Trasporti
  • Sosta
    • Cerca Strutture
    • Sosta
    • Aree sosta camper
    • Campeggi
    • Agriturismi con sosta camper
    • App Camperonline App
    • 10 Consigli utili per la sosta
    • Area strutture
  • Forum
    • Tutti i Forum
    • Sosta
    • Gruppi
    • Compagni
    • Italia
    • Estero
    • Marchi
    • Meccanica
    • Cellula
    • Accessori
    • Eventi
    • Leggi
    • Comportamenti
    • Disabili
    • In camper per
    • Altro Camper
    • Altro
    • Extra
    • FAQ
    • Regolamento
    • Attivi
    • Preferiti
    • Cerca
  • Community
    • COL
    • CamperOnFest
    • Convenzioni Convenzioni
    • Amici
    • Furti
    • Informativa Privacy
    • Lavoro
  • COL
    • News
    • Newsletter
    • Pubblicità
    • Contatto
    • Ora
    • RSS RSS
    • Video
    • Facebook
    • Instagram
  • Magazine
  • Italiano
    • Bienvenue
    • Welcome
    • Willkommen
  • Accedi
CamperOnLine
Camping Sport Magenta
  1. Forum
  2. Tecnica
  3. Accessori
Galleria

Aggiornamento litio con centrale Schaudt EBL 119

Rispondi
Cerca
Berger Camping
SostaGruppiCompagniItaliaEsteroMarchiMeccanicaCellulaAccessoriEventiLeggiComportamentiDisabiliIn camper perAltro CamperAltroExtra
2 20 123
19
Giapo
Giapo
08/05/2006 705
Rispondi Abuso
Inserito il 29/03/2025 alle: 23:17:31
In risposta al messaggio di rubylove del 29/03/2025 alle 17:23:43

I professionisti sono indispensabili, se sono anche competenti, viceversa meglio un non professionista competente è che non sempre si indovina! 
Anche in questo caso sagge parole smiley
19
Giapo
Giapo
08/05/2006 705
Rispondi Abuso
Inserito il 29/03/2025 alle: 23:29:52
In risposta al messaggio di IZ4DJI del 29/03/2025 alle 21:45:49

Secondo me, e piu che altro guardando vari grafici, mi sono fatto l idea che anche il caricabatterie interno della EBL, possa andare bene per la carica da 230v di una BS Litio. Guarda un grafico di carica da parte di un
DcDc: Carica a 14,4V per massimo 1ora e poi si passa a carica a 13,8V qui invece il grafico di carica di una centralina Shaudt EBL (non so il modello ma penso che siano tutte uguali) [img] Su Piombo (Saure)  1 ora (dopo il raggiungimento della piena carica) a 14,3V e poi passa a 13,8V Su GEL  8 ore (dopo il raggiungimento della piena carica) a 14,3V e poi passa a 13,8V A me sembra che i valori siano molto simili e quindi direi compatibili, anzi la EBL un pochino piu bassa e quindi non dovrebbe certo creare danni. Ma è una mia considerazione, non sono un esperto, ne un elettronico, e quindi potrei sbagliarmi.
...
Chiaro, quelli della Shaudt non ti danno il 100% di compatibilità, con la loro centrale, solo per precauzione e per non prendersi responsabilità, ma nelle caratteristiche e nella pratica i CB va bene,
grazie 1000 Tommaso
6
Szopen
Szopen
rating

06/09/2019 5986
Rispondi Abuso
Inserito il 30/03/2025 alle: 00:28:53
In risposta al messaggio di Giapo del 29/03/2025 alle 16:47:25

Grazie Ciro, ma a 220v il caricabatterie dell'ELB 119 è idoneo alle litio? Avevo letto in un precedente thread che il tecnico della Shaudt spiegava che con il selettore BS  su Gel potrebbe andare bene ma bisognava avere il nulla osta del produttore della batteria, io ho una LiTime 100ah. grazie 1000
Ciao, scusami mi era sfuggita la tua domanda.

Si puoi settare la EBL per batterie al piombo, spostando il selettore in alto, ho di recente montato una lifepo4 da 320 Ah, collegata ad una EBL 30 proprio in questo modo, all'interno delle varie EBL vi e' integrato un caricabatterie LAS1218.

Per l'occasione ho montato anche un DC-DC Orion XS ma, non sono entrato nella centralina anzi, ho sfruttato il cavo esistente da 16 mmq che dalla BM entrava alla EBL,perfetto allo scopo per collegare l'Orion direttamente alla litio.

Il camper viene normalmente utilizzato e ad oggi non e' stato ravvisato problema alcuno.

Nel tuo caso la EBL va bene per la ricarica da rete 230V mentre per quella da alternatore/BM e' opportuno mettere un DC-DC poiché la tua batteria ha un BMS non configurabile che accetta fino a 100A sia in scarica che in carica e questo potrebbe essere un problema in caso di batteria molto scarica.

Per cui o metti un DC-DC oppure puoi optare per un Cyrix Li-Ct da 120A,

17432920887245635657079745201499.jpg

sempre by-passando la EBL però.

Ciro.
nomade analogico e fanciulla all'imbrunire. Non ho nulla da vendere nè consigli da dare, solo qualche piccolo suggerimento da prendere con le pinze, possibilmente, amperometriche. Buoni Km a tutti e......... rammentate sempre che....... TESTAR NON NUOCE!

Modificato da Szopen il 30/03/2025 alle 00:49:38
19
Giapo
Giapo
08/05/2006 705
Rispondi Abuso
Inserito il 30/03/2025 alle: 09:57:13
In risposta al messaggio di Szopen del 30/03/2025 alle 00:28:53

Ciao, scusami mi era sfuggita la tua domanda. Si puoi settare la EBL per batterie al piombo, spostando il selettore in alto, ho di recente montato una lifepo4 da 320 Ah, collegata ad una EBL 30 proprio in questo modo, all'interno
delle varie EBL vi e' integrato un caricabatterie LAS1218. Per l'occasione ho montato anche un DC-DC Orion XS ma, non sono entrato nella centralina anzi, ho sfruttato il cavo esistente da 16 mmq che dalla BM entrava alla EBL,perfetto allo scopo per collegare l'Orion direttamente alla litio. Il camper viene normalmente utilizzato e ad oggi non e' stato ravvisato problema alcuno. Nel tuo caso la EBL va bene per la ricarica da rete 230V mentre per quella da alternatore/BM e' opportuno mettere un DC-DC poiché la tua batteria ha un BMS non configurabile che accetta fino a 100A sia in scarica che in carica e questo potrebbe essere un problema in caso di batteria molto scarica. Per cui o metti un DC-DC oppure puoi optare per un Cyrix Li-Ct da 120A, sempre by-passando la EBL però. Ciro.
...
Ciao Ciro, avevo capito che era meglio su Gel, sì ho messo un DC/DC per la carica da alternatore.
grazie 1000 per tutte le info 
IMG_9645.jpeg
Sala Silvergruva, la miniera d'argento
Sala Silvergruva, la miniera d'argento
Folgaria d’inverno in camper
Folgaria d’inverno in camper
Francia 2025
Francia 2025
Eksjo, la città di legno
Eksjo, la città di legno
Viaggio in Umbria e dintorni
Viaggio in Umbria e dintorni
Previous Next
22
Armando
Armando
rating

11/08/2003 7445
Rispondi Abuso
Inserito il 30/03/2025 alle: 11:23:10
In risposta al messaggio di Giapo del 30/03/2025 alle 09:57:13

Ciao Ciro, avevo capito che era meglio su Gel, sì ho messo un DC/DC per la carica da alternatore. grazie 1000 per tutte le info 
Credo che Ciro si riferisse all'installazione sul mio Hymer, fatta i giorni scorsi.
Confermo che la EBL è stata settata su Gel (opzione che sul manuale Schaudt è chiamata anche "piombo-gel", l'alternativa è "AGM") e che va tutto benissimo anche in ricarica da rete, ho visto i giorni scorsi in ricarica 18 A sulla BS, a 14.3-14.4 V. Era in ricarica anche la BM, ma non ne ho misurato la corrente.

Così per info, a camper rimessato al chiuso ho poi tenuto attaccato il frigo a compressore per quasi 2 giorni (42 ore) senza ricariche di alcun tipo. Consumati circa 30 Ah, la batteria era "calata" a 13.2 V, il BMS la quotava al 90% di SoC.
Ora il camper è fuori al sole, ricarica iniziale dal FV 10.5 A, dopo mezz'ora sui 9 A con tensione 13.45 V
 
_____________ Armando

Modificato da Armando il 30/03/2025 alle 12:06:08
6
Szopen
Szopen
rating

06/09/2019 5986
Rispondi Abuso
Inserito il 30/03/2025 alle: 13:12:50
In risposta al messaggio di Giapo del 30/03/2025 alle 09:57:13

Ciao Ciro, avevo capito che era meglio su Gel, sì ho messo un DC/DC per la carica da alternatore. grazie 1000 per tutte le info 
Infatti ho detto di spostare il selettore di ricarica in alto, piombo/gel e' non in basso su AGM.

Ciro.
nomade analogico e fanciulla all'imbrunire. Non ho nulla da vendere nè consigli da dare, solo qualche piccolo suggerimento da prendere con le pinze, possibilmente, amperometriche. Buoni Km a tutti e......... rammentate sempre che....... TESTAR NON NUOCE!
6
Szopen
Szopen
rating

06/09/2019 5986
Rispondi Abuso
Inserito il 30/03/2025 alle: 13:16:11
In risposta al messaggio di Armando del 30/03/2025 alle 11:23:10

Credo che Ciro si riferisse all'installazione sul mio Hymer, fatta i giorni scorsi. Confermo che la EBL è stata settata su Gel (opzione che sul manuale Schaudt è chiamata anche piombo-gel, l'alternativa è AGM) e che va
tutto benissimo anche in ricarica da rete, ho visto i giorni scorsi in ricarica 18 A sulla BS, a 14.3-14.4 V. Era in ricarica anche la BM, ma non ne ho misurato la corrente. Così per info, a camper rimessato al chiuso ho poi tenuto attaccato il frigo a compressore per quasi 2 giorni (42 ore) senza ricariche di alcun tipo. Consumati circa 30 Ah, la batteria era calata a 13.2 V, il BMS la quotava al 90% di SoC. Ora il camper è fuori al sole, ricarica iniziale dal FV 10.5 A, dopo mezz'ora sui 9 A con tensione 13.45 V  
...
Si Armando mi riferivo a te, non ti ho menzionato per non invadere la tua "privacy", ad ogni modo la tua conferma ci riporta a dati di fatto su come operare al meglio e soprattutto in sicurezza.

Ciro.
nomade analogico e fanciulla all'imbrunire. Non ho nulla da vendere nè consigli da dare, solo qualche piccolo suggerimento da prendere con le pinze, possibilmente, amperometriche. Buoni Km a tutti e......... rammentate sempre che....... TESTAR NON NUOCE!
6
Szopen
Szopen
rating

06/09/2019 5986
Rispondi Abuso
Inserito il 30/03/2025 alle: 13:35:47
In risposta al messaggio di Giapo del 30/03/2025 alle 09:57:13

Ciao Ciro, avevo capito che era meglio su Gel, sì ho messo un DC/DC per la carica da alternatore. grazie 1000 per tutte le info 
Puoi fare una semplice prova per qualche giorno, poi se ti va bene puoi lasciare così.

Per il momento togli il fusibile da 50A posto sul cavo positivo che dalla batteria motore va in ingresso alla EBL, in questo modo la ricarica in viaggio avverrà solo a mezzo del DC-DC Renogy.

Ciro.
nomade analogico e fanciulla all'imbrunire. Non ho nulla da vendere nè consigli da dare, solo qualche piccolo suggerimento da prendere con le pinze, possibilmente, amperometriche. Buoni Km a tutti e......... rammentate sempre che....... TESTAR NON NUOCE!
19
Giapo
Giapo
08/05/2006 705
Rispondi Abuso
Inserito il 31/03/2025 alle: 00:00:46
In risposta al messaggio di Szopen del 30/03/2025 alle 13:35:47

Puoi fare una semplice prova per qualche giorno, poi se ti va bene puoi lasciare così. Per il momento togli il fusibile da 50A posto sul cavo positivo che dalla batteria motore va in ingresso alla EBL, in questo modo la ricarica in viaggio avverrà solo a mezzo del DC-DC Renogy. Ciro.
Scusa Ciro, ma io ho utilizzato lo schema di  Tommaso, il cavo + proveniente dalla BM (morsetto 3), lo ho prolungato e collegato all'ingresso del DC-DC, se scollego il fusibile da 50A il DC-DC non funziona più, giusto?
grazie

image(7093).png
19
Giapo
Giapo
08/05/2006 705
Rispondi Abuso
Inserito il 31/03/2025 alle: 00:05:37
In risposta al messaggio di Szopen del 30/03/2025 alle 13:12:50

Infatti ho detto di spostare il selettore di ricarica in alto, piombo/gel e' non in basso su AGM. Ciro.
Si lo avevo messo come dici tu su piombo/gel
IMG_9656.jpeg

Modificato da Giapo il 31/03/2025 alle 00:07:04
6
Szopen
Szopen
rating

06/09/2019 5986
Rispondi Abuso
Inserito il 31/03/2025 alle: 01:13:41
In risposta al messaggio di Giapo del 31/03/2025 alle 00:00:46

Scusa Ciro, ma io ho utilizzato lo schema di  Tommaso, il cavo + proveniente dalla BM (morsetto 3), lo ho prolungato e collegato all'ingresso del DC-DC, se scollego il fusibile da 50A il DC-DC non funziona più, giusto? grazie
Non ho ancora capito il tipo di collegamento che hai fatto, lo schema di Tommaso andava bene nel suo caso poiché il DC-DC Votronic dispone di un uscita/segnale denominato EBLStart il quale, disinseriva il parallelatore interno alla centralina, segnale che il tuo Renogy non ha e di conseguenza funzione cui non può adempiere, ragion per cui, lo schema di Tommaso per te non va bene.

In questo momento al morsetto 3 dove prima era collegato il cavo rosso provienente dalla BM cosa c'è collegato?

Ciro.
nomade analogico e fanciulla all'imbrunire. Non ho nulla da vendere nè consigli da dare, solo qualche piccolo suggerimento da prendere con le pinze, possibilmente, amperometriche. Buoni Km a tutti e......... rammentate sempre che....... TESTAR NON NUOCE!

Modificato da Szopen il 31/03/2025 alle 01:27:09
Argomenti recenti dal forum
Viaggi in Italia
Giugno all'isola del Giglio
Buongiorno a tutti, sto valutando di trascorrere a fine giugno 4 gio...
Nanasso
Oggi alle 21:16
Accessori
problema ds300 conversione al litio
Ciao a tutti ho montato due batterie al litio su elnagh big marlin ...
Mandracchio
Oggi alle 19:19
Cellula abitativa
Rimozione cerniera porta cellula
Buongiorno, Ho la porta della cellula del mio mcluis steel 531g del...
Telix636
Oggi alle 16:39
Viaggi all'estero
Ruta Jubierre in Spagna
Come da titolo, c’è qualcuno che si è già avventurato a fare questa ...
Sparty91
Oggi alle 14:00
Viaggi all'estero
POLONIA viaggio Estivo
Ciao a tutti, che ne dite di un viaggio in Polonia per questa estate...
RMCamper2020
Oggi alle 12:11
Viaggi in Italia
Raggiungere le 5 terre
Ciao a tutti, ho un dubbio riguardo la strada da fare per raggiunger...
Maiamaia4
Oggi alle 07:58
Cellula abitativa
Indicatori di livello frigo Dometic
Ruotando la manopola di destra in senso orario del frigo DOMETIC si...
norbidic
Oggi alle 03:44
Meccanica
Tappo di carico olio trasmissione cercasi
Su Ducato x244 anno 2004, prima di svuotare l’olio del cambio volevo...
norbidic
Oggi alle 02:18
Meccanica
Acquisto ricambi usati (specchietto sinistro)
Ciao, mentre tornavamo da Valsesia camper per riparare la porta del ...
LaLory
Ieri alle: 22:15
Accessori
Istallazione dashcam anteriore su Ducato nuovo
Ciao a tutti ho un amico inglese che sta acquistando un campervan El...
solidsnork
Ieri alle: 16:50
Viaggi all'estero
Assicurazione viaggio x estero
Buongiorno a tutti, come da titolo volevo sapere se quando andate al...
cpuffo
Ieri alle: 16:20
Cellula abitativa
Luce cortesia Doral 161 - modello maxxima 063
Buongiorno a tutti, qualcuno di voi ha sostituito la lampada di cort...
daleo
Ieri alle: 13:22
Aree di sosta e campeggi
Campeggi zona Pisa a fine marzo
Ciao a tutti, a fine mese (weekend del 21 marzo) vorremmo fare qual...
Andre78
Ieri alle: 10:33
Accessori
Pannelli solari senza incollaggio
Ciao a tutti, cosa ne pensate di questa soluzione? un pò costosa ma ...
Karbon17
Ieri alle: 10:24
Accessori
Pannello solare incollato sul tetto
Buongiorno a tutti, ho notato che sul mio arca america 745 glg del 2...
Adocaro
Ieri alle: 08:38
19
IZ4DJI
IZ4DJI
rating

12/11/2006 58356
Rispondi Abuso
Inserito il 31/03/2025 alle: 09:59:31
In risposta al messaggio di Szopen del 31/03/2025 alle 01:13:41

Non ho ancora capito il tipo di collegamento che hai fatto, lo schema di Tommaso andava bene nel suo caso poiché il DC-DC Votronic dispone di un uscita/segnale denominato EBLStart il quale, disinseriva il parallelatore interno
alla centralina, segnale che il tuo Renogy non ha e di conseguenza funzione cui non può adempiere, ragion per cui, lo schema di Tommaso per te non va bene. In questo momento al morsetto 3 dove prima era collegato il cavo rosso provienente dalla BM cosa c'è collegato? Ciro.
...
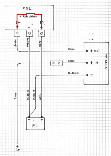
No, il Votronic non ha nessun segnale in piu, l unico filo in piu è il D+ che avvia il DcDc avviando il motore.
Lo schema funziona perchè a motore acceso il rele parallelatore interno alla EBL è chiuso e quindi passante, come se non ci fosse, e quindi la corrente entra e esce dalla EBL senza nessun problema e senza nessuna difficoltà come se girasse su un cavo continuo.
Non so se sono riuscito a spiegarmi.
Ripropongo lo schema dove ho evidenziato il rele chiuso e quindi passante.

Wiring%20EBL%20(3).jpg

Poi, spegnendo il motore, si spegne il DcDc e si apre il rele, ma a quel punto non ha importanza che sia aperto.
____________________________________

Tommaso IZ4DJI

www.iz4dji.it





Modificato da IZ4DJI il 31/03/2025 alle 10:12:47
19
IZ4DJI
IZ4DJI
rating

12/11/2006 58356
Rispondi Abuso
Inserito il 31/03/2025 alle: 10:10:55
In risposta al messaggio di Giapo del 31/03/2025 alle 00:00:46

Scusa Ciro, ma io ho utilizzato lo schema di  Tommaso, il cavo + proveniente dalla BM (morsetto 3), lo ho prolungato e collegato all'ingresso del DC-DC, se scollego il fusibile da 50A il DC-DC non funziona più, giusto? grazie
Esatto wink
____________________________________

Tommaso IZ4DJI

www.iz4dji.it




6
Szopen
Szopen
rating

06/09/2019 5986
Rispondi Abuso
Inserito il 31/03/2025 alle: 10:17:57
In risposta al messaggio di IZ4DJI del 31/03/2025 alle 09:59:31

No, il Votronic non ha nessun segnale in piu, l unico filo in piu è il D+ che avvia il DcDc avviando il motore. Lo schema funziona perchè a motore acceso il rele parallelatore interno alla EBL è chiuso e quindi passante,
come se non ci fosse, e quindi la corrente entra e esce dalla EBL senza nessun problema e senza nessuna difficoltà come se girasse su un cavo continuo. Non so se sono riuscito a spiegarmi. Ripropongo lo schema dove ho evidenziato il rele chiuso e quindi passante. Poi, spegnendo il motore, si spegne il DcDc e si apre il rele, ma a quel punto non ha importanza che sia aperto.
...
Scusa Tommaso ricordavo non so perché, che la connessione del cavo da EBL start sul Votronic la centralina tu l'avessi fatta, nessun problema per te.

Però ora c'è un DC-DC attaccato alla BS ad un tiro si schioppo dalla BM, io farei semplicemente così:

Dalla BM al DC-DC Renogy e da questi alla BS.

Alla BS arrivano. 2 cavi dalla centralina, basta solo eliminare il cavo/collegamento che va in ingresso alla centralina al morsetto 3.

Il DC-DC e' attaccato all BS, ha senso far fare ai cavi un giro lungo per entrare in centralina per poi ritornare al punto di partenza?

Secondo me no.

Viceversa, se si vuole sfruttare tutta la potenza dell'alternatore in viaggio, in modo che si occupi anche dei carichi, allora basta  lasciare tutto come in origine, con cavo diretto da BM a EBL,il DC-DC va montato anch'esso diretto tra BM e BS.

Servirà solo mettere un relė a 5 contatti da 200-250A tra la BS ed il cavo che gli arriva dalla EBL collegato ai prigionieri/PIN 30 e 87a del relė, montato vicino alla BS o alla EBL e' lo stesso, il D+ ed il negativo per l'alimentazione della bobina si trovano comunque in loco in entrambi i casi.

Certo, cio serve solo se in viaggio ci sono carichi generosi, in modo da lasciare i 20A "controllati" dal Renogy dedicandoli alla sola ricarica della BS litio.

Ciro.
nomade analogico e fanciulla all'imbrunire. Non ho nulla da vendere nè consigli da dare, solo qualche piccolo suggerimento da prendere con le pinze, possibilmente, amperometriche. Buoni Km a tutti e......... rammentate sempre che....... TESTAR NON NUOCE!

Modificato da Szopen il 31/03/2025 alle 10:53:19
19
IZ4DJI
IZ4DJI
rating

12/11/2006 58356
Rispondi Abuso
Inserito il 31/03/2025 alle: 10:26:45
In risposta al messaggio di Szopen del 31/03/2025 alle 10:17:57

Scusa Tommaso ricordavo non so perché, che la connessione del cavo da EBL start sul Votronic la centralina tu l'avessi fatta, nessun problema per te. Però ora c'è un DC-DC attaccato alla BS ad un tiro si schioppo dalla
BM, io farei semplicemente così: Dalla BM al DC-DC Renogy e da questi alla BS. Alla BS arrivano. 2 cavi dalla centralina, basta solo eliminare il cavo/collegamento che va in ingresso alla centralina al morsetto 3. Il DC-DC e' attaccato all BS, ha senso far fare ai cavi un giro lungo per entrare in centralina per poi ritornare al punto di partenza? Secondo me no. Viceversa, se si vuole sfruttare tutta la potenza dell'alternatore in viaggio, in modo che si occupi anche dei carichi, allora basta  lasciare tutto come in origine, con cavo diretto da BM a EBL,il DC-DC va montato anch'esso diretto tra BM e BS. Servirà solo mettere un relė a 5 contatti da 200-250A tra la BS ed il cavo che gli arriva dalla EBL collegato ai prigionieri/PIN 30 e 87a del relė, montato vicino alla BS o alla EBL e' lo stesso, il D+ ed il negativo per l'alimentazione della bobina si trovano comunque in loco in entrambi i casi. Certo, cio serve solo se in viaggio ci sono carichi generosi, in modo da lasciare i 20A controllati dal Renogy dedicandoli alla sola ricarica della BS litio. Ciro.
...
Io avevo seguito quello schema perchè sul manuale Votronic, e è bastato spostare un cavo dal morsetto BM della EBL a quello IN del DcDc, molto semplice, senza modifiche particolari, facilmente reversibile in ogni momento.

Certo che si puo fare anche in altro modo, ma secondo me ci potrebbero essere complicazioni imprevedibili.
Per esempio il frigo, a motore acceso viene alimentato da BM e a motore spento da BS,  non avendo piu un cavo collegato al morsetto BM della EBL cosa succede con il frigo? Gli arriverebbe comunque tensione a motore acceso? Non lo so, bisognerebbe studiarci.
Con lo schema di Votronic, la centralina continua a funzionare esattamente come funziona in origine.
Secondo me è lo schema piu semplice e sicuro per tutto.
____________________________________

Tommaso IZ4DJI

www.iz4dji.it





Modificato da IZ4DJI il 31/03/2025 alle 10:29:01
19
Giapo
Giapo
08/05/2006 705
Rispondi Abuso
Inserito il 31/03/2025 alle: 10:34:17
In risposta al messaggio di Szopen del 31/03/2025 alle 01:13:41

Non ho ancora capito il tipo di collegamento che hai fatto, lo schema di Tommaso andava bene nel suo caso poiché il DC-DC Votronic dispone di un uscita/segnale denominato EBLStart il quale, disinseriva il parallelatore interno
alla centralina, segnale che il tuo Renogy non ha e di conseguenza funzione cui non può adempiere, ragion per cui, lo schema di Tommaso per te non va bene. In questo momento al morsetto 3 dove prima era collegato il cavo rosso provienente dalla BM cosa c'è collegato? Ciro.
...
O cavolo, ho fatto così, ingresso a BM su ELB 119 prelevata da uscita + DC-DC

6092E8C0-3B70-4B8D-9BB9-31913031B16B.jpeg
 

Modificato da Giapo il 31/03/2025 alle 10:38:48
6
Szopen
Szopen
rating

06/09/2019 5986
Rispondi Abuso
Inserito il 31/03/2025 alle: 10:37:40
In risposta al messaggio di IZ4DJI del 31/03/2025 alle 10:26:45

Io avevo seguito quello schema perchè sul manuale Votronic, e è bastato spostare un cavo dal morsetto BM della EBL a quello IN del DcDc, molto semplice, senza modifiche particolari, facilmente reversibile in ogni momento.
Certo che si puo fare anche in altro modo, ma secondo me ci potrebbero essere complicazioni imprevedibili. Per esempio il frigo, a motore acceso viene alimentato da BM e a motore spento da BS,  non avendo piu un cavo collegato al morsetto BM della EBL cosa succede con il frigo? Gli arriverebbe comunque tensione a motore acceso? Non lo so, bisognerebbe studiarci. Con lo schema di Votronic, la centralina continua a funzionare esattamente come funziona in origine. Secondo me è lo schema piu semplice e sicuro per tutto.
...
Ciò che dici può essere vero, ma la EBL alimenta il frigo con una connessione a parte e comunque, qualora fosse come dici, alimentando anche il frigo alla BS arriverebbe pochissima corrente, una decina di A forse.

Non trascuriamo 2 particolari molto importanti, tu avevi un DC-DC da 30A ed anche se poco utilizzato un' Efoy collegato all'impianto del mezzo.

Ciro.
nomade analogico e fanciulla all'imbrunire. Non ho nulla da vendere nè consigli da dare, solo qualche piccolo suggerimento da prendere con le pinze, possibilmente, amperometriche. Buoni Km a tutti e......... rammentate sempre che....... TESTAR NON NUOCE!

Modificato da Szopen il 31/03/2025 alle 10:42:26
6
Szopen
Szopen
rating

06/09/2019 5986
Rispondi Abuso
Inserito il 31/03/2025 alle: 10:40:41
In risposta al messaggio di Giapo del 31/03/2025 alle 10:34:17

O cavolo, ho fatto così, ingresso a BM su ELB 119 prelevata da uscita + DC-DC  
Hai fatto bene.

Ti auguro solo non dover riaprire un'altro topic con "Batteria non si carica in viaggio"

Ciro.
nomade analogico e fanciulla all'imbrunire. Non ho nulla da vendere nè consigli da dare, solo qualche piccolo suggerimento da prendere con le pinze, possibilmente, amperometriche. Buoni Km a tutti e......... rammentate sempre che....... TESTAR NON NUOCE!

Modificato da Szopen il 31/03/2025 alle 10:55:38
22
Armando
Armando
rating

11/08/2003 7445
Rispondi Abuso
Inserito il 31/03/2025 alle: 11:13:09
In risposta al messaggio di IZ4DJI del 31/03/2025 alle 10:26:45

Io avevo seguito quello schema perchè sul manuale Votronic, e è bastato spostare un cavo dal morsetto BM della EBL a quello IN del DcDc, molto semplice, senza modifiche particolari, facilmente reversibile in ogni momento.
Certo che si puo fare anche in altro modo, ma secondo me ci potrebbero essere complicazioni imprevedibili. Per esempio il frigo, a motore acceso viene alimentato da BM e a motore spento da BS,  non avendo piu un cavo collegato al morsetto BM della EBL cosa succede con il frigo? Gli arriverebbe comunque tensione a motore acceso? Non lo so, bisognerebbe studiarci. Con lo schema di Votronic, la centralina continua a funzionare esattamente come funziona in origine. Secondo me è lo schema piu semplice e sicuro per tutto.
...
Con la EBL30 abbiamo collegato BM -> DCDC -> BS senza ripassare dall'ingresso BM della centralina  (rimasto vuoto) e va tutto bene, sia per le diverse funzionalità nell'utilizzo del camper, sia come ricariche nelle 3 situazioni: Marcia - 230 - FV.
Ritengo fosse una scelta più prudente nel caso di errato settaggio del DCDC (con corrente troppo elevata per l'impianto) e anche di fronte a paralleli interni che in quel momento non mi erano chiari. 
Allo stesso modo in cui ho preferito a suo tempo connettere il FV direttamente alla BS e non all'ingresso FV della EBL.

Da fermo è comunque la BS ad alimentare il frigo a compressore, come si nota dal report del BMS:

Screenshot_20250330_150645_BMS.jpg

(Per inciso, mi viene in mente chi non credeva al consumo del compressore da me dichiarato sui 3.6-3.7 A)

Come commento alle funzionalità Schaudt, ritengo la sua impostazione di alimentazione del frigo a compressore, cioè in marcia dalla BM e a motore fermo dalla BS,  una complicazione (forse eredità di quella dei frigo trivalenti?) e che nel caso del compressore sarebbe stato meglio alimentare sempre dalla BS: più semplice, senza scambi.
Comunque è fatta così, tutto sommato funziona quindi OK.
_____________ Armando

Modificato da Armando il 31/03/2025 alle 11:22:18
19
Giapo
Giapo
08/05/2006 705
Rispondi Abuso
Inserito il 31/03/2025 alle: 11:34:49
In risposta al messaggio di Szopen del 31/03/2025 alle 10:37:40

Ciò che dici può essere vero, ma la EBL alimenta il frigo con una connessione a parte e comunque, qualora fosse come dici, alimentando anche il frigo alla BS arriverebbe pochissima corrente, una decina di A forse. Non trascuriamo 2 particolari molto importanti, tu avevi un DC-DC da 30A ed anche se poco utilizzato un' Efoy collegato all'impianto del mezzo. Ciro.
Sull'app della batteria LiTime con il motore accesso visualizzo circa 18A di carica, però il frigo era spento, stasera provo ad accendere il frigo (trivalente) e vedere quanto carica.
grazie
SostaGruppiCompagniItaliaEsteroMarchiMeccanicaCellulaAccessoriEventiLeggiComportamentiDisabiliIn camper perAltro CamperAltroExtra
167k Facebook
343k Instagram
42,6k TikTok
73,3k Youtube
CamperOnLine - Copyright © 1998-2026 - P.Iva 06953990014
Informativa privacy
Loading...

Accedi

Recupera Password
Nuovo utente

Vuoi eliminare il messaggio?

Sottoscrizione

Anteprima

PREFERENZA

Il messaggio è in fase di inserimento.

loading

CamperOnLine

Buongiorno gentile utente,

da oltre 20 anni Camperonline offre gratuitamente tutti i suoi servizi
grazie agli inserzionisti che ci hanno dato la loro fiducia, permettici di continuare il nostro lavoro disattivando il blocco delle pubblicità.

Grazie della collaborazione.

Azione eseguita con successo

Azione Fallita

Condividi

Condividi questa pagina con:

O copia il link