CamperOnLine
  • Camper
    • Camper usati
    • Camper nuovi
    • Produttori
    • Listino
    • Cataloghi
    • Concessionari e rete vendita
    • Noleggio
    • Van
    • Caravan
    • Fiere
    • Rimessaggi
    • Le prove di CamperOnLine
    • Provati da voi
    • Primo acquisto
    • Area professionisti
  • Accessori
    • Accessori e Prodotti
    • Camping Sport Magenta accessori
    • Produttori
    • Antenne TV
    • Ammortizzatori
    • GPS
    • Pneumatici
    • Rimorchi
    • Provati da Voi
    • Fai da te
  • Viaggi
    • Diari di viaggi in camper
    • Eventi
    • Foto
    • Check list
    • Traghetti
    • Trasporti
  • Sosta
    • Cerca Strutture
    • Sosta
    • Aree sosta camper
    • Campeggi
    • Agriturismi con sosta camper
    • App Camperonline App
    • 10 Consigli utili per la sosta
    • Area strutture
  • Forum
    • Tutti i Forum
    • Sosta
    • Gruppi
    • Compagni
    • Italia
    • Estero
    • Marchi
    • Meccanica
    • Cellula
    • Accessori
    • Eventi
    • Leggi
    • Comportamenti
    • Disabili
    • In camper per
    • Altro Camper
    • Altro
    • Extra
    • FAQ
    • Regolamento
    • Attivi
    • Preferiti
    • Cerca
  • Community
    • COL
    • CamperOnFest
    • Convenzioni Convenzioni
    • Amici
    • Furti
    • Informativa Privacy
    • Lavoro
  • COL
    • News
    • Newsletter
    • Pubblicità
    • Contatto
    • Ora
    • RSS RSS
    • Video
    • Facebook
    • Instagram
  • Magazine
  • Italiano
    • Bienvenue
    • Welcome
    • Willkommen
  • Accedi
CamperOnLine
Camping Sport Magenta
  1. Forum
  2. Tecnica
  3. Accessori
Galleria

Aiuto per impianto fotovoltaico fai da te

Rispondi
Cerca
Berger Camping
SostaGruppiCompagniItaliaEsteroMarchiMeccanicaCellulaAccessoriEventiLeggiComportamentiDisabiliIn camper perAltro CamperAltroExtra
2 20 41
7
Hunter85
Hunter85
15/06/2018 11024
Rispondi Abuso
Inserito il 16/11/2022 alle: 22:42:25
In risposta al messaggio di Giuliopgn del 16/11/2022 alle 22:23:19

Brutte esperienze, anche su macchine grosse e importanti con tecnici che non sapevano come fare ad evitare che inverter da 50 kW sparassero a terra da far saltare differenziali da 500 mA, fermi macchina di mesi... Sui componenti,
proximity es. andavano benissimo, poi spostano stabilimento, arriva roba che fa pena, anche sui magnetotermici stessa cosa; vabbè non mi sconfinferano.
...
Ah non so...ma lavori in questo ambito?
Il magnetotermico per staccare il pannello lo prendo a caso in un negozio di materiale elettrico indicativamente al doppio della corrente del pannello per essere sicuro che non salti ...

Quindi non è dei migliori ma nemmeno mi serve.
Marca general Electric.
Quello dei magnetotermici e differenziali è una giungla...da prezzi bassissimi a carissimi.

Comunque anche quello vero, di magnetotermico per la colonnina (che ho messo C6) è stessa marca general Electric.

Spero e penso comunque che la normativa in queste cose sia abbastanza omogenea.

Nel senso che un magnetotermico economico certificato non faccia andare a fuoco più case di uno costosissimo...cool

Da quando ho messo il neutro fisso a telaio delll inverter con DIFFERENZIALE, ho il pensiero "e se si guasta il differenziale"?
Mi ritrovo con 230v tra fase e telaio che prima non avevo..senza protezione 
Tutto si può guastare,ma spero che queste cose nosurprise
In un mondo dove il male è di casa e ha vinto sempre, Dove regna il capitale, oggi più spietatamente, Riusciranno questo brocco e questo inutile scudiero Al Potere dare scacco e salvare il mondo intero?

Modificato da Hunter85 il 16/11/2022 alle 22:46:47
5
Lebowski
Lebowski
02/02/2021 1542
Rispondi Abuso
Inserito il 16/11/2022 alle: 22:45:54
In risposta al messaggio di Hunter85 del 16/11/2022 alle 22:15:36

In che senso? Non sono buoni i prodotti?
Sviluppo software per automazione industriale, il primo incontro/scontro con Siemens (o meglio con il suo ambiente di sviluppo) è stato circa 35 anni fa (all'epoca Step5 che correva sotto CP/M quando nessuno l'usava più da tempo) ed è stato odio a prima vista. Da allora non ha fatto che peggiorare. Step5 faceva ****** (per non parlare della documentazione orribile), Step7 un po' meno (almeno la documentazione era + o - accettabile) e TIA Portal è anche peggio di Step5 (quello almeno funzionava).
Il bello è che i sistemi di altri fabbricanti sono anche peggio, ma il primo odio non si dimentica mai laugh.
Bon cop de falç!
5
Lebowski
Lebowski
02/02/2021 1542
Rispondi Abuso
Inserito il 16/11/2022 alle: 22:47:30
In risposta al messaggio di Hunter85 del 16/11/2022 alle 22:35:10

Ma infatti come ho detto quei magnetotermici hanno una precisa funzione di sicurezza importantissima su milioni di edifici. e sono sottoposti giustamente a una normativa e una classificazione strettissima. Che tra l'altro
è la cosa che mi fa pensare che sono oggetti di buona fattura al di là di tutto. Nel caso di questo specifico è certificato per 6kA da 12vca a 250vca. NESSUN DATO IN CC, HO APPENA CONTROLLATO. E questo è tassativo nel senso che non puoi pensare che ti protegga tagliando 6000A a 230VCC se mai uno avesse un impianto a 230vcc da proteggere. Però dire che si guasta per usarlo per isolare un pannello per manutenzione comoda, anche nel caso di distratta sconnessione sotto carico a 10A a 38VCC mi sembra esagerato! Poi è giusto precisare che la dicitura CA o Cc ha un preciso significato e non è messa a caso e io non l'ho fatto. Intendevo dire all autore che ha l obiettivo di mettere un interruttore sul pannello che se ne ha uno in casa A ME PIACE DI PIÙ CHE CERTI FUSIBILI REIMSERIBILI CINESISSIMI che ci sono in giro. Per fare questa cosa dell' interruttore e basta. Non volevo dire che tanto è uguale e 6kA CA sono la stessa cosa che 6kA CC. SCEGLIERE differenziali e magnetotermici per quello che sono è una cosa seria da non fare a caso... Specialmente sul camper che magari uno cambia un magnetotermico c6 con uno c20 senza sapere come sono i cavi e le prese 230. Però qui è un uso molto più banale senza scopi di protezione e a bassa tensione e corrente. Che non è l'ideale teorico? Ok.. ​​​​​​​A me piace come sistema..poi c'è ne saranno di migliori e più adatti e sicuramente ci sarà qualche interruttore BIPOLARE fatto benissimo e specifico per CC.
...
Intendevo dire all autore che ha l obiettivo di mettere un interruttore sul pannello che se ne ha uno in casa A ME PIACE DI PIÙ CHE CERTI FUSIBILI REIMSERIBILI CINESISSIMI che ci sono in giro. Per fare questa cosa dell' interruttore e basta.

E su questo siamo d'accordo. Ma qualcuno potrebbe interpretare che è corretto usare un magnetotermico AC con DC e non è così.
Bon cop de falç!
7
Hunter85
Hunter85
15/06/2018 11024
Rispondi Abuso
Inserito il 16/11/2022 alle: 23:07:08
In risposta al messaggio di Lebowski del 16/11/2022 alle 22:47:30

Intendevo dire all autore che ha l obiettivo di mettere un interruttore sul pannello che se ne ha uno in casa A ME PIACE DI PIÙ CHE CERTI FUSIBILI REIMSERIBILI CINESISSIMI che ci sono in giro. Per fare questa cosa dell'
interruttore e basta. E su questo siamo d'accordo. Ma qualcuno potrebbe interpretare che è corretto usare un magnetotermico AC con DC e non è così.
...
Infatti abbiamo spiegato che i poteri di interruzione e anche le soglie di intervento di un magnetotermico Ca sono diverse per la CC.

detto questo, la.realta dei fatti tornando in tema di fotovoltaico del camper, è che ho visto più di un impianto fatto "professionalmente" senza fusibile tra regolatore e batteria e meno che mai un qualche sezionatore sul pannello che è sempre molto comodo e utile (per me).
Oltre a cavi sottili lunghi infiniti, Faston su cavi dove passa più di qualche AMPER.etc...dove.sarebbe meglio usare capicorda imbullonati.

Anche dai fabbricanti di camper.
Non sono rare su COL le immagini di centraline mezze bruciacchiate sui contatti, portafusibili  lamellari messi con Faston ballerini che squagliano la plastica del fusibile senza che questo salti e cose così.

Io,non dico che ho il terrore della 12v nei pannelli di controllo e derivazioni varie sui camper,ma nemmeno ho gran fiducia.

​​​​​​Non mi sembra una tragedia usare un magnetotermico domestico per staccare 2 cavi in modo pratico a bassissimo amperaggio e soprattutto isolati da un possibile corto sulla batteria.
NOn é che ho detto di usarlo per sezionare 2 batterie al litio o un motorino di avviamento wink
In un mondo dove il male è di casa e ha vinto sempre, Dove regna il capitale, oggi più spietatamente, Riusciranno questo brocco e questo inutile scudiero Al Potere dare scacco e salvare il mondo intero?
Asturia, Cantabria e Paesi Baschi in cam
Asturia, Cantabria e Paesi Baschi in cam
Sala Silvergruva, la miniera d'argento
Sala Silvergruva, la miniera d'argento
Folgaria d’inverno in camper
Folgaria d’inverno in camper
Francia 2025
Francia 2025
Eksjo, la città di legno
Eksjo, la città di legno
Previous Next
Andrix89
Andrix89
09/11/2022 10
Rispondi Abuso
Inserito il 19/11/2022 alle: 14:53:52
Per la mia batteria cosa devo impostare sul regolatore di carica? SEL - GEL o FLD ? 

20221024_170011(2).jpg

Modificato da Andrix89 il 19/11/2022 alle 14:57:06
7
Hunter85
Hunter85
15/06/2018 11024
Rispondi Abuso
Inserito il 19/11/2022 alle: 16:31:39
In risposta al messaggio di Andrix89 del 19/11/2022 alle 14:53:52

Per la mia batteria cosa devo impostare sul regolatore di carica? SEL - GEL o FLD ? 
Epever giusto? Visto i parametri scritto sulla batteria, o sealed o flooded.

Sealed: assorbimento 14.4v, mantenimento 13
8v, equalizzazione 1 volta al mese a 14.6v

Flooded: assorbimento 14.6v, mantenimento 13.8v, equalizzazione 1 volta al mese 14.8v.

Se fosse la mia prenderei il display esterno o il wifi o il cavo PC per programmare e metterei l assorbimento a 10 minuti al giorno in caso di rimessaggio sotto il sole.

Di default l.assorbimento è 120 minuti e per una batteria inutilizzata è un po' troppo.

Con uno di questi accessori puoi programmare tutte le tensioni, la compensazione per temperatura e intempi a piacere 
 
In un mondo dove il male è di casa e ha vinto sempre, Dove regna il capitale, oggi più spietatamente, Riusciranno questo brocco e questo inutile scudiero Al Potere dare scacco e salvare il mondo intero?
7
Hunter85
Hunter85
15/06/2018 11024
Rispondi Abuso
Inserito il 21/11/2022 alle: 19:16:13
Premesso che per me è sempre consigliabile collegare i pannelli a un regolatore Mppt dedicato (poiché la gran parte delle centraline dei camper avevano all interno un regolatore Pwm e probabilmente molto stretto come tolleranze).

Per vedere se il pannello carica è molto facile.

Al sole senza 230 allacciata la tensione della batteria si deve alzare (di quanto dipende da quanto è scarica la batteria e dalla potenza del pannello e dal tipo di regolatore, ma si deve alzare).

Per testare la funzionalità del pannello stesso si può mettere in cortocircuito in sole pieno a mezzogiorno.
Misurare la corrente in cortocircuito con un tester.
Si deve leggere una corrente effettiva e diciamo anche a novembre sotto il sole almeno oltre 1/3 della corrente di cortocircuito di targa.
Ovviamente sono correnti basse . Specialmente in pannelli civili che hanno una tensione molto più alta.
Il mio da 450w ha una corrente di cortocircuito di 11.5A.

Un pannello da camper da 200w a 36 celle la ha circa di 10A.
Se a mezzogiorno la corrente di cortocircuito è irrilevante il pannello ha problemi...

Sull ingresso centralina non so aiutarti perché non la conosco. Ma qualcuno ti scriverà...
In un mondo dove il male è di casa e ha vinto sempre, Dove regna il capitale, oggi più spietatamente, Riusciranno questo brocco e questo inutile scudiero Al Potere dare scacco e salvare il mondo intero?
5
Lebowski
Lebowski
02/02/2021 1542
Rispondi Abuso
Inserito il 21/11/2022 alle: 19:42:14
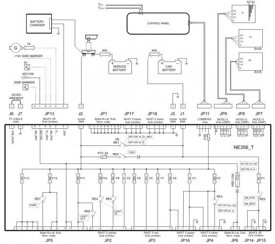
Guardando lo schema, il pin 4 del JP16 è in parallelo al pin 1 del JP3 e va alla batteria servizi con un fusibile da 10A.
Secondo me è meglio collegare l'uscita del regolatore direttamente al positivo della batteria (cioè senza passare dal JP16).


image(4324).png
Bon cop de falç!
Giuliopgn
Giuliopgn
-
Rispondi Abuso
Inserito il 21/11/2022 alle: 20:19:34

Vabbè, qui si parlava di LFP plug&play e qualcuno si era innervosito perché si era scivolati su BMS "inquinando" la conversazione.
Avevo proposto di aprire un thread apposito, ma l'idea non è stata presa in considerazione, poco male perché comunque l'autore del post già se n'era allontanato.
Ora si risponde al solito novello che si iscrive e chiede informazioni nel primo thread che gli capita.
Ricerco in Google "centralina nordelettronica camperonline pannelli fotovoltaici" e mi appare qualche possibilità di collegarsi discussioni più consone:

https://forum.camperonline.it/t...


https://forum.camperonline.it/t...


D'accordo, il modello della scheda non è proprio lo stesso, ma i thread sono sicuramente più inerenti alla problematica da affrontare.
Il BMS almeno fa parte integrante della batteria LFP e ne caratterizza il funzionamento, ma la centralina non ha niente a che fare con questa discussione.
Giuliopgn

Modificato da Giuliopgn il 21/11/2022 alle 20:24:03
Andrix89
Andrix89
09/11/2022 10
Rispondi Abuso
Inserito il 21/11/2022 alle: 20:25:39
Io sto qua e leggo tutto, i miei dubbi " spero" di averli risolti, sto aspettando l'inverter e poi vediamo se fila tutto liscio .. cmq si nordkapp qua si stava parlando di altro .. apriti un tuo post cool
Giuliopgn
Giuliopgn
-
Rispondi Abuso
Inserito il 21/11/2022 alle: 21:33:53

Emh, faccio pubblica ammenda, ero convinto di essere su:

https://forum.camperonline.it/t...



Quindi mi scuso parzialmente con il novello ed attribuisco la responsabilità della svista a Hunter che è onnipresente, non conosce la sintesi e nel tentativo di stargli dietro diventi "ciucco"...scherzo neh Francesco!
 
Giuliopgn

Modificato da Giuliopgn il 21/11/2022 alle 21:35:42
Argomenti recenti dal forum
Viaggi all'estero
Crociera da Copenaghen
Salve, avendo la crociera da Copenaghen dove è possibile parcheggiar...
corsir
Oggi alle 13:55
Cellula abitativa
Problema condensa nel gavone
Buongiorno a tutti. Come da titolo, quest'inverno ho riscontrato un ...
Dado1481
Oggi alle 13:44
Altro non sui camper
Suggerimento a Team di Moderazione
Stanno proliferando interventi che riguardano l'impianto elettrico: ...
Fisool
Ieri alle: 21:56
Accessori
Batteria al litio e centralina arsilicii rossa
Buonasera a tutti, un consiglio da i più esperti, posso montare una ...
Pepeago
Ieri alle: 16:29
Cellula abitativa
Moquette ed - eventualmente - tappezziere
Ciao a tutti, ho cercato ma le ultime discussioni risalgono al 2020 ...
atomant
Ieri alle: 12:20
Meccanica
Parasassi - Locaro passaruota Ducato 2026
Buongiorno a tutti, Sono nuovo dell'ambiente, ma sono molto felice d...
RollingLedger
Ieri alle: 09:57
Accessori
CBE CSB2 sempre acceso + info su reg.carica
CIao a tutti, ho una Adriatik 572 del 2005 con centralina EBL 208 S ...
dav8989
Ieri alle: 07:41
Accessori
Waeco cruiscontroll Ms 900
Chi lo ha montato su ducato 3000cc del 2010 mi spiega come funziona ...
flavius67
15/03/26 - 21:12
Accessori
Impianto 13 poli gancio traino schema
Ciao a tutti, Dubito di risolvere, ma la community qui é numerosa e ...
maaaxxx
15/03/26 - 18:27
Meccanica
Un aiutino da casa x Crossclimate
Mi sono un po perso sulle pressioni corrette , il mezzo è su Ducato ...
dadamazz
15/03/26 - 18:05
Aree di sosta e campeggi
Area sosta sul lago di Barcis
Ciao a tutti , qualcuno è stato a Pasqua nell'area sosta camper a Ba...
diabolik
15/03/26 - 16:14
Accessori
Interpretare smartshunt
Buongiorno, nel cammin di mezza via . . . Mi ritrovo con 2 BS 110AH ...
isauri
15/03/26 - 15:21
Accessori
monitoraggio pressione pneumatici
Buongiorno a tutti, volevo chiedere se qualcuno ha montato un TPMS d...
Walter62
15/03/26 - 14:11
Aree di sosta e campeggi
Area sosta a primaluna Lecco
Buongiorno chiedo x piacere,,qualcuno e stato recentemente all,area ...
giuvanella
15/03/26 - 13:26
Cellula abitativa
Cavi dietro sedile lato passeggero ducato 244
Buongiorno a tutti, sul mio ducato 244 esce dietro il sedile una lin...
CamperistaPN
15/03/26 - 08:55
Giuliopgn
Giuliopgn
-
Rispondi Abuso
Inserito il 21/11/2022 alle: 21:44:33
In risposta al messaggio di Andrix89 del 21/11/2022 alle 20:25:39

Io sto qua e leggo tutto, i miei dubbi spero di averli risolti, sto aspettando l'inverter e poi vediamo se fila tutto liscio .. cmq si nordkapp qua si stava parlando di altro .. apriti un tuo post 

Andrix...nun te allargà', sono ad un paio di migliaia di interventi ed ho aperto un solo post, chi cerca trova, anche senza dover necessariamente aprire un thread proprio ed esserne poi geloso.

Ma è così difficile collegarsi ad una discussione già esistente?
Sono stravolto dal forum del gas del Marocco...
Giuliopgn

Modificato da Giuliopgn il 21/11/2022 alle 21:49:16
Andrix89
Andrix89
09/11/2022 10
Rispondi Abuso
Inserito il 21/11/2022 alle: 22:24:27
In risposta al messaggio di Giuliopgn del 21/11/2022 alle 21:44:33

Andrix...nun te allargà', sono ad un paio di migliaia di interventi ed ho aperto un solo post, chi cerca trova, anche senza dover necessariamente aprire un thread proprio ed esserne poi geloso. Ma è così difficile collegarsi ad una discussione già esistente? Sono stravolto dal forum del gas del Marocco...
Ma io veramente stavo andando dietro al tuo discorso.. la discussione che avete avuto sull'interruttore era inerente al mio problema ed ho seguito molto attentamente, stavo parlando del commento precedente di nordkapp che è entrato facendo domande che erano al di fuori dell'argomento trattatato ed era riferito a lui il messaggio di cercare o aprire una nuova discussione, non te l'ho detto a te, poi anche io sono un novellino appena registrato apposta per porvi domande .. ma non vado di certo a scrivere in altre discussioni dove si parla di X a scrivere di Y ..  o cerco o apro un nuovo post per conto mio .. per l'appunto come hai detto tu .. non capisco perché della tua risposta sinceramente.. 

Modificato da Andrix89 il 21/11/2022 alle 22:25:55
Giuliopgn
Giuliopgn
-
Rispondi Abuso
Inserito il 21/11/2022 alle: 22:39:48

Se vai dietro ad un discorso sbagliato...sbagli due volte.
Ma forse non hai capito il messaggio, voi novelli inondate il Forum con decine di nuovi thread al giorno, simili a quelli già aperti e senza sbattervi con la ricerca; pigrizia e desiderio di essere al centro dell'attenzione.
Affanno di apparire sui social network, a sgomitate.
Giuliopgn
Andrix89
Andrix89
09/11/2022 10
Rispondi Abuso
Inserito il 21/11/2022 alle: 22:56:12
A ok, quindi c'è l'hai anche con me .. se parli chiaro capisco, leggendo si capisce poco il sarcasmo.. apposto.. si voglio apparire ed essere popolare .. problem? i miei follower sono schizzati alle stelle con questo thread .. 
Andrix89
Andrix89
09/11/2022 10
Rispondi Abuso
Inserito il 21/11/2022 alle: 22:59:48
In risposta al messaggio di Giuliopgn del 21/11/2022 alle 22:39:48

Se vai dietro ad un discorso sbagliato...sbagli due volte. Ma forse non hai capito il messaggio, voi novelli inondate il Forum con decine di nuovi thread al giorno, simili a quelli già aperti e senza sbattervi con la ricerca; pigrizia e desiderio di essere al centro dell'attenzione. Affanno di apparire sui social network, a sgomitate.
Fai il moderatore e fai il cicchetto a tutti i novellini che aprono nuove discussioni e le elimini.. se ti fa piacere .. sennò basta non leggere e non commentare e vivi più sereno a parer mio 
Giuliopgn
Giuliopgn
-
Rispondi Abuso
Inserito il 21/11/2022 alle: 23:06:07

Mi spiace caro, non sono un moderatore, l'altro (nordkapp) almeno ha cancellato i suoi post ed è sparito.
Puoi al limite dirmi che mi atteggio a moderatore senza averne il mandato, tranquillo il mio è stato un intervento sbagliato, colpa di Hunter ahahah
Giuliopgn

Modificato da Giuliopgn il 21/11/2022 alle 23:15:33
Andrix89
Andrix89
09/11/2022 10
Rispondi Abuso
Inserito il 21/11/2022 alle: 23:08:47
In risposta al messaggio di Giuliopgn del 21/11/2022 alle 23:06:07

Mi spiace caro, non sono un moderatore, l'altro (nordkapp) almeno ha cancellato i suoi post ed è sparito. Puoi al limite dirmi che mi atteggio a moderatore senza averne il mandato, tranquillo il mio è stato un intervento sbagliato, colpa di Hunter ahahah
Appunto, se è vietato aprire nuove discussioni e ho sbagliato me lo farà presente un moderatore e cancellerà l'intero post che ti da così tanto fastidio caro 
Giuliopgn
Giuliopgn
-
Rispondi Abuso
Inserito il 21/11/2022 alle: 23:19:21
.. cmq si nordkapp qua si stava parlando di altro .. apriti un tuo post cool

Sei tu che hai mandato a stendere l'altro non io.
Giuliopgn
Andrix89
Andrix89
09/11/2022 10
Rispondi Abuso
Inserito il 29/11/2022 alle: 20:03:28
Eccomi, ho collegato il tutto, per quanto riguarda la modalità di carico cosa devo impostare sull'epever? Non ho modificato nulla e segna su timer 1 è impostato117 " modalità manuale (carico predefinito attivo)" e timer 2 è impostato 2n (disabilitato) .. 

Screenshot_20221129_195855.jpg
SostaGruppiCompagniItaliaEsteroMarchiMeccanicaCellulaAccessoriEventiLeggiComportamentiDisabiliIn camper perAltro CamperAltroExtra
167k Facebook
343k Instagram
42,6k TikTok
73,3k Youtube
CamperOnLine - Copyright © 1998-2026 - P.Iva 06953990014
Informativa privacy
Loading...

Accedi

Recupera Password
Nuovo utente

Vuoi eliminare il messaggio?

Sottoscrizione

Anteprima

PREFERENZA

Il messaggio è in fase di inserimento.

loading

CamperOnLine

Buongiorno gentile utente,

da oltre 20 anni Camperonline offre gratuitamente tutti i suoi servizi
grazie agli inserzionisti che ci hanno dato la loro fiducia, permettici di continuare il nostro lavoro disattivando il blocco delle pubblicità.

Grazie della collaborazione.

Azione eseguita con successo

Azione Fallita

Condividi

Condividi questa pagina con:

O copia il link